Поиск подшипника
Статьи
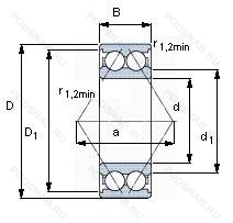
5217A — Подшипник шариковый двухрядный радиально-упорный, модификация основного исполнения 5217, выпускается производителями: NACHI, NTN, SKF.
Размер подшипника: 85x150x49 мм.
Измененная или модифицированная внутренняя конструкция при неизменных основных размерах.
Альтернативное обозначение: 5217C.
Аналоги: 5217 Fafnir,5217 NTN.
Международная стандартизации ISO
5217A
В наличии
| Обозначение | Конструктивные изменения |
|---|---|
| 5217 | Подшипник шариковый двухрядный радиально-упорный. Основное конструктивное исполнение. |
| 5217CFF | Двухрядный радиально-упорный подшипник качения без канавки для заполнения шариками. Со сходящимися наружу угловыми контактами. Жесткая конструкция. Металлическое уплотнение с двух сторон. |
| 5217MF | Миниатюрный метрический подшипник со специальными размерами и фланцевым наружным кольцом. |
| 5217ML | Механически обработанный латунный сепаратор. оконного типа. центрируемый по внутреннему или наружному кольцу в зависимости от типа подшипника. |
| 5217MFF | Двухрядный радиально-упорный. Шарикоподшипник с заполняющей выемкой и сходящимися наружу углами контакта. Металлическое уплотнение с двух сторон. |
| 5217C3 | Внутренний зазор больше нормального. |
| 5217ZZ | Защитные металлические шайбы с двух сторон подшипника. |
| 5217CH501 | Двухрядный радиально-упорный подшипник качения без канавки для заполнения шариками. Со сходящимися наружу угловыми контактами. Жесткая конструкция. Внутренний суффикс-код MRC. |
| 5217A/C3 | Внутренний зазор больше нормального. Двухрядный радиально-упорный шарикоподшипник без отверстия для смазки. |
| 5217C | Двухрядный радиально-упорный подшипник качения без канавки для заполнения шариками. Со сходящимися наружу угловыми контактами. Жесткая конструкция. |
| 5217S | Запечатанная версия кулачкового ролика. Только для тел качения. |
| A 5217 WB | Cast Iron Take-Up Type Bearing Unit With Its Stretcher Frame. Relubricatable. |
| 2P5217L | Одно механическое уплотнение. |
| 5217 A-2Z | Измененная или модифицированная внутренняя конструкция при неизменных основных размерах. Защитные металлические шайбы с обеих сторон подшипника. |
| 5217 E | Повышенная грузоподъемность. |
| 5217-2RS | Резиновые уплотнения с каждой стороны подшипника. |
| 5217G PRB | Устройство повторного смазывания со смазочной канавкой и отверстием на внешнем кольце. Molded Nylon Cage. |
| 5217G | Устройство повторного смазывания со смазочной канавкой и отверстием на внешнем кольце. |
| 5217N | Канавка под стопорное кольцо на внешнем кольце. |
| 5217ANR | Подшипник шариковый двухрядный радиально-упорный. |
| 5217AN | Код формы шариковой направляющей. |
| 5217NR | Канавка под стопорное кольцо на наружном кольце с соответствующим стопорным кольцом. |
Модификации шарикового подшипника 5217A — это измененное основное конструктивное исполнение 5217, основные размеры (85x150x49) не отличаются.
| Обозначение | Гост | Конструктивные особенности |
|---|---|---|
| 3217B.TVH | ISO | Конический роликовый подшипник. Угол контакта 20 градусов. Формованный полиамидный сепаратор защелкивающегося типа. |
| 3217M | ISO | Подшипник с латунным сепаратором. центрированный по телам качения. |
| 3217-2RS | ISO | Резиновые уплотнения с каждой стороны подшипника. |
| 3217A | ISO | Измененная или модифицированная внутренняя конструкция при неизменных основных размерах. |
| 3217C3 | ISO | Внутренний зазор больше нормального. |
| 3217 | ISO | Подшипник шариковый двухрядный радиально-упорный. |
| 3217A C3 | ISO | Внутренний зазор больше нормального. Двухрядный радиально-упорный шарикоподшипник без отверстия для смазки. |
| 3217AM | ISO | Двухрядный радиально-упорный шарикоподшипник без отверстия для смазки. Обработанный латунный сепаратор оконного типа. Центрирование шарика. |
| 3217FY | ISO | Обработанный латунный сепаратор. |
| 3217A/C2 | ISO | радиальный внутренний зазор меньше нормально. Двухрядный радиально-упорный шарикоподшипник без отверстия для смазки. |
| 3217-2Z | ISO | Защитные металлические шайбы с обеих сторон. |
| 3217C.M | ISO | 15° Угол контакта. Твердый латунный сепаратор. Шариковые направляющие. |
| 3217S | ISO | Запечатанная версия кулачкового ролика. |
Аналог шарикового подшипника 5217A — это подшипник такого же размера dx85,Dx150,Bx49, типа и конструкции.
| Обозначение | Конструктивные особенности | Внутренний (d) | Наружный (D) | Ширина (B) |
|---|---|---|---|---|
| NUP3217 | Роликовый радиальный однорядный подшипник. Канавка под стопорное кольцо на наружном кольце подшипника. Точность размеров примерно соответствует классу точности Р4. Однорядный цилиндрический роликовый подшипник. Наружное кольцо имеет два борта. | 85.00 | 150.00 | 49.20 |
| NUP5217 | Роликовый радиальный однорядный подшипник. Канавка под стопорное кольцо на наружном кольце подшипника. Точность размеров примерно соответствует классу точности Р4. Однорядный цилиндрический роликовый подшипник. Наружное кольцо имеет два борта. | 85.00 | 150.00 | 49.21 |
| 23217E | Роликовый радиальный сферический двухрядный подшипник. Повышенная грузоподъемность. | 85.00 | 150.00 | 49.20 |
| 23217EK | Сферический роликовый радиальный подшипник. | 85.00 | 150.00 | 49.20 |
| 8317Н | Шариковый упорный однорядный подшипник. Детали из теплостойкой стали. | 85.00 | 150.00 | 49.00 |
| E33217J | Роликовый радиальный-упорный однорядный подшипник. Дорожки качения наружного кольца. угол контакта и ширина наружного кольца в соответствии с ISO. | 85.00 | 150.00 | 49.00 |
| HR33217J | Роликовый радиальный-упорный однорядный подшипник. Дорожки качения наружного кольца. угол контакта и ширина наружного кольца в соответствии с ISO. Для конических роликоподшипников и радиальных шарикоподшипников. | 85.00 | 150.00 | 49.00 |
| 33217U | Роликовый радиальный-упорный однорядный подшипник. Универсальный одиночный подшипник. | 85.00 | 150.00 | 49.00 |
| X33217M/Y33217M | Роликовый радиальный-упорный однорядный подшипник. Подшипник с латунным сепаратором. центрированный по телам качения. | 85.00 | 150.00 | 49.00 |
| 6-3056217 К1Ш1 | Шариковый радиально-упорный двухрядный подшипник. «Замок» (скос) на внутреннем кольце плюс массивный сепаратор из текстолита. Нормы шумности. | 85.00 | 150.00 | 49.20 |
| 76-3056217 К1Ш1 | Шариковый радиально-упорный двухрядный подшипник. «Замок» (скос) на внутреннем кольце плюс массивный сепаратор из текстолита. Нормы шумности. | 85.00 | 150.00 | 49.20 |
| 76-3056217 Ш | Шариковый радиально-упорный двухрядный подшипник. Нормы шумности. | 85.00 | 150.00 | 49.20 |
| 3217 ZZ | Шариковый радиально-упорный двухрядный подшипник. Защитные металлические шайбы (бесконтактные уплотнения) с обеих сторон подшипника. | 85.00 | 150.00 | 49.20 |
| 3056217-К1 | Шариковый радиально-упорный двухрядный подшипник. «Замок» (скос) на внутреннем кольце плюс массивный сепаратор из текстолита. | 85.00 | 150.00 | 49.20 |
| 3056217-Л1 | Шариковый радиально-упорный двухрядный подшипник. Сепаратор из латуни.. | 85.00 | 150.00 | 49.20 |
Способы доставки
Отправка через ведущие транспортные и курьерские компании: ПЭК, Деловые Линии, СДЭК, Байкал-Сервис, Энергия, КИТ, ЖелДорЭкспедиция.
Самовывоз возможен напрямую со склада в Москве.
Сроки доставки
Срок зависит от региона и выбранной транспортной компании. Все заказы комплектуются и отправляются в кратчайшие сроки со склада в Москве.
Надёжность и сохранность
Вся продукция упаковывается с учётом требований транспортировки. Мы гарантируем, что подшипники и комплектующие прибудут к заказчику в полной сохранности.
Доставка в страны ЕАЭС
Мы работаем с проверенными логистическими партнёрами, что позволяет оперативно доставлять заказы в Беларусь, Казахстан, Армению и другие страны ЕАЭС.
Варианты оплаты:
Минимальная сумма заказа и скидки:
Документы и гарантии:
Да, конечно! Наши технические специалисты готовы помочь вам с подбором точного аналога или замены подшипника. Просто позвоните нам по телефону +7 (495) 104-99-04 или напишите на почту zakaz@podsnab.ru.
Для оперативной консультации подготовьте, пожалуйста, имеющиеся данные: маркировку, размеры, тип оборудования или артикул старого подшипника.
Да, конечно! Мы высоко ценим долгосрочное сотрудничество и доверие клиентов по всей России. Для постоянных клиентов действует персональная система скидок.
Условия формируются индивидуально и зависят от:
Чтобы узнать свои условия и получить максимально выгодное предложение, свяжитесь с персональным менеджером или напишите нам на почту zakaz@podsnab.ru.
Вы можете оформить заказ несколькими способами:
Для оформления заказа от юридического лица свяжитесь с нашим отделом по работе с корпоративными клиентами по телефону +7 (495) 104-99-04 или напишите на email zakaz@podsnab.ru, прикрепив реквизиты вашей организации.
Мы оперативно подготовим коммерческое предложение и выставим счет.
Возврат товара надлежащего качества возможен в течение 10 дней с момента получения, если товар не был в употреблении, сохранен товарный вид, упаковка не вскрывалась и присутствуют все сопроводительные документы.
Возврат денежных средств осуществляется в течение 10 рабочих дней после проверки товара складом.
В соответствии с законодательством возврату не подлежат подшипники надлежащего качества, если отсутствует оригинальная упаковка или имеются следы монтажа.
В случае выявления брака или гарантийного случая мы гарантируем возврат или обмен товара.
Да, гарантийный срок хранения устанавливается заводом-изготовителем и в среднем составляет 2 года при соблюдении условий хранения: сухое помещение, оригинальная упаковка и смазка.
Точный срок для конкретного типа подшипника уточняйте у наших менеджеров.
Пн–Пт: с 8:00 до 17:00 (МСК).
Сб–Вс: выходные дни.
Заказы на сайте принимаются круглосуточно. Заявки, поступившие после окончания рабочего дня, обрабатываются на следующий рабочий день.
Минимальная сумма заказа для доставки составляет 3000 рублей. Самовывоз со склада возможен на любую сумму при наличии товара.
ООО «УралТехГрупп»
ИНН: 7415093830
КПП: 772401001
ОГРН: 1167456069021
Банк: ПАО Сбербанк
Р/с: 40702810838000475273
К/с: 30101810400000000225
БИК: 044525225
У подшипника 5217A пока нет отзывов. Вы можете стать первым покупателем, поделившимся своим мнением.