Поиск подшипника
Статьи
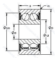
5200ZZ — Подшипник шариковый двухрядный радиально-упорный, модификация основного исполнения 5200, выпускается производителями: AST, FBJ, KML, NACHI, NBR, NEUTRAL, NSK, NTN, UBC.
Размер подшипника: 10x30x14 мм.
Металлическая защитная шайба с двух сторон.
Альтернативное обозначение: 3200A-2Z.
Аналоги: 55500 NDH New Departure Hyatt,5200SCZZ/2A NTN,5200ZZ JAF.
Международная стандартизации ISO
5200ZZ
В наличии
| Обозначение | Конструктивные изменения |
|---|---|
| 5200SCLLD/2AS | Прессованный стальной сепаратор. Контактное. синтетические. резиновое уплотнение с двух сторон. LUBRICANT. SHELL OIL CO.. ALVANIA #2 GREASE. MIL-G-18709A. |
| 5200A-2ZTN9 | Двухрядный радиально-упорный шарикоподшипник без отверстия для смазки. Литой защелкивающийся сепаратор из полиамида. армированного стекловолокном 6.6. Защитные металлические шайбы с обеих сторон подшипника. |
| 5200SBKFF | Металлическое уплотнение с двух сторон. Шарикоподшипник. Радиально-упорный. Двухрядный. Без канавки для ввода тел качения. Стандартная ширина подшипника. Сходящиеся наружу контактные углы. Жесткая конструкция. |
| 5200 2NS C3 | Внутренний зазор больше нормального. Резиновые уплотнения с каждой стороны подшипника. |
| 5200ZZ C3 | Внутренний зазор больше нормального. Защитные металлические шайбы с обеих сторон. |
| 5200K | Conrad (Non-Filling Slot) Type. |
| 5200SBKZZ | Защитные металлические шайбы с двух сторон подшипника. Шарикоподшипник. Радиально-упорный. Двухрядный. Без канавки для ввода тел качения. Стандартная ширина подшипника. Сходящиеся наружу контактные углы. Жесткая конструкция. |
| 5200A LLU | Двухрядный радиально-упорный шарикоподшипник без отверстия для смазки. Резиновые уплотнения с каждой стороны подшипника. |
| 5200SCZZ/2AS | Защитные металлические шайбы с обеих сторон. LUBRICANT. SHELL OIL CO.. ALVANIA #2 GREASE. MIL-G-18709A. |
| 5200SCZZ/2A | Прессованный стальной сепаратор. Защитные металлические шайбы с обеих сторон. Lubricant. Shell Oil Co.. Alvania #2 Grease. Mil-G-18709A. |
| 5200N | Канавка под стопорное кольцо на внешнем кольце. |
| 5200SCZZ | Прессованный стальной сепаратор. Угол контакта 15°. Защитные металлические шайбы с обеих сторон. Только для тел качения. |
| 5200 ATN9 | Измененная или модифицированная внутренняя конструкция при неизменных основных размерах. |
| 5200-2RS C3 | Внутренний зазор больше нормального. Резиновые уплотнения с каждой стороны подшипника. |
| 5200K PRB | Коническое отверстие. Конусность 1/12. Molded Nylon Cage. |
| 5200AZZ | Однорядный радиальный шарикоподшипник с двумя уплотнениями. |
| 5200AN | Код формы шариковой направляющей. |
| 5200A | Двухрядный радиально-упорный шарикоподшипник без отверстия для смазки. |
| 5200A-2NS | Двухрядный радиально-упорный шарикоподшипник без отверстия для смазки. Два контактных уплотнения. |
| 5200NR | Канавка под стопорное кольцо на наружном кольце с соответствующим стопорным кольцом. |
| 5200NS | Шарики из нитрида кремния Si3N4 (гибридные подшипники). Керамические шарики. |
| 5200S | Запечатанная версия кулачкового ролика. Только для тел качения. |
| 5200SCLLD | Угол контакта 15°. Только для тел качения. |
| 5200SCLLM | Угол контакта 15°. Только для тел качения. |
| 5200 A-2RS1TN9 | Измененная или модифицированная внутренняя конструкция при неизменных основных размерах. |
Модификации шарикового подшипника 5200ZZ — это измененное основное конструктивное исполнение 5200, основные размеры (10x30x14) не отличаются.
| Обозначение | Гост | Конструктивные особенности |
|---|---|---|
| 55500 | ISO | Подшипник шариковый двухрядный радиально-упорный. |
| 3200B-2ZTN | ISO | 25° Угол контакта. Две металлические защитные шайбы. Сепаратор из полиамида 66. армированного стекловолокном. |
| 3200-B-2RS-TV-C2 | ISO | Внутренний зазор подшипника меньше нормального. Резиновые уплотнения с каждой стороны подшипника. Design Without Filling Slots Have Угол контактаs Of 32°. Сепаратор из полиамида. |
| 3200B-2RSRTNG | ISO | Конический роликовый подшипник. Угол контакта 20 градусов. Резиновые уплотнения с каждой стороны подшипника. Сепаратор из полиамида 66. армированного стекловолокном. |
| 3200B TNG C3 | ISO | Внутренний зазор больше нормального. 25° Угол контакта. Сепаратор из полиамида 66. армированного стекловолокном. |
| 3200-B-2RS-TV | ISO | Резиновые уплотнения с каждой стороны подшипника. Design Without Filling Slots Have Угол контактаs Of 32°. Сепаратор из полиамида. |
| 3200ZZ C3 | ISO | Внутренний зазор больше нормального. Защитные стальные шайбы с обеих сторон. |
| 3200B ZZ TNG | ISO | Конический роликовый подшипник. Угол контакта 20 градусов. Металлические защитные шайбы с двух сторон. Прочный сепаратор из полиамида. армированного стекловолокном. |
| 3200B Z NR TNG | ISO | Конический роликовый подшипник. Угол контакта 20 градусов. Одна защитная металлическая шайба. SNAP RING GROOVE WITH SNAP RING. Прочный сепаратор из полиамида. армированного стекловолокном. |
| 3200B ZZ | ISO | Конический роликовый подшипник. Угол контакта 20 градусов. Две металлические защитные шайбы. |
| 3200B-2RS-TNH | ISO | Контактное уплотнение с обеих сторон. Конический роликовый подшипник. Угол контакта 20 градусов. Подшипник с защелкиваемым сепаратором из пластмассы. |
| 3200B 2RSR TG MT15 | ISO | Конический роликовый подшипник. Угол контакта 20 градусов. Контактное уплотнение с обеих сторон подшипника. сепаратор из полиамида 6.6. армированного стекловолокном. LUBRICANT. MEDIUM TEMPERATURE RANGES. |
| 3200BTN | ISO | 25° Угол контакта. Клетка из армированного стекловолокном полиамида 66. |
| 3200B-2RSTN | ISO | Резиновые уплотнения с каждой стороны подшипника. 25° Угол контакта. Сепаратор из полиамида 66. армированного стекловолокном. |
| 3200-BB-2RSR-TVH | ISO | Формованный полиамидный сепаратор защелкивающегося типа. Ball Bearing. Paired. Back-To-Back. Резиновые уплотнения с каждой стороны подшипника. |
| 3200-B-2Z-TNH | ISO | Модификация внутренней конструкции. Щиты с обеих сторон подшипника. Подшипник с защелкиваемым сепаратором из пластмассы. |
| 3200-B-TNH | ISO | Модификация внутренней конструкции. Подшипник с защелкиваемым сепаратором из пластмассы. |
| 3200A 2RS TNG | ISO | Двухрядный радиально-упорный шарикоподшипник без отверстия для смазки. Усиленные листовой сталью контактные уплотнения из акрилонитрил-бутадиенового каучука (NBR) с обеих сторон подшипника. Литой защелкивающийся сепаратор из полиамида. армированного стекловолокном 6.6. |
| 3200B-2ZTNC3 | ISO | Внутренний зазор больше нормального. 25° Угол контакта. Две металлические защитные шайбы. Сепаратор из полиамида 66. армированного стекловолокном. |
| 3200BTNC3 | ISO | Внутренний зазор больше нормального. 25° Угол контакта. Клетка из армированного стекловолокном полиамида 66. |
| 3200-BB-2Z-TVH-C3 | ISO | Внутренний зазор больше нормального. Защитные металлические шайбы с обеих сторон. Формованный полиамидный сепаратор защелкивающегося типа. Ball Bearing. Paired. Back-To-Back. |
Аналог шарикового подшипника 5200ZZ — это подшипник такого же размера dx10,Dx30,Bx14, типа и конструкции.
| Обозначение | Конструктивные особенности | Внутренний (d) | Наружный (D) | Ширина (B) |
|---|---|---|---|---|
| 180500-КС17 | Шариковый радиальный однорядный подшипник. Смазка Литол-24. | 10.00 | 30.00 | 14.00 |
| 180500-КС17Ш1 | Шариковый радиальный однорядный подшипник. Смазка Литол-24. «Замок» (скос) на внутреннем кольце плюс массивный сепаратор из текстолита. Нормы шумности. | 10.00 | 30.00 | 14.00 |
| 2200 TN9 | Шариковый сферический двухрядный подшипник. Литой защелкивающийся сепаратор из полиамида. армированного стекловолокном 6.6. | 10.00 | 30.00 | 14.00 |
| 2200S | Шариковый сферический двухрядный подшипник. Запечатанная версия кулачкового ролика. Только для внутреннего и наружного колец. | 10.00 | 30.00 | 14.00 |
| 2Ш10 Ю | Шарнирный подшипник. Одно или два кольца из нержавеющей стали.. Нормы шумности. Без отверстий и канавок для смазки.. | 10.00 | 30.00 | 14.00 |
| 2ШЛТ10 | Шарнирный подшипник. Без отверстий и канавок для смазки. | 10.00 | 30.00 | 14.00 |
| 2ШМ10 ЮТ | Шарнирный подшипник. Температура отпуска. 160°. Одно или два кольца из нержавеющей стали.. Без отверстий и канавок для смазки.. | 10.00 | 30.00 | 14.00 |
| 2ШН10 | Шарнирный подшипник. Неразъемный без отверстий и канавок для смазки. | 10.00 | 30.00 | 14.00 |
| 2ШС10 Ю | Шарнирный подшипник. Одно или два кольца из нержавеющей стали.. С отверстиями и канавками для смазки во внутреннем кольце.. | 10.00 | 30.00 | 14.00 |
| 2ШС10 Ю2УТ | Шарнирный подшипник. Уменьшенный внутренний осевой зазор.. Температура отпуска. 160°. Поверхность скольжения – нержавеющая сталь/серебро (покрытие сферы внутреннего кольца серебром).. С отверстиями и канавками для смазки во внутреннем кольце.. | 10.00 | 30.00 | 14.00 |
| 2ШС10 ЮТ | Шарнирный подшипник. Температура отпуска. 160°. Одно или два кольца из нержавеющей стали.. С отверстиями и канавками для смазки во внутреннем кольце.. | 10.00 | 30.00 | 14.00 |
| 2ШС10ВК | Шарнирный подшипник. Отдельное внутреннее кольцо шарнирного подшипника.. С отверстиями и канавками для смазки во внутреннем кольце.. | 10.00 | 30.00 | 14.00 |
| 5-180500 Е1С1 | Шариковый радиальный однорядный подшипник. Сепаратор из текстолита.. Смазка ОКБ 122-7. | 10.00 | 30.00 | 14.00 |
| 6-180500 КС17Ш1 | Шариковый радиальный однорядный подшипник. Смазка Литол-24. «Замок» (скос) на внутреннем кольце плюс массивный сепаратор из текстолита. Нормы шумности. | 10.00 | 30.00 | 14.00 |
| 6-180500 СЭШ1 | Шариковый радиальный однорядный подшипник. Нормы шумности. Детали из стали ШХ-15 со специальными присадками (ванадий. | 10.00 | 30.00 | 14.00 |
Способы доставки
Отправка через ведущие транспортные и курьерские компании: ПЭК, Деловые Линии, СДЭК, Байкал-Сервис, Энергия, КИТ, ЖелДорЭкспедиция.
Самовывоз возможен напрямую со склада в Москве.
Сроки доставки
Срок зависит от региона и выбранной транспортной компании. Все заказы комплектуются и отправляются в кратчайшие сроки со склада в Москве.
Надёжность и сохранность
Вся продукция упаковывается с учётом требований транспортировки. Мы гарантируем, что подшипники и комплектующие прибудут к заказчику в полной сохранности.
Доставка в страны ЕАЭС
Мы работаем с проверенными логистическими партнёрами, что позволяет оперативно доставлять заказы в Беларусь, Казахстан, Армению и другие страны ЕАЭС.
Варианты оплаты:
Минимальная сумма заказа и скидки:
Документы и гарантии:
Да, конечно! Наши технические специалисты готовы помочь вам с подбором точного аналога или замены подшипника. Просто позвоните нам по телефону +7 (495) 104-99-04 или напишите на почту zakaz@podsnab.ru.
Для оперативной консультации подготовьте, пожалуйста, имеющиеся данные: маркировку, размеры, тип оборудования или артикул старого подшипника.
Да, конечно! Мы высоко ценим долгосрочное сотрудничество и доверие клиентов по всей России. Для постоянных клиентов действует персональная система скидок.
Условия формируются индивидуально и зависят от:
Чтобы узнать свои условия и получить максимально выгодное предложение, свяжитесь с персональным менеджером или напишите нам на почту zakaz@podsnab.ru.
Вы можете оформить заказ несколькими способами:
Для оформления заказа от юридического лица свяжитесь с нашим отделом по работе с корпоративными клиентами по телефону +7 (495) 104-99-04 или напишите на email zakaz@podsnab.ru, прикрепив реквизиты вашей организации.
Мы оперативно подготовим коммерческое предложение и выставим счет.
Возврат товара надлежащего качества возможен в течение 10 дней с момента получения, если товар не был в употреблении, сохранен товарный вид, упаковка не вскрывалась и присутствуют все сопроводительные документы.
Возврат денежных средств осуществляется в течение 10 рабочих дней после проверки товара складом.
В соответствии с законодательством возврату не подлежат подшипники надлежащего качества, если отсутствует оригинальная упаковка или имеются следы монтажа.
В случае выявления брака или гарантийного случая мы гарантируем возврат или обмен товара.
Да, гарантийный срок хранения устанавливается заводом-изготовителем и в среднем составляет 2 года при соблюдении условий хранения: сухое помещение, оригинальная упаковка и смазка.
Точный срок для конкретного типа подшипника уточняйте у наших менеджеров.
Пн–Пт: с 8:00 до 17:00 (МСК).
Сб–Вс: выходные дни.
Заказы на сайте принимаются круглосуточно. Заявки, поступившие после окончания рабочего дня, обрабатываются на следующий рабочий день.
Минимальная сумма заказа для доставки составляет 3000 рублей. Самовывоз со склада возможен на любую сумму при наличии товара.
ООО «УралТехГрупп»
ИНН: 7415093830
КПП: 772401001
ОГРН: 1167456069021
Банк: ПАО Сбербанк
Р/с: 40702810838000475273
К/с: 30101810400000000225
БИК: 044525225
У подшипника 5200ZZ пока нет отзывов. Вы можете стать первым покупателем, поделившимся своим мнением.