Поиск подшипника
Статьи
3205A — Подшипник шариковый двухрядный радиально-упорный, модификация основного исполнения 3205, выпускается производителями: FAG, INA, ISB, NACHI, NEUTRAL, NTN, SKF, SNR.
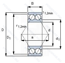
Размер подшипника: 25x52x20 мм.
Измененная или модифицированная внутренняя конструкция при неизменных основных размерах.
Аналоги: 3205-BD-XL FAG,3205A NTN,3205 NSK,3205J NSK,3205 Rollway,3205 JAF,3205 MTK,3205 SMT,3205 Neutral.
Международная стандартизации ISO
3205A
В наличии
| Обозначение | Конструктивные изменения |
|---|---|
| 3205-BD-TVH-C3 | Внутренний зазор больше нормального. Литой полиамидный сепаратор (PA66). защелкивающийся. Модифицированная внутренняя конструкция. угол контакта α=30. без отверстия для заполнения. |
| 3205-BD-2HRS-TVH | Формованный полиамидный сепаратор защелкивающегося типа. Манжетные уплотнения с обеих сторон изготовлены из нитрил-бутадиенового каучука. Эти конструкции смазываются на весь срок службы высококачественной смазкой и подходят для умеренных скоростей. Момент трения и тепловыделение ниже, чем при использовании предыдущего уплотнения RSR.. Модифицированная внутренняя конструкция. угол контакта α=30. без отверстия для заполнения. |
| 3205-BD-2Z-TVH | Щиты с обеих сторон подшипника. Формованный полиамидный сепаратор защелкивающегося типа. Модифицированная внутренняя конструкция. угол контакта α=30. без отверстия для заполнения. |
| 3205B.TVH.C2 | Внутренний зазор подшипника меньше нормального. Модификация внутренней конструкции. Литой полиамидный сепаратор (PA66). защелкивающийся. |
| 3205A-2RS1/C3 | Внутренний зазор больше нормального. Двухрядный радиально-упорный шарикоподшипник без отверстия для смазки. Усиленные листовой сталью контактные уплотнения из акрилонитрил-бутадиенового каучука (NBR) с обеих сторон подшипника. |
| 3205-2RS-C3 | Внутренний зазор больше нормального. Манжетное уплотнение с обеих сторон подшипника. |
| 3205 2RS TNG | Резиновые уплотнения с каждой стороны подшипника. Прочный сепаратор из полиамида. армированного стекловолокном. |
| 3205 2RS NR C3 | Внутренний зазор больше нормального. Резиновые уплотнения с каждой стороны подшипника. Канавка под стопорное кольцо на наружном кольце с соответствующим стопорным кольцом. |
| 3205-2ZNR/C3 | Внутренний зазор больше нормального. Защитные металлические шайбы с обеих сторон подшипника. Канавка под стопорное кольцо на наружном кольце с соответствующим стопорным кольцом. |
| 3205B 2RS C3 | Внутренний зазор больше нормального. Резиновые уплотнения с каждой стороны подшипника. 25° Угол контакта. |
| 3205P5 | Размерная и рабочая точность соответствует классу допуска ISO 5. |
| 3205BTNC3 | Внутренний зазор больше нормального. 25° Угол контакта. Клетка из армированного стекловолокном полиамида 66. |
| 3205B-2ZTNC3 | Внутренний зазор больше нормального. 25° Угол контакта. Две металлические защитные шайбы. Сепаратор из полиамида 66. армированного стекловолокном. |
| 3205 2NS | Два контактных уплотнения. |
| 3205A-2RS1 | Двухрядный радиально-упорный шарикоподшипник без отверстия для смазки. Усиленные листовой сталью контактные уплотнения из акрилонитрил-бутадиенового каучука (NBR) с обеих сторон подшипника. |
| 3205B.2RS1 | Шарикоподшипник радиально-упорный. Двухрядный. С заправочными пазами. Контактное уплотнение с обеих сторон подшипника. |
| 3205JC3 | Внутренний зазор больше нормального. Сепаратор из стали. |
| 3205B-2RSRTNGC3 | Внутренний зазор больше нормального. 25° Угол контакта. Резиновые уплотнения с каждой стороны подшипника. Сепаратор из полиамида 66. армированного стекловолокном. |
| 3205B-2ZRTNGC3 | Внутренний зазор больше нормального. Конический роликовый подшипник. Угол контакта 20 градусов. Metal Shields At Each Side Of The Bearing. Прочный сепаратор из полиамида. армированного стекловолокном. |
| 3205B-2ZRTNGC3 BQHN | Внутренний зазор больше нормального. 25° Угол контакта. Metal Shields At Each Side Of The Bearing. Прочный сепаратор из полиамида. армированного стекловолокном. Base Oil/Thickener=Ester Oil. Polyurea. Service Temp. Range=40°C to 180°C. Color=Beige. Texture=Homogeneous. Fibrous. |
| 3205B-2RSRTNGC3 EEMN | Внутренний зазор больше нормального. 25° Угол контакта. Резиновые уплотнения с каждой стороны подшипника. Сепаратор из полиамида 66. армированного стекловолокном. Exxon-Mobil Polyrex EM. |
| 3205ATN9/P5 | Двухрядный радиально-упорный шарикоподшипник без отверстия для смазки. Литой защелкивающийся сепаратор из полиамида. армированного стекловолокном 6.6. Размерная и рабочая точность соответствует классу допуска ISO 5. |
| 3205-BD-TVH-L285-C3 | Внутренний зазор больше нормального. Литой полиамидный сепаратор (PA66). защелкивающийся. Модифицированная внутренняя конструкция. угол контакта α=30. без отверстия для заполнения. Renolit GA3 Greasefill 25-40%. Temp Range -30°C to +120°C. |
| 3205A-2Z | Измененная или модифицированная внутренняя конструкция при неизменных основных размерах. Защитные металлические шайбы с обеих сторон подшипника. |
| BB1-3205B | Конический роликовый подшипник. Угол контакта 20 градусов. |
Модификации шарикового подшипника 3205A — это измененное основное конструктивное исполнение 3205, основные размеры (25x52x20) не отличаются.
| Обозначение | Гост | Конструктивные особенности |
|---|---|---|
| LDJK25M | ISO | Механически обработанный латунный сепаратор .Расположенный на элементах качения. |
| 5205S | ISO | Запечатанная версия кулачкового ролика. Только для тел качения. |
| S5205ZZ | ISO | Защитные металлические шайбы с обеих сторон. |
| 5205SB | ISO | Double Row. Angular Contact. Non-Filling Notch Bearing. With Outwardly Convergent Угол контактаs. Rigid Design. |
| SS3205B 2RS TNG | ISO | Резиновые уплотнения с каждой стороны подшипника. 40° Угол контакта. Сепаратор из полиамида 66. армированного стекловолокном. |
| 5205C | ISO | Двухрядный радиально-упорный подшипник качения без канавки для заполнения шариками. Со сходящимися наружу угловыми контактами. Жесткая конструкция. |
| 5205CF | ISO | Inner Rings Can Be Provided In A Semi- Finished Condition With Appropriate Grind Stock To Allow Mill Operators To Optimize The Roll’s Precision By Finish Grinding The Inner Ring After Mounting It Onto The Roll. The Part Numbers For These Bearings And Inner Ring Assemblies Are Identified By A Cf Suffix. |
| 5205CG | ISO | Резьбовой винт со стопором и защелкой. |
| 5205CZZ | ISO | Двухрядный радиально-упорный подшипник качения без канавки для заполнения шариками. Со сходящимися наружу угловыми контактами. Жесткая конструкция. Защитные металлические шайбы с двух сторон подшипника. |
| 5205MFF | ISO | Двухрядный радиально-упорный. Шарикоподшипник с заполняющей выемкой и сходящимися наружу углами контакта. Металлическое уплотнение с двух сторон. |
| 5205M | ISO | Двухрядный радиально-упорный. Шарикоподшипник с заполняющей выемкой и сходящимися наружу углами контакта. |
| DF0526NRC3 | ISO | Угол контакта 15°. |
| 5205A-2RS1 | ISO | Двухрядный радиально-упорный шарикоподшипник без отверстия для смазки. Усиленные листовой сталью контактные уплотнения из акрилонитрил-бутадиенового каучука (NBR) с обеих сторон подшипника. |
| 5205EE | ISO | Резиновые уплотнения с каждой стороны подшипника. |
| 5205A | ISO | Двухрядный радиально-упорный шарикоподшипник без отверстия для смазки. |
| 5205A/C3 | ISO | Внутренний зазор больше нормального. Двухрядный радиально-упорный шарикоподшипник без отверстия для смазки. |
| 5205 2NSE | ISO | Резиновые уплотнения с каждой стороны подшипника. |
| 5205J | ISO | Сепаратор из стали. |
| 5205NR | ISO | Канавка под стопорное кольцо на наружном кольце с соответствующим стопорным кольцом. |
| 5205NRC3 | ISO | Внутренний зазор больше нормального. Канавка под стопорное кольцо на наружном кольце с соответствующим стопорным кольцом. |
Аналог шарикового подшипника 3205A — это подшипник такого же размера dx25,Dx52,Bx20, типа и конструкции.
| Обозначение | Конструктивные особенности | Внутренний (d) | Наружный (D) | Ширина (B) |
|---|---|---|---|---|
| 5205SCLLM | Шариковый радиально-упорный двухрядный подшипник. Угол контакта 15°. Только для тел качения. | 25.00 | 52.00 | 20.60 |
| 5205SCZZ | Шариковый радиально-упорный двухрядный подшипник. Угол контакта 15°. Только для тел качения. | 25.00 | 52.00 | 20.60 |
| 3056205-Е | Шариковый радиально-упорный двухрядный подшипник. Сепаратор из текстолита.. | 25.00 | 52.00 | 20.60 |
| 3056205-К1 | Шариковый радиально-упорный двухрядный подшипник. «Замок» (скос) на внутреннем кольце плюс массивный сепаратор из текстолита. | 25.00 | 52.00 | 20.60 |
| 3056205-К2 | Шариковый радиально-упорный двухрядный подшипник. «Замок» (скос) на внутреннем кольце плюс массивный сепаратор из текстолита. | 25.00 | 52.00 | 20.60 |
| 3056205-КМ | Шариковый радиально-упорный двухрядный подшипник. «Замок» (скос) на внутреннем кольце плюс массивный сепаратор из текстолита. Модифицированный контакт.. | 25.00 | 52.00 | 20.60 |
| 3056205-У2 | Шариковый радиально-упорный двухрядный подшипник. Дополнительные технические требования. | 25.00 | 52.00 | 20.60 |
| 3056205.2RS | Шариковый радиально-упорный двухрядный подшипник. Резиновые уплотнения с каждой стороны подшипника. | 25.00 | 52.00 | 20.60 |
| 617546A | Шариковый радиально-упорный двухрядный подшипник. Измененная или модифицированная внутренняя конструкция при неизменных основных размерах. | 25.00 | 52.00 | 20.60 |
| 617546A/HT22 | Шариковый радиально-упорный двухрядный подшипник. Измененная или модифицированная внутренняя конструкция при неизменных основных размерах. Grease Fill For High Temperatures (e.g. -20°C/+130°C). HT Or A Two Figure Number Following HT Identifies The Actual Grease. | 25.00 | 52.00 | 20.60 |
| 63205-2RS | Шариковый радиальный однорядный подшипник. Резиновые уплотнения с каждой стороны подшипника. | 25.00 | 52.00 | 20.60 |
| 63205ZZ | Шариковый радиальный однорядный подшипник. Защитные металлические шайбы (бесконтактные уплотнения) с обеих сторон подшипника. | 25.00 | 52.00 | 20.60 |
| 6-3056205 У | Шариковый радиально-упорный двухрядный подшипник. Дополнительные технические требования. | 25.00 | 52.00 | 20.60 |
| 63205LLB | Шариковый радиальный однорядный подшипник. Уплотнение бесконтактного типа из синтетического каучука. | 25.00 | 52.00 | 20.60 |
| 3TM-DF05A35NX16RX3W3-5CS25 | Шариковый радиальный двухрядный подшипник. Механически обработанный сепаратор. | 25.00 | 52.00 | 20.60 |
Способы доставки
Отправка через ведущие транспортные и курьерские компании: ПЭК, Деловые Линии, СДЭК, Байкал-Сервис, Энергия, КИТ, ЖелДорЭкспедиция.
Самовывоз возможен напрямую со склада в Москве.
Сроки доставки
Срок зависит от региона и выбранной транспортной компании. Все заказы комплектуются и отправляются в кратчайшие сроки со склада в Москве.
Надёжность и сохранность
Вся продукция упаковывается с учётом требований транспортировки. Мы гарантируем, что подшипники и комплектующие прибудут к заказчику в полной сохранности.
Доставка в страны ЕАЭС
Мы работаем с проверенными логистическими партнёрами, что позволяет оперативно доставлять заказы в Беларусь, Казахстан, Армению и другие страны ЕАЭС.
Варианты оплаты:
Минимальная сумма заказа и скидки:
Документы и гарантии:
Да, конечно! Наши технические специалисты готовы помочь вам с подбором точного аналога или замены подшипника. Просто позвоните нам по телефону +7 (495) 104-99-04 или напишите на почту zakaz@podsnab.ru.
Для оперативной консультации подготовьте, пожалуйста, имеющиеся данные: маркировку, размеры, тип оборудования или артикул старого подшипника.
Да, конечно! Мы высоко ценим долгосрочное сотрудничество и доверие клиентов по всей России. Для постоянных клиентов действует персональная система скидок.
Условия формируются индивидуально и зависят от:
Чтобы узнать свои условия и получить максимально выгодное предложение, свяжитесь с персональным менеджером или напишите нам на почту zakaz@podsnab.ru.
Вы можете оформить заказ несколькими способами:
Для оформления заказа от юридического лица свяжитесь с нашим отделом по работе с корпоративными клиентами по телефону +7 (495) 104-99-04 или напишите на email zakaz@podsnab.ru, прикрепив реквизиты вашей организации.
Мы оперативно подготовим коммерческое предложение и выставим счет.
Возврат товара надлежащего качества возможен в течение 10 дней с момента получения, если товар не был в употреблении, сохранен товарный вид, упаковка не вскрывалась и присутствуют все сопроводительные документы.
Возврат денежных средств осуществляется в течение 10 рабочих дней после проверки товара складом.
В соответствии с законодательством возврату не подлежат подшипники надлежащего качества, если отсутствует оригинальная упаковка или имеются следы монтажа.
В случае выявления брака или гарантийного случая мы гарантируем возврат или обмен товара.
Да, гарантийный срок хранения устанавливается заводом-изготовителем и в среднем составляет 2 года при соблюдении условий хранения: сухое помещение, оригинальная упаковка и смазка.
Точный срок для конкретного типа подшипника уточняйте у наших менеджеров.
Пн–Пт: с 8:00 до 17:00 (МСК).
Сб–Вс: выходные дни.
Заказы на сайте принимаются круглосуточно. Заявки, поступившие после окончания рабочего дня, обрабатываются на следующий рабочий день.
Минимальная сумма заказа для доставки составляет 3000 рублей. Самовывоз со склада возможен на любую сумму при наличии товара.
ООО «УралТехГрупп»
ИНН: 7415093830
КПП: 772401001
ОГРН: 1167456069021
Банк: ПАО Сбербанк
Р/с: 40702810838000475273
К/с: 30101810400000000225
БИК: 044525225
У подшипника 3205A пока нет отзывов. Вы можете стать первым покупателем, поделившимся своим мнением.