Поиск подшипника
Статьи
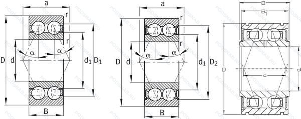
G5208 2RSN — Подшипник шариковый двухрядный радиально-упорный, модификация основного исполнения G5208, выпускается производителями: FAG, INA.
Размер подшипника: 40x80x36 мм.
Альтернативное обозначение: PCCJ40 + CCJ08.
Аналоги: G5208-2RS-N INA.
Международная стандартизации ISO
G52082RSN
В наличии
| Обозначение | Конструктивные изменения |
|---|---|
| G5208-2RS-N-C3 | Внутренний зазор больше нормального. Резиновые уплотнения с каждой стороны подшипника. Канавка под стопорное кольцо на внешнем кольце. |
Модификации шарикового подшипника G5208 2RSN — это измененное основное конструктивное исполнение G5208, основные размеры (40x80x36) не отличаются.
| Обозначение | Гост | Конструктивные особенности |
|---|---|---|
| PCCJ40 | ISO | Подшипник шариковый двухрядный радиально-упорный. |
| 513036 | ISO | Подшипник шариковый двухрядный радиально-упорный. |
| DAC4080M1CS68 | ISO | Подшипник шариковый двухрядный радиально-упорный. |
| DAC4080MICS68 | ISO | Подшипник шариковый двухрядный радиально-упорный. |
| DAC4080M1 | ISO | Обрабатываемый латунный сепаратор. Направляющий роликовый элемент (крестовина приклепана). |
| 40BWD14CA80 | ISO | Подшипник шариковый двухрядный радиально-упорный. |
| BAHB636187C | ISO | Внутренние изменения в конструкции. |
| 40BD8036T1XDDUKCG21 | ISO | Коническое отверстие. конус 1/12. Резиновые уплотнения с каждой стороны подшипника. Полиамидный фиксатор. Радиальный зазор в микронах. |
Аналог шарикового подшипника G5208 2RSN — это подшипник такого же размера dx40,Dx80,Bx36, типа и конструкции.
| Обозначение | Конструктивные особенности | Внутренний (d) | Наружный (D) | Ширина (B) |
|---|---|---|---|---|
| 6208D2 | Шариковый радиальный однорядный подшипник. Два одинаковых парных подшипника. | 40.00 | 80.00 | 36.00 |
| 6208LLUD2 | Шариковый радиальный однорядный подшипник. Двухкромочное нитриловое контактное уплотнение. | 40.00 | 80.00 | 36.00 |
| 4-36208-К | Шариковый радиально-упорный сдвоенный подшипник. «Замок» (скос) на внутреннем кольце плюс массивный сепаратор из текстолита. | 40.00 | 80.00 | 36.00 |
| 5-236208 АЕ | Шариковый радиально-упорный сдвоенный подшипник. Сепаратор из текстолита.. Повышенная грузоподъемность. | 40.00 | 80.00 | 36.00 |
| 5-236208 АЛ | Шариковый радиально-упорный сдвоенный подшипник. Сепаратор из латуни.. Повышенная грузоподъемность. | 40.00 | 80.00 | 36.00 |
| 5-236208 Л | Шариковый радиально-упорный сдвоенный подшипник. Сепаратор из латуни.. | 40.00 | 80.00 | 36.00 |
| 5-336208 К | Шариковый радиально-упорный сдвоенный подшипник. «Замок» (скос) на внутреннем кольце плюс массивный сепаратор из текстолита. | 40.00 | 80.00 | 36.00 |
| 5-436208 Е | Шариковый радиально-упорный сдвоенный подшипник. Сепаратор из текстолита.. | 40.00 | 80.00 | 36.00 |
| 5-436208 Е2 | Шариковый радиально-упорный сдвоенный подшипник. Сепаратор из пластических материалов.. | 40.00 | 80.00 | 36.00 |
| 5-436208 Е3 | Шариковый радиально-упорный сдвоенный подшипник. Сепаратор из пластических материалов.. | 40.00 | 80.00 | 36.00 |
| 5-436208 Е5 | Шариковый радиально-упорный сдвоенный подшипник. Сепаратор из текстолита.. | 40.00 | 80.00 | 36.00 |
| 5-436208 Л | Шариковый радиально-упорный сдвоенный подшипник. Сепаратор из латуни.. | 40.00 | 80.00 | 36.00 |
| 5-446208 Е | Шариковый радиально-упорный сдвоенный подшипник. Сепаратор из текстолита.. | 40.00 | 80.00 | 36.00 |
| 5-446208 Е3 | Шариковый радиально-упорный сдвоенный подшипник. Сепаратор из пластических материалов.. | 40.00 | 80.00 | 36.00 |
| 5-446208 Е5 | Шариковый радиально-упорный сдвоенный подшипник. Сепаратор из текстолита.. | 40.00 | 80.00 | 36.00 |
Способы доставки
Отправка через ведущие транспортные и курьерские компании: ПЭК, Деловые Линии, СДЭК, Байкал-Сервис, Энергия, КИТ, ЖелДорЭкспедиция.
Самовывоз возможен напрямую со склада в Москве.
Сроки доставки
Срок зависит от региона и выбранной транспортной компании. Все заказы комплектуются и отправляются в кратчайшие сроки со склада в Москве.
Надёжность и сохранность
Вся продукция упаковывается с учётом требований транспортировки. Мы гарантируем, что подшипники и комплектующие прибудут к заказчику в полной сохранности.
Доставка в страны ЕАЭС
Мы работаем с проверенными логистическими партнёрами, что позволяет оперативно доставлять заказы в Беларусь, Казахстан, Армению и другие страны ЕАЭС.
Варианты оплаты:
Минимальная сумма заказа и скидки:
Документы и гарантии:
Да, конечно! Наши технические специалисты готовы помочь вам с подбором точного аналога или замены подшипника. Просто позвоните нам по телефону +7 (495) 104-99-04 или напишите на почту zakaz@podsnab.ru.
Для оперативной консультации подготовьте, пожалуйста, имеющиеся данные: маркировку, размеры, тип оборудования или артикул старого подшипника.
Да, конечно! Мы высоко ценим долгосрочное сотрудничество и доверие клиентов по всей России. Для постоянных клиентов действует персональная система скидок.
Условия формируются индивидуально и зависят от:
Чтобы узнать свои условия и получить максимально выгодное предложение, свяжитесь с персональным менеджером или напишите нам на почту zakaz@podsnab.ru.
Вы можете оформить заказ несколькими способами:
Для оформления заказа от юридического лица свяжитесь с нашим отделом по работе с корпоративными клиентами по телефону +7 (495) 104-99-04 или напишите на email zakaz@podsnab.ru, прикрепив реквизиты вашей организации.
Мы оперативно подготовим коммерческое предложение и выставим счет.
Возврат товара надлежащего качества возможен в течение 10 дней с момента получения, если товар не был в употреблении, сохранен товарный вид, упаковка не вскрывалась и присутствуют все сопроводительные документы.
Возврат денежных средств осуществляется в течение 10 рабочих дней после проверки товара складом.
В соответствии с законодательством возврату не подлежат подшипники надлежащего качества, если отсутствует оригинальная упаковка или имеются следы монтажа.
В случае выявления брака или гарантийного случая мы гарантируем возврат или обмен товара.
Да, гарантийный срок хранения устанавливается заводом-изготовителем и в среднем составляет 2 года при соблюдении условий хранения: сухое помещение, оригинальная упаковка и смазка.
Точный срок для конкретного типа подшипника уточняйте у наших менеджеров.
Пн–Пт: с 8:00 до 17:00 (МСК).
Сб–Вс: выходные дни.
Заказы на сайте принимаются круглосуточно. Заявки, поступившие после окончания рабочего дня, обрабатываются на следующий рабочий день.
Минимальная сумма заказа для доставки составляет 3000 рублей. Самовывоз со склада возможен на любую сумму при наличии товара.
ООО «УралТехГрупп»
ИНН: 7415093830
КПП: 772401001
ОГРН: 1167456069021
Банк: ПАО Сбербанк
Р/с: 40702810838000475273
К/с: 30101810400000000225
БИК: 044525225
У подшипника G5208 2RSN пока нет отзывов. Вы можете стать первым покупателем, поделившимся своим мнением.