Поиск подшипника
Статьи
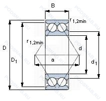
5313A — Подшипник шариковый двухрядный радиально-упорный, модификация основного исполнения 5313, производство SKF.
Размер подшипника: 65x140x58 мм.
Двухрядный радиально-упорный шарикоподшипник без отверстия для смазки.
Аналоги: 5313 NSK,5313B Rollway.
Международная стандартизации ISO
5313A
В наличии
| Обозначение | Конструктивные изменения |
|---|---|
| 5313 | Подшипник шариковый двухрядный радиально-упорный. Основное конструктивное исполнение. |
| 5313B | Конический роликовый подшипник. Угол контакта 20 градусов. |
| 5313NR | Канавка под стопорное кольцо на наружном кольце с соответствующим стопорным кольцом. |
| 5313H | Pressed Steel Cage (Snap Type). Hardened. |
| 5313FG | Формованный сепаратор из полиамида. укрепленного стекловолокном. |
| 5313D | Металлическая защитная шайба с одной стороны. |
| 5313ZZ NR | Защитные металлические шайбы с обеих сторон. Канавка под стопорное кольцо на наружном кольце с соответствующим стопорным кольцом. |
| 5313ANR | Двухрядный радиально-упорный шарикоподшипник без отверстия для смазки. Канавка под стопорное кольцо на наружном кольце с соответствующим стопорным кольцом. |
| 5313TS | Лабиринтные уплотнения. |
| 5313NR C3 | Внутренний зазор больше нормального. Канавка под стопорное кольцо на наружном кольце с соответствующим стопорным кольцом. |
| 5313WGBR | Радиальный подшипник. Тип заправочного паза. Бронзовый фиксатор корпуса. |
| 5313S | Запечатанная версия кулачкового ролика. Только для тел качения. |
| 5313F | Металлическая защитная шайба с одной стороны. |
| 5313C3 | Внутренний зазор больше нормального. |
| 5313CG | Резьбовой винт со стопором и защелкой. |
| 5313E | Подшипник с заправочным пазом для ввода тел качений. |
| 5313ZZ | Защитные металлические шайбы с обеих сторон. |
| 5313 2RS | Резиновые уплотнения с каждой стороны подшипника. |
| A 5313 WB | Cast Iron Take-Up Type Bearing Unit With Its Stretcher Frame. Relubricatable. |
| 5313 A-2Z | Измененная или модифицированная внутренняя конструкция при неизменных основных размерах. Защитные металлические шайбы с обеих сторон подшипника. |
| 5313 E-2Z | Повышенная грузоподъемность. Защитные металлические шайбы с обеих сторон подшипника. |
| 5313KG | Серия с закрепительной втулкой и смазочным отверстием. |
| 5313W | Максимальная грузоподъемность. |
| 5313WG | Максимальная грузоподъемность. |
| 5313N | Канавка под стопорное кольцо на внешнем кольце. |
Модификации шарикового подшипника 5313A — это измененное основное конструктивное исполнение 5313, основные размеры (65x140x58) не отличаются.
| Обозначение | Гост | Конструктивные особенности |
|---|---|---|
| 3313BC.JH.C3 | ISO | Внутренний зазор больше нормального. Штампованная сталь. Conrad Type 25° Угол контакта. Domestic Production. |
| 3313AM | ISO | Двухрядный радиально-упорный шарикоподшипник без отверстия для смазки. Обработанный латунный сепаратор оконного типа. Центрирование шарика. |
| 5313ANR/C3 | ISO | Внутренний зазор больше нормального. Двухрядный радиально-упорный шарикоподшипник без отверстия для смазки. Канавка под стопорное кольцо на наружном кольце с соответствующим стопорным кольцом. |
| 3313ANR/C3 | ISO | Внутренний зазор больше нормального. Двухрядный радиально-упорный шарикоподшипник без отверстия для смазки. Канавка под стопорное кольцо на наружном кольце с соответствующим стопорным кольцом. |
| 3313DNRCBM | ISO | Two-Piece Inner Ring And A 45° Угол контакта. Обработанный латунный сепаратор оконного типа. Центрирование шарика. Канавка под стопорное кольцо на наружном кольце с соответствующим стопорным кольцом. Controlled Axial Internal Clearance. |
| 3313DA.MA.C3 | ISO | Внутренний зазор больше нормального. Механически обработанный латунный сепаратор. Центрирование по внешнему кольцу. Шарикоподшипник двухрядный с разъемным внутренним кольцом. |
| 3313DA.MA | ISO | Механически обработанный латунный сепаратор. Центрирование по внешнему кольцу. Шарикоподшипник двухрядный с разъемным внутренним кольцом. |
| 3313A-2Z | ISO | Двухрядный радиально-упорный шарикоподшипник без отверстия для смазки. Защитные металлические шайбы с обеих сторон подшипника. |
| 3313A J30 | ISO | Без пазов для заполнения, с полиамидным сепаратором, угол 25°. Внутренний зазор больше нормального. |
| 3313G15 | ISO | Литой сепаратор из полиамида 6.6. армированного стекловолокном. Центрированный элемент качения.. |
| 3313B 2RS | ISO | Контактное уплотнение с обеих сторон. Угол контакта 40°. |
| 3313B-2ZTNC3 | ISO | Внутренний зазор больше нормального. 25° Угол контакта. Две металлические защитные шайбы. Сепаратор из полиамида 66. армированного стекловолокном. |
| 3313BTNC3 | ISO | Внутренний зазор больше нормального. 25° Угол контакта. Клетка из армированного стекловолокном полиамида 66. |
| 3313BTN | ISO | 25° Угол контакта. Клетка из армированного стекловолокном полиамида 66. |
| 3313NRJC3 | ISO | Внутренний зазор больше нормального. Сепаратор из стали. Канавка под стопорное кольцо на наружном кольце с соответствующим стопорным кольцом. |
| 3313B 2RSR TNG | ISO | Конический роликовый подшипник. Угол контакта 20 градусов. Резиновые уплотнения с каждой стороны подшипника. Сепаратор из полиамида 66. армированного стекловолокном. |
| 3313-B-TV | ISO | Design Without Filling Slots Have Угол контактаs Of 32°. Сепаратор из полиамида. |
| 3313N | ISO | Канавка под стопорное кольцо на внешнем кольце. |
| 3313ANR | ISO | Двухрядный радиально-упорный шарикоподшипник без отверстия для смазки. Канавка под стопорное кольцо на наружном кольце с соответствующим стопорным кольцом. |
| 3313A-2Z/C3 | ISO | Внутренний зазор больше нормального. Двухрядный радиально-упорный шарикоподшипник без отверстия для смазки. Защитные металлические шайбы с обеих сторон подшипника. |
| 5-313 | ГОСТ | Подшипник шариковый двухрядный радиально-упорный. |
Аналог шарикового подшипника 5313A — это подшипник такого же размера dx65,Dx140,Bx58, типа и конструкции.
| Обозначение | Конструктивные особенности | Внутренний (d) | Наружный (D) | Ширина (B) |
|---|---|---|---|---|
| W313PP | Подшипник однорядный шариковый радиальный. Широкий. Уплотнения на каждой стороне подшипника. | 65.00 | 140.00 | 58.72 |
| 3313 ATNZZ | Шариковый радиально-упорный подшипник однонаправленный. | 65.00 | 140.00 | 58.70 |
| 3313 ATN | Шариковый радиально-упорный подшипник однонаправленный. | 65.00 | 140.00 | 58.70 |
| 63313LLU | Подшипник однорядный шариковый радиальный. Резиновые уплотнения с каждой стороны подшипника. | 65.00 | 140.00 | 58.70 |
| 462313-2Z | Подшипник однорядный шариковый радиальный. Защитные металлические шайбы с обеих сторон подшипника. | 65.00 | 140.00 | 58.72 |
| 313SFFC | Подшипник однорядный шариковый радиальный. Подшипник с шириной картриджа, с двумя защитными шайбами. | 65.00 | 140.00 | 58.72 |
| 63313ZZ | Подшипник однорядный шариковый радиальный. Защитные металлические шайбы с обеих сторон. | 65.00 | 140.00 | 58.70 |
| NJ3313 | Роликовый радиальный однорядный подшипник. Штампованный сепаратор из стального листа. Канавка под стопорное кольцо на наружном кольце подшипника. Однорядный цилиндрический роликовый подшипник. Наружное кольцо имеет два борта. | 65.00 | 140.00 | 58.70 |
| NU3313 | Роликовый радиальный однорядный подшипник. Канавка под стопорное кольцо на наружном кольце подшипника. Однорядные цилиндрические роликоподшипники. Наружное кольцо подшипника имеет два борта. | 65.00 | 140.00 | 58.70 |
| NUP3313 | Роликовый радиальный однорядный подшипник. Канавка под стопорное кольцо на наружном кольце подшипника. Точность размеров примерно соответствует классу точности Р4. Однорядный цилиндрический роликовый подшипник. Наружное кольцо имеет два борта. | 65.00 | 140.00 | 58.70 |
| 3086313-Л | Шариковый радиально-упорный подшипник. Сепаратор из латуни.. | 65.00 | 140.00 | 58.74 |
| 3313-B-2RSR-TV | Шариковый радиально-упорный двухрядный подшипник. Конический роликовый подшипник. Угол контакта 20 градусов. Резиновые уплотнения с каждой стороны подшипника. Прочный сепаратор из полиамида. армированного стекловолокном. | 65.00 | 140.00 | 58.70 |
| 3313-B-2Z-TV | Шариковый радиально-упорный двухрядный подшипник. Конический роликовый подшипник. Угол контакта 20 градусов. Защитные металлические шайбы с обеих сторон подшипника. Прочный сепаратор из полиамида. армированного стекловолокном. | 65.00 | 140.00 | 58.70 |
| 63313-2RS | Шариковый радиальный однорядный подшипник. Резиновые уплотнения с каждой стороны подшипника. | 65.00 | 140.00 | 58.70 |
| 63313LLB | Шариковый радиальный однорядный подшипник. Уплотнение бесконтактного типа из синтетического каучука. | 65.00 | 140.00 | 58.70 |
Способы доставки
Отправка через ведущие транспортные и курьерские компании: ПЭК, Деловые Линии, СДЭК, Байкал-Сервис, Энергия, КИТ, ЖелДорЭкспедиция.
Самовывоз возможен напрямую со склада в Москве.
Сроки доставки
Срок зависит от региона и выбранной транспортной компании. Все заказы комплектуются и отправляются в кратчайшие сроки со склада в Москве.
Надёжность и сохранность
Вся продукция упаковывается с учётом требований транспортировки. Мы гарантируем, что подшипники и комплектующие прибудут к заказчику в полной сохранности.
Доставка в страны ЕАЭС
Мы работаем с проверенными логистическими партнёрами, что позволяет оперативно доставлять заказы в Беларусь, Казахстан, Армению и другие страны ЕАЭС.
Варианты оплаты:
Минимальная сумма заказа и скидки:
Документы и гарантии:
Да, конечно! Наши технические специалисты готовы помочь вам с подбором точного аналога или замены подшипника. Просто позвоните нам по телефону +7 (495) 104-99-04 или напишите на почту zakaz@podsnab.ru.
Для оперативной консультации подготовьте, пожалуйста, имеющиеся данные: маркировку, размеры, тип оборудования или артикул старого подшипника.
Да, конечно! Мы высоко ценим долгосрочное сотрудничество и доверие клиентов по всей России. Для постоянных клиентов действует персональная система скидок.
Условия формируются индивидуально и зависят от:
Чтобы узнать свои условия и получить максимально выгодное предложение, свяжитесь с персональным менеджером или напишите нам на почту zakaz@podsnab.ru.
Вы можете оформить заказ несколькими способами:
Для оформления заказа от юридического лица свяжитесь с нашим отделом по работе с корпоративными клиентами по телефону +7 (495) 104-99-04 или напишите на email zakaz@podsnab.ru, прикрепив реквизиты вашей организации.
Мы оперативно подготовим коммерческое предложение и выставим счет.
Возврат товара надлежащего качества возможен в течение 10 дней с момента получения, если товар не был в употреблении, сохранен товарный вид, упаковка не вскрывалась и присутствуют все сопроводительные документы.
Возврат денежных средств осуществляется в течение 10 рабочих дней после проверки товара складом.
В соответствии с законодательством возврату не подлежат подшипники надлежащего качества, если отсутствует оригинальная упаковка или имеются следы монтажа.
В случае выявления брака или гарантийного случая мы гарантируем возврат или обмен товара.
Да, гарантийный срок хранения устанавливается заводом-изготовителем и в среднем составляет 2 года при соблюдении условий хранения: сухое помещение, оригинальная упаковка и смазка.
Точный срок для конкретного типа подшипника уточняйте у наших менеджеров.
Пн–Пт: с 8:00 до 17:00 (МСК).
Сб–Вс: выходные дни.
Заказы на сайте принимаются круглосуточно. Заявки, поступившие после окончания рабочего дня, обрабатываются на следующий рабочий день.
Минимальная сумма заказа для доставки составляет 3000 рублей. Самовывоз со склада возможен на любую сумму при наличии товара.
ООО «УралТехГрупп»
ИНН: 7415093830
КПП: 772401001
ОГРН: 1167456069021
Банк: ПАО Сбербанк
Р/с: 40702810838000475273
К/с: 30101810400000000225
БИК: 044525225
У подшипника 5313A пока нет отзывов. Вы можете стать первым покупателем, поделившимся своим мнением.