Поиск подшипника
Статьи
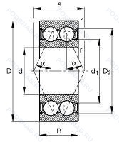
30/5-2Z — Подшипник шариковый двухрядный радиально-упорный, модификация основного исполнения 30/5, выпускается производителями: INA, SKF.
Размер подшипника: 25x62x7 мм.
Защитные металлические шайбы с обеих сторон подшипника.
Международная стандартизации ISO
3052Z
В наличии
| Обозначение | Конструктивные изменения |
|---|---|
| 30/5-B-2RSR-TVH-HLC | Конический роликовый подшипник. Угол контакта 20 градусов. Формованный полиамидный сепаратор защелкивающегося типа. Резиновые уплотнения с каждой стороны подшипника. Код местонахождения завода. может использоваться в стандартной комплектации. |
| 30/5 2RS | Резиновые уплотнения с каждой стороны подшипника. |
| 30/5-2RSR-T9H/D8SS | Стандартное заполнение. Резиновые уплотнения с каждой стороны подшипника. Защелкивающийся сепаратор. Усиленный стекловолокном полиамид. Шариковые тела качения. Klüber Isoflex Super LS18. |
| 30/5-B-2Z-TVH-HLC | Модификация внутренней конструкции. Защитные металлические шайбы с обеих сторон. Формованный полиамидный сепаратор защелкивающегося типа. Код местонахождения завода. может использоваться в стандартной комплектации. |
| 30/5ZZ C2 TN9 | Внутренний зазор подшипника меньше нормального. Литой сепаратор из полиамида 6.6. армированного стекловолокном. Элемент качения по центру. Защитные металлические шайбы с обеих сторон. |
| 30/5-B-2Z-TVH | Модификация внутренней конструкции. Щиты с обеих сторон подшипника. Формованный полиамидный сепаратор защелкивающегося типа. |
| 30/5-2RSR-HLW | Резиновые уплотнения с каждой стороны подшипника. Код местонахождения завода. может использоваться в стандартной комплектации. |
| 30/5-2Z-HLC | Зазорные уплотнения с обеих сторон подшипника.. Код местонахождения завода. может использоваться в стандартной комплектации. |
| 30/5-B-TVH-HLC | Модификация внутренней конструкции. Формованный полиамидный сепаратор защелкивающегося типа. Код местонахождения завода. может использоваться в стандартной комплектации. |
| 30/5 2RS T9H | Манжетное уплотнение с обеих сторон подшипника. Glass-Fibre Reinforced (25%) Thermoplastic Polyamide PA 6.6. 1-Piece. Operating Temperature 120°C. |
| 30/5-2RSRT9H | Резиновые уплотнения с каждой стороны подшипника. Glass-Fibre Reinforced (25%) Thermoplastic Polyamide PA 6.6. 1-Piece. Operating Temperature 120°C. |
Модификации шарикового подшипника 30/5-2Z — это измененное основное конструктивное исполнение 30/5, основные размеры (25x62x7) не отличаются.
| Обозначение | Конструктивные особенности | Внутренний (d) | Наружный (D) | Ширина (B) |
|---|---|---|---|---|
| GEG4E | Шарнирный подшипник. Повышенной грузоподъемности. | 4.00 | 14.00 | 7.00 |
| GEG4C | Шарнирный подшипник. 15° Угол контакта. | 4.00 | 14.00 | 7.00 |
| GE 006 ES | Шарнирный подшипник. Антизадирная пластичная смазка. | 6.00 | 14.00 | 6.00 |
| GE 006 ECR | Шарнирный подшипник. Антизадирная пластичная смазка. | 6.00 | 14.00 | 6.00 |
| GEBJ5S | Шарнирный подшипник. Запечатанная версия кулачкового ролика. | 5.00 | 13.00 | 8.00 |
| GEFZ4C | Шарнирный подшипник. 15° Угол контакта. | 4.83 | 14.29 | 7.14 |
| GEFZ4S | Шарнирный подшипник. Запечатанная версия кулачкового ролика. | 4.83 | 14.29 | 7.14 |
| GEFZ4T | Шарнирный подшипник. Textile Laminated Phenolic Resin. Outer Ring Guided. The Cage Is Suitable For Long-Term Operation At Temperatures Up To 100°C. | 4.83 | 14.29 | 7.14 |
| MBT5V | Шарнирный подшипник. Подшипник без сепаратора. С полным комплектом тел качения. | 5.00 | 14.50 | 7.00 |
| MBG5CR | Шарнирный подшипник. (TB-Segment) Phenolic (Composition) Fafnir Standard. | 5.00 | 14.50 | 7.00 |
| 1-Ш6 | Шарнирный подшипник. Без отверстий и канавок для смазки.. | 6.00 | 14.00 | 6.00 |
| 1-Ш6 Ю | Шарнирный подшипник. Одно или два кольца из нержавеющей стали.. Без отверстий и канавок для смазки.. | 6.00 | 14.00 | 6.00 |
| 1-Ш6 ЮТ | Шарнирный подшипник. Температура отпуска. 160°. Одно или два кольца из нержавеющей стали.. Без отверстий и канавок для смазки.. | 6.00 | 14.00 | 6.00 |
| 1-ШП5 И | Шарнирный подшипник. Поверхность скольжения покрыта дисульфидом молибдена.. Без отверстий и канавок для смазки. | 5.00 | 14.00 | 6.00 |
| 1-ШП6 И | Шарнирный подшипник. Поверхность скольжения покрыта дисульфидом молибдена.. Без отверстий и канавок для смазки. | 6.00 | 14.00 | 6.00 |
Способы доставки
Отправка через ведущие транспортные и курьерские компании: ПЭК, Деловые Линии, СДЭК, Байкал-Сервис, Энергия, КИТ, ЖелДорЭкспедиция.
Самовывоз возможен напрямую со склада в Москве.
Сроки доставки
Срок зависит от региона и выбранной транспортной компании. Все заказы комплектуются и отправляются в кратчайшие сроки со склада в Москве.
Надёжность и сохранность
Вся продукция упаковывается с учётом требований транспортировки. Мы гарантируем, что подшипники и комплектующие прибудут к заказчику в полной сохранности.
Доставка в страны ЕАЭС
Мы работаем с проверенными логистическими партнёрами, что позволяет оперативно доставлять заказы в Беларусь, Казахстан, Армению и другие страны ЕАЭС.
Варианты оплаты:
Минимальная сумма заказа и скидки:
Документы и гарантии:
Да, конечно! Наши технические специалисты готовы помочь вам с подбором точного аналога или замены подшипника. Просто позвоните нам по телефону +7 (495) 104-99-04 или напишите на почту zakaz@podsnab.ru.
Для оперативной консультации подготовьте, пожалуйста, имеющиеся данные: маркировку, размеры, тип оборудования или артикул старого подшипника.
Да, конечно! Мы высоко ценим долгосрочное сотрудничество и доверие клиентов по всей России. Для постоянных клиентов действует персональная система скидок.
Условия формируются индивидуально и зависят от:
Чтобы узнать свои условия и получить максимально выгодное предложение, свяжитесь с персональным менеджером или напишите нам на почту zakaz@podsnab.ru.
Вы можете оформить заказ несколькими способами:
Для оформления заказа от юридического лица свяжитесь с нашим отделом по работе с корпоративными клиентами по телефону +7 (495) 104-99-04 или напишите на email zakaz@podsnab.ru, прикрепив реквизиты вашей организации.
Мы оперативно подготовим коммерческое предложение и выставим счет.
Возврат товара надлежащего качества возможен в течение 10 дней с момента получения, если товар не был в употреблении, сохранен товарный вид, упаковка не вскрывалась и присутствуют все сопроводительные документы.
Возврат денежных средств осуществляется в течение 10 рабочих дней после проверки товара складом.
В соответствии с законодательством возврату не подлежат подшипники надлежащего качества, если отсутствует оригинальная упаковка или имеются следы монтажа.
В случае выявления брака или гарантийного случая мы гарантируем возврат или обмен товара.
Да, гарантийный срок хранения устанавливается заводом-изготовителем и в среднем составляет 2 года при соблюдении условий хранения: сухое помещение, оригинальная упаковка и смазка.
Точный срок для конкретного типа подшипника уточняйте у наших менеджеров.
Пн–Пт: с 8:00 до 17:00 (МСК).
Сб–Вс: выходные дни.
Заказы на сайте принимаются круглосуточно. Заявки, поступившие после окончания рабочего дня, обрабатываются на следующий рабочий день.
Минимальная сумма заказа для доставки составляет 3000 рублей. Самовывоз со склада возможен на любую сумму при наличии товара.
ООО «УралТехГрупп»
ИНН: 7415093830
КПП: 772401001
ОГРН: 1167456069021
Банк: ПАО Сбербанк
Р/с: 40702810838000475273
К/с: 30101810400000000225
БИК: 044525225
У подшипника 30/5-2Z пока нет отзывов. Вы можете стать первым покупателем, поделившимся своим мнением.