Поиск подшипника
Статьи
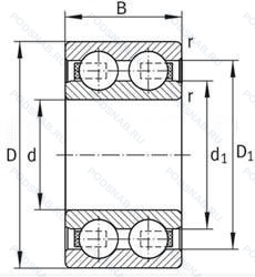
4213-B-TVH — Подшипник шариковый радиальный двухрядный, модификация основного исполнения 4213, производство FAG.
Размер подшипника: 65x120x31 мм.
Литой полиамидный сепаратор (pa66). защелкивающийся, модификация внутренней конструкции.
Аналоги: 4213B.TVH FAG,4213ATN9 SKF,4213B TNG NSK,4213B.TV NKE.
Международная стандартизации ISO
4213BTVH
В наличии
| Обозначение | Конструктивные изменения |
|---|---|
| 4213B TNG | Конический роликовый подшипник. Угол контакта 20 градусов. Прочный сепаратор из полиамида. армированного стекловолокном. |
| 4213 ATN | Подшипник шариковый радиальный двухрядный. |
| 4213M | Механически обработанный латунный сепаратор .Расположенный на элементах качения. |
| 4213 | Подшипник шариковый радиальный двухрядный. Основное конструктивное исполнение. |
| 4213A | Двухрядный радиально-упорный шарикоподшипник без отверстия для смазки. |
| 4213K | Коническое отверстие. конус 1/12. |
| 4213ATN9 | Измененная или модифицированная внутренняя конструкция при неизменных основных размерах. |
| 4213BTNGC3/AR3N | Внутренний зазор больше нормального. Прочный сепаратор из полиамида. армированного стекловолокном. Designation = Alvania Grease R3. Base Oil = Mineral. Thickener = Lithium. Min. Temp = -34°C. Max. Temp = +135°C. |
| 4213J | Сепаратор из стали. |
| 4213B TNG C3 | Внутренний зазор больше нормального. Конический роликовый подшипник. Угол контакта 20 градусов. Прочный сепаратор из полиамида. армированного стекловолокном. |
| 4213-B-TV | Design Without Filling Slots Have Угол контактаs Of 32°. Сепаратор из полиамида. |
| 4213BTN | Подшипник шариковый радиальный двухрядный. |
| 4213C3 | Внутренний зазор больше нормального. |
Модификации шарикового подшипника 4213-B-TVH — это измененное основное конструктивное исполнение 4213, основные размеры (65x120x31) не отличаются.
| Обозначение | Гост | Конструктивные особенности |
|---|---|---|
| LDJ65M | ISO | Механически обработанный латунный сепаратор .Расположенный на элементах качения. |
| 14MJ | ISO | Механически обработанный латунный сепаратор .Расположенный на элементах качения. |
| 10AA | ISO | Без суффикса. но с обозначением типа. |
Аналог шарикового подшипника 4213-B-TVH — это подшипник такого же размера dx65,Dx120,Bx31, типа и конструкции.
| Обозначение | Конструктивные особенности | Внутренний (d) | Наружный (D) | Ширина (B) |
|---|---|---|---|---|
| NJ2213-E-MA6+HJ2213-E | Роликовый радиальный однорядный подшипник. Повышенная грузоподъемность. Изготовленный из двух частей латунный сепаратор. Центрирование по внешнему кольцу. Различные конструкции или сорта материалов обозначаются цифрой или буквой.. | 65.00 | 120.00 | 31.00 |
| NJ2213-E-MPA+HJ2213-E | Роликовый радиальный однорядный подшипник. Повышенная грузоподъемность. Твердый латунный сепаратор. | 65.00 | 120.00 | 31.00 |
| NJ2213-E-TVP3 | Роликовый радиальный однорядный подшипник. Повышенная грузоподъемность. Цельный сепаратор из полиамида PA66-GF25. сепаратор оконного типа. направляемый телами качения. | 65.00 | 120.00 | 31.00 |
| NJ2213-E-MA6 | Роликовый радиальный однорядный подшипник. Повышенная грузоподъемность. Изготовленный из двух частей латунный сепаратор. Центрирование по внешнему кольцу. Различные конструкции или сорта материалов обозначаются цифрой или буквой.. | 65.00 | 120.00 | 31.00 |
| NJ2213-E-TVP3+HJ2213-E | Роликовый радиальный однорядный подшипник. Повышенная грузоподъемность. Цельный сепаратор из полиамида PA66-GF25. сепаратор оконного типа. направляемый телами качения. | 65.00 | 120.00 | 31.00 |
| NJ2213-E-MPA | Роликовый радиальный однорядный подшипник. Повышенная грузоподъемность. Твердый латунный сепаратор. | 65.00 | 120.00 | 31.00 |
| NU2213-E-MA6 | Роликовый радиальный однорядный подшипник. Повышенная грузоподъемность. Изготовленный из двух частей латунный сепаратор. Центрирование по внешнему кольцу. Различные конструкции или сорта материалов обозначаются цифрой или буквой.. | 65.00 | 120.00 | 31.00 |
| NU2213-E-M6 | Роликовый радиальный однорядный подшипник. Повышенная грузоподъемность. 20-28 UM (C3 & C4). | 65.00 | 120.00 | 31.00 |
| NU2213-E-TVP3 | Роликовый радиальный однорядный подшипник. Повышенная грузоподъемность. Цельный сепаратор из полиамида PA66-GF25. сепаратор оконного типа. направляемый телами качения. | 65.00 | 120.00 | 31.00 |
| NU2213-E-MPA | Роликовый радиальный однорядный подшипник. Повышенная грузоподъемность. Твердый латунный сепаратор. | 65.00 | 120.00 | 31.00 |
| 1513-Л | Шариковый радиальный двухрядный подшипник. Сепаратор из латуни.. | 65.00 | 120.00 | 31.00 |
| 67513A | Роликовый радиальный-упорный однорядный подшипник. Двухрядный радиально-упорный шарикоподшипник без отверстия для смазки. | 65.00 | 120.00 | 31.00 |
| 7513A | Роликовый радиальный-упорный однорядный подшипник. Двухрядный радиально-упорный шарикоподшипник без отверстия для смазки. | 65.00 | 120.00 | 31.00 |
| 2213-K+H313 | Шариковый сферический двухрядный подшипник. Коническое внутреннее отверстие. | 65.00 | 120.00 | 31.00 |
| 53513-Н | Роликовый радиальный двухрядный подшипник. Детали из теплостойкой стали. | 85.00 | 120.00 | 31.00 |
Способы доставки
Отправка через ведущие транспортные и курьерские компании: ПЭК, Деловые Линии, СДЭК, Байкал-Сервис, Энергия, КИТ, ЖелДорЭкспедиция.
Самовывоз возможен напрямую со склада в Москве.
Сроки доставки
Срок зависит от региона и выбранной транспортной компании. Все заказы комплектуются и отправляются в кратчайшие сроки со склада в Москве.
Надёжность и сохранность
Вся продукция упаковывается с учётом требований транспортировки. Мы гарантируем, что подшипники и комплектующие прибудут к заказчику в полной сохранности.
Доставка в страны ЕАЭС
Мы работаем с проверенными логистическими партнёрами, что позволяет оперативно доставлять заказы в Беларусь, Казахстан, Армению и другие страны ЕАЭС.
Варианты оплаты:
Минимальная сумма заказа и скидки:
Документы и гарантии:
Да, конечно! Наши технические специалисты готовы помочь вам с подбором точного аналога или замены подшипника. Просто позвоните нам по телефону +7 (495) 104-99-04 или напишите на почту zakaz@podsnab.ru.
Для оперативной консультации подготовьте, пожалуйста, имеющиеся данные: маркировку, размеры, тип оборудования или артикул старого подшипника.
Да, конечно! Мы высоко ценим долгосрочное сотрудничество и доверие клиентов по всей России. Для постоянных клиентов действует персональная система скидок.
Условия формируются индивидуально и зависят от:
Чтобы узнать свои условия и получить максимально выгодное предложение, свяжитесь с персональным менеджером или напишите нам на почту zakaz@podsnab.ru.
Вы можете оформить заказ несколькими способами:
Для оформления заказа от юридического лица свяжитесь с нашим отделом по работе с корпоративными клиентами по телефону +7 (495) 104-99-04 или напишите на email zakaz@podsnab.ru, прикрепив реквизиты вашей организации.
Мы оперативно подготовим коммерческое предложение и выставим счет.
Возврат товара надлежащего качества возможен в течение 10 дней с момента получения, если товар не был в употреблении, сохранен товарный вид, упаковка не вскрывалась и присутствуют все сопроводительные документы.
Возврат денежных средств осуществляется в течение 10 рабочих дней после проверки товара складом.
В соответствии с законодательством возврату не подлежат подшипники надлежащего качества, если отсутствует оригинальная упаковка или имеются следы монтажа.
В случае выявления брака или гарантийного случая мы гарантируем возврат или обмен товара.
Да, гарантийный срок хранения устанавливается заводом-изготовителем и в среднем составляет 2 года при соблюдении условий хранения: сухое помещение, оригинальная упаковка и смазка.
Точный срок для конкретного типа подшипника уточняйте у наших менеджеров.
Пн–Пт: с 8:00 до 17:00 (МСК).
Сб–Вс: выходные дни.
Заказы на сайте принимаются круглосуточно. Заявки, поступившие после окончания рабочего дня, обрабатываются на следующий рабочий день.
Минимальная сумма заказа для доставки составляет 3000 рублей. Самовывоз со склада возможен на любую сумму при наличии товара.
ООО «УралТехГрупп»
ИНН: 7415093830
КПП: 772401001
ОГРН: 1167456069021
Банк: ПАО Сбербанк
Р/с: 40702810838000475273
К/с: 30101810400000000225
БИК: 044525225
У подшипника 4213-B-TVH пока нет отзывов. Вы можете стать первым покупателем, поделившимся своим мнением.