Поиск подшипника
Статьи
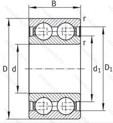
4217-B-TVH — Подшипник шариковый радиальный двухрядный, модификация основного исполнения 4217, производство FAG.
Размер подшипника: 85x150x36 мм.
Литой полиамидный сепаратор (pa66). защелкивающийся, модификация внутренней конструкции.
Аналоги: 4217B.TVH FAG,4217B TNG NSK.
Международная стандартизации ISO
4217BTVH
В наличии
| Обозначение | Конструктивные изменения |
|---|---|
| 4217 ATN | Подшипник шариковый радиальный двухрядный. |
| 4217 | Подшипник шариковый радиальный двухрядный. Основное конструктивное исполнение. |
| 4217B TNG | Модификация внутренней конструкции. Прочный сепаратор из полиамида. армированного стекловолокном. |
| 4217ATN9 | Двойной радиальный шарикоподшипник без заправочных пазов. Литой сепаратор из полиамида 6.6. армированного стекловолокном. Центрированный элемент качения.. |
| 4217B TNH | Конический роликовый подшипник. Угол контакта 20 градусов. Полиамидный защелкивающийся сепаратор. расположенный на подвижных элементах. |
| 4217BTNG/AR3N | Прочный сепаратор из полиамида. армированного стекловолокном. Designation = Alvania Grease R3. Base Oil = Mineral. Thickener = Lithium. Min. Temp = -34°C. Max. Temp = +135°C. |
| 4217A | Радиально-упорный или радиальный шариковый подшипник. Двухрядный. С полиамидным сепаратором и без прорезей для заполнения. |
Модификации шарикового подшипника 4217-B-TVH — это измененное основное конструктивное исполнение 4217, основные размеры (85x150x36) не отличаются.
| Обозначение | Гост | Конструктивные особенности |
|---|---|---|
| LDJ85K | ISO | Коническое отверстие. конус 1/12. |
| LDJ85KM | ISO | Коническое отверстие. конус 1/12. Механически обработанный латунный сепаратор .Расположенный на элементах качения. |
| 14AA | ISO | Измененный внутренний дизайн. |
Аналог шарикового подшипника 4217-B-TVH — это подшипник такого же размера dx85,Dx150,Bx36, типа и конструкции.
| Обозначение | Конструктивные особенности | Внутренний (d) | Наружный (D) | Ширина (B) |
|---|---|---|---|---|
| NJ2217-E-M6+HJ2217-E | Роликовый радиальный однорядный подшипник. Повышенная грузоподъемность. 20-28 UM (C3 & C4). | 85.00 | 150.00 | 36.00 |
| NJ2217-E-MPA | Роликовый радиальный однорядный подшипник. Повышенная грузоподъемность. Твердый латунный сепаратор. | 85.00 | 150.00 | 36.00 |
| NJ2217-E-MA6+HJ2217-E | Роликовый радиальный однорядный подшипник. Повышенная грузоподъемность. Изготовленный из двух частей латунный сепаратор. Центрирование по внешнему кольцу. Различные конструкции или сорта материалов обозначаются цифрой или буквой.. | 85.00 | 150.00 | 36.00 |
| NJ2217-E-MPA+HJ2217-E | Роликовый радиальный однорядный подшипник. Повышенная грузоподъемность. Твердый латунный сепаратор. | 85.00 | 150.00 | 36.00 |
| NJ2217-E-MA6 | Роликовый радиальный однорядный подшипник. Повышенная грузоподъемность. Изготовленный из двух частей латунный сепаратор. Центрирование по внешнему кольцу. Различные конструкции или сорта материалов обозначаются цифрой или буквой.. | 85.00 | 150.00 | 36.00 |
| NJ2217-E-TVP3+HJ2217-E | Роликовый радиальный однорядный подшипник. Повышенная грузоподъемность. Цельный сепаратор из полиамида PA66-GF25. сепаратор оконного типа. направляемый телами качения. | 85.00 | 150.00 | 36.00 |
| NU2217-E-MPA | Роликовый радиальный однорядный подшипник. Повышенная грузоподъемность. Твердый латунный сепаратор. | 85.00 | 150.00 | 36.00 |
| NU2217-E-M6 | Роликовый радиальный однорядный подшипник. Повышенная грузоподъемность. 20-28 UM (C3 & C4). | 85.00 | 150.00 | 36.00 |
| NU2217-E-MA6 | Роликовый радиальный однорядный подшипник. Повышенная грузоподъемность. Изготовленный из двух частей латунный сепаратор. Центрирование по внешнему кольцу. Различные конструкции или сорта материалов обозначаются цифрой или буквой.. | 85.00 | 150.00 | 36.00 |
| NU2217-E-TVP3 | Роликовый радиальный однорядный подшипник. Повышенная грузоподъемность. Цельный сепаратор из полиамида PA66-GF25. сепаратор оконного типа. направляемый телами качения. | 85.00 | 150.00 | 36.00 |
| 612517У2 | Роликовый радиальный двухрядный подшипник. Дополнительные технические требования. | 85.00 | 150.00 | 36.00 |
| 7517A | Роликовый радиальный-упорный однорядный подшипник. Двухрядный радиально-упорный шарикоподшипник без отверстия для смазки. | 85.00 | 150.00 | 36.00 |
| 2217 K + H 317 | Шариковый сферический двухрядный подшипник. Коническое внутреннее отверстие. Pressed Snap-Type Steel Cage. Hardened. | 85.00 | 150.00 | 36.00 |
| 2217-2RS | Шариковый сферический двухрядный подшипник. Резиновые уплотнения с каждой стороны подшипника. | 85.00 | 150.00 | 36.00 |
| 2217SK | Шариковый сферический двухрядный подшипник. Кулачковый толкатель штифтового типа. С шестигранной головкой. Только для внутреннего и наружного колец. | 85.00 | 150.00 | 36.00 |
Способы доставки
Отправка через ведущие транспортные и курьерские компании: ПЭК, Деловые Линии, СДЭК, Байкал-Сервис, Энергия, КИТ, ЖелДорЭкспедиция.
Самовывоз возможен напрямую со склада в Москве.
Сроки доставки
Срок зависит от региона и выбранной транспортной компании. Все заказы комплектуются и отправляются в кратчайшие сроки со склада в Москве.
Надёжность и сохранность
Вся продукция упаковывается с учётом требований транспортировки. Мы гарантируем, что подшипники и комплектующие прибудут к заказчику в полной сохранности.
Доставка в страны ЕАЭС
Мы работаем с проверенными логистическими партнёрами, что позволяет оперативно доставлять заказы в Беларусь, Казахстан, Армению и другие страны ЕАЭС.
Варианты оплаты:
Минимальная сумма заказа и скидки:
Документы и гарантии:
Да, конечно! Наши технические специалисты готовы помочь вам с подбором точного аналога или замены подшипника. Просто позвоните нам по телефону +7 (495) 104-99-04 или напишите на почту zakaz@podsnab.ru.
Для оперативной консультации подготовьте, пожалуйста, имеющиеся данные: маркировку, размеры, тип оборудования или артикул старого подшипника.
Да, конечно! Мы высоко ценим долгосрочное сотрудничество и доверие клиентов по всей России. Для постоянных клиентов действует персональная система скидок.
Условия формируются индивидуально и зависят от:
Чтобы узнать свои условия и получить максимально выгодное предложение, свяжитесь с персональным менеджером или напишите нам на почту zakaz@podsnab.ru.
Вы можете оформить заказ несколькими способами:
Для оформления заказа от юридического лица свяжитесь с нашим отделом по работе с корпоративными клиентами по телефону +7 (495) 104-99-04 или напишите на email zakaz@podsnab.ru, прикрепив реквизиты вашей организации.
Мы оперативно подготовим коммерческое предложение и выставим счет.
Возврат товара надлежащего качества возможен в течение 10 дней с момента получения, если товар не был в употреблении, сохранен товарный вид, упаковка не вскрывалась и присутствуют все сопроводительные документы.
Возврат денежных средств осуществляется в течение 10 рабочих дней после проверки товара складом.
В соответствии с законодательством возврату не подлежат подшипники надлежащего качества, если отсутствует оригинальная упаковка или имеются следы монтажа.
В случае выявления брака или гарантийного случая мы гарантируем возврат или обмен товара.
Да, гарантийный срок хранения устанавливается заводом-изготовителем и в среднем составляет 2 года при соблюдении условий хранения: сухое помещение, оригинальная упаковка и смазка.
Точный срок для конкретного типа подшипника уточняйте у наших менеджеров.
Пн–Пт: с 8:00 до 17:00 (МСК).
Сб–Вс: выходные дни.
Заказы на сайте принимаются круглосуточно. Заявки, поступившие после окончания рабочего дня, обрабатываются на следующий рабочий день.
Минимальная сумма заказа для доставки составляет 3000 рублей. Самовывоз со склада возможен на любую сумму при наличии товара.
ООО «УралТехГрупп»
ИНН: 7415093830
КПП: 772401001
ОГРН: 1167456069021
Банк: ПАО Сбербанк
Р/с: 40702810838000475273
К/с: 30101810400000000225
БИК: 044525225
У подшипника 4217-B-TVH пока нет отзывов. Вы можете стать первым покупателем, поделившимся своим мнением.