Поиск подшипника
Статьи
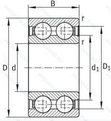
4302-B-TVH — Подшипник шариковый радиальный двухрядный, модификация основного исполнения 4302, производство FAG.
Размер подшипника: 15x42x17 мм.
Литой полиамидный сепаратор (pa66). защелкивающийся, модификация внутренней конструкции.
Аналоги: 4302B.TVH FAG,4302-BB-TVH FAG,4302ATN9 SKF,4302B TNG NSK,4302TV NKE,4302B TNG AVSN5 NSK,4302B TV NKE,4302-B-TV NKE,4302B TG MT15 Steyr,4302B.TV NKE,4302B TNG Neuweg,4302ATN9 Neutral.
Международная стандартизации ISO
4302BTVH
В наличии
| Обозначение | Конструктивные изменения |
|---|---|
| 4302 2RS | Резиновые уплотнения с каждой стороны подшипника. |
| 4302B TNG | Конический роликовый подшипник. Угол контакта 20 градусов. Прочный сепаратор из полиамида. армированного стекловолокном. |
| 4302M | Подшипник с латунным сепаратором. центрированный по телам качения. |
| 4302 ATN | Подшипник шариковый радиальный двухрядный. |
| 4302 | Подшипник шариковый радиальный двухрядный. Основное конструктивное исполнение. |
| 4302A | Двухрядный радиально-упорный шарикоподшипник без отверстия для смазки. |
| 4302-BB-TVH | Формованный полиамидный сепаратор защелкивающегося типа. Шарикоподшипник. Парный. Спина к спине (устаревшее). |
| 4302B TNG/YRLN | Конический роликовый подшипник. Угол контакта 20 градусов. Прочный сепаратор из полиамида. армированного стекловолокном. |
| 4302BTNGC3/YRLN | Внутренний зазор больше нормального. Прочный сепаратор из полиамида. армированного стекловолокном. |
| 4302ATN9 | Двойной радиальный шарикоподшипник без заправочных пазов. Литой сепаратор из полиамида 6.6. армированного стекловолокном. Центрированный элемент качения.. |
| 4302B TG MT15 | Изменения во внутренней конструкции. Сепаратор из полиамида. LUBRICANT. MEDIUM TEMPERATURE RANGES. |
| 4302B | Внутренние изменения в конструкции. |
| 4302-BB-TVH-C3 | Внутренний зазор больше нормального. Формованный полиамидный сепаратор защелкивающегося типа. Шарикоподшипник. Парный. Спина к спине (устаревшее). |
| 4302TV | Прочный сепаратор из полиамида. армированного стекловолокном. |
| 4302-B-TV | Design Without Filling Slots Have Угол контактаs Of 32°. Сепаратор из полиамида. |
| 4302B TNG C3 | Внутренний зазор больше нормального. Конический роликовый подшипник. Угол контакта 20 градусов. Прочный сепаратор из полиамида. армированного стекловолокном. |
Модификации шарикового подшипника 4302-B-TVH — это измененное основное конструктивное исполнение 4302, основные размеры (15x42x17) не отличаются.
| Обозначение | Гост | Конструктивные особенности |
|---|---|---|
| BB15 | ISO | Подшипник шариковый радиальный двухрядный. |
| 3BB | ISO | Шарикоподшипник. Парный. Спина к спине (устаревшее). |
| MDJ15K | ISO | Коническое отверстие. конус 1/12. |
Аналог шарикового подшипника 4302-B-TVH — это подшипник такого же размера dx15,Dx42,Bx17, типа и конструкции.
| Обозначение | Конструктивные особенности | Внутренний (d) | Наружный (D) | Ширина (B) |
|---|---|---|---|---|
| 70-180602 C1 | Шариковый радиальный однорядный подшипник. ОКБ 122-7. | 15.00 | 42.00 | 17.00 |
| 70-42602 А3М | Роликовый радиальный однорядный подшипник. Модифицированный контакт.. Повышенная грузоподъемность. | 15.00 | 42.00 | 17.00 |
| 74-180602 Е3С22Ш8 | Шариковый радиальный однорядный подшипник. Сепаратор из пластических материалов.. Нормы шумности. Смазка СВЭМ. | 15.00 | 42.00 | 17.00 |
| 74-180602 Е3УС22Ш8 | Шариковый радиальный однорядный подшипник. Дополнительные технические требования. Сепаратор из пластических материалов.. Нормы шумности. Смазка СВЭМ. | 15.00 | 42.00 | 17.00 |
| 75-180602 Е1С22Ш3 | Шариковый радиальный однорядный подшипник. Сепаратор из текстолита.. Нормы шумности. Смазка СВЭМ. | 15.00 | 42.00 | 17.00 |
| 75-180602 Е1УС22Ш3 | Шариковый радиальный однорядный подшипник. Сепаратор из текстолита.. Дополнительные технические требования. Нормы шумности. Смазка СВЭМ. | 15.00 | 42.00 | 17.00 |
| 75-180602 Е2С22Ш5 | Шариковый радиальный однорядный подшипник. Сепаратор из пластических материалов.. Нормы шумности. Смазка СВЭМ. | 15.00 | 42.00 | 17.00 |
| 75-180602 Е2УС22Ш3 | Шариковый радиальный однорядный подшипник. Дополнительные технические требования. Сепаратор из пластических материалов.. Нормы шумности. Смазка СВЭМ. | 15.00 | 42.00 | 17.00 |
| 75-180602 Е2УС22Ш5 | Шариковый радиальный однорядный подшипник. Дополнительные технические требования. Сепаратор из пластических материалов.. Нормы шумности. Смазка СВЭМ. | 15.00 | 42.00 | 17.00 |
| 75-180602 Е2УС22Ш6 | Шариковый радиальный однорядный подшипник. Дополнительные технические требования. Сепаратор из пластических материалов.. Нормы шумности. Смазка СВЭМ. | 15.00 | 42.00 | 17.00 |
| 17580R/17520 | Роликовый радиальный-упорный однорядный подшипник. С выпуклыми асимметричными роликами и обработанным сепаратором. | 15.88 | 42.86 | 16.67 |
| 62302EE | Шариковый радиальный однорядный подшипник. Контактные уплотнения с двух сторон. | 15.00 | 42.00 | 17.00 |
| S62302-2RS | Шариковый радиальный однорядный подшипник. Резиновые уплотнения с каждой стороны подшипника. | 15.00 | 42.00 | 17.00 |
| 180602-С1 | Шариковый радиальный однорядный подшипник. Смазка ОКБ 122-7. | 15.00 | 42.00 | 17.00 |
| 2302S | Шариковый сферический двухрядный подшипник. Запечатанная версия кулачкового ролика. Только для внутреннего и наружного колец. | 15.00 | 42.00 | 17.00 |
Способы доставки
Отправка через ведущие транспортные и курьерские компании: ПЭК, Деловые Линии, СДЭК, Байкал-Сервис, Энергия, КИТ, ЖелДорЭкспедиция.
Самовывоз возможен напрямую со склада в Москве.
Сроки доставки
Срок зависит от региона и выбранной транспортной компании. Все заказы комплектуются и отправляются в кратчайшие сроки со склада в Москве.
Надёжность и сохранность
Вся продукция упаковывается с учётом требований транспортировки. Мы гарантируем, что подшипники и комплектующие прибудут к заказчику в полной сохранности.
Доставка в страны ЕАЭС
Мы работаем с проверенными логистическими партнёрами, что позволяет оперативно доставлять заказы в Беларусь, Казахстан, Армению и другие страны ЕАЭС.
Варианты оплаты:
Минимальная сумма заказа и скидки:
Документы и гарантии:
Да, конечно! Наши технические специалисты готовы помочь вам с подбором точного аналога или замены подшипника. Просто позвоните нам по телефону +7 (495) 104-99-04 или напишите на почту zakaz@podsnab.ru.
Для оперативной консультации подготовьте, пожалуйста, имеющиеся данные: маркировку, размеры, тип оборудования или артикул старого подшипника.
Да, конечно! Мы высоко ценим долгосрочное сотрудничество и доверие клиентов по всей России. Для постоянных клиентов действует персональная система скидок.
Условия формируются индивидуально и зависят от:
Чтобы узнать свои условия и получить максимально выгодное предложение, свяжитесь с персональным менеджером или напишите нам на почту zakaz@podsnab.ru.
Вы можете оформить заказ несколькими способами:
Для оформления заказа от юридического лица свяжитесь с нашим отделом по работе с корпоративными клиентами по телефону +7 (495) 104-99-04 или напишите на email zakaz@podsnab.ru, прикрепив реквизиты вашей организации.
Мы оперативно подготовим коммерческое предложение и выставим счет.
Возврат товара надлежащего качества возможен в течение 10 дней с момента получения, если товар не был в употреблении, сохранен товарный вид, упаковка не вскрывалась и присутствуют все сопроводительные документы.
Возврат денежных средств осуществляется в течение 10 рабочих дней после проверки товара складом.
В соответствии с законодательством возврату не подлежат подшипники надлежащего качества, если отсутствует оригинальная упаковка или имеются следы монтажа.
В случае выявления брака или гарантийного случая мы гарантируем возврат или обмен товара.
Да, гарантийный срок хранения устанавливается заводом-изготовителем и в среднем составляет 2 года при соблюдении условий хранения: сухое помещение, оригинальная упаковка и смазка.
Точный срок для конкретного типа подшипника уточняйте у наших менеджеров.
Пн–Пт: с 8:00 до 17:00 (МСК).
Сб–Вс: выходные дни.
Заказы на сайте принимаются круглосуточно. Заявки, поступившие после окончания рабочего дня, обрабатываются на следующий рабочий день.
Минимальная сумма заказа для доставки составляет 3000 рублей. Самовывоз со склада возможен на любую сумму при наличии товара.
ООО «УралТехГрупп»
ИНН: 7415093830
КПП: 772401001
ОГРН: 1167456069021
Банк: ПАО Сбербанк
Р/с: 40702810838000475273
К/с: 30101810400000000225
БИК: 044525225
У подшипника 4302-B-TVH пока нет отзывов. Вы можете стать первым покупателем, поделившимся своим мнением.