Поиск подшипника
Статьи
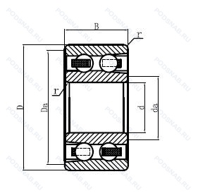
4303A — Подшипник шариковый радиальный двухрядный, модификация основного исполнения 4303, производство SNR.
Размер подшипника: 17x47x19 мм.
Радиально-упорный или радиальный шариковый подшипник. двухрядный. с полиамидным сепаратором и без прорезей для заполнения.
Аналоги: 4303B.TVH FAG,4303BB.TVH FAG,4303-BB-TVH FAG,4303B.TVH INA,4303ATN9 SKF,4303B TNG NSK,4303TV NKE,4303BTNG AVSN5 NSK,4303TN FBS.
Международная стандартизации ISO
4303A
В наличии
| Обозначение | Конструктивные изменения |
|---|---|
| 4303-B-TV | Конический роликовый подшипник. Угол контакта 20 градусов. Прочный сепаратор из полиамида. армированного стекловолокном. |
| 4303NR | Канавка под стопорное кольцо на наружном кольце с соответствующим стопорным кольцом. |
| 4303N | Канавка под стопорное кольцо на внешнем кольце. |
| 4303ATN9/W64 | Двойной радиальный шарикоподшипник без заправочных пазов. Литой сепаратор из полиамида 6.6. армированного стекловолокном. Центрированный элемент качения.. Антифрикционный заполнитель. твердая смазка. |
| 4303 ATN | Подшипник шариковый радиальный двухрядный. |
| 4303 | Подшипник шариковый радиальный двухрядный. Основное конструктивное исполнение. |
| 4303A NR | Двухрядный радиально-упорный шарикоподшипник без отверстия для смазки. Канавка под стопорное кольцо на наружном кольце с соответствующим стопорным кольцом. |
| 4303B TNG | Конический роликовый подшипник. Угол контакта 20 градусов. Прочный сепаратор из полиамида. армированного стекловолокном. |
| 4303B.TVH | Конический роликовый подшипник. Угол контакта 20 градусов. Формованный полиамидный сепаратор защелкивающегося типа. |
| 4303NR.K87 | Канавка под стопорное кольцо на наружном кольце с соответствующим стопорным кольцом. |
| 4303-BB-TVH | Формованный полиамидный сепаратор защелкивающегося типа. Шарикоподшипник. Парный. Спина к спине (устаревшее). |
| 4303ETNG | Повышенная грузоподъемность. Прочный сепаратор из полиамида. армированного стекловолокном. |
| 4303B TG MT15 | Изменения во внутренней конструкции. Сепаратор из полиамида. LUBRICANT. MEDIUM TEMPERATURE RANGES. |
| 4303J | Сепаратор из стали. |
| 4303BTNG AVSN5 | Прочный сепаратор из полиамида. армированного стекловолокном. |
| 4303BTNGC3/YRLN | Внутренний зазор больше нормального. Прочный сепаратор из полиамида. армированного стекловолокном. |
| 4303ATN9 | Двойной радиальный шарикоподшипник без заправочных пазов. Литой сепаратор из полиамида 6.6. армированного стекловолокном. Центрированный элемент качения.. |
| 4303B TNG/YRLN | Конический роликовый подшипник. Угол контакта 20 градусов. Прочный сепаратор из полиамида. армированного стекловолокном. |
| 4303TV | Сепаратор из полиамида. |
| 4303A TNG | Двойной радиальный шарикоподшипник без заправочных пазов. Прочный сепаратор из полиамида. армированного стекловолокном. |
| 4303B TG | Изменения во внутренней конструкции. сепаратор из полиамида 6.6. армированного стекловолокном. |
| 4303BTN | Подшипник шариковый радиальный двухрядный. |
| CRO-4303LL | Контактное. синтетические. резиновое уплотнение с двух сторон. |
Модификации шарикового подшипника 4303A — это измененное основное конструктивное исполнение 4303, основные размеры (17x47x19) не отличаются.
| Обозначение | Гост | Конструктивные особенности |
|---|---|---|
| BB17 | ISO | Подшипник шариковый радиальный двухрядный. |
| 610303 | ISO | Подшипник шариковый радиальный двухрядный. |
Аналог шарикового подшипника 4303A — это подшипник такого же размера dx17,Dx47,Bx19, типа и конструкции.
| Обозначение | Конструктивные особенности | Внутренний (d) | Наружный (D) | Ширина (B) |
|---|---|---|---|---|
| 180603-К1С9Ш | Шариковый радиальный однорядный подшипник. Нормы шумности. Смазка ЛЗ-31. | 17.00 | 47.00 | 19.00 |
| 180603-К4С17 | Шариковый радиальный однорядный подшипник. Смазка Литол-24. | 17.00 | 47.00 | 19.00 |
| 180603-К4С9 | Шариковый радиальный однорядный подшипник. Смазка ЛЗ-31. | 17.00 | 47.00 | 19.00 |
| 180603-КС9 | Шариковый радиальный однорядный подшипник. Смазка ЛЗ-31. | 17.00 | 47.00 | 19.00 |
| 180603-КУС9 | Шариковый радиальный однорядный подшипник. Дополнительные технические требования. Смазка ЛЗ-31. | 17.00 | 47.00 | 19.00 |
| 6-180603 АКС9Ш | Шариковый радиальный однорядный подшипник. Повышенная грузоподъемность. Нормы шумности. Смазка ЛЗ-31. | 17.00 | 47.00 | 19.00 |
| 6-180603 АКС9Ш1 | Шариковый радиальный однорядный подшипник. Нормы шумности. Повышенная грузоподъемность. Смазка ЛЗ-31. | 17.00 | 47.00 | 19.00 |
| 6-180603 АС9 | Шариковый радиальный однорядный подшипник. Повышенная грузоподъемность. Смазка ЛЗ-31. | 17.00 | 47.00 | 19.00 |
| 6-180603 АС9Ш | Шариковый радиальный однорядный подшипник. Повышенная грузоподъемность. Нормы шумности. Смазка ЛЗ-31. | 17.00 | 47.00 | 19.00 |
| 6-180603 АС9Ш1 | Шариковый радиальный однорядный подшипник. Повышенная грузоподъемность. Нормы шумности. Смазка ЛЗ-31. | 17.00 | 47.00 | 19.00 |
| 6-180603 К1С9 | Шариковый радиальный однорядный подшипник. «Замок» (скос) на внутреннем кольце плюс массивный сепаратор из текстолита. Смазка ЛЗ-31. | 17.00 | 47.00 | 19.00 |
| 6-180603 К4С9 | Шариковый радиальный однорядный подшипник. Смазка ЛЗ-31. | 17.00 | 47.00 | 19.00 |
| 6-180603 КС9 | Шариковый радиальный однорядный подшипник. Смазка ЛЗ-31. | 17.00 | 47.00 | 19.00 |
| 6-180603 КС9Ш | Шариковый радиальный однорядный подшипник. Нормы шумности. Смазка ЛЗ-31. | 17.00 | 47.00 | 19.00 |
| 6-180603 КС9Ш1 | Шариковый радиальный однорядный подшипник. Нормы шумности. Смазка ЛЗ-31. | 17.00 | 47.00 | 19.00 |
Способы доставки
Отправка через ведущие транспортные и курьерские компании: ПЭК, Деловые Линии, СДЭК, Байкал-Сервис, Энергия, КИТ, ЖелДорЭкспедиция.
Самовывоз возможен напрямую со склада в Москве.
Сроки доставки
Срок зависит от региона и выбранной транспортной компании. Все заказы комплектуются и отправляются в кратчайшие сроки со склада в Москве.
Надёжность и сохранность
Вся продукция упаковывается с учётом требований транспортировки. Мы гарантируем, что подшипники и комплектующие прибудут к заказчику в полной сохранности.
Доставка в страны ЕАЭС
Мы работаем с проверенными логистическими партнёрами, что позволяет оперативно доставлять заказы в Беларусь, Казахстан, Армению и другие страны ЕАЭС.
Варианты оплаты:
Минимальная сумма заказа и скидки:
Документы и гарантии:
Да, конечно! Наши технические специалисты готовы помочь вам с подбором точного аналога или замены подшипника. Просто позвоните нам по телефону +7 (495) 104-99-04 или напишите на почту zakaz@podsnab.ru.
Для оперативной консультации подготовьте, пожалуйста, имеющиеся данные: маркировку, размеры, тип оборудования или артикул старого подшипника.
Да, конечно! Мы высоко ценим долгосрочное сотрудничество и доверие клиентов по всей России. Для постоянных клиентов действует персональная система скидок.
Условия формируются индивидуально и зависят от:
Чтобы узнать свои условия и получить максимально выгодное предложение, свяжитесь с персональным менеджером или напишите нам на почту zakaz@podsnab.ru.
Вы можете оформить заказ несколькими способами:
Для оформления заказа от юридического лица свяжитесь с нашим отделом по работе с корпоративными клиентами по телефону +7 (495) 104-99-04 или напишите на email zakaz@podsnab.ru, прикрепив реквизиты вашей организации.
Мы оперативно подготовим коммерческое предложение и выставим счет.
Возврат товара надлежащего качества возможен в течение 10 дней с момента получения, если товар не был в употреблении, сохранен товарный вид, упаковка не вскрывалась и присутствуют все сопроводительные документы.
Возврат денежных средств осуществляется в течение 10 рабочих дней после проверки товара складом.
В соответствии с законодательством возврату не подлежат подшипники надлежащего качества, если отсутствует оригинальная упаковка или имеются следы монтажа.
В случае выявления брака или гарантийного случая мы гарантируем возврат или обмен товара.
Да, гарантийный срок хранения устанавливается заводом-изготовителем и в среднем составляет 2 года при соблюдении условий хранения: сухое помещение, оригинальная упаковка и смазка.
Точный срок для конкретного типа подшипника уточняйте у наших менеджеров.
Пн–Пт: с 8:00 до 17:00 (МСК).
Сб–Вс: выходные дни.
Заказы на сайте принимаются круглосуточно. Заявки, поступившие после окончания рабочего дня, обрабатываются на следующий рабочий день.
Минимальная сумма заказа для доставки составляет 3000 рублей. Самовывоз со склада возможен на любую сумму при наличии товара.
ООО «УралТехГрупп»
ИНН: 7415093830
КПП: 772401001
ОГРН: 1167456069021
Банк: ПАО Сбербанк
Р/с: 40702810838000475273
К/с: 30101810400000000225
БИК: 044525225
У подшипника 4303A пока нет отзывов. Вы можете стать первым покупателем, поделившимся своим мнением.