Поиск подшипника
Статьи
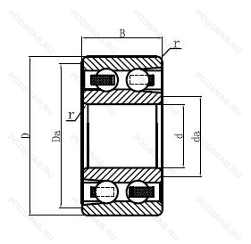
4207A — Подшипник шариковый радиальный двухрядный, модификация основного исполнения 4207, производство SNR.
Размер подшипника: 35x72x23 мм.
Радиально-упорный или радиальный шариковый подшипник. двухрядный. с полиамидным сепаратором и без прорезей для заполнения.
Аналоги: 4207 INA.
Международная стандартизации ISO
4207A
В наличии
| Обозначение | Конструктивные изменения |
|---|---|
| 4207ATN9 | Измененная или модифицированная внутренняя конструкция при неизменных основных размерах. |
| 4207 ATN | Подшипник шариковый радиальный двухрядный. |
| 4207B TNG | Конический роликовый подшипник. Угол контакта 20 градусов. Прочный сепаратор из полиамида. армированного стекловолокном. |
| 4207 | Подшипник шариковый радиальный двухрядный. Основное конструктивное исполнение. |
| 4207A/TG | Нет слотов для заполнения. Сепаратор из полиамида. |
| 4207B.TVH | Конический роликовый подшипник. Угол контакта 20 градусов. Формованный полиамидный сепаратор защелкивающегося типа. |
| 4207 2RS | Резиновые уплотнения с каждой стороны подшипника. |
| 4207TN | Пластиковый сепаратор. |
| 4207-BB-TVH | Формованный полиамидный сепаратор защелкивающегося типа. Шарикоподшипник. Парный. Спина к спине (устаревшее). |
| 4207K | Коническое отверстие. конус 1/12. |
| 4207B TNG C3 | Внутренний зазор больше нормального. Конический роликовый подшипник. Угол контакта 20 градусов. Прочный сепаратор из полиамида. армированного стекловолокном. |
| 4207J | Сепаратор из стали. |
| 4207C3 | Внутренний зазор больше нормального. |
| 4207TN C3 | Внутренний зазор больше нормального. литой под давлением сепаратор из полиамида 6.6. центрированный роликовый элемент. |
| 4207-B-TV | Design Without Filling Slots Have Угол контактаs Of 32°. Сепаратор из полиамида. |
| 4207BTN | Подшипник шариковый радиальный двухрядный. |
Модификации шарикового подшипника 4207A — это измененное основное конструктивное исполнение 4207, основные размеры (35x72x23) не отличаются.
| Обозначение | Гост | Конструктивные особенности |
|---|---|---|
| PW35720022/165CS | ISO | Подшипник шариковый радиальный двухрядный. |
Аналог шарикового подшипника 4207A — это подшипник такого же размера dx35,Dx72,Bx23, типа и конструкции.
| Обозначение | Конструктивные особенности | Внутренний (d) | Наружный (D) | Ширина (B) |
|---|---|---|---|---|
| NA2207XLL | Роликовый игольчатый подшипник однорядный. Два уплотнения. | 35.00 | 72.00 | 23.00 |
| LG35=1 | Шариковый радиальный однорядный подшипник. Number Of Carriages Per Rail Track. | 35.00 | 72.00 | 24.00 |
| TM-SC0791LC4/5A | Шариковый радиальный однорядный подшипник. Механически обработанный сепаратор. Внутренний радиальный зазор С4. Уплотнение из полиакрила. | 35.00 | 72.00 | 24.00 |
| 36-160507 Е | Шариковый радиальный однорядный подшипник. Сепаратор из текстолита.. | 35.00 | 72.00 | 23.00 |
| 2207-K-2RS+H307 | Шариковый сферический двухрядный подшипник. Коническое внутреннее отверстие. Контактные уплотнения типа RS с обеих сторон игольчатого роликоподшипника. | 35.00 | 72.00 | 23.00 |
| 2207-K+H307 | Шариковый сферический двухрядный подшипник. Коническое внутреннее отверстие. | 35.00 | 72.00 | 23.00 |
| 2207S | Шариковый сферический двухрядный подшипник. Запечатанная версия кулачкового ролика. Только для внутреннего и наружного колец. | 35.00 | 72.00 | 23.00 |
| 2207SK | Шариковый сферический двухрядный подшипник. Кулачковый толкатель штифтового типа. С шестигранной головкой. Только для внутреннего и наружного колец. | 35.00 | 72.00 | 23.00 |
| S2207-2RS | Шариковый сферический двухрядный подшипник. Резиновые уплотнения с каждой стороны подшипника. | 35.00 | 72.00 | 23.00 |
| NJ 2207 ECM | Роликовый радиальный однорядный подшипник. Однорядный цилиндрический роликовый подшипник. | 35.00 | 72.00 | 23.00 |
| NU 2207 ECPH | Роликовый радиальный однорядный подшипник. Однорядный цилиндрический роликовый подшипник. | 35.00 | 72.00 | 23.00 |
| 6-12507 АЕМУШ | Роликовый радиальный однорядный подшипник. Сепаратор из текстолита.. Дополнительные технические требования. Модифицированный контакт.. Повышенная грузоподъемность. Нормы шумности. | 35.00 | 72.00 | 23.00 |
| 6-12507 АЕУ | Роликовый радиальный однорядный подшипник. Сепаратор из текстолита.. Дополнительные технические требования. Повышенная грузоподъемность. | 35.00 | 72.00 | 23.00 |
| 6-12507 КМ | Роликовый радиальный однорядный подшипник. Модифицированный контакт.. | 35.00 | 72.00 | 23.00 |
| 6-12507 КМУ | Роликовый радиальный однорядный подшипник. Дополнительные технические требования. Модифицированный контакт.. | 35.00 | 72.00 | 23.00 |
Способы доставки
Отправка через ведущие транспортные и курьерские компании: ПЭК, Деловые Линии, СДЭК, Байкал-Сервис, Энергия, КИТ, ЖелДорЭкспедиция.
Самовывоз возможен напрямую со склада в Москве.
Сроки доставки
Срок зависит от региона и выбранной транспортной компании. Все заказы комплектуются и отправляются в кратчайшие сроки со склада в Москве.
Надёжность и сохранность
Вся продукция упаковывается с учётом требований транспортировки. Мы гарантируем, что подшипники и комплектующие прибудут к заказчику в полной сохранности.
Доставка в страны ЕАЭС
Мы работаем с проверенными логистическими партнёрами, что позволяет оперативно доставлять заказы в Беларусь, Казахстан, Армению и другие страны ЕАЭС.
Варианты оплаты:
Минимальная сумма заказа и скидки:
Документы и гарантии:
Да, конечно! Наши технические специалисты готовы помочь вам с подбором точного аналога или замены подшипника. Просто позвоните нам по телефону +7 (495) 104-99-04 или напишите на почту zakaz@podsnab.ru.
Для оперативной консультации подготовьте, пожалуйста, имеющиеся данные: маркировку, размеры, тип оборудования или артикул старого подшипника.
Да, конечно! Мы высоко ценим долгосрочное сотрудничество и доверие клиентов по всей России. Для постоянных клиентов действует персональная система скидок.
Условия формируются индивидуально и зависят от:
Чтобы узнать свои условия и получить максимально выгодное предложение, свяжитесь с персональным менеджером или напишите нам на почту zakaz@podsnab.ru.
Вы можете оформить заказ несколькими способами:
Для оформления заказа от юридического лица свяжитесь с нашим отделом по работе с корпоративными клиентами по телефону +7 (495) 104-99-04 или напишите на email zakaz@podsnab.ru, прикрепив реквизиты вашей организации.
Мы оперативно подготовим коммерческое предложение и выставим счет.
Возврат товара надлежащего качества возможен в течение 10 дней с момента получения, если товар не был в употреблении, сохранен товарный вид, упаковка не вскрывалась и присутствуют все сопроводительные документы.
Возврат денежных средств осуществляется в течение 10 рабочих дней после проверки товара складом.
В соответствии с законодательством возврату не подлежат подшипники надлежащего качества, если отсутствует оригинальная упаковка или имеются следы монтажа.
В случае выявления брака или гарантийного случая мы гарантируем возврат или обмен товара.
Да, гарантийный срок хранения устанавливается заводом-изготовителем и в среднем составляет 2 года при соблюдении условий хранения: сухое помещение, оригинальная упаковка и смазка.
Точный срок для конкретного типа подшипника уточняйте у наших менеджеров.
Пн–Пт: с 8:00 до 17:00 (МСК).
Сб–Вс: выходные дни.
Заказы на сайте принимаются круглосуточно. Заявки, поступившие после окончания рабочего дня, обрабатываются на следующий рабочий день.
Минимальная сумма заказа для доставки составляет 3000 рублей. Самовывоз со склада возможен на любую сумму при наличии товара.
ООО «УралТехГрупп»
ИНН: 7415093830
КПП: 772401001
ОГРН: 1167456069021
Банк: ПАО Сбербанк
Р/с: 40702810838000475273
К/с: 30101810400000000225
БИК: 044525225
У подшипника 4207A пока нет отзывов. Вы можете стать первым покупателем, поделившимся своим мнением.