Поиск подшипника
Статьи
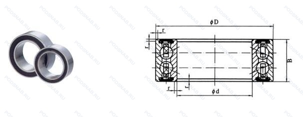
35BD5222DFX7 — Подшипник шариковый радиальный двухрядный, модификация основного исполнения 35BD5222, производство KML.
Размер подшипника: 35x52x22 мм.
Альтернативное обозначение: 101.006, DAC35520022.
Международная стандартизации ISO
35BD5222DFX7
В наличии
| Обозначение | Конструктивные изменения |
|---|---|
| 35BD5222T1XDDUM6CG01 | Резиновые уплотнения с каждой стороны подшипника. Полиамидный фиксатор. Специальный радиальный зазор. |
| 35BD5222T1XDDUM2CG01 ENSL | Резиновые уплотнения с каждой стороны подшипника. Количество смазки составляет приблизительно от 20% до 30%. Полиамидный фиксатор. Nippon Grease ENS (-40/+160°C. piek +180°C). Специальный радиальный зазор. |
| 35BD5222 | Основное конструктивное исполнение. |
| 35BD5222T1X | Полиамидный фиксатор. |
Модификации шарикового подшипника 35BD5222DFX7 — это измененное основное конструктивное исполнение 35BD5222, основные размеры (35x52x22) не отличаются.
| Обозначение | Гост | Конструктивные особенности |
|---|---|---|
| ACB35520022 | ISO | Подшипник шариковый радиальный двухрядный. |
| 35BD5222 | ISO | Подшипник шариковый радиальный двухрядный. |
| 101.006 | ISO | Подшипник шариковый радиальный двухрядный. |
Аналог шарикового подшипника 35BD5222DFX7 — это подшипник такого же размера dx35,Dx52,Bx22, типа и конструкции.
| Обозначение | Конструктивные особенности | Внутренний (d) | Наружный (D) | Ширина (B) |
|---|---|---|---|---|
| 35BG5222 | Подшипник шариковый двухрядный радиально-упорный. | 35.00 | 52.00 | 22.00 |
| 396366B | Роликовый игольчатый подшипник. Иглы с толстыми окончаниями. | 35.00 | 52.00 | 21.00 |
| 505919 | Роликовый игольчатый подшипник. | 35.00 | 52.00 | 21.00 |
| 396778A | Роликовый игольчатый подшипник. Измененная или модифицированная внутренняя конструкция при неизменных основных размерах. Как правило. значение буквы привязано к определенному подшипнику или серии подшипника. | 35.00 | 52.00 | 21.00 |
| 35BG5222-DLCS | Подшипник шариковый двухрядный радиально-упорный. | 35.00 | 52.00 | 22.00 |
| 35BG5222-2DL | Подшипник шариковый двухрядный радиально-упорный. DL-Seals. | 35.00 | 52.00 | 22.00 |
| F-204864.RNU | Однорядный цилиндрический роликовый подшипник. Without Inner Ring NU-Type. | 35.00 | 52.00 | 22.00 |
| JAB2013 | Подшипник шариковый двухрядный радиально-упорный. | 35.00 | 52.00 | 23.00 |
| DAC355222 | Подшипник шариковый двухрядный радиально-упорный. | 35.00 | 52.00 | 22.00 |
| ACB35x52x22 | Шариковый радиально-упорный двухрядный подшипник. | 35.00 | 52.00 | 22.00 |
| 4607-3AC2RS | Шариковый радиально-упорный двухрядный подшипник. | 35.00 | 52.00 | 22.00 |
| 35BG05S6G | Шариковый радиально-упорный двухрядный подшипник. | 35.00 | 52.00 | 23.00 |
| F16101 | Шариковый радиальный двухрядный подшипник. | 35.00 | 52.00 | 22.00 |
| PC35520022CS | Шариковый радиальный двухрядный подшипник. Высокоуглеродистая сталь. | 35.00 | 52.00 | 22.00 |
Способы доставки
Отправка через ведущие транспортные и курьерские компании: ПЭК, Деловые Линии, СДЭК, Байкал-Сервис, Энергия, КИТ, ЖелДорЭкспедиция.
Самовывоз возможен напрямую со склада в Москве.
Сроки доставки
Срок зависит от региона и выбранной транспортной компании. Все заказы комплектуются и отправляются в кратчайшие сроки со склада в Москве.
Надёжность и сохранность
Вся продукция упаковывается с учётом требований транспортировки. Мы гарантируем, что подшипники и комплектующие прибудут к заказчику в полной сохранности.
Доставка в страны ЕАЭС
Мы работаем с проверенными логистическими партнёрами, что позволяет оперативно доставлять заказы в Беларусь, Казахстан, Армению и другие страны ЕАЭС.
Варианты оплаты:
Минимальная сумма заказа и скидки:
Документы и гарантии:
Да, конечно! Наши технические специалисты готовы помочь вам с подбором точного аналога или замены подшипника. Просто позвоните нам по телефону +7 (495) 104-99-04 или напишите на почту zakaz@podsnab.ru.
Для оперативной консультации подготовьте, пожалуйста, имеющиеся данные: маркировку, размеры, тип оборудования или артикул старого подшипника.
Да, конечно! Мы высоко ценим долгосрочное сотрудничество и доверие клиентов по всей России. Для постоянных клиентов действует персональная система скидок.
Условия формируются индивидуально и зависят от:
Чтобы узнать свои условия и получить максимально выгодное предложение, свяжитесь с персональным менеджером или напишите нам на почту zakaz@podsnab.ru.
Вы можете оформить заказ несколькими способами:
Для оформления заказа от юридического лица свяжитесь с нашим отделом по работе с корпоративными клиентами по телефону +7 (495) 104-99-04 или напишите на email zakaz@podsnab.ru, прикрепив реквизиты вашей организации.
Мы оперативно подготовим коммерческое предложение и выставим счет.
Возврат товара надлежащего качества возможен в течение 10 дней с момента получения, если товар не был в употреблении, сохранен товарный вид, упаковка не вскрывалась и присутствуют все сопроводительные документы.
Возврат денежных средств осуществляется в течение 10 рабочих дней после проверки товара складом.
В соответствии с законодательством возврату не подлежат подшипники надлежащего качества, если отсутствует оригинальная упаковка или имеются следы монтажа.
В случае выявления брака или гарантийного случая мы гарантируем возврат или обмен товара.
Да, гарантийный срок хранения устанавливается заводом-изготовителем и в среднем составляет 2 года при соблюдении условий хранения: сухое помещение, оригинальная упаковка и смазка.
Точный срок для конкретного типа подшипника уточняйте у наших менеджеров.
Пн–Пт: с 8:00 до 17:00 (МСК).
Сб–Вс: выходные дни.
Заказы на сайте принимаются круглосуточно. Заявки, поступившие после окончания рабочего дня, обрабатываются на следующий рабочий день.
Минимальная сумма заказа для доставки составляет 3000 рублей. Самовывоз со склада возможен на любую сумму при наличии товара.
ООО «УралТехГрупп»
ИНН: 7415093830
КПП: 772401001
ОГРН: 1167456069021
Банк: ПАО Сбербанк
Р/с: 40702810838000475273
К/с: 30101810400000000225
БИК: 044525225
У подшипника 35BD5222DFX7 пока нет отзывов. Вы можете стать первым покупателем, поделившимся своим мнением.