Поиск подшипника
Статьи
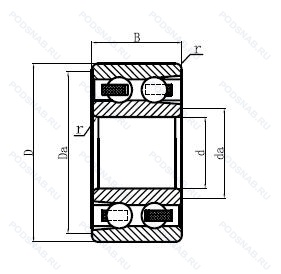
4210A — Подшипник шариковый радиальный двухрядный, модификация основного исполнения 4210, производство SNR.
Размер подшипника: 50x90x23 мм.
Радиально-упорный или радиальный шариковый подшипник. двухрядный. с полиамидным сепаратором и без прорезей для заполнения.
Аналоги: 4210-BB-TVH FAG,4210ATG Steyr,4210B TNG NSK,4210ATN9 ISB.
Международная стандартизации ISO
4210A
В наличии
| Обозначение | Конструктивные изменения |
|---|---|
| 4210B TVH | Конический роликовый подшипник. Угол контакта 20 градусов. Формованный полиамидный сепаратор защелкивающегося типа. |
| 4210 ATN | Подшипник шариковый радиальный двухрядный. |
| 4210B TNG | Конический роликовый подшипник. Угол контакта 20 градусов. Прочный сепаратор из полиамида. армированного стекловолокном. |
| 4210ATN9 | Измененная или модифицированная внутренняя конструкция при неизменных основных размерах. |
| 4210-B-TV | Конический роликовый подшипник. Угол контакта 20 градусов. Прочный сепаратор из полиамида. армированного стекловолокном. |
| 4210 | Подшипник шариковый радиальный двухрядный. Основное конструктивное исполнение. |
| 4210K | Коническое отверстие. конус 1/12. |
| 4210B | Конический роликовый подшипник. Угол контакта 20 градусов. |
| 4210 2RS | Резиновые уплотнения с каждой стороны подшипника. |
| 4210BB.TVH | Формованный полиамидный сепаратор защелкивающегося типа. Шарикоподшипник. Парный. Спина к спине (устаревшее). |
| 4210B TG | Изменения во внутренней конструкции. сепаратор из полиамида 6.6. армированного стекловолокном. |
| 4210B TNG C3 | Внутренний зазор больше нормального. Конический роликовый подшипник. Угол контакта 20 градусов. Прочный сепаратор из полиамида. армированного стекловолокном. |
| 4210ATG | Нет слотов для заполнения. Сепаратор из полиамида. |
| 4210-TVH | Формованный полиамидный сепаратор защелкивающегося типа. |
| 4210AC3 | Внутренний зазор больше нормального. Радиально-упорный или радиальный шариковый подшипник. Двухрядный. С полиамидным сепаратором и без прорезей для заполнения. |
| 4210BTNGC3/AR3N | Внутренний зазор больше нормального. Прочный сепаратор из полиамида. армированного стекловолокном. Designation = Alvania Grease R3. Base Oil = Mineral. Thickener = Lithium. Min. Temp = -34°C. Max. Temp = +135°C. |
| 4210-BB-TVH-L1 | Формованный полиамидный сепаратор защелкивающегося типа. Шарикоподшипник. Парный. Спина к спине (устаревшее). Механически обработанный латунный сепаратор. |
| 4210B TVH C3 | Внутренний зазор больше нормального. Модификация внутренней конструкции. Литой полиамидный сепаратор (PA66). защелкивающийся. |
| 4210BTN | Подшипник шариковый радиальный двухрядный. |
Модификации шарикового подшипника 4210A — это измененное основное конструктивное исполнение 4210, основные размеры (50x90x23) не отличаются.
| Обозначение | Конструктивные особенности | Внутренний (d) | Наружный (D) | Ширина (B) |
|---|---|---|---|---|
| 7510-К1У | Роликовый радиальный-упорный однорядный подшипник. Дополнительные технические требования. | 50.00 | 90.00 | 24.00 |
| 7510-У2Ш | Роликовый радиальный-упорный однорядный подшипник. Дополнительные технические требования. Нормы шумности. | 50.00 | 90.00 | 24.00 |
| 7510A | Роликовый радиальный-упорный однорядный подшипник. Двухрядный радиально-упорный шарикоподшипник без отверстия для смазки. | 50.00 | 90.00 | 23.00 |
| 76-180510 С9Ш2У | Шариковый радиальный однорядный подшипник. Дополнительные технические требования. Нормы шумности. Смазка ЛЗ-31. | 50.00 | 90.00 | 23.00 |
| CUC210 | Шариковый радиальный однорядный подшипник. Радиальный внутренний зазор С2. | 50.00 | 90.00 | 23.00 |
| CUC210-31 | Шариковый радиальный однорядный подшипник. 1.15/16. | 49.21 | 90.00 | 23.00 |
| 160510-А | Шариковый радиальный однорядный подшипник. Повышенная грузоподъемность. | 50.00 | 90.00 | 23.00 |
| 160510-АК | Шариковый радиальный однорядный подшипник. Повышенная грузоподъемность. | 50.00 | 90.00 | 23.00 |
| 2210-K-2RS+H310 | Шариковый сферический двухрядный подшипник. Коническое внутреннее отверстие. Контактные уплотнения типа RS с обеих сторон игольчатого роликоподшипника. | 50.00 | 90.00 | 23.00 |
| 2210 TN9 | Шариковый сферический двухрядный подшипник. Литой защелкивающийся сепаратор из полиамида. армированного стекловолокном 6.6. | 50.00 | 90.00 | 23.00 |
| 2210S | Шариковый сферический двухрядный подшипник. Запечатанная версия кулачкового ролика. Только для внутреннего и наружного колец. | 50.00 | 90.00 | 23.00 |
| S2210-2RS | Шариковый сферический двухрядный подшипник. Резиновые уплотнения с каждой стороны подшипника. | 50.00 | 90.00 | 23.00 |
| NU 2210 ECPH | Роликовый радиальный однорядный подшипник. Однорядный цилиндрический роликовый подшипник. | 50.00 | 90.00 | 23.00 |
| 480210-С-17 | Шариковый радиальный однорядный подшипник. Смазка Литол-24. | 50.00 | 90.00 | 24.00 |
| 53510-Н | Роликовый радиальный двухрядный подшипник. Детали из теплостойкой стали. | 50.00 | 90.00 | 23.00 |
Способы доставки
Отправка через ведущие транспортные и курьерские компании: ПЭК, Деловые Линии, СДЭК, Байкал-Сервис, Энергия, КИТ, ЖелДорЭкспедиция.
Самовывоз возможен напрямую со склада в Москве.
Сроки доставки
Срок зависит от региона и выбранной транспортной компании. Все заказы комплектуются и отправляются в кратчайшие сроки со склада в Москве.
Надёжность и сохранность
Вся продукция упаковывается с учётом требований транспортировки. Мы гарантируем, что подшипники и комплектующие прибудут к заказчику в полной сохранности.
Доставка в страны ЕАЭС
Мы работаем с проверенными логистическими партнёрами, что позволяет оперативно доставлять заказы в Беларусь, Казахстан, Армению и другие страны ЕАЭС.
Варианты оплаты:
Минимальная сумма заказа и скидки:
Документы и гарантии:
Да, конечно! Наши технические специалисты готовы помочь вам с подбором точного аналога или замены подшипника. Просто позвоните нам по телефону +7 (495) 104-99-04 или напишите на почту zakaz@podsnab.ru.
Для оперативной консультации подготовьте, пожалуйста, имеющиеся данные: маркировку, размеры, тип оборудования или артикул старого подшипника.
Да, конечно! Мы высоко ценим долгосрочное сотрудничество и доверие клиентов по всей России. Для постоянных клиентов действует персональная система скидок.
Условия формируются индивидуально и зависят от:
Чтобы узнать свои условия и получить максимально выгодное предложение, свяжитесь с персональным менеджером или напишите нам на почту zakaz@podsnab.ru.
Вы можете оформить заказ несколькими способами:
Для оформления заказа от юридического лица свяжитесь с нашим отделом по работе с корпоративными клиентами по телефону +7 (495) 104-99-04 или напишите на email zakaz@podsnab.ru, прикрепив реквизиты вашей организации.
Мы оперативно подготовим коммерческое предложение и выставим счет.
Возврат товара надлежащего качества возможен в течение 10 дней с момента получения, если товар не был в употреблении, сохранен товарный вид, упаковка не вскрывалась и присутствуют все сопроводительные документы.
Возврат денежных средств осуществляется в течение 10 рабочих дней после проверки товара складом.
В соответствии с законодательством возврату не подлежат подшипники надлежащего качества, если отсутствует оригинальная упаковка или имеются следы монтажа.
В случае выявления брака или гарантийного случая мы гарантируем возврат или обмен товара.
Да, гарантийный срок хранения устанавливается заводом-изготовителем и в среднем составляет 2 года при соблюдении условий хранения: сухое помещение, оригинальная упаковка и смазка.
Точный срок для конкретного типа подшипника уточняйте у наших менеджеров.
Пн–Пт: с 8:00 до 17:00 (МСК).
Сб–Вс: выходные дни.
Заказы на сайте принимаются круглосуточно. Заявки, поступившие после окончания рабочего дня, обрабатываются на следующий рабочий день.
Минимальная сумма заказа для доставки составляет 3000 рублей. Самовывоз со склада возможен на любую сумму при наличии товара.
ООО «УралТехГрупп»
ИНН: 7415093830
КПП: 772401001
ОГРН: 1167456069021
Банк: ПАО Сбербанк
Р/с: 40702810838000475273
К/с: 30101810400000000225
БИК: 044525225
У подшипника 4210A пока нет отзывов. Вы можете стать первым покупателем, поделившимся своим мнением.