Поиск подшипника
Статьи
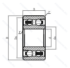
4215A — Подшипник шариковый радиальный двухрядный, модификация основного исполнения 4215, производство SNR.
Размер подшипника: 75x130x31 мм.
Радиально-упорный или радиальный шариковый подшипник. двухрядный. с полиамидным сепаратором и без прорезей для заполнения.
Аналоги: 4215 SKF,4215J NSK,4215 CFC.
Международная стандартизации ISO
4215A
В наличии
| Обозначение | Конструктивные изменения |
|---|---|
| 4215B TNG | Конический роликовый подшипник. Угол контакта 20 градусов. Прочный сепаратор из полиамида. армированного стекловолокном. |
| 4215 ATN | Подшипник шариковый радиальный двухрядный. |
| 4215 | Подшипник шариковый радиальный двухрядный. Основное конструктивное исполнение. |
| 4215C3 | Внутренний зазор больше нормального. |
| 4215-B-TVH | Модификация внутренней конструкции. Литой полиамидный сепаратор (PA66). защелкивающийся. |
| 4215ATN9 | Двойной радиальный шарикоподшипник без заправочных пазов. Литой сепаратор из полиамида 6.6. армированного стекловолокном. Центрированный элемент качения.. |
| 4215BTNG/AR3N | Прочный сепаратор из полиамида. армированного стекловолокном. Designation = Alvania Grease R3. Base Oil = Mineral. Thickener = Lithium. Min. Temp = -34°C. Max. Temp = +135°C. |
| 4215BTN | Подшипник шариковый радиальный двухрядный. |
| 4215J | Сепаратор из стали. |
Модификации шарикового подшипника 4215A — это измененное основное конструктивное исполнение 4215, основные размеры (75x130x31) не отличаются.
| Обозначение | Гост | Конструктивные особенности |
|---|---|---|
| 12AA | ISO | Измененный внутренний дизайн. |
| 4215 | ГОСТ | Подшипник шариковый радиальный двухрядный. |
Аналог шарикового подшипника 4215A — это подшипник такого же размера dx75,Dx130,Bx31, типа и конструкции.
| Обозначение | Конструктивные особенности | Внутренний (d) | Наружный (D) | Ширина (B) |
|---|---|---|---|---|
| 962715-УС17 | Роликовый радиальный цилиндрический двухрядный подшипник. Смазка Литол-24. Дополнительные технические требования. | 75.00 | 129.00 | 30.00 |
| 962715-Х | Роликовый радиальный однорядный подшипник. Кольца и тела качения или только кольца (в том числе одно кольцо) из цементируемой стали.. | 75.00 | 129.00 | 30.00 |
| 962715-ХС17 | Опорный ролик. Смазка Литол-24. Кольца и тела качения или только кольца (в том числе одно кольцо) из цементируемой стали.. | 75.00 | 129.00 | 32.00 |
| 97515A1 | Роликовый радиальный-упорный двухрядный подшипник. ABEC.1. | 75.00 | 130.00 | 31.00 |
| 5-1515-Ю | Шариковый радиальный двухрядный подшипник. Все детали или часть деталей из нержавеющей стали.. | 75.00 | 130.00 | 31.00 |
| 6-1515 Ю | Шариковый радиальный двухрядный подшипник. Все детали или часть деталей из нержавеющей стали.. | 75.00 | 130.00 | 31.00 |
| 4-1515 Ю | Шариковый радиальный двухрядный подшипник. Все детали или часть деталей из нержавеющей стали.. | 75.00 | 130.00 | 31.00 |
| 1515-Ю | Шариковый радиальный двухрядный подшипник. Все детали или часть деталей из нержавеющей стали.. | 75.00 | 130.00 | 31.00 |
| 612515У2 | Роликовый радиальный двухрядный подшипник. Дополнительные технические требования. | 75.00 | 130.00 | 31.00 |
| NU2215 ET | Роликовый радиальный подшипник. Сквозная закалка и шлифовка стали с переломом в одной точке. | 75.00 | 130.00 | 31.00 |
| 2215 TN9 | Шариковый сферический двухрядный подшипник. Литой защелкивающийся сепаратор из полиамида. армированного стекловолокном 6.6. | 75.00 | 130.00 | 31.00 |
| 2215-2RS | Шариковый сферический двухрядный подшипник. Резиновые уплотнения с каждой стороны подшипника. | 75.00 | 130.00 | 31.00 |
| NJ 2215 ECPH | Роликовый радиальный однорядный подшипник. Однорядный цилиндрический роликовый подшипник. | 75.00 | 130.00 | 31.00 |
| NU 2215 ECPH | Роликовый радиальный однорядный подшипник. Однорядный цилиндрический роликовый подшипник. | 75.00 | 130.00 | 31.00 |
| 53515-Н | Роликовый радиальный двухрядный подшипник. Детали из теплостойкой стали. | 75.00 | 130.00 | 31.00 |
Способы доставки
Отправка через ведущие транспортные и курьерские компании: ПЭК, Деловые Линии, СДЭК, Байкал-Сервис, Энергия, КИТ, ЖелДорЭкспедиция.
Самовывоз возможен напрямую со склада в Москве.
Сроки доставки
Срок зависит от региона и выбранной транспортной компании. Все заказы комплектуются и отправляются в кратчайшие сроки со склада в Москве.
Надёжность и сохранность
Вся продукция упаковывается с учётом требований транспортировки. Мы гарантируем, что подшипники и комплектующие прибудут к заказчику в полной сохранности.
Доставка в страны ЕАЭС
Мы работаем с проверенными логистическими партнёрами, что позволяет оперативно доставлять заказы в Беларусь, Казахстан, Армению и другие страны ЕАЭС.
Варианты оплаты:
Минимальная сумма заказа и скидки:
Документы и гарантии:
Да, конечно! Наши технические специалисты готовы помочь вам с подбором точного аналога или замены подшипника. Просто позвоните нам по телефону +7 (495) 104-99-04 или напишите на почту zakaz@podsnab.ru.
Для оперативной консультации подготовьте, пожалуйста, имеющиеся данные: маркировку, размеры, тип оборудования или артикул старого подшипника.
Да, конечно! Мы высоко ценим долгосрочное сотрудничество и доверие клиентов по всей России. Для постоянных клиентов действует персональная система скидок.
Условия формируются индивидуально и зависят от:
Чтобы узнать свои условия и получить максимально выгодное предложение, свяжитесь с персональным менеджером или напишите нам на почту zakaz@podsnab.ru.
Вы можете оформить заказ несколькими способами:
Для оформления заказа от юридического лица свяжитесь с нашим отделом по работе с корпоративными клиентами по телефону +7 (495) 104-99-04 или напишите на email zakaz@podsnab.ru, прикрепив реквизиты вашей организации.
Мы оперативно подготовим коммерческое предложение и выставим счет.
Возврат товара надлежащего качества возможен в течение 10 дней с момента получения, если товар не был в употреблении, сохранен товарный вид, упаковка не вскрывалась и присутствуют все сопроводительные документы.
Возврат денежных средств осуществляется в течение 10 рабочих дней после проверки товара складом.
В соответствии с законодательством возврату не подлежат подшипники надлежащего качества, если отсутствует оригинальная упаковка или имеются следы монтажа.
В случае выявления брака или гарантийного случая мы гарантируем возврат или обмен товара.
Да, гарантийный срок хранения устанавливается заводом-изготовителем и в среднем составляет 2 года при соблюдении условий хранения: сухое помещение, оригинальная упаковка и смазка.
Точный срок для конкретного типа подшипника уточняйте у наших менеджеров.
Пн–Пт: с 8:00 до 17:00 (МСК).
Сб–Вс: выходные дни.
Заказы на сайте принимаются круглосуточно. Заявки, поступившие после окончания рабочего дня, обрабатываются на следующий рабочий день.
Минимальная сумма заказа для доставки составляет 3000 рублей. Самовывоз со склада возможен на любую сумму при наличии товара.
ООО «УралТехГрупп»
ИНН: 7415093830
КПП: 772401001
ОГРН: 1167456069021
Банк: ПАО Сбербанк
Р/с: 40702810838000475273
К/с: 30101810400000000225
БИК: 044525225
У подшипника 4215A пока нет отзывов. Вы можете стать первым покупателем, поделившимся своим мнением.