Поиск подшипника
Статьи
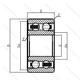
4313A — Подшипник шариковый радиальный двухрядный, модификация основного исполнения 4313, выпускается производителями: SKF, SNR.
Размер подшипника: 65x140x48 мм.
Двухрядный радиально-упорный шарикоподшипник без отверстия для смазки.
Аналоги: 4313 SKF,4313 RIV.
Международная стандартизации ISO
4313A
В наличии
| Обозначение | Конструктивные изменения |
|---|---|
| 4313 ATN | Подшипник шариковый радиальный двухрядный. |
| 4313 | Подшипник шариковый радиальный двухрядный. Основное конструктивное исполнение. |
| 4313B TG | Изменения во внутренней конструкции. сепаратор из полиамида 6.6. армированного стекловолокном. |
| 4313BTNGC3/AR3N | Подшипник шариковый радиальный двухрядный. |
| 4313ATN9 | Двойной радиальный шарикоподшипник без заправочных пазов. Литой сепаратор из полиамида 6.6. армированного стекловолокном. Центрированный элемент качения.. |
| 4313-B-TVH/ST3NZ | Модификация внутренней конструкции. Литой полиамидный сепаратор (PA66). защелкивающийся. Rhenus Norlith STM3. |
| 4313M | Механически обработанный латунный сепаратор .Расположенный на элементах качения. |
| 4313B TNH | Конический роликовый подшипник. Угол контакта 20 градусов. Полиамидный защелкивающийся сепаратор. расположенный на подвижных элементах. |
| 4313BTNG/AR3N | Прочный сепаратор из полиамида. армированного стекловолокном. Designation = Alvania Grease R3. Base Oil = Mineral. Thickener = Lithium. Min. Temp = -34°C. Max. Temp = +135°C. |
| 4313TNG | Прочный сепаратор из полиамида. армированного стекловолокном. |
| 4313-B-TVH | Модификация внутренней конструкции. Литой полиамидный сепаратор (PA66). защелкивающийся. |
Модификации шарикового подшипника 4313A — это измененное основное конструктивное исполнение 4313, основные размеры (65x140x48) не отличаются.
| Обозначение | Конструктивные особенности | Внутренний (d) | Наружный (D) | Ширина (B) |
|---|---|---|---|---|
| 2В0-1613 Л | Шариковый радиальный двухрядный подшипник. Сепаратор из латуни.. | 65.00 | 140.00 | 48.00 |
| UK313L3 | Шариковый радиальный однорядный подшипник. Тройное манжетное уплотнение для вкладыша подшипника. | 65.00 | 140.00 | 49.00 |
| 62613-Л | Роликовый радиальный подшипник. Сепаратор из латуни.. | 65.00 | 140.00 | 48.00 |
| 62613-М | Роликовый радиальный подшипник. Модифицированный контакт.. | 65.00 | 140.00 | 48.00 |
| 627613А1К | Роликовый радиальный-упорный однорядный подшипник. Повышенная грузоподъемность. | 65.00 | 140.00 | 48.00 |
| 70-32613 М | Роликовый радиальный однорядный подшипник. Модифицированный контакт.. | 65.00 | 140.00 | 48.00 |
| 62313-2RS1 | Шариковый радиальный однорядный подшипник. Усиленные листовой сталью контактные уплотнения из акрилонитрил-бутадиенового каучука (NBR) с обеих сторон подшипника. | 65.00 | 140.00 | 48.00 |
| 2313 K + H 2313 | Шариковый сферический двухрядный подшипник. Коническое внутреннее отверстие. Pressed Snap-Type Steel Cage. Hardened. | 65.00 | 140.00 | 48.00 |
| 2313S | Шариковый сферический двухрядный подшипник. Запечатанная версия кулачкового ролика. Только для внутреннего и наружного колец. | 65.00 | 140.00 | 48.00 |
| NJ 2313 ECPH | Роликовый радиальный однорядный подшипник. Однорядный цилиндрический роликовый подшипник. | 65.00 | 140.00 | 48.00 |
| NU 2313 ECPH | Роликовый радиальный однорядный подшипник. Однорядный цилиндрический роликовый подшипник. | 65.00 | 140.00 | 48.00 |
| 42613-КМ | Роликовый радиальный однорядный подшипник. Кольцевая проточка на середине цилиндрической наружной поверхности наружного кольца плюс три отверстия для смазки. Модифицированный контакт.. | 65.00 | 140.00 | 48.00 |
| 42613-Л | Роликовый радиальный однорядный подшипник. Сепаратор из латуни.. | 65.00 | 140.00 | 48.00 |
| 42613-ЛМ | Роликовый радиальный однорядный подшипник. Сепаратор из латуни.. Модифицированный контакт.. | 65.00 | 140.00 | 48.00 |
| 42613-М | Роликовый радиальный однорядный подшипник. Модифицированный контакт.. | 65.00 | 140.00 | 48.00 |
Способы доставки
Отправка через ведущие транспортные и курьерские компании: ПЭК, Деловые Линии, СДЭК, Байкал-Сервис, Энергия, КИТ, ЖелДорЭкспедиция.
Самовывоз возможен напрямую со склада в Москве.
Сроки доставки
Срок зависит от региона и выбранной транспортной компании. Все заказы комплектуются и отправляются в кратчайшие сроки со склада в Москве.
Надёжность и сохранность
Вся продукция упаковывается с учётом требований транспортировки. Мы гарантируем, что подшипники и комплектующие прибудут к заказчику в полной сохранности.
Доставка в страны ЕАЭС
Мы работаем с проверенными логистическими партнёрами, что позволяет оперативно доставлять заказы в Беларусь, Казахстан, Армению и другие страны ЕАЭС.
Варианты оплаты:
Минимальная сумма заказа и скидки:
Документы и гарантии:
Да, конечно! Наши технические специалисты готовы помочь вам с подбором точного аналога или замены подшипника. Просто позвоните нам по телефону +7 (495) 104-99-04 или напишите на почту zakaz@podsnab.ru.
Для оперативной консультации подготовьте, пожалуйста, имеющиеся данные: маркировку, размеры, тип оборудования или артикул старого подшипника.
Да, конечно! Мы высоко ценим долгосрочное сотрудничество и доверие клиентов по всей России. Для постоянных клиентов действует персональная система скидок.
Условия формируются индивидуально и зависят от:
Чтобы узнать свои условия и получить максимально выгодное предложение, свяжитесь с персональным менеджером или напишите нам на почту zakaz@podsnab.ru.
Вы можете оформить заказ несколькими способами:
Для оформления заказа от юридического лица свяжитесь с нашим отделом по работе с корпоративными клиентами по телефону +7 (495) 104-99-04 или напишите на email zakaz@podsnab.ru, прикрепив реквизиты вашей организации.
Мы оперативно подготовим коммерческое предложение и выставим счет.
Возврат товара надлежащего качества возможен в течение 10 дней с момента получения, если товар не был в употреблении, сохранен товарный вид, упаковка не вскрывалась и присутствуют все сопроводительные документы.
Возврат денежных средств осуществляется в течение 10 рабочих дней после проверки товара складом.
В соответствии с законодательством возврату не подлежат подшипники надлежащего качества, если отсутствует оригинальная упаковка или имеются следы монтажа.
В случае выявления брака или гарантийного случая мы гарантируем возврат или обмен товара.
Да, гарантийный срок хранения устанавливается заводом-изготовителем и в среднем составляет 2 года при соблюдении условий хранения: сухое помещение, оригинальная упаковка и смазка.
Точный срок для конкретного типа подшипника уточняйте у наших менеджеров.
Пн–Пт: с 8:00 до 17:00 (МСК).
Сб–Вс: выходные дни.
Заказы на сайте принимаются круглосуточно. Заявки, поступившие после окончания рабочего дня, обрабатываются на следующий рабочий день.
Минимальная сумма заказа для доставки составляет 3000 рублей. Самовывоз со склада возможен на любую сумму при наличии товара.
ООО «УралТехГрупп»
ИНН: 7415093830
КПП: 772401001
ОГРН: 1167456069021
Банк: ПАО Сбербанк
Р/с: 40702810838000475273
К/с: 30101810400000000225
БИК: 044525225
У подшипника 4313A пока нет отзывов. Вы можете стать первым покупателем, поделившимся своим мнением.