Поиск подшипника
Статьи
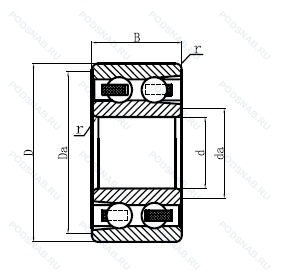
4305A — Подшипник шариковый радиальный двухрядный, модификация основного исполнения 4305, выпускается производителями: SKF, SNR.
Размер подшипника: 25x62x24 мм.
Двухрядный радиально-упорный шарикоподшипник без отверстия для смазки.
Аналоги: 4305B.TVH FAG,4305-BB-TVH FAG,4305B.TVH INA,4305ATN9 SKF,4305B TNH CNS D4 RHP,4305B TNG NSK,4305B TV NKE,4305BTNG AVSN5 NSK.
Международная стандартизации ISO
4305A
В наличии
| Обозначение | Конструктивные изменения |
|---|---|
| 4305-B-TVH | Конический роликовый подшипник. Угол контакта 20 градусов. Формованный полиамидный сепаратор защелкивающегося типа. |
| 4305 ATN | Подшипник шариковый радиальный двухрядный. |
| 4305 | Подшипник шариковый радиальный двухрядный. Основное конструктивное исполнение. |
| 4305B.TNG | Конический роликовый подшипник. Угол контакта 20 градусов. Прочный сепаратор из полиамида. армированного стекловолокном. |
| 4305 2RS | Резиновые уплотнения с каждой стороны подшипника. |
| 4305-BB-TVH | Формованный полиамидный сепаратор защелкивающегося типа. Шарикоподшипник. Парный. Спина к спине (устаревшее). |
| 4305BTNG/YRLN | Подшипник шариковый радиальный двухрядный. |
| 4305B TNG C3 | Внутренний зазор больше нормального. Конический роликовый подшипник. Угол контакта 20 градусов. Прочный сепаратор из полиамида. армированного стекловолокном. |
| 4305-B-TV | Design Without Filling Slots Have Угол контактаs Of 32°. Сепаратор из полиамида. |
| 4305BTNG AVSN5 | Прочный сепаратор из полиамида. армированного стекловолокном. |
| 4305B TNH CNS D4 | Специальная термическая обработка. Конический роликовый подшипник. Угол контакта 20 градусов. Полиамидный защелкивающийся сепаратор. расположенный на подвижных элементах. Нормальный уровень радиального внутреннего зазора (не маркируется). Количество узлов скольжения. |
| 4305ATN9 | Двойной радиальный шарикоподшипник без заправочных пазов. Литой сепаратор из полиамида 6.6. армированного стекловолокном. Центрированный элемент качения.. |
| 4305AC3 | Внутренний зазор больше нормального. Радиально-упорный или радиальный шариковый подшипник. Двухрядный. С полиамидным сепаратором и без прорезей для заполнения. |
| 4305BTNGC3/YRLN | Внутренний зазор больше нормального. Прочный сепаратор из полиамида. армированного стекловолокном. |
| 4305J | Сепаратор из стали. |
| 4305 2RS GL SU | Резиновые уплотнения с каждой стороны подшипника. Single. Universally Ground. Консистентная смазка. |
| 4305TNG | Прочный сепаратор из полиамида. армированного стекловолокном. |
| 4305ATN9/C3 | Внутренний зазор больше нормального. Двойной радиальный шарикоподшипник без заправочных пазов. Литой сепаратор из полиамида 6.6. армированного стекловолокном. Центрированный элемент качения.. |
| 4305B/TG/MT15 | Изменения во внутренней конструкции. сепаратор из полиамида 6.6. армированного стекловолокном. LUBRICANT. MEDIUM TEMPERATURE RANGES. |
Модификации шарикового подшипника 4305A — это измененное основное конструктивное исполнение 4305, основные размеры (25x62x24) не отличаются.
| Обозначение | Гост | Конструктивные особенности |
|---|---|---|
| 6BB | ISO | Шарикоподшипник. Парный. Спина к спине (устаревшее). |
| 100951BTN | ISO | Подшипник шариковый радиальный двухрядный. |
Аналог шарикового подшипника 4305A — это подшипник такого же размера dx25,Dx62,Bx24, типа и конструкции.
| Обозначение | Конструктивные особенности | Внутренний (d) | Наружный (D) | Ширина (B) |
|---|---|---|---|---|
| 180605-АК2 | Шариковый радиальный однорядный подшипник. Повышенная грузоподъемность. | 25.00 | 62.00 | 24.00 |
| 180605-КС9 | Шариковый радиальный однорядный подшипник. «Замок» (скос) на внутреннем кольце плюс массивный сепаратор из текстолита. Смазка ЛЗ-31. | 25.00 | 62.00 | 24.00 |
| 180605-КС9Ш1 | Шариковый радиальный однорядный подшипник. «Замок» (скос) на внутреннем кольце плюс массивный сепаратор из текстолита. Нормы шумности. Смазка ЛЗ-31. | 25.00 | 62.00 | 24.00 |
| 180605-С9 | Шариковый радиальный однорядный подшипник. Смазка ЛЗ-31. | 25.00 | 62.00 | 24.00 |
| 2305K+H2305 | Шариковый сферический двухрядный подшипник. Коническое внутреннее отверстие. | 25.00 | 62.00 | 24.00 |
| 2305E-2RS1KTN9 | Шариковый сферический двухрядный подшипник. Повышенная грузоподъемность. | 25.00 | 62.00 | 24.00 |
| 42605-Е | Роликовый радиальный однорядный подшипник. Сепаратор из текстолита.. | 25.00 | 62.00 | 24.00 |
| 42605-Л | Роликовый радиальный однорядный подшипник. Сепаратор из латуни.. | 25.00 | 62.00 | 24.00 |
| 6-1605 Л | Шариковый радиальный двухрядный подшипник. Сепаратор из латуни.. | 25.00 | 62.00 | 24.00 |
| 6-160605 КШ1 | Шариковый радиальный однорядный подшипник. «Замок» (скос) на внутреннем кольце плюс массивный сепаратор из текстолита. Нормы шумности. | 25.00 | 62.00 | 24.00 |
| 6-180605 К1УС9Ш1 | Шариковый радиальный однорядный подшипник. Дополнительные технические требования. Нормы шумности. Смазка ЛЗ-31. | 25.00 | 62.00 | 24.00 |
| 6-180605 КС9 | Шариковый радиальный однорядный подшипник. Смазка ЛЗ-31. | 25.00 | 62.00 | 24.00 |
| 6-180605 КС9Ш | Шариковый радиальный однорядный подшипник. Нормы шумности. Смазка ЛЗ-31. | 25.00 | 62.00 | 24.00 |
| 6-180605 КС9Ш1 | Шариковый радиальный однорядный подшипник. Нормы шумности. Смазка ЛЗ-31. | 25.00 | 62.00 | 24.00 |
| 6-180605 КС9Ш2У | Шариковый радиальный однорядный подшипник. Дополнительные технические требования. Нормы шумности. Смазка ЛЗ-31. | 25.00 | 62.00 | 24.00 |
Способы доставки
Отправка через ведущие транспортные и курьерские компании: ПЭК, Деловые Линии, СДЭК, Байкал-Сервис, Энергия, КИТ, ЖелДорЭкспедиция.
Самовывоз возможен напрямую со склада в Москве.
Сроки доставки
Срок зависит от региона и выбранной транспортной компании. Все заказы комплектуются и отправляются в кратчайшие сроки со склада в Москве.
Надёжность и сохранность
Вся продукция упаковывается с учётом требований транспортировки. Мы гарантируем, что подшипники и комплектующие прибудут к заказчику в полной сохранности.
Доставка в страны ЕАЭС
Мы работаем с проверенными логистическими партнёрами, что позволяет оперативно доставлять заказы в Беларусь, Казахстан, Армению и другие страны ЕАЭС.
Варианты оплаты:
Минимальная сумма заказа и скидки:
Документы и гарантии:
Да, конечно! Наши технические специалисты готовы помочь вам с подбором точного аналога или замены подшипника. Просто позвоните нам по телефону +7 (495) 104-99-04 или напишите на почту zakaz@podsnab.ru.
Для оперативной консультации подготовьте, пожалуйста, имеющиеся данные: маркировку, размеры, тип оборудования или артикул старого подшипника.
Да, конечно! Мы высоко ценим долгосрочное сотрудничество и доверие клиентов по всей России. Для постоянных клиентов действует персональная система скидок.
Условия формируются индивидуально и зависят от:
Чтобы узнать свои условия и получить максимально выгодное предложение, свяжитесь с персональным менеджером или напишите нам на почту zakaz@podsnab.ru.
Вы можете оформить заказ несколькими способами:
Для оформления заказа от юридического лица свяжитесь с нашим отделом по работе с корпоративными клиентами по телефону +7 (495) 104-99-04 или напишите на email zakaz@podsnab.ru, прикрепив реквизиты вашей организации.
Мы оперативно подготовим коммерческое предложение и выставим счет.
Возврат товара надлежащего качества возможен в течение 10 дней с момента получения, если товар не был в употреблении, сохранен товарный вид, упаковка не вскрывалась и присутствуют все сопроводительные документы.
Возврат денежных средств осуществляется в течение 10 рабочих дней после проверки товара складом.
В соответствии с законодательством возврату не подлежат подшипники надлежащего качества, если отсутствует оригинальная упаковка или имеются следы монтажа.
В случае выявления брака или гарантийного случая мы гарантируем возврат или обмен товара.
Да, гарантийный срок хранения устанавливается заводом-изготовителем и в среднем составляет 2 года при соблюдении условий хранения: сухое помещение, оригинальная упаковка и смазка.
Точный срок для конкретного типа подшипника уточняйте у наших менеджеров.
Пн–Пт: с 8:00 до 17:00 (МСК).
Сб–Вс: выходные дни.
Заказы на сайте принимаются круглосуточно. Заявки, поступившие после окончания рабочего дня, обрабатываются на следующий рабочий день.
Минимальная сумма заказа для доставки составляет 3000 рублей. Самовывоз со склада возможен на любую сумму при наличии товара.
ООО «УралТехГрупп»
ИНН: 7415093830
КПП: 772401001
ОГРН: 1167456069021
Банк: ПАО Сбербанк
Р/с: 40702810838000475273
К/с: 30101810400000000225
БИК: 044525225
У подшипника 4305A пока нет отзывов. Вы можете стать первым покупателем, поделившимся своим мнением.