Поиск подшипника
Статьи
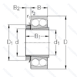
1307K+H307 — Подшипник шариковый двухрядный самоустанавливающийся, модификация основного исполнения 1307, выпускается производителями: CRAFT, CX, ISO, NKE, RIV.
Размер подшипника: 30x80x35 мм.
Коническое внутреннее отверстие.
Альтернативное обозначение: 11306K+H.
Международная стандартизации ISO
1307KH307
В наличии
| Обозначение | Конструктивные изменения |
|---|---|
| 1307EKTN9/C3 | Внутренний зазор больше нормального. Коническое отверстие. конус 1/12. Литой защелкивающийся сепаратор из полиамида. армированного стекловолокном 6.6. Оптимизированная внутренняя конструкция. |
| 1307ETN9 | Оптимизированный внутренний дизайн. Литая защелкивающаяся клетка из полиамида 6.6. армированного стекловолокном с шариковой центрировкой.. |
| 1307ETN9/C3 | Внутренний зазор больше нормального. Оптимизированный внутренний дизайн. Литая защелкивающаяся клетка из полиамида 6.6. армированного стекловолокном с шариковой центрировкой.. |
| 1307S C3 | Прессованный стальной сепаратор. Внутренний зазор больше нормального. |
| 1307K TNG | Коническое отверстие. конус 1/12. Прочный сепаратор из полиамида. армированного стекловолокном. |
| 1307G15 | Литой сепаратор из полиамида 6.6. армированного стекловолокном. Центрированный элемент качения.. |
| 1307K C3 ACC | Внутренний зазор больше нормального. Коническое отверстие. конус 1/12. Подшипник со стальным сепаратором. |
| 1307-TVH-C3 | Внутренний зазор больше нормального. Массивный сепаратор из армированного стекловолокном полиамида PA66. |
| 1307J | Сепаратор из стали. |
| 1307TN | сепаратор из полиамида 6.6. армированного стекловолокном. |
| 1307G15 J30 | Внутренний зазор больше нормального. Литой сепаратор из полиамида 6.6. армированного стекловолокном. Элемент качения по центру. |
| 1307B | Наружный вал с двумя стопорными кольцами для фиксации комплекта роликов. Неразборный. |
| 1307L | Outer Race Separable. One Direction. |
| 1307TAM | Сепаратор из ламинированной фенольной смолы, направляемый на шаровый фиксатор наружного кольца. |
| 1307SK | Кулачковый толкатель штифтового типа. С шестигранной головкой. |
| 1307E TNG | Повышенная грузоподъемность. Прочный сепаратор из полиамида. армированного стекловолокном. |
| 1307EK TNG | Коническое отверстие. конус 1/12. Оптимизированная внутренняя конструкция. Литой защелкивающийся сепаратор из полиамида. армированного стекловолокном 6.6. |
| 1307K G15 J30 | Коническое отверстие. конус 1/12. Внутренний зазор больше нормального. Литой сепаратор из полиамида 6.6. армированного стекловолокном. Центрированный элемент качения.. |
| 1307TNGP5 | Размерная и рабочая точность соответствует классу допуска ISO 5. Прочный сепаратор из полиамида. армированного стекловолокном. |
| 1307TNG C3 | Внутренний зазор больше нормального. Прочный сепаратор из полиамида. армированного стекловолокном. |
| 1307KG15C3 | Внутренний зазор больше нормального. Коническое отверстие. конус 1/12. Литой сепаратор из полиамида 6.6. армированного стекловолокном. Центрированный элемент качения.. |
| 3F-UY1307TM | Cylindrical Roller Bearing. Outer Ring With Two Snap Rings In Inside Diameter. Full Complement. |
| 1307-K-TVH-C3 + H307 | Внутренний зазор больше нормального. Коническое отверстие. Конусность 1/12. Твердая клетка из полиамида. |
| 1307 TN9 | Литой защелкивающийся сепаратор из полиамида. армированного стекловолокном 6.6. |
| 1307 EKTN9 + H 307 | Pressed Snap-Type Steel Cage. Hardened. 3.7/16. |
Модификации самоцентрирующегося шарикового подшипника 1307K+H307 — это измененное основное конструктивное исполнение 1307, основные размеры (30x80x35) не отличаются.
| Обозначение | Конструктивные особенности | Внутренний (d) | Наружный (D) | Ширина (B) |
|---|---|---|---|---|
| KRV80-PP-A-NMT | Кулачковый ролик толкатель. Двухрядный радиально-упорный шарикоподшипник без отверстия для смазки. Манжетные уплотнения с обеих сторон (тип P - две шайбы из оцинкованной листовой стали с промежуточной частью NBR. Кромка уплотнения предварительно нагружена в осевом направлении). Диапазон температур -30℃/+100℃. Шестигранная гайка. | 30.00 | 80.00 | 35.00 |
| PWKR80 2RSA | Кулачковый ролик толкатель. Rubber Seals At Each Side Of The Bearing. Temperature Range -30℃/+120℃. | 30.00 | 80.00 | 35.00 |
| CF30VUU | Кулачковый ролик толкатель. Полный тип дополнения. Манжетные уплотнения с обеих сторон (тип P - две шайбы из оцинкованной листовой стали с промежуточной частью NBR). Диапазон температур -30℃/+100℃. | 30.00 | 80.00 | 35.00 |
| NUKD80DZ | Кулачковый ролик толкатель. Опорные ролики игольчатого типа. Цилиндрический наружный диаметр. Литой сепаратор оконного типа из полиамида. усиленного стекловолокном. | 30.00 | 80.00 | 35.00 |
| KR80LL | Кулачковый ролик толкатель. Контактное. синтетические. резиновое уплотнение с двух сторон. | 30.00 | 80.00 | 35.00 |
| KR80-X-PP-A | Кулачковый ролик толкатель. Двухрядный радиально-упорный шарикоподшипник без отверстия для смазки. Цилиндрическая рабочая поверхность. Манжетные уплотнения с обеих сторон (тип P - две шайбы из оцинкованной листовой стали с промежуточной частью NBR. Кромка уплотнения предварительно нагружена в осевом направлении). Диапазон температур -30℃/+100℃. | 30.00 | 80.00 | 35.00 |
| MCF80S | Кулачковый ролик толкатель. Запечатанная версия кулачкового ролика. | 30.00 | 80.00 | 35.00 |
| MCFR80SX | Кулачковый ролик толкатель. Радиально-упорный сферический подшипник скольжения. требующий обслуживания по ISO 12 2402. Монтажные размеры как для конических роликоподшипников по DIN 720. 320X. Стальная скользящая контактная поверхность. | 30.00 | 80.00 | 35.00 |
| KR80-PP-A-NMT | Кулачковый ролик толкатель. Двухрядный радиально-упорный шарикоподшипник без отверстия для смазки. Манжетные уплотнения с обеих сторон (тип P - две шайбы из оцинкованной листовой стали с промежуточной частью NBR. Кромка уплотнения предварительно нагружена в осевом направлении). Диапазон температур -30℃/+100℃. Шестигранная гайка. | 30.00 | 80.00 | 35.00 |
| CF30UU | Кулачковый ролик толкатель. Манжетные уплотнения с обеих сторон (тип P - две шайбы из оцинкованной листовой стали с промежуточной частью NBR). Диапазон температур -30℃/+100℃. | 30.00 | 80.00 | 35.00 |
| KRV80LLH/3AS | Кулачковый ролик толкатель. Манжетное уплотнение с обеих сторон подшипника. Смазка. Shell Oil Co. Смазка Alvania #3, стандартная заливка.. | 30.00 | 80.00 | 35.00 |
| KR80XLL/3AS | Кулачковый ролик толкатель. Цилиндрический (плоский) профиль наружной рабочей поверхности. Манжетное уплотнение с обеих сторон подшипника. Смазка. Shell Oil Co. Смазка Alvania #3, стандартная заливка.. | 30.00 | 80.00 | 35.00 |
| KR80PPX | Кулачковый ролик толкатель. Скользящие уплотнительные кольца из полиамида с обеих сторон, улучшенный корончатый профиль рабочей поверхности наружного кольца. | 30.00 | 80.00 | 35.00 |
| CF30MUUAN | Кулачковый ролик толкатель. Made Of Stainless Steel. Манжетные уплотнения с обеих сторон (тип P - две шайбы из оцинкованной листовой стали с промежуточной частью NBR. Кромка уплотнения предварительно нагружена в осевом направлении). Диапазон температур -30℃/+100℃. | 30.00 | 80.00 | 35.00 |
| PWKR80-2RS-RR | Кулачковый ролик толкатель. Rubber Seals At Each Side Of The Bearing. Temperature Range -30℃/+120℃. Защищен от коррозии специальным покрытием Corrotect®.. | 30.00 | 80.00 | 35.00 |
Способы доставки
Отправка через ведущие транспортные и курьерские компании: ПЭК, Деловые Линии, СДЭК, Байкал-Сервис, Энергия, КИТ, ЖелДорЭкспедиция.
Самовывоз возможен напрямую со склада в Москве.
Сроки доставки
Срок зависит от региона и выбранной транспортной компании. Все заказы комплектуются и отправляются в кратчайшие сроки со склада в Москве.
Надёжность и сохранность
Вся продукция упаковывается с учётом требований транспортировки. Мы гарантируем, что подшипники и комплектующие прибудут к заказчику в полной сохранности.
Доставка в страны ЕАЭС
Мы работаем с проверенными логистическими партнёрами, что позволяет оперативно доставлять заказы в Беларусь, Казахстан, Армению и другие страны ЕАЭС.
Варианты оплаты:
Минимальная сумма заказа и скидки:
Документы и гарантии:
Да, конечно! Наши технические специалисты готовы помочь вам с подбором точного аналога или замены подшипника. Просто позвоните нам по телефону +7 (495) 104-99-04 или напишите на почту zakaz@podsnab.ru.
Для оперативной консультации подготовьте, пожалуйста, имеющиеся данные: маркировку, размеры, тип оборудования или артикул старого подшипника.
Да, конечно! Мы высоко ценим долгосрочное сотрудничество и доверие клиентов по всей России. Для постоянных клиентов действует персональная система скидок.
Условия формируются индивидуально и зависят от:
Чтобы узнать свои условия и получить максимально выгодное предложение, свяжитесь с персональным менеджером или напишите нам на почту zakaz@podsnab.ru.
Вы можете оформить заказ несколькими способами:
Для оформления заказа от юридического лица свяжитесь с нашим отделом по работе с корпоративными клиентами по телефону +7 (495) 104-99-04 или напишите на email zakaz@podsnab.ru, прикрепив реквизиты вашей организации.
Мы оперативно подготовим коммерческое предложение и выставим счет.
Возврат товара надлежащего качества возможен в течение 10 дней с момента получения, если товар не был в употреблении, сохранен товарный вид, упаковка не вскрывалась и присутствуют все сопроводительные документы.
Возврат денежных средств осуществляется в течение 10 рабочих дней после проверки товара складом.
В соответствии с законодательством возврату не подлежат подшипники надлежащего качества, если отсутствует оригинальная упаковка или имеются следы монтажа.
В случае выявления брака или гарантийного случая мы гарантируем возврат или обмен товара.
Да, гарантийный срок хранения устанавливается заводом-изготовителем и в среднем составляет 2 года при соблюдении условий хранения: сухое помещение, оригинальная упаковка и смазка.
Точный срок для конкретного типа подшипника уточняйте у наших менеджеров.
Пн–Пт: с 8:00 до 17:00 (МСК).
Сб–Вс: выходные дни.
Заказы на сайте принимаются круглосуточно. Заявки, поступившие после окончания рабочего дня, обрабатываются на следующий рабочий день.
Минимальная сумма заказа для доставки составляет 3000 рублей. Самовывоз со склада возможен на любую сумму при наличии товара.
ООО «УралТехГрупп»
ИНН: 7415093830
КПП: 772401001
ОГРН: 1167456069021
Банк: ПАО Сбербанк
Р/с: 40702810838000475273
К/с: 30101810400000000225
БИК: 044525225
У подшипника 1307K+H307 пока нет отзывов. Вы можете стать первым покупателем, поделившимся своим мнением.