Поиск подшипника
Статьи
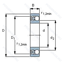
2207.2RS.TV.C3 — Подшипник шариковый двухрядный самоустанавливающийся, модификация основного исполнения 2207, выпускается производителями: FAG, NKE.
Размер подшипника: 35x72x23 мм.
Резиновые уплотнения с каждой стороны подшипника, внутренний зазор больше нормального, прочный сепаратор из полиамида. армированного стекловолокном.
Аналоги: 2207 2RS TNG C3 NSK.
Международная стандартизации ISO
22072RSTVC3
В наличии
| Обозначение | Конструктивные изменения |
|---|---|
| 2207K G15 J30 | Коническое отверстие. конус 1/12. Внутренний зазор больше нормального. Литой сепаратор из полиамида 6.6. армированного стекловолокном. Центрированный элемент качения.. |
| 2207 2RS TNG C3 | Внутренний зазор больше нормального. Seal At Each Side Of The Bearing. Клетка из армированного стекловолокном полиамида 66. |
| 2207TNG | Прочный сепаратор из полиамида. армированного стекловолокном. |
| 2207KTNGC4 | Коническое отверстие. конус 1/12. Внутренний зазор подшипника больше. чем C3. Прочный сепаратор из полиамида. армированного стекловолокном. |
| 2207MG C3 | Внутренний зазор больше нормального. Формованный сепаратор из полиамида. укрепленного стекловолокном. |
| 2207-K-2RS-TV | Коническое отверстие. конус 1/12. Резиновые уплотнения с каждой стороны подшипника. Прочный сепаратор из полиамида. армированного стекловолокном. |
| 2207M | Механически обработанный латунный сепаратор .Расположенный на элементах качения. |
| 2207EKTN9/C4 | Коническое отверстие. конус 1/12. Внутренний зазор подшипника больше. чем C3. Литой защелкивающийся сепаратор из полиамида. армированного стекловолокном 6.6. Оптимизированная внутренняя конструкция. |
| BS2-2207-2CS/VT143 | Заполнение пластичной смазкой SKF LGEP 2 на 25–35 %. Sheet Steel Reinforced Contact Seal Of Acrylonitrile-Butadiene Rubber (NBR) On Both Sides Of The Bearing. Annular Groove And Three Lubrication Holes In The Outer Ring Covered With A Polymer Band. Lubricated With An Extreme Pressure Bearing Grease According To Temperature Range -20℃/+110℃. Grease Fill 25% To 35%. Высокая осевая жесткость и грузоподъемность.. |
| N 2207 ECM | Однорядный цилиндрический роликовый подшипник. |
| NJ 2207 ECPH | Однорядный цилиндрический роликовый подшипник. |
| NJ 2207 ECML | Однорядный цилиндрический роликовый подшипник. |
| NJ 2207 ECNJ | Однорядный цилиндрический роликовый подшипник. |
| NU 2207 ECML | Однорядный цилиндрический роликовый подшипник. |
| NUP 2207 ECP | Однорядный цилиндрический роликовый подшипник. |
| 2207-K-2RS+H307 | Коническое внутреннее отверстие. Контактные уплотнения типа RS с обеих сторон игольчатого роликоподшипника. |
| 2207-K+H307 | Коническое внутреннее отверстие. |
| 2207-K-TVH-C3 + H307 | Внутренний зазор больше нормального. Коническое отверстие. Конусность 1/12. Твердая клетка из полиамида. |
| 2207-K-2RS-TVH-C3 + H307 | Внутренний зазор больше нормального. Коническое отверстие. Конусность 1/12. Резиновые уплотнения с каждой стороны подшипника. Твердая клетка из полиамида. |
| 2207-2RS KTN9+H307 | Резиновые уплотнения с каждой стороны подшипника. |
| 2207S | Запечатанная версия кулачкового ролика. Только для внутреннего и наружного колец. |
| 2207SK | Кулачковый толкатель штифтового типа. С шестигранной головкой. Только для внутреннего и наружного колец. |
| 2207E-2RS1KTN9+H307E | Повышенная грузоподъемность. |
| NJ 2207 ECM | Однорядный цилиндрический роликовый подшипник. |
| NU 2207 ECPH | Однорядный цилиндрический роликовый подшипник. |
Модификации самоцентрирующегося шарикового подшипника 2207.2RS.TV.C3 — это измененное основное конструктивное исполнение 2207, основные размеры (35x72x23) не отличаются.
| Обозначение | Гост | Конструктивные особенности |
|---|---|---|
| 4AAJK | ISO | EKTN9 (SKF). |
| 1507 | ISO | Подшипник шариковый двухрядный самоустанавливающийся. |
| NLDJ35 | ISO | Подшипник шариковый двухрядный самоустанавливающийся. |
Аналог самоцентрирующегося шарикового подшипника 2207.2RS.TV.C3 — это подшипник такого же размера dx35,Dx72,Bx23, типа и конструкции.
| Обозначение | Конструктивные особенности | Внутренний (d) | Наружный (D) | Ширина (B) |
|---|---|---|---|---|
| 160507-Е | Шариковый радиальный однорядный подшипник. Сепаратор из текстолита.. | 35.00 | 72.00 | 23.00 |
| 6-160507 Е | Шариковый радиальный однорядный подшипник. Сепаратор из текстолита.. | 35.00 | 72.00 | 23.00 |
| 180507-А | Шариковый радиальный однорядный подшипник. Повышенная грузоподъемность. | 35.00 | 72.00 | 23.00 |
| DG3572W-3RSCS27 | Шариковый радиальный однорядный подшипник. Угол контакта 20 градусов. Подшипник без смазочных отверстий в наружном кольце. | 35.00 | 72.00 | 22.00 |
| DG3572DWC4 | Шариковый радиальный однорядный подшипник. Угол контакта 20 градусов. | 35.00 | 72.00 | 22.00 |
| 7507A1 | Роликовый радиальный-упорный однорядный подшипник. ABEC.1. | 35.00 | 72.00 | 23.00 |
| NA2207XLL | Роликовый игольчатый подшипник однорядный. Два уплотнения. | 35.00 | 72.00 | 23.00 |
| LG35=1 | Шариковый радиальный однорядный подшипник. Number Of Carriages Per Rail Track. | 35.00 | 72.00 | 24.00 |
| TM-SC0791LC4/5A | Шариковый радиальный однорядный подшипник. Механически обработанный сепаратор. Внутренний радиальный зазор С4. Уплотнение из полиакрила. | 35.00 | 72.00 | 24.00 |
| 36-160507 Е | Шариковый радиальный однорядный подшипник. Сепаратор из текстолита.. | 35.00 | 72.00 | 23.00 |
| S2207-2RS | Шариковый сферический двухрядный подшипник. Резиновые уплотнения с каждой стороны подшипника. | 35.00 | 72.00 | 23.00 |
| 6-12507 АЕМУШ | Роликовый радиальный однорядный подшипник. Сепаратор из текстолита.. Дополнительные технические требования. Модифицированный контакт.. Повышенная грузоподъемность. Нормы шумности. | 35.00 | 72.00 | 23.00 |
| 6-12507 АЕУ | Роликовый радиальный однорядный подшипник. Сепаратор из текстолита.. Дополнительные технические требования. Повышенная грузоподъемность. | 35.00 | 72.00 | 23.00 |
| 6-12507 КМ | Роликовый радиальный однорядный подшипник. Модифицированный контакт.. | 35.00 | 72.00 | 23.00 |
| 6-12507 КМУ | Роликовый радиальный однорядный подшипник. Дополнительные технические требования. Модифицированный контакт.. | 35.00 | 72.00 | 23.00 |
Способы доставки
Отправка через ведущие транспортные и курьерские компании: ПЭК, Деловые Линии, СДЭК, Байкал-Сервис, Энергия, КИТ, ЖелДорЭкспедиция.
Самовывоз возможен напрямую со склада в Москве.
Сроки доставки
Срок зависит от региона и выбранной транспортной компании. Все заказы комплектуются и отправляются в кратчайшие сроки со склада в Москве.
Надёжность и сохранность
Вся продукция упаковывается с учётом требований транспортировки. Мы гарантируем, что подшипники и комплектующие прибудут к заказчику в полной сохранности.
Доставка в страны ЕАЭС
Мы работаем с проверенными логистическими партнёрами, что позволяет оперативно доставлять заказы в Беларусь, Казахстан, Армению и другие страны ЕАЭС.
Варианты оплаты:
Минимальная сумма заказа и скидки:
Документы и гарантии:
Да, конечно! Наши технические специалисты готовы помочь вам с подбором точного аналога или замены подшипника. Просто позвоните нам по телефону +7 (495) 104-99-04 или напишите на почту zakaz@podsnab.ru.
Для оперативной консультации подготовьте, пожалуйста, имеющиеся данные: маркировку, размеры, тип оборудования или артикул старого подшипника.
Да, конечно! Мы высоко ценим долгосрочное сотрудничество и доверие клиентов по всей России. Для постоянных клиентов действует персональная система скидок.
Условия формируются индивидуально и зависят от:
Чтобы узнать свои условия и получить максимально выгодное предложение, свяжитесь с персональным менеджером или напишите нам на почту zakaz@podsnab.ru.
Вы можете оформить заказ несколькими способами:
Для оформления заказа от юридического лица свяжитесь с нашим отделом по работе с корпоративными клиентами по телефону +7 (495) 104-99-04 или напишите на email zakaz@podsnab.ru, прикрепив реквизиты вашей организации.
Мы оперативно подготовим коммерческое предложение и выставим счет.
Возврат товара надлежащего качества возможен в течение 10 дней с момента получения, если товар не был в употреблении, сохранен товарный вид, упаковка не вскрывалась и присутствуют все сопроводительные документы.
Возврат денежных средств осуществляется в течение 10 рабочих дней после проверки товара складом.
В соответствии с законодательством возврату не подлежат подшипники надлежащего качества, если отсутствует оригинальная упаковка или имеются следы монтажа.
В случае выявления брака или гарантийного случая мы гарантируем возврат или обмен товара.
Да, гарантийный срок хранения устанавливается заводом-изготовителем и в среднем составляет 2 года при соблюдении условий хранения: сухое помещение, оригинальная упаковка и смазка.
Точный срок для конкретного типа подшипника уточняйте у наших менеджеров.
Пн–Пт: с 8:00 до 17:00 (МСК).
Сб–Вс: выходные дни.
Заказы на сайте принимаются круглосуточно. Заявки, поступившие после окончания рабочего дня, обрабатываются на следующий рабочий день.
Минимальная сумма заказа для доставки составляет 3000 рублей. Самовывоз со склада возможен на любую сумму при наличии товара.
ООО «УралТехГрупп»
ИНН: 7415093830
КПП: 772401001
ОГРН: 1167456069021
Банк: ПАО Сбербанк
Р/с: 40702810838000475273
К/с: 30101810400000000225
БИК: 044525225
У подшипника 2207.2RS.TV.C3 пока нет отзывов. Вы можете стать первым покупателем, поделившимся своим мнением.