Поиск подшипника
Статьи
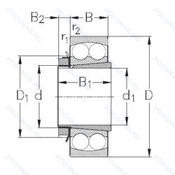
1215K+H215 — Подшипник шариковый двухрядный самоустанавливающийся, модификация основного исполнения 1215, выпускается производителями: CRAFT, CX, ISB, ISO, NIS, NKE, SKF.
Размер подшипника: 65x130x43 мм.
Коническое внутреннее отверстие.
Международная стандартизации ISO
1215KH215
В наличии
| Обозначение | Конструктивные изменения |
|---|---|
| 1215-K-TVH-C3 | Внутренний зазор больше нормального. Коническое отверстие. конус 1/12. Массивный сепаратор из армированного стекловолокном полиамида PA66. |
| 1215-TVH | Массивный сепаратор из армированного стекловолокном полиамида PA66. |
| 1215J30 | Внутренний зазор больше нормального. |
| 1215KM | Type Of Model. |
| 1215S | Прессованный стальной сепаратор. |
| 1215K A12 | Коническое отверстие. конус 1/12. Осевой люфт в микронах. |
| 1215SS | Защитные металлические шайбы с обеих сторон подшипника. |
| 1215KRR | Манжетные уплотнения с обеих сторон (уплотнение типа R - имеет оцинкованные внутреннюю и внешнюю крышки. Между крышками имеется уплотнительная кромка NBR. идущая по шлифованному буртику). |
| 1215SK | Кулачковый толкатель штифтового типа. С шестигранной головкой. |
| 1215K J30 | Коническое отверстие. конус 1/12. Внутренний зазор больше нормального. |
| 1215ETN9 | Оптимизированный внутренний дизайн. Литая защелкивающаяся клетка из полиамида 6.6. армированного стекловолокном с шариковой центрировкой.. |
| 1215KJC3 | Внутренний зазор больше нормального. Коническое отверстие 1/12. Сепаратор из стали. |
| 1215A12 | Осевой люфт в микронах. |
| 1215K C3 ACC | Внутренний зазор больше нормального. Коническое отверстие. конус 1/12. Подшипник со стальным сепаратором. |
| 1215TNG | Прочный сепаратор из полиамида. армированного стекловолокном. |
| 1215-TVH-C3 | Внутренний зазор больше нормального. Массивный сепаратор из армированного стекловолокном полиамида PA66. |
| 1215A | Bore Is Different From Original Part Number. |
| 1215-K-TVH | Коническое отверстие. конус 1/12. Массивный сепаратор из армированного стекловолокном полиамида PA66. |
| 1215SC3 | Прессованный стальной сепаратор. Внутренний зазор больше нормального. |
| 1215G15 | Литой сепаратор из полиамида 6.6. армированного стекловолокном. Центрированный элемент качения.. |
| BTH-1215AD | Угол контакта 25°. |
| 1215KLL | BALL BEARING. CONRAD TYPE. INDUSTRIAL POWER TRANSMISSION. DOUBLE MECHANI-SEAL. |
| 1215KLLB | Подшипник шариковый двухрядный самоустанавливающийся. |
| 1215KRRB | Подшипник шариковый двухрядный самоустанавливающийся. |
| 1215-K-TVH-C3 + H215 | Внутренний зазор больше нормального. Коническое отверстие. Конусность 1/12. Твердая клетка из полиамида. |
Модификации самоцентрирующегося шарикового подшипника 1215K+H215 — это измененное основное конструктивное исполнение 1215, основные размеры (65x130x43) не отличаются.
| Обозначение | Конструктивные особенности | Внутренний (d) | Наружный (D) | Ширина (B) |
|---|---|---|---|---|
| UK215+H2315 | Подшипник для корпуса. Закрепительная втулка. | 65.00 | 130.00 | 44.00 |
Способы доставки
Отправка через ведущие транспортные и курьерские компании: ПЭК, Деловые Линии, СДЭК, Байкал-Сервис, Энергия, КИТ, ЖелДорЭкспедиция.
Самовывоз возможен напрямую со склада в Москве.
Сроки доставки
Срок зависит от региона и выбранной транспортной компании. Все заказы комплектуются и отправляются в кратчайшие сроки со склада в Москве.
Надёжность и сохранность
Вся продукция упаковывается с учётом требований транспортировки. Мы гарантируем, что подшипники и комплектующие прибудут к заказчику в полной сохранности.
Доставка в страны ЕАЭС
Мы работаем с проверенными логистическими партнёрами, что позволяет оперативно доставлять заказы в Беларусь, Казахстан, Армению и другие страны ЕАЭС.
Варианты оплаты:
Минимальная сумма заказа и скидки:
Документы и гарантии:
Да, конечно! Наши технические специалисты готовы помочь вам с подбором точного аналога или замены подшипника. Просто позвоните нам по телефону +7 (495) 104-99-04 или напишите на почту zakaz@podsnab.ru.
Для оперативной консультации подготовьте, пожалуйста, имеющиеся данные: маркировку, размеры, тип оборудования или артикул старого подшипника.
Да, конечно! Мы высоко ценим долгосрочное сотрудничество и доверие клиентов по всей России. Для постоянных клиентов действует персональная система скидок.
Условия формируются индивидуально и зависят от:
Чтобы узнать свои условия и получить максимально выгодное предложение, свяжитесь с персональным менеджером или напишите нам на почту zakaz@podsnab.ru.
Вы можете оформить заказ несколькими способами:
Для оформления заказа от юридического лица свяжитесь с нашим отделом по работе с корпоративными клиентами по телефону +7 (495) 104-99-04 или напишите на email zakaz@podsnab.ru, прикрепив реквизиты вашей организации.
Мы оперативно подготовим коммерческое предложение и выставим счет.
Возврат товара надлежащего качества возможен в течение 10 дней с момента получения, если товар не был в употреблении, сохранен товарный вид, упаковка не вскрывалась и присутствуют все сопроводительные документы.
Возврат денежных средств осуществляется в течение 10 рабочих дней после проверки товара складом.
В соответствии с законодательством возврату не подлежат подшипники надлежащего качества, если отсутствует оригинальная упаковка или имеются следы монтажа.
В случае выявления брака или гарантийного случая мы гарантируем возврат или обмен товара.
Да, гарантийный срок хранения устанавливается заводом-изготовителем и в среднем составляет 2 года при соблюдении условий хранения: сухое помещение, оригинальная упаковка и смазка.
Точный срок для конкретного типа подшипника уточняйте у наших менеджеров.
Пн–Пт: с 8:00 до 17:00 (МСК).
Сб–Вс: выходные дни.
Заказы на сайте принимаются круглосуточно. Заявки, поступившие после окончания рабочего дня, обрабатываются на следующий рабочий день.
Минимальная сумма заказа для доставки составляет 3000 рублей. Самовывоз со склада возможен на любую сумму при наличии товара.
ООО «УралТехГрупп»
ИНН: 7415093830
КПП: 772401001
ОГРН: 1167456069021
Банк: ПАО Сбербанк
Р/с: 40702810838000475273
К/с: 30101810400000000225
БИК: 044525225
У подшипника 1215K+H215 пока нет отзывов. Вы можете стать первым покупателем, поделившимся своим мнением.