Поиск подшипника
Статьи
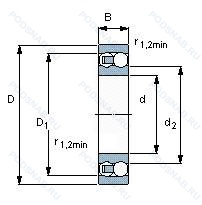
1304-TV-C3 — Подшипник шариковый двухрядный самоустанавливающийся, модификация основного исполнения 1304, выпускается производителями: FAG, NKE.
Размер подшипника: 20x52x15 мм.
Внутренний зазор больше нормального, прочный сепаратор из полиамида. армированного стекловолокном.
Аналоги: 1304TV.C3 FAG,1304ETN9/C3 SKF,1304.G15C3 SNR.
Международная стандартизации ISO
1304TVC3
В наличии
| Обозначение | Конструктивные изменения |
|---|---|
| 1304TNG | Прочный сепаратор из полиамида. армированного стекловолокном. |
| 1304ETN9 | Оптимизированный внутренний дизайн. Литая защелкивающаяся клетка из полиамида 6.6. армированного стекловолокном с шариковой центрировкой.. |
| 1304-TVH | Массивный сепаратор из армированного стекловолокном полиамида PA66. |
| 1304TG | сепаратор из полиамида 6.6. армированного стекловолокном. |
| 1304TG 3D | Пластиковый сепаратор с фиксатором. |
| 1304ETN9/W64 | Антифрикционный заполнитель. твердая смазка. Оптимизированный внутренний дизайн. Литая защелкивающаяся клетка из полиамида 6.6. армированного стекловолокном с шариковой центрировкой.. |
| 1304J30 | Внутренний зазор больше нормального. |
| 1304EKTN9 | Коническое отверстие. конус 1/12. Литой защелкивающийся сепаратор из полиамида. армированного стекловолокном 6.6. Оптимизированная внутренняя конструкция. |
| 1304K.TV.C3 | Внутренний зазор больше нормального. Коническое отверстие. конус 1/12. Прочный сепаратор из полиамида. армированного стекловолокном. |
| 1304K.TV | Коническое отверстие. конус 1/12. Прочный сепаратор из полиамида. армированного стекловолокном. |
| 1304SC3 | Прессованный стальной сепаратор. Внутренний зазор больше нормального. |
| 1304G15 J30 | Внутренний зазор больше нормального. Литой сепаратор из полиамида 6.6. армированного стекловолокном. Элемент качения по центру. |
| 1304.G15C3 | Внутренний зазор больше нормального. Литой сепаратор из полиамида 6.6. армированного стекловолокном. Центрированный элемент качения.. |
| 1304M | Подшипник с латунным сепаратором. центрированный по телам качения. |
| 1304KJ | Коническое отверстие 1/12. Сепаратор из стали. |
| 1304TNH CNS D4 | Специальная термическая обработка. Полиамидный защелкивающийся сепаратор. расположенный на подвижных элементах. Нормальный уровень радиального внутреннего зазора (не маркируется). Количество узлов скольжения. |
| 1304-K-TVH-C3 | Внутренний зазор больше нормального. Коническое отверстие. конус 1/12. Массивный сепаратор из армированного стекловолокном полиамида PA66. |
| 1304SK | Кулачковый толкатель штифтового типа. С шестигранной головкой. |
| 1304TNH | Подшипник с защелкиваемым сепаратором из пластмассы. |
| 1304E TNG | Повышенная грузоподъемность. Прочный сепаратор из полиамида. армированного стекловолокном. |
| 1304EK TNG | Коническое отверстие. конус 1/12. Оптимизированная внутренняя конструкция. Литой защелкивающийся сепаратор из полиамида. армированного стекловолокном 6.6. |
| 1304-TVH-C3 | Внутренний зазор больше нормального. Формованный полиамидный сепаратор защелкивающегося типа. |
| 1304ETN9/C3 | Внутренний зазор больше нормального. Оптимизированный внутренний дизайн. Литая защелкивающаяся клетка из полиамида 6.6. армированного стекловолокном с шариковой центрировкой.. |
| 1304K+H304 | Коническое внутреннее отверстие. |
| 1304 TN9 | Литой защелкивающийся сепаратор из полиамида. армированного стекловолокном 6.6. |
Модификации самоцентрирующегося шарикового подшипника 1304-TV-C3 — это измененное основное конструктивное исполнение 1304, основные размеры (20x52x15) не отличаются.
| Обозначение | Гост | Конструктивные особенности |
|---|---|---|
| 11304 | ISO | Подшипник шариковый двухрядный самоустанавливающийся. |
| 1205 K + HE 205 | ISO | Коническое отверстие. Конусность 1/12. Закрепительная втулка. |
| 1205KH | ISO | Подшипник шариковый двухрядный самоустанавливающийся. |
| L304 | ISO | Подшипник шариковый двухрядный самоустанавливающийся. |
Аналог самоцентрирующегося шарикового подшипника 1304-TV-C3 — это подшипник такого же размера dx20,Dx52,Bx15, типа и конструкции.
| Обозначение | Конструктивные особенности | Внутренний (d) | Наружный (D) | Ширина (B) |
|---|---|---|---|---|
| 46-304-БТ2 | Шариковый радиально-упорный однорядный подшипник. 200°. Температура отпуска. Сепаратор из безоловянистой бронзы.. | 20.00 | 52.00 | 15.00 |
| 46-304 Р1 | Шариковый радиальный однорядный подшипник. Детали из теплоустойчивой (быстрорежущие) стали.. | 20.00 | 52.00 | 15.00 |
| 46-304 Ю2 | Шариковый радиальный однорядный подшипник. Все детали или часть деталей из нержавеющей стали.. | 20.00 | 52.00 | 15.00 |
| 46-304 Ю4Т | Шариковый радиальный однорядный подшипник. Температура отпуска. 160°. Все детали или часть деталей из нержавеющей стали.. | 20.00 | 52.00 | 15.00 |
| 46304-Б | Шариковый радиально-упорный однорядный подшипник. Сепаратор из безоловянистой бронзы.. | 20.00 | 52.00 | 15.00 |
| 46304-Е | Шариковый радиально-упорный однорядный подшипник. Сепаратор из текстолита.. | 20.00 | 52.00 | 15.00 |
| 46304-Л | Шариковый радиально-упорный однорядный подшипник. Сепаратор из латуни.. | 20.00 | 52.00 | 15.00 |
| 46304К | Шариковый радиально-упорный однорядный подшипник. «Замок» (скос) на внутреннем кольце плюс массивный сепаратор из текстолита. | 20.00 | 52.00 | 15.00 |
| 5-304 А | Шариковый радиальный однорядный подшипник. Повышенная грузоподъемность. | 20.00 | 52.00 | 15.00 |
| 5-304 ЕТ8Ш2 | Шариковый радиальный однорядный подшипник. Сепаратор из текстолита.. Нормы шумности. Специальный режим термообработки деталей подшипника. | 20.00 | 52.00 | 15.00 |
| 5-46304 Б | Шариковый радиально-упорный однорядный подшипник. Сепаратор из безоловянистой бронзы.. | 20.00 | 52.00 | 15.00 |
| 5-66304 Б | Шариковый радиально-упорный однорядный подшипник. Сепаратор из безоловянистой бронзы.. | 20.00 | 52.00 | 15.00 |
| 50-304 ЕТ8Ш2 | Шариковый радиальный однорядный подшипник. Сепаратор из текстолита.. Нормы шумности. Специальный режим термообработки деталей подшипника. | 20.00 | 52.00 | 15.00 |
| 50304-А | Шариковый радиальный однорядный подшипник. Повышенная грузоподъемность. | 20.00 | 52.00 | 15.00 |
| 50304-АК | Шариковый радиальный однорядный подшипник. Повышенная грузоподъемность. | 20.00 | 52.00 | 15.00 |
Способы доставки
Отправка через ведущие транспортные и курьерские компании: ПЭК, Деловые Линии, СДЭК, Байкал-Сервис, Энергия, КИТ, ЖелДорЭкспедиция.
Самовывоз возможен напрямую со склада в Москве.
Сроки доставки
Срок зависит от региона и выбранной транспортной компании. Все заказы комплектуются и отправляются в кратчайшие сроки со склада в Москве.
Надёжность и сохранность
Вся продукция упаковывается с учётом требований транспортировки. Мы гарантируем, что подшипники и комплектующие прибудут к заказчику в полной сохранности.
Доставка в страны ЕАЭС
Мы работаем с проверенными логистическими партнёрами, что позволяет оперативно доставлять заказы в Беларусь, Казахстан, Армению и другие страны ЕАЭС.
Варианты оплаты:
Минимальная сумма заказа и скидки:
Документы и гарантии:
Да, конечно! Наши технические специалисты готовы помочь вам с подбором точного аналога или замены подшипника. Просто позвоните нам по телефону +7 (495) 104-99-04 или напишите на почту zakaz@podsnab.ru.
Для оперативной консультации подготовьте, пожалуйста, имеющиеся данные: маркировку, размеры, тип оборудования или артикул старого подшипника.
Да, конечно! Мы высоко ценим долгосрочное сотрудничество и доверие клиентов по всей России. Для постоянных клиентов действует персональная система скидок.
Условия формируются индивидуально и зависят от:
Чтобы узнать свои условия и получить максимально выгодное предложение, свяжитесь с персональным менеджером или напишите нам на почту zakaz@podsnab.ru.
Вы можете оформить заказ несколькими способами:
Для оформления заказа от юридического лица свяжитесь с нашим отделом по работе с корпоративными клиентами по телефону +7 (495) 104-99-04 или напишите на email zakaz@podsnab.ru, прикрепив реквизиты вашей организации.
Мы оперативно подготовим коммерческое предложение и выставим счет.
Возврат товара надлежащего качества возможен в течение 10 дней с момента получения, если товар не был в употреблении, сохранен товарный вид, упаковка не вскрывалась и присутствуют все сопроводительные документы.
Возврат денежных средств осуществляется в течение 10 рабочих дней после проверки товара складом.
В соответствии с законодательством возврату не подлежат подшипники надлежащего качества, если отсутствует оригинальная упаковка или имеются следы монтажа.
В случае выявления брака или гарантийного случая мы гарантируем возврат или обмен товара.
Да, гарантийный срок хранения устанавливается заводом-изготовителем и в среднем составляет 2 года при соблюдении условий хранения: сухое помещение, оригинальная упаковка и смазка.
Точный срок для конкретного типа подшипника уточняйте у наших менеджеров.
Пн–Пт: с 8:00 до 17:00 (МСК).
Сб–Вс: выходные дни.
Заказы на сайте принимаются круглосуточно. Заявки, поступившие после окончания рабочего дня, обрабатываются на следующий рабочий день.
Минимальная сумма заказа для доставки составляет 3000 рублей. Самовывоз со склада возможен на любую сумму при наличии товара.
ООО «УралТехГрупп»
ИНН: 7415093830
КПП: 772401001
ОГРН: 1167456069021
Банк: ПАО Сбербанк
Р/с: 40702810838000475273
К/с: 30101810400000000225
БИК: 044525225
У подшипника 1304-TV-C3 пока нет отзывов. Вы можете стать первым покупателем, поделившимся своим мнением.