Поиск подшипника
Статьи
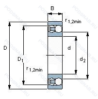
2301M C3 — Подшипник шариковый двухрядный самоустанавливающийся, модификация основного исполнения 2301, производство NSK.
Размер подшипника: 12x37x17 мм.
Внутренний зазор больше нормального, механически обработанный латунный сепаратор .расположенный на элементах качения.
Международная стандартизации ISO
2301MC3
В наличии
| Обозначение | Конструктивные изменения |
|---|---|
| 2301 | Подшипник шариковый двухрядный самоустанавливающийся. Основное конструктивное исполнение. |
| 2301M | Подшипник с латунным сепаратором. центрированный по телам качения. |
| 2301M/C4 | Внутренний зазор подшипника больше. чем C3. Подшипник с латунным сепаратором. центрированный по телам качения. |
| 2301M CNS | Специальная термическая обработка. Механически обработанный латунный сепаратор .Расположенный на элементах качения. Нормальный уровень радиального внутреннего зазора (не маркируется). |
| 2301K | Коническое отверстие. конус 1/12. |
| 2301 2RS | Резиновые уплотнения с каждой стороны подшипника. |
| 2301S | Запечатанная версия кулачкового ролика. Только для внутреннего и наружного колец. |
| 2301J | Сепаратор из стали. |
| 2301-2RS1 | Усиленные листовой сталью контактные уплотнения из акрилонитрил-бутадиенового каучука (NBR) с обеих сторон подшипника. |
| 2301C3 | Внутренний зазор больше нормального. |
Модификации самоцентрирующегося шарикового подшипника 2301M C3 — это измененное основное конструктивное исполнение 2301, основные размеры (12x37x17) не отличаются.
| Обозначение | Конструктивные особенности | Внутренний (d) | Наружный (D) | Ширина (B) |
|---|---|---|---|---|
| 62301-2RSR | Подшипник однорядный шариковый радиальный. Резиновые уплотнения с каждой стороны подшипника. | 12.00 | 37.00 | 17.00 |
| 4301A MB | Подшипник шариковый радиальный двухрядный. Двухрядный радиально-упорный шарикоподшипник без отверстия для смазки. сепаратор из латуни. центрированный по внутреннему кольцу. | 12.00 | 37.00 | 17.00 |
| 62301-RS1 | Подшипник однорядный шариковый радиальный. Резиновое уплотнение с одной стороны. | 12.00 | 37.00 | 17.00 |
| SIJ12E | Сферический шарнирный подшипник. Сталь. Кольцевые канавки и смазочные отверстия как во внутреннем. так и во внешнем кольцах. | 12.00 | 36.00 | 17.00 |
| 4301ATN9 | Подшипник шариковый радиальный двухрядный. Двойной радиальный шарикоподшипник без заправочных пазов. Литой сепаратор из полиамида 6.6. армированного стекловолокном. Центрированный элемент качения.. | 12.00 | 37.00 | 17.00 |
| 62301-2RS1 | Подшипник однорядный шариковый радиальный. Усиленные листовой сталью контактные уплотнения из акрилонитрил-бутадиенового каучука (NBR) с обеих сторон подшипника. | 12.00 | 37.00 | 17.00 |
| 62301 2RS C3 | Подшипник однорядный шариковый радиальный. Внутренний зазор больше нормального. Резиновые уплотнения с каждой стороны подшипника. | 12.00 | 37.00 | 17.00 |
| 4301-B-TV | Подшипник шариковый радиальный двухрядный. Design Without Filling Slots Have Угол контактаs Of 32°. Сепаратор из полиамида. | 12.00 | 37.00 | 17.00 |
| CBK490 2RS | Подшипник однорядный шариковый радиальный. Резиновые уплотнения с каждой стороны подшипника. | 12.05 | 38.00 | 16.00 |
| 4301M | Подшипник шариковый радиальный двухрядный. Механически обработанный латунный сепаратор. центрируемый по шарикам. Разные конструкции или материалы обозначаются цифрой после буквы М. например. М2. | 12.00 | 37.00 | 17.00 |
| 62301.EE | Подшипник однорядный шариковый радиальный. Резиновые уплотнения с каждой стороны подшипника. | 12.00 | 37.00 | 17.00 |
| 4301TNG | Подшипник шариковый радиальный двухрядный. Прочный сепаратор из полиамида. армированного стекловолокном. | 12.00 | 37.00 | 17.00 |
| 690601-Е5 | Шариковый радиальный подшипник. Сепаратор из текстолита.. | 12.00 | 37.00 | 18.00 |
| S62301-2RS | Шариковый радиальный однорядный подшипник. Резиновые уплотнения с каждой стороны подшипника. | 12.00 | 37.00 | 17.00 |
| 62301-RS | Шариковый радиальный однорядный подшипник. Резиновое уплотнение с одной стороны. | 12.00 | 37.00 | 17.00 |
Способы доставки
Отправка через ведущие транспортные и курьерские компании: ПЭК, Деловые Линии, СДЭК, Байкал-Сервис, Энергия, КИТ, ЖелДорЭкспедиция.
Самовывоз возможен напрямую со склада в Москве.
Сроки доставки
Срок зависит от региона и выбранной транспортной компании. Все заказы комплектуются и отправляются в кратчайшие сроки со склада в Москве.
Надёжность и сохранность
Вся продукция упаковывается с учётом требований транспортировки. Мы гарантируем, что подшипники и комплектующие прибудут к заказчику в полной сохранности.
Доставка в страны ЕАЭС
Мы работаем с проверенными логистическими партнёрами, что позволяет оперативно доставлять заказы в Беларусь, Казахстан, Армению и другие страны ЕАЭС.
Варианты оплаты:
Минимальная сумма заказа и скидки:
Документы и гарантии:
Да, конечно! Наши технические специалисты готовы помочь вам с подбором точного аналога или замены подшипника. Просто позвоните нам по телефону +7 (495) 104-99-04 или напишите на почту zakaz@podsnab.ru.
Для оперативной консультации подготовьте, пожалуйста, имеющиеся данные: маркировку, размеры, тип оборудования или артикул старого подшипника.
Да, конечно! Мы высоко ценим долгосрочное сотрудничество и доверие клиентов по всей России. Для постоянных клиентов действует персональная система скидок.
Условия формируются индивидуально и зависят от:
Чтобы узнать свои условия и получить максимально выгодное предложение, свяжитесь с персональным менеджером или напишите нам на почту zakaz@podsnab.ru.
Вы можете оформить заказ несколькими способами:
Для оформления заказа от юридического лица свяжитесь с нашим отделом по работе с корпоративными клиентами по телефону +7 (495) 104-99-04 или напишите на email zakaz@podsnab.ru, прикрепив реквизиты вашей организации.
Мы оперативно подготовим коммерческое предложение и выставим счет.
Возврат товара надлежащего качества возможен в течение 10 дней с момента получения, если товар не был в употреблении, сохранен товарный вид, упаковка не вскрывалась и присутствуют все сопроводительные документы.
Возврат денежных средств осуществляется в течение 10 рабочих дней после проверки товара складом.
В соответствии с законодательством возврату не подлежат подшипники надлежащего качества, если отсутствует оригинальная упаковка или имеются следы монтажа.
В случае выявления брака или гарантийного случая мы гарантируем возврат или обмен товара.
Да, гарантийный срок хранения устанавливается заводом-изготовителем и в среднем составляет 2 года при соблюдении условий хранения: сухое помещение, оригинальная упаковка и смазка.
Точный срок для конкретного типа подшипника уточняйте у наших менеджеров.
Пн–Пт: с 8:00 до 17:00 (МСК).
Сб–Вс: выходные дни.
Заказы на сайте принимаются круглосуточно. Заявки, поступившие после окончания рабочего дня, обрабатываются на следующий рабочий день.
Минимальная сумма заказа для доставки составляет 3000 рублей. Самовывоз со склада возможен на любую сумму при наличии товара.
ООО «УралТехГрупп»
ИНН: 7415093830
КПП: 772401001
ОГРН: 1167456069021
Банк: ПАО Сбербанк
Р/с: 40702810838000475273
К/с: 30101810400000000225
БИК: 044525225
У подшипника 2301M C3 пока нет отзывов. Вы можете стать первым покупателем, поделившимся своим мнением.