Поиск подшипника
Статьи
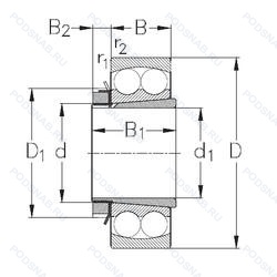
1218K+H218 — Подшипник шариковый двухрядный самоустанавливающийся, модификация основного исполнения 1218, выпускается производителями: CRAFT, CX, ISB, ISO, NKE, SKF.
Размер подшипника: 80x160x52 мм.
Коническое отверстие. конус 1/12, закрепительная втулка.
Международная стандартизации ISO
1218KH218
В наличии
| Обозначение | Конструктивные изменения |
|---|---|
| 1218-TV | Прочный сепаратор из полиамида. армированного стекловолокном. |
| 1218-K-TVH-C3 | Внутренний зазор больше нормального. Коническое отверстие. конус 1/12. Массивный сепаратор из армированного стекловолокном полиамида PA66. |
| 1218-TVH | Массивный сепаратор из армированного стекловолокном полиамида PA66. |
| 1218/C4 | Внутренний зазор подшипника больше. чем C3. |
| 1218/W64 | Антифрикционный заполнитель. твердая смазка. |
| 1218S C3 | Прессованный стальной сепаратор. Внутренний зазор больше нормального. |
| 1218S J30 | Прессованный стальной сепаратор. Внутренний зазор больше нормального. |
| 1218-K-J-C4 | Коническое отверстие. конус 1/12. Внутренний зазор подшипника больше. чем C3. Штампованный металлический фиксатор. Направляющий роликовый элемент. |
| 1218KJ | Коническое отверстие 1/12. Сепаратор из стали. |
| 1218J.C5 | Штампованный металлический фиксатор. Направляющий роликовый элемент. Внутренний зазор подшипника больше. чем С4. |
| 1218-K-TVH | Коническое отверстие. конус 1/12. Массивный сепаратор из армированного стекловолокном полиамида PA66. |
| 1218J30 | Внутренний зазор больше нормального. |
| 1218/C5/R851 | Внутренний зазор подшипника больше. чем С4. Bearing Modified By SKF. |
| 1218K G15 J30 | Коническое отверстие. конус 1/12. Внутренний зазор больше нормального. Литой сепаратор из полиамида 6.6. армированного стекловолокном. Центрированный элемент качения.. |
| 1218K.TV | Коническое отверстие. конус 1/12. Прочный сепаратор из полиамида. армированного стекловолокном. |
| 1218NF | Полированный подшипник и детали подшипника. |
| 1218K NF | Коническое отверстие. конус 1/12. Полированный подшипник и детали подшипника. |
| 1218-TVH-C3 | Внутренний зазор больше нормального. Массивный сепаратор из армированного стекловолокном полиамида PA66. |
| 1218TV.C5 | Внутренний зазор подшипника больше. чем С4. Прочный сепаратор из полиамида. армированного стекловолокном. |
| 1218-K-TVH-C4 | Коническое отверстие. конус 1/12. Внутренний зазор подшипника больше. чем C3. Массивный сепаратор из армированного стекловолокном полиамида PA66. |
| 1218KJC3 | Внутренний зазор больше нормального. Коническое отверстие 1/12. Сепаратор из стали. |
| 1218G15 | Литой сепаратор из полиамида 6.6. армированного стекловолокном. Центрированный элемент качения.. |
| 1218KTN9/C3 | Внутренний зазор больше нормального. Коническое отверстие. конус 1/12. Литой защелкивающийся сепаратор из полиамида. армированного стекловолокном 6.6. |
| 1218SK | Кулачковый толкатель штифтового типа. С шестигранной головкой. |
| 1218-K-TVH-C3 + H218 | Внутренний зазор больше нормального. Коническое отверстие. Конусность 1/12. Твердая клетка из полиамида. |
Модификации самоцентрирующегося шарикового подшипника 1218K+H218 — это измененное основное конструктивное исполнение 1218, основные размеры (80x160x52) не отличаются.
| Обозначение | Конструктивные особенности | Внутренний (d) | Наружный (D) | Ширина (B) |
|---|---|---|---|---|
| 23218 EKW33+H2318 | Роликовый радиальный сферический двухрядный подшипник. | 80.00 | 160.00 | 52.40 |
| 23218-E1-K-TVPB + H2318 | Роликовый радиальный сферический двухрядный подшипник. Коническое отверстие. Конусность 1/12. Конструкция с увеличенной грузоподьемностью. Твердый оконный сепаратор из полиамида. армированного стекловолокном. Направляющие на внутреннем кольце. | 80.00 | 160.00 | 52.40 |
| 23218-E1A-K-M + H2318 | Роликовый радиальный сферический двухрядный подшипник. Коническое отверстие. Конусность 1/12. Подшипник с латунным сепаратором. центрированный по телам качения. | 80.00 | 160.00 | 52.40 |
| 2В0-11216 | Сферический двухрядный подшипник. | 80.00 | 160.00 | 52.00 |
Способы доставки
Отправка через ведущие транспортные и курьерские компании: ПЭК, Деловые Линии, СДЭК, Байкал-Сервис, Энергия, КИТ, ЖелДорЭкспедиция.
Самовывоз возможен напрямую со склада в Москве.
Сроки доставки
Срок зависит от региона и выбранной транспортной компании. Все заказы комплектуются и отправляются в кратчайшие сроки со склада в Москве.
Надёжность и сохранность
Вся продукция упаковывается с учётом требований транспортировки. Мы гарантируем, что подшипники и комплектующие прибудут к заказчику в полной сохранности.
Доставка в страны ЕАЭС
Мы работаем с проверенными логистическими партнёрами, что позволяет оперативно доставлять заказы в Беларусь, Казахстан, Армению и другие страны ЕАЭС.
Варианты оплаты:
Минимальная сумма заказа и скидки:
Документы и гарантии:
Да, конечно! Наши технические специалисты готовы помочь вам с подбором точного аналога или замены подшипника. Просто позвоните нам по телефону +7 (495) 104-99-04 или напишите на почту zakaz@podsnab.ru.
Для оперативной консультации подготовьте, пожалуйста, имеющиеся данные: маркировку, размеры, тип оборудования или артикул старого подшипника.
Да, конечно! Мы высоко ценим долгосрочное сотрудничество и доверие клиентов по всей России. Для постоянных клиентов действует персональная система скидок.
Условия формируются индивидуально и зависят от:
Чтобы узнать свои условия и получить максимально выгодное предложение, свяжитесь с персональным менеджером или напишите нам на почту zakaz@podsnab.ru.
Вы можете оформить заказ несколькими способами:
Для оформления заказа от юридического лица свяжитесь с нашим отделом по работе с корпоративными клиентами по телефону +7 (495) 104-99-04 или напишите на email zakaz@podsnab.ru, прикрепив реквизиты вашей организации.
Мы оперативно подготовим коммерческое предложение и выставим счет.
Возврат товара надлежащего качества возможен в течение 10 дней с момента получения, если товар не был в употреблении, сохранен товарный вид, упаковка не вскрывалась и присутствуют все сопроводительные документы.
Возврат денежных средств осуществляется в течение 10 рабочих дней после проверки товара складом.
В соответствии с законодательством возврату не подлежат подшипники надлежащего качества, если отсутствует оригинальная упаковка или имеются следы монтажа.
В случае выявления брака или гарантийного случая мы гарантируем возврат или обмен товара.
Да, гарантийный срок хранения устанавливается заводом-изготовителем и в среднем составляет 2 года при соблюдении условий хранения: сухое помещение, оригинальная упаковка и смазка.
Точный срок для конкретного типа подшипника уточняйте у наших менеджеров.
Пн–Пт: с 8:00 до 17:00 (МСК).
Сб–Вс: выходные дни.
Заказы на сайте принимаются круглосуточно. Заявки, поступившие после окончания рабочего дня, обрабатываются на следующий рабочий день.
Минимальная сумма заказа для доставки составляет 3000 рублей. Самовывоз со склада возможен на любую сумму при наличии товара.
ООО «УралТехГрупп»
ИНН: 7415093830
КПП: 772401001
ОГРН: 1167456069021
Банк: ПАО Сбербанк
Р/с: 40702810838000475273
К/с: 30101810400000000225
БИК: 044525225
У подшипника 1218K+H218 пока нет отзывов. Вы можете стать первым покупателем, поделившимся своим мнением.