Поиск подшипника
Статьи
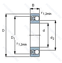
1308EM — Подшипник шариковый двухрядный самоустанавливающийся, модификация основного исполнения 1308, производство SKF.
Размер подшипника: 40x90x23 мм.
Стандартный фланцевый ( с резьбой и сквозным отверстием).
Международная стандартизации ISO
1308EM
В наличии
| Обозначение | Конструктивные изменения |
|---|---|
| 1308EKTN9/C3 | Внутренний зазор больше нормального. Коническое отверстие. конус 1/12. Литой защелкивающийся сепаратор из полиамида. армированного стекловолокном 6.6. Оптимизированная внутренняя конструкция. |
| 1308EKTN9 | Коническое отверстие. конус 1/12. Литой защелкивающийся сепаратор из полиамида. армированного стекловолокном 6.6. Оптимизированная внутренняя конструкция. |
| 1308ETN9 | Оптимизированный внутренний дизайн. Литая защелкивающаяся клетка из полиамида 6.6. армированного стекловолокном с шариковой центрировкой.. |
| 1308ETN9/C3 | Внутренний зазор больше нормального. Оптимизированный внутренний дизайн. Литая защелкивающаяся клетка из полиамида 6.6. армированного стекловолокном с шариковой центрировкой.. |
| 1308K TNG C3 | Внутренний зазор больше нормального. Коническое отверстие. конус 1/12. Прочный сепаратор из полиамида. армированного стекловолокном. |
| 1308K.J.C3 | Внутренний зазор больше нормального. Коническое отверстие. конус 1/12. Штампованный металлический фиксатор. Направляющий роликовый элемент. |
| 1308SK C3 | Внутренний зазор больше нормального. Кулачковый толкатель штифтового типа. С шестигранной головкой. |
| 1308ACC | Подшипник со стальным сепаратором. |
| 1308K C3 ACC | Внутренний зазор больше нормального. Коническое отверстие. конус 1/12. Подшипник со стальным сепаратором. |
| 1308K C3 NF | Внутренний зазор больше нормального. Коническое отверстие. конус 1/12. Полированный подшипник и детали подшипника. |
| 1308NF | Полированный подшипник и детали подшипника. |
| 1308K NF | Коническое отверстие. конус 1/12. Полированный подшипник и детали подшипника. |
| 1308E | Повышенная грузоподъемность. |
| 1308E T C3 | Внутренний зазор больше нормального. Повышенная грузоподъемность. Textile Laminated Phenolic Resin. Outer Ring Guided. The Cage Is Suitable For Long-Term Operation At Temperatures Up To 100°C. |
| 1308J | Сепаратор из стали. |
| 1308K TN C3 | Внутренний зазор больше нормального. Коническое отверстие. Конусность 1/12. сепаратор из полиамида 6.6. армированного стекловолокном. |
| 1308S | Прессованный стальной сепаратор. |
| 1308-TVH-C3 | Внутренний зазор больше нормального. Массивный сепаратор из армированного стекловолокном полиамида PA66. |
| 1308TAM | Сепаратор из ламинированной фенольной смолы, направляемый на шаровый фиксатор наружного кольца. |
| 1308E TNG | Повышенная грузоподъемность. Прочный сепаратор из полиамида. армированного стекловолокном. |
| 1308EK TNG | Коническое отверстие. конус 1/12. Оптимизированная внутренняя конструкция. Литой защелкивающийся сепаратор из полиамида. армированного стекловолокном 6.6. |
| 1308TNGP5 | Размерная и рабочая точность соответствует классу допуска ISO 5. Прочный сепаратор из полиамида. армированного стекловолокном. |
| 1308EK TNG C3 | Внутренний зазор больше нормального. Коническое отверстие. конус 1/12. Шарикоподшипник. Однорядный электродвигатель. Уровень шума. Прочный сепаратор из полиамида. армированного стекловолокном. |
| 1308-K-TVH-C3 + H308 | Внутренний зазор больше нормального. Коническое отверстие. Конусность 1/12. Твердая клетка из полиамида. |
| 1308 TN9 | Литой защелкивающийся сепаратор из полиамида. армированного стекловолокном 6.6. |
Модификации самоцентрирующегося шарикового подшипника 1308EM — это измененное основное конструктивное исполнение 1308, основные размеры (40x90x23) не отличаются.
| Обозначение | Гост | Конструктивные особенности |
|---|---|---|
| 11308TNH | ISO | Подшипник с защелкиваемым сепаратором из пластмассы. |
| 11308TNG | ISO | Прочный сепаратор из полиамида. армированного стекловолокном. |
| 11308-TVH | ISO | Формованный полиамидный сепаратор защелкивающегося типа. |
| 11308TV | ISO | Прочный сепаратор из полиамида. армированного стекловолокном. |
| 11308 | ISO | Подшипник шариковый двухрядный самоустанавливающийся. |
| 11308TN9 | ISO | Литой сепаратор из полиамида 6.6. армированного стекловолокном. Элемент качения по центру. |
| IR3064 | ISO | Подшипник шариковый двухрядный самоустанавливающийся. |
Аналог самоцентрирующегося шарикового подшипника 1308EM — это подшипник такого же размера dx40,Dx90,Bx23, типа и конструкции.
| Обозначение | Конструктивные особенности | Внутренний (d) | Наружный (D) | Ширина (B) |
|---|---|---|---|---|
| 5-36308 Е2 | Шариковый радиально-упорный однорядный подшипник. Сепаратор из пластических материалов.. | 40.00 | 90.00 | 23.00 |
| 5-36308 Е5 | Шариковый радиально-упорный однорядный подшипник. Сепаратор из текстолита.. | 40.00 | 90.00 | 23.00 |
| 5-36308 К | Шариковый радиально-упорный однорядный подшипник. «Замок» (скос) на внутреннем кольце плюс массивный сепаратор из текстолита. | 40.00 | 90.00 | 23.00 |
| 5-36308 Л | Шариковый радиально-упорный однорядный подшипник. Сепаратор из латуни.. | 40.00 | 90.00 | 23.00 |
| 5-36308 Р | Шариковый радиально-упорный однорядный подшипник. Детали из теплоустойчивой (быстрорежущие) стали.. | 40.00 | 90.00 | 23.00 |
| 5-46308 Е2 | Шариковый радиально-упорный однорядный подшипник. Сепаратор из пластических материалов.. | 40.00 | 90.00 | 23.00 |
| 5-46308 Е5 | Шариковый радиально-упорный однорядный подшипник. Сепаратор из текстолита.. | 40.00 | 90.00 | 23.00 |
| 5-46308 Л | Шариковый радиально-упорный однорядный подшипник. Сепаратор из латуни.. | 40.00 | 90.00 | 23.00 |
| 50308-А | Шариковый радиальный однорядный подшипник. Повышенная грузоподъемность. | 40.00 | 90.00 | 23.00 |
| 50308-А1 | Шариковый радиальный однорядный подшипник. Повышенная грузоподъемность. | 40.00 | 90.00 | 23.00 |
| 50308-К | Шариковый радиальный однорядный подшипник. «Замок» (скос) на внутреннем кольце плюс массивный сепаратор из текстолита. | 40.00 | 90.00 | 23.00 |
| 550308А | Шариковый радиальный однорядный подшипник. Повышенная грузоподъемность. | 40.00 | 90.00 | 23.00 |
| 6-126308 Б | Шариковый радиально-упорный однорядный подшипник. Сепаратор из безоловянистой бронзы.. | 40.00 | 90.00 | 23.00 |
| 6-126308 Б1 | Шариковый радиально-упорный однорядный подшипник. Сепаратор из безоловянистой бронзы.. | 40.00 | 90.00 | 23.00 |
| 6-176308 Е | Шариковый радиально-упорный однорядный подшипник. Сепаратор из текстолита.. | 40.00 | 90.00 | 23.00 |
Способы доставки
Отправка через ведущие транспортные и курьерские компании: ПЭК, Деловые Линии, СДЭК, Байкал-Сервис, Энергия, КИТ, ЖелДорЭкспедиция.
Самовывоз возможен напрямую со склада в Москве.
Сроки доставки
Срок зависит от региона и выбранной транспортной компании. Все заказы комплектуются и отправляются в кратчайшие сроки со склада в Москве.
Надёжность и сохранность
Вся продукция упаковывается с учётом требований транспортировки. Мы гарантируем, что подшипники и комплектующие прибудут к заказчику в полной сохранности.
Доставка в страны ЕАЭС
Мы работаем с проверенными логистическими партнёрами, что позволяет оперативно доставлять заказы в Беларусь, Казахстан, Армению и другие страны ЕАЭС.
Варианты оплаты:
Минимальная сумма заказа и скидки:
Документы и гарантии:
Да, конечно! Наши технические специалисты готовы помочь вам с подбором точного аналога или замены подшипника. Просто позвоните нам по телефону +7 (495) 104-99-04 или напишите на почту zakaz@podsnab.ru.
Для оперативной консультации подготовьте, пожалуйста, имеющиеся данные: маркировку, размеры, тип оборудования или артикул старого подшипника.
Да, конечно! Мы высоко ценим долгосрочное сотрудничество и доверие клиентов по всей России. Для постоянных клиентов действует персональная система скидок.
Условия формируются индивидуально и зависят от:
Чтобы узнать свои условия и получить максимально выгодное предложение, свяжитесь с персональным менеджером или напишите нам на почту zakaz@podsnab.ru.
Вы можете оформить заказ несколькими способами:
Для оформления заказа от юридического лица свяжитесь с нашим отделом по работе с корпоративными клиентами по телефону +7 (495) 104-99-04 или напишите на email zakaz@podsnab.ru, прикрепив реквизиты вашей организации.
Мы оперативно подготовим коммерческое предложение и выставим счет.
Возврат товара надлежащего качества возможен в течение 10 дней с момента получения, если товар не был в употреблении, сохранен товарный вид, упаковка не вскрывалась и присутствуют все сопроводительные документы.
Возврат денежных средств осуществляется в течение 10 рабочих дней после проверки товара складом.
В соответствии с законодательством возврату не подлежат подшипники надлежащего качества, если отсутствует оригинальная упаковка или имеются следы монтажа.
В случае выявления брака или гарантийного случая мы гарантируем возврат или обмен товара.
Да, гарантийный срок хранения устанавливается заводом-изготовителем и в среднем составляет 2 года при соблюдении условий хранения: сухое помещение, оригинальная упаковка и смазка.
Точный срок для конкретного типа подшипника уточняйте у наших менеджеров.
Пн–Пт: с 8:00 до 17:00 (МСК).
Сб–Вс: выходные дни.
Заказы на сайте принимаются круглосуточно. Заявки, поступившие после окончания рабочего дня, обрабатываются на следующий рабочий день.
Минимальная сумма заказа для доставки составляет 3000 рублей. Самовывоз со склада возможен на любую сумму при наличии товара.
ООО «УралТехГрупп»
ИНН: 7415093830
КПП: 772401001
ОГРН: 1167456069021
Банк: ПАО Сбербанк
Р/с: 40702810838000475273
К/с: 30101810400000000225
БИК: 044525225
У подшипника 1308EM пока нет отзывов. Вы можете стать первым покупателем, поделившимся своим мнением.