Поиск подшипника
Статьи
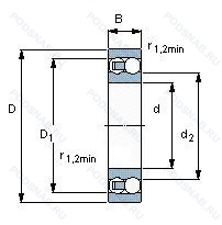
2203 2RS TNG — Подшипник шариковый двухрядный самоустанавливающийся, модификация основного исполнения 2203, производство NSK.
Размер подшипника: 17x40x16 мм.
Seal at each side of the bearing, клетка из армированного стекловолокном полиамида 66.
Аналоги: 2203E-2RS1TN9 SKF,2203 2RS TV NKE,2203.2RS.TV NKE.
Международная стандартизации ISO
22032RSTNG
В наличии
| Обозначение | Конструктивные изменения |
|---|---|
| 2203J C3 | Внутренний зазор больше нормального. Сепаратор из стали. |
| 2203/C4 | Внутренний зазор подшипника больше. чем C3. |
| 2203E-2RS1/TN9 | Литой защелкивающийся сепаратор из полиамида. армированного стекловолокном 6.6. Оптимизированная внутренняя конструкция. Усиленные листовой сталью контактные уплотнения из акрилонитрил-бутадиенового каучука (NBR) с обеих сторон подшипника. |
| 2203ETN9 | Оптимизированный внутренний дизайн. Литая защелкивающаяся клетка из полиамида 6.6. армированного стекловолокном с шариковой центрировкой.. |
| 2203E TNG C3 | Внутренний зазор больше нормального. Шарикоподшипник. Однорядный электродвигатель. Уровень шума. Прочный сепаратор из полиамида. армированного стекловолокном. |
| 2203EE G15 | Литой сепаратор из полиамида 6.6. армированного стекловолокном. Элемент качения по центру. Резиновые уплотнения с каждой стороны подшипника. |
| 2203-2RSTNGC3/YRLN | Внутренний зазор больше нормального. Seal At Each Side Of The Bearing. Клетка из армированного стекловолокном полиамида 66. |
| 2203 2RSX | Манжетное уплотнение с двух сторон. Размеры границ изменены в соответствии со стандартами ISO. |
| 2203ETN9/W64F | Solid Oil Filling And F (Food Compatible Grease. 62 cSt at 40°C 10.1 cSt at 100°C). Оптимизированный внутренний дизайн. Литая защелкивающаяся клетка из полиамида 6.6. армированного стекловолокном с шариковой центрировкой.. |
| 2203-2RS-TV-C3 | Внутренний зазор больше нормального. Резиновые уплотнения с каждой стороны подшипника. Прочный сепаратор из полиамида. армированного стекловолокном. |
| 2203S/LP03 | Прессованный стальной сепаратор. General-Purpose Solid Grease. -20°C +80°C. |
| 2203E G15 | Резиновое уплотнение на одной стороне подшипника. Литой сепаратор из полиамида 6.6. армированного стекловолокном. Элемент качения по центру. |
| 2203TNH C3 | Внутренний зазор больше нормального. Формованный полиамидный защелкивающийся сепаратор. |
| 2203 2RS TN C3 | Внутренний зазор больше нормального. Резиновые уплотнения с каждой стороны подшипника. сепаратор из полиамида 6.6. армированного стекловолокном. |
| 2203J | Сепаратор из стали. |
| 2203TNG C3 | Внутренний зазор больше нормального. Прочный сепаратор из полиамида. армированного стекловолокном. |
| 2203-2RS1 | Усиленные листовой сталью контактные уплотнения из акрилонитрил-бутадиенового каучука (NBR) с обеих сторон подшипника. |
| 2203G15 J30 | Внутренний зазор больше нормального. Литой сепаратор из полиамида 6.6. армированного стекловолокном. Элемент качения по центру. |
| 2203-TVH-C3 | Внутренний зазор больше нормального. Массивный сепаратор из армированного стекловолокном полиамида PA66. |
| 2203EE | Резиновые уплотнения с каждой стороны подшипника. |
| 2203 2RS C3 | Внутренний зазор больше нормального. Резиновые уплотнения с каждой стороны подшипника. |
| 2203TN | сепаратор из полиамида 6.6. армированного стекловолокном. |
| 2203EEG14 | Резиновые уплотнения с каждой стороны подшипника. Литой сепаратор из полиамида 6.6. армированного стекловолокном. Элемент качения по центру. |
| 2203-LP03 | General-Purpose Solid Grease. -20°C +80°C. |
| 2203 TN9 | Литой защелкивающийся сепаратор из полиамида. армированного стекловолокном 6.6. |
Модификации самоцентрирующегося шарикового подшипника 2203 2RS TNG — это измененное основное конструктивное исполнение 2203, основные размеры (17x40x16) не отличаются.
| Обозначение | Гост | Конструктивные особенности |
|---|---|---|
| 01AAJ | ISO | ETN9 (SKF). |
| AJL17 | ISO | Подшипник шариковый двухрядный самоустанавливающийся. |
| N2203-2RS1 | ISO | Резиновые уплотнения с каждой стороны подшипника. |
Аналог самоцентрирующегося шарикового подшипника 2203 2RS TNG — это подшипник такого же размера dx17,Dx40,Bx16, типа и конструкции.
| Обозначение | Конструктивные особенности | Внутренний (d) | Наружный (D) | Ширина (B) |
|---|---|---|---|---|
| 6-180503 АК4С9И | Шариковый радиальный однорядный подшипник. Повышенная грузоподъемность. Изменение ТУ на поставку комплектующих деталей или исходных материалов. Смазка ЛЗ-31. | 17.00 | 40.00 | 16.00 |
| 6-180503 АК4С9Ш1 | Шариковый радиальный однорядный подшипник. Нормы шумности. Повышенная грузоподъемность. Смазка ЛЗ-31. | 17.00 | 40.00 | 16.00 |
| 6-180503 АК4С9Ш1И | Шариковый радиальный однорядный подшипник. Нормы шумности. Повышенная грузоподъемность. Изменение ТУ на поставку комплектующих деталей или исходных материалов. Смазка ЛЗ-31. | 17.00 | 40.00 | 16.00 |
| 6-180503 АК4С9ШИ | Шариковый радиальный однорядный подшипник. Повышенная грузоподъемность. Изменение ТУ на поставку комплектующих деталей или исходных материалов. Нормы шумности. Смазка ЛЗ-31. | 17.00 | 40.00 | 16.00 |
| 6-180503 АС9 | Шариковый радиальный однорядный подшипник. Повышенная грузоподъемность. Смазка ЛЗ-31. | 17.00 | 40.00 | 16.00 |
| 6-180503 АС9Ш1 | Шариковый радиальный однорядный подшипник. Повышенная грузоподъемность. Нормы шумности. Смазка ЛЗ-31. | 17.00 | 40.00 | 16.00 |
| 6-180503 АС9Ш1К4 | Шариковый радиальный однорядный подшипник. Повышенная грузоподъемность. Нормы шумности. Смазка ЛЗ-31. | 17.00 | 40.00 | 16.00 |
| 6-180503 К1С9 | Шариковый радиальный однорядный подшипник. Смазка ЛЗ-31. | 17.00 | 40.00 | 16.00 |
| 6-180503 К2С9Ш1 | Шариковый радиальный однорядный подшипник. Нормы шумности. Смазка ЛЗ-31. | 17.00 | 40.00 | 16.00 |
| 6-180503 К3С9 | Шариковый радиальный однорядный подшипник. «Замок» (скос) на внутреннем кольце плюс массивный сепаратор из текстолита. Смазка ЛЗ-31. | 17.00 | 40.00 | 16.00 |
| 6-180503 К4С9 | Шариковый радиальный однорядный подшипник. «Замок» (скос) на внутреннем кольце плюс массивный сепаратор из текстолита. Смазка ЛЗ-31. | 17.00 | 40.00 | 16.00 |
| 6-180503 К4С9И | Шариковый радиальный однорядный подшипник. «Замок» (скос) на внутреннем кольце плюс массивный сепаратор из текстолита. Изменение ТУ на поставку комплектующих деталей или исходных материалов. Смазка ЛЗ-31. | 17.00 | 40.00 | 16.00 |
| 6-180503 К4С9Ш1 | Шариковый радиальный однорядный подшипник. Нормы шумности. Смазка ЛЗ-31. | 17.00 | 40.00 | 16.00 |
| 6-180503 С17 | Шариковый радиальный однорядный подшипник. Смазка Литол-24. | 17.00 | 40.00 | 16.00 |
| 6-180503 С9 | Шариковый радиальный однорядный подшипник. Смазка ЛЗ-31. | 17.00 | 40.00 | 16.00 |
Способы доставки
Отправка через ведущие транспортные и курьерские компании: ПЭК, Деловые Линии, СДЭК, Байкал-Сервис, Энергия, КИТ, ЖелДорЭкспедиция.
Самовывоз возможен напрямую со склада в Москве.
Сроки доставки
Срок зависит от региона и выбранной транспортной компании. Все заказы комплектуются и отправляются в кратчайшие сроки со склада в Москве.
Надёжность и сохранность
Вся продукция упаковывается с учётом требований транспортировки. Мы гарантируем, что подшипники и комплектующие прибудут к заказчику в полной сохранности.
Доставка в страны ЕАЭС
Мы работаем с проверенными логистическими партнёрами, что позволяет оперативно доставлять заказы в Беларусь, Казахстан, Армению и другие страны ЕАЭС.
Варианты оплаты:
Минимальная сумма заказа и скидки:
Документы и гарантии:
Да, конечно! Наши технические специалисты готовы помочь вам с подбором точного аналога или замены подшипника. Просто позвоните нам по телефону +7 (495) 104-99-04 или напишите на почту zakaz@podsnab.ru.
Для оперативной консультации подготовьте, пожалуйста, имеющиеся данные: маркировку, размеры, тип оборудования или артикул старого подшипника.
Да, конечно! Мы высоко ценим долгосрочное сотрудничество и доверие клиентов по всей России. Для постоянных клиентов действует персональная система скидок.
Условия формируются индивидуально и зависят от:
Чтобы узнать свои условия и получить максимально выгодное предложение, свяжитесь с персональным менеджером или напишите нам на почту zakaz@podsnab.ru.
Вы можете оформить заказ несколькими способами:
Для оформления заказа от юридического лица свяжитесь с нашим отделом по работе с корпоративными клиентами по телефону +7 (495) 104-99-04 или напишите на email zakaz@podsnab.ru, прикрепив реквизиты вашей организации.
Мы оперативно подготовим коммерческое предложение и выставим счет.
Возврат товара надлежащего качества возможен в течение 10 дней с момента получения, если товар не был в употреблении, сохранен товарный вид, упаковка не вскрывалась и присутствуют все сопроводительные документы.
Возврат денежных средств осуществляется в течение 10 рабочих дней после проверки товара складом.
В соответствии с законодательством возврату не подлежат подшипники надлежащего качества, если отсутствует оригинальная упаковка или имеются следы монтажа.
В случае выявления брака или гарантийного случая мы гарантируем возврат или обмен товара.
Да, гарантийный срок хранения устанавливается заводом-изготовителем и в среднем составляет 2 года при соблюдении условий хранения: сухое помещение, оригинальная упаковка и смазка.
Точный срок для конкретного типа подшипника уточняйте у наших менеджеров.
Пн–Пт: с 8:00 до 17:00 (МСК).
Сб–Вс: выходные дни.
Заказы на сайте принимаются круглосуточно. Заявки, поступившие после окончания рабочего дня, обрабатываются на следующий рабочий день.
Минимальная сумма заказа для доставки составляет 3000 рублей. Самовывоз со склада возможен на любую сумму при наличии товара.
ООО «УралТехГрупп»
ИНН: 7415093830
КПП: 772401001
ОГРН: 1167456069021
Банк: ПАО Сбербанк
Р/с: 40702810838000475273
К/с: 30101810400000000225
БИК: 044525225
У подшипника 2203 2RS TNG пока нет отзывов. Вы можете стать первым покупателем, поделившимся своим мнением.