Поиск подшипника
Статьи
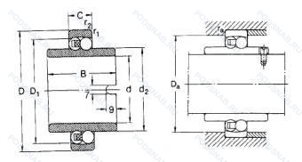
11208E — Подшипник шариковый двухрядный самоустанавливающийся, модификация основного исполнения 11208, производство NEUTRAL.
Размер подшипника: 40x80x56 мм.
Повышенная грузоподъемность.
Аналоги: 11208 FAG,11208 SKF.
Международная стандартизации ISO
11208E
В наличии
| Обозначение | Конструктивные изменения |
|---|---|
| 11208-TV | Прочный сепаратор из полиамида. армированного стекловолокном. |
| 11208G15 | Литой сепаратор из полиамида 6.6. армированного стекловолокном. Элемент качения по центру. |
| 11208TNG | Прочный сепаратор из полиамида. армированного стекловолокном. |
| 11208ETG | Повышенная грузоподъемность. Прочный сепаратор из полиамида. армированного стекловолокном. |
| 11208 | Подшипник шариковый двухрядный самоустанавливающийся. Основное конструктивное исполнение. |
| 11208-TVH | Массивный сепаратор из армированного стекловолокном полиамида PA66. |
| 11208ETN9 | Оптимизированный внутренний дизайн. Литая защелкивающаяся клетка из полиамида 6.6. армированного стекловолокном с шариковой центрировкой.. |
| 11208TN9 | Литой сепаратор из полиамида 6.6. армированного стекловолокном. Элемент качения по центру. |
| 11208 TG | сепаратор из полиамида 6.6. армированного стекловолокном. |
Модификации самоцентрирующегося шарикового подшипника 11208E — это измененное основное конструктивное исполнение 11208, основные размеры (40x80x56) не отличаются.
| Обозначение | Конструктивные особенности | Внутренний (d) | Наружный (D) | Ширина (B) |
|---|---|---|---|---|
| E40-KLL | Подшипник для корпуса. BALL BEARING. CONRAD TYPE. INDUSTRIAL POWER TRANSMISSION. DOUBLE MECHANI-SEAL. | 40.00 | 80.00 | 56.50 |
| E40-KRR-B | Подшипник для корпуса. Подшипник со сферическим наружным кольцом. Манжетные уплотнения с обеих сторон (уплотнение типа R - имеет оцинкованные внутреннюю и внешнюю крышки. Между крышками имеется уплотнительная кромка NBR. идущая по шлифованному буртику). | 40.00 | 80.00 | 56.50 |
| GE40KRRBCC | Подшипник для корпуса. Подшипник со сферическим наружным кольцом. Два стальных сепаратора оконного типа. Бесфланцевое внутреннее кольцо и направляющее кольцо центрировано на внутреннем кольце. Манжетные уплотнения с обеих сторон (уплотнение типа R - имеет оцинкованные внутреннюю и внешнюю крышки. Между крышками имеется уплотнительная кромка NBR. идущая по шлифованному буртику). | 40.00 | 80.00 | 56.30 |
| M-UELF208D1 | Корпус подшипника. Канавка и смазочные отверстия на наружном кольце. | 40.00 | 80.00 | 56.30 |
| YEL208-2DW/AG | Подшипник для корпуса. Bearing For Agricultural Applications. Insert Bearing With Set Screws. YAR 2-2DW/AG series. | 40.00 | 80.00 | 56.30 |
| LY208.2F.H | Подшипник для корпуса. Двойное уплотнение. Защитная крышка, размещенная на внутреннем кольце. Используется с подшипниками типа Y. Pressed Snap-Type Steel Cage. Hardened. | 40.00 | 80.00 | 56.30 |
| GE40-XL-KRR-B-FA164 | Подшипник для корпуса. Подшипник со сферическим наружным кольцом. Серия X-Life премиум-класс. увеличиный срок службы. Манжетные уплотнения с обеих сторон (уплотнение типа R - имеет оцинкованные внутреннюю и внешнюю крышки. Между крышками имеется уплотнительная кромка NBR. идущая по шлифованному буртику). Высокотемпературная конструкция до +250°C. | 40.00 | 80.00 | 56.50 |
| 432208XU | Роликовый радиальный-упорный двухрядный подшипник. Spherical Seat Ring Type. | 40.00 | 80.00 | 55.00 |
| 4T-432208X | Роликовый радиальный-упорный конический двухрядный подшипник. Измененные размеры границ. введенные пересмотренными стандартами ISO. Цементованная сталь. | 40.00 | 80.00 | 55.00 |
| GE40-KRR-B-2C | Шариковый радиальный подшипник. Конический роликовый подшипник. Угол контакта 20 градусов. Манжетные уплотнения с обеих сторон (уплотнение типа R - имеет оцинкованные внутреннюю и внешнюю крышки. Между крышками имеется уплотнительная кромка NBR. идущая по шлифованному буртику). Защитные щиты с обеих сторон. | 40.00 | 80.00 | 56.50 |
| 101040/101080H | Роликовый радиальный-упорный двухрядный подшипник. Pressed Snap-Type Steel Cage. Hardened. | 40.00 | 80.00 | 57.00 |
| 101040/101080G | Роликовый радиальный-упорный двухрядный подшипник. Устройство повторного смазывания со смазочной канавкой и отверстием на внешнем кольце. | 40.00 | 80.00 | 57.00 |
| UEL208D1 | Шариковый радиальный однорядный подшипник. Не требующий обслуживания тип. | 40.00 | 80.00 | 56.30 |
| CEX208 | Шариковый радиальный однорядный подшипник. Контактное уплотнение с одной стороны. | 40.00 | 80.00 | 56.30 |
| EX208 | Шариковый радиальный однорядный подшипник. Контактное уплотнение с одной стороны. | 40.00 | 80.00 | 56.30 |
Способы доставки
Отправка через ведущие транспортные и курьерские компании: ПЭК, Деловые Линии, СДЭК, Байкал-Сервис, Энергия, КИТ, ЖелДорЭкспедиция.
Самовывоз возможен напрямую со склада в Москве.
Сроки доставки
Срок зависит от региона и выбранной транспортной компании. Все заказы комплектуются и отправляются в кратчайшие сроки со склада в Москве.
Надёжность и сохранность
Вся продукция упаковывается с учётом требований транспортировки. Мы гарантируем, что подшипники и комплектующие прибудут к заказчику в полной сохранности.
Доставка в страны ЕАЭС
Мы работаем с проверенными логистическими партнёрами, что позволяет оперативно доставлять заказы в Беларусь, Казахстан, Армению и другие страны ЕАЭС.
Варианты оплаты:
Минимальная сумма заказа и скидки:
Документы и гарантии:
Да, конечно! Наши технические специалисты готовы помочь вам с подбором точного аналога или замены подшипника. Просто позвоните нам по телефону +7 (495) 104-99-04 или напишите на почту zakaz@podsnab.ru.
Для оперативной консультации подготовьте, пожалуйста, имеющиеся данные: маркировку, размеры, тип оборудования или артикул старого подшипника.
Да, конечно! Мы высоко ценим долгосрочное сотрудничество и доверие клиентов по всей России. Для постоянных клиентов действует персональная система скидок.
Условия формируются индивидуально и зависят от:
Чтобы узнать свои условия и получить максимально выгодное предложение, свяжитесь с персональным менеджером или напишите нам на почту zakaz@podsnab.ru.
Вы можете оформить заказ несколькими способами:
Для оформления заказа от юридического лица свяжитесь с нашим отделом по работе с корпоративными клиентами по телефону +7 (495) 104-99-04 или напишите на email zakaz@podsnab.ru, прикрепив реквизиты вашей организации.
Мы оперативно подготовим коммерческое предложение и выставим счет.
Возврат товара надлежащего качества возможен в течение 10 дней с момента получения, если товар не был в употреблении, сохранен товарный вид, упаковка не вскрывалась и присутствуют все сопроводительные документы.
Возврат денежных средств осуществляется в течение 10 рабочих дней после проверки товара складом.
В соответствии с законодательством возврату не подлежат подшипники надлежащего качества, если отсутствует оригинальная упаковка или имеются следы монтажа.
В случае выявления брака или гарантийного случая мы гарантируем возврат или обмен товара.
Да, гарантийный срок хранения устанавливается заводом-изготовителем и в среднем составляет 2 года при соблюдении условий хранения: сухое помещение, оригинальная упаковка и смазка.
Точный срок для конкретного типа подшипника уточняйте у наших менеджеров.
Пн–Пт: с 8:00 до 17:00 (МСК).
Сб–Вс: выходные дни.
Заказы на сайте принимаются круглосуточно. Заявки, поступившие после окончания рабочего дня, обрабатываются на следующий рабочий день.
Минимальная сумма заказа для доставки составляет 3000 рублей. Самовывоз со склада возможен на любую сумму при наличии товара.
ООО «УралТехГрупп»
ИНН: 7415093830
КПП: 772401001
ОГРН: 1167456069021
Банк: ПАО Сбербанк
Р/с: 40702810838000475273
К/с: 30101810400000000225
БИК: 044525225
У подшипника 11208E пока нет отзывов. Вы можете стать первым покупателем, поделившимся своим мнением.