Поиск подшипника
Статьи
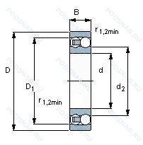
1309K C3 ACC — Подшипник шариковый двухрядный самоустанавливающийся, модификация основного исполнения 1309, производство ISB.
Размер подшипника: 45x100x25 мм.
Подшипник со стальным сепаратором, внутренний зазор больше нормального, коническое отверстие. конус 1/12.
Аналоги: 1309K C3 Koyo,1309K J30 SNR,1309K C3 NSK,1309SK C3 NTN,1309KC3 SNR,1309K C3 Nachi,1309K C3 ISB,1309K C3 Rollway,1309K C3 Trans Link.
Международная стандартизации ISO
1309KC3ACC
В наличии
| Обозначение | Конструктивные изменения |
|---|---|
| 1309-K-TVH | Коническое отверстие. конус 1/12. Массивный сепаратор из армированного стекловолокном полиамида PA66. |
| 1309KH | Коническое отверстие. конус 1/12. Закрепительная втулка. |
| 1309EKTN9/C3 | Внутренний зазор больше нормального. Коническое отверстие. конус 1/12. Литой защелкивающийся сепаратор из полиамида. армированного стекловолокном 6.6. Оптимизированная внутренняя конструкция. |
| 1309ETN9 | Оптимизированный внутренний дизайн. Литая защелкивающаяся клетка из полиамида 6.6. армированного стекловолокном с шариковой центрировкой.. |
| 1309K J30 | Коническое отверстие. конус 1/12. Внутренний зазор больше нормального. |
| 1309ACC | Подшипник со стальным сепаратором. |
| 1309TG/C3 | Внутренний зазор больше нормального. сепаратор из полиамида 6.6. армированного стекловолокном. |
| 1309K NF | Коническое отверстие. конус 1/12. Полированный подшипник и детали подшипника. |
| 1309KP C3 | Внутренний зазор больше нормального. Non Removable Rubber Seal And Shield (Obsolete). |
| 1309KTNC3 | Внутренний зазор больше нормального. Коническое отверстие. конус 1/12. MOLDED POLYAMIDE CAGE. |
| 1309TNC3 | Внутренний зазор больше нормального. сепаратор из полиамида 6.6. армированного стекловолокном. |
| 1309K TG C3 | Внутренний зазор больше нормального. Коническое отверстие. конус 1/12. Пластиковый сепаратор с фиксатором. |
| 1309K TNG | Коническое отверстие. конус 1/12. Прочный сепаратор из полиамида. армированного стекловолокном. |
| 1309-TVH-C3 | Внутренний зазор больше нормального. Массивный сепаратор из армированного стекловолокном полиамида PA66. |
| 1309TAM | Сепаратор из ламинированной фенольной смолы, направляемый на шаровый фиксатор наружного кольца. |
| 1309G15 | Литой сепаратор из полиамида 6.6. армированного стекловолокном. Центрированный элемент качения.. |
| 1309E TNG | Повышенная грузоподъемность. Прочный сепаратор из полиамида. армированного стекловолокном. |
| 1309EK TNG | Коническое отверстие. конус 1/12. Оптимизированная внутренняя конструкция. Литой защелкивающийся сепаратор из полиамида. армированного стекловолокном 6.6. |
| 1309J | Сепаратор из стали. |
| 1309J.C4 | Внутренний зазор подшипника больше. чем C3. Сепаратор из стали. |
| 1309-K+H309 | Коническое внутреннее отверстие. |
| 1309-K-TVH-C3 + H309 | Внутренний зазор больше нормального. Коническое отверстие. Конусность 1/12. Твердая клетка из полиамида. |
| 1309 TN9 | Литой защелкивающийся сепаратор из полиамида. армированного стекловолокном 6.6. |
| 1309SK | Кулачковый толкатель штифтового типа. С шестигранной головкой. |
| 1309S | Запечатанная версия кулачкового ролика. |
Модификации самоцентрирующегося шарикового подшипника 1309K C3 ACC — это измененное основное конструктивное исполнение 1309, основные размеры (45x100x25) не отличаются.
| Обозначение | Гост | Конструктивные особенности |
|---|---|---|
| 11309 | ISO | Подшипник шариковый двухрядный самоустанавливающийся. |
Аналог самоцентрирующегося шарикового подшипника 1309K C3 ACC — это подшипник такого же размера dx45,Dx100,Bx25, типа и конструкции.
| Обозначение | Конструктивные особенности | Внутренний (d) | Наружный (D) | Ширина (B) |
|---|---|---|---|---|
| 46309-Л | Шариковый радиально-упорный однорядный подшипник. Сепаратор из латуни.. | 45.00 | 100.00 | 25.00 |
| 46309К | Шариковый радиально-упорный однорядный подшипник. «Замок» (скос) на внутреннем кольце плюс массивный сепаратор из текстолита. | 45.00 | 100.00 | 25.00 |
| 5-180309Ш | Шариковый радиальный однорядный подшипник. Нормы шумности. | 45.00 | 100.00 | 25.00 |
| 5-309 АК | Шариковый радиальный однорядный подшипник. Повышенная грузоподъемность. | 45.00 | 100.00 | 25.00 |
| 5-309 Е | Шариковый радиальный однорядный подшипник. Сепаратор из текстолита.. | 45.00 | 100.00 | 25.00 |
| 5-309 Р3 | Шариковый радиальный однорядный подшипник. Детали из теплоустойчивой (быстрорежущие) стали.. | 45.00 | 100.00 | 25.00 |
| 5-46309 Е | Шариковый радиально-упорный однорядный подшипник. Сепаратор из текстолита.. | 45.00 | 100.00 | 25.00 |
| 5-66309 К | Шариковый радиально-упорный однорядный подшипник. «Замок» (скос) на внутреннем кольце плюс массивный сепаратор из текстолита. | 45.00 | 100.00 | 25.00 |
| 50309-А | Шариковый радиальный однорядный подшипник. Повышенная грузоподъемность. | 45.00 | 100.00 | 25.00 |
| 56-2309 Б1Т2 | Роликовый радиальный однорядный подшипник. 200°. Температура отпуска. Сепаратор из безоловянистой бронзы.. | 45.00 | 100.00 | 25.00 |
| 56-2309 БТ | Роликовый радиальный однорядный подшипник. Температура отпуска. 160°. Сепаратор из безоловянистой бронзы.. | 45.00 | 100.00 | 25.00 |
| 6-102309 М | Роликовый радиальный однорядный подшипник. Модифицированный контакт.. | 45.00 | 100.00 | 25.00 |
| 6-12309 Д | Роликовый радиальный однорядный подшипник. Сепаратор из алюминиевого сплава.. | 45.00 | 100.00 | 25.00 |
| 6-12309 Д1 | Роликовый радиальный однорядный подшипник. Сепаратор из алюминиевого сплава.. | 45.00 | 100.00 | 25.00 |
| 6-12309 ЛМ | Роликовый радиальный однорядный подшипник. Сепаратор из латуни.. Модифицированный контакт.. | 45.00 | 100.00 | 25.00 |
Способы доставки
Отправка через ведущие транспортные и курьерские компании: ПЭК, Деловые Линии, СДЭК, Байкал-Сервис, Энергия, КИТ, ЖелДорЭкспедиция.
Самовывоз возможен напрямую со склада в Москве.
Сроки доставки
Срок зависит от региона и выбранной транспортной компании. Все заказы комплектуются и отправляются в кратчайшие сроки со склада в Москве.
Надёжность и сохранность
Вся продукция упаковывается с учётом требований транспортировки. Мы гарантируем, что подшипники и комплектующие прибудут к заказчику в полной сохранности.
Доставка в страны ЕАЭС
Мы работаем с проверенными логистическими партнёрами, что позволяет оперативно доставлять заказы в Беларусь, Казахстан, Армению и другие страны ЕАЭС.
Варианты оплаты:
Минимальная сумма заказа и скидки:
Документы и гарантии:
Да, конечно! Наши технические специалисты готовы помочь вам с подбором точного аналога или замены подшипника. Просто позвоните нам по телефону +7 (495) 104-99-04 или напишите на почту zakaz@podsnab.ru.
Для оперативной консультации подготовьте, пожалуйста, имеющиеся данные: маркировку, размеры, тип оборудования или артикул старого подшипника.
Да, конечно! Мы высоко ценим долгосрочное сотрудничество и доверие клиентов по всей России. Для постоянных клиентов действует персональная система скидок.
Условия формируются индивидуально и зависят от:
Чтобы узнать свои условия и получить максимально выгодное предложение, свяжитесь с персональным менеджером или напишите нам на почту zakaz@podsnab.ru.
Вы можете оформить заказ несколькими способами:
Для оформления заказа от юридического лица свяжитесь с нашим отделом по работе с корпоративными клиентами по телефону +7 (495) 104-99-04 или напишите на email zakaz@podsnab.ru, прикрепив реквизиты вашей организации.
Мы оперативно подготовим коммерческое предложение и выставим счет.
Возврат товара надлежащего качества возможен в течение 10 дней с момента получения, если товар не был в употреблении, сохранен товарный вид, упаковка не вскрывалась и присутствуют все сопроводительные документы.
Возврат денежных средств осуществляется в течение 10 рабочих дней после проверки товара складом.
В соответствии с законодательством возврату не подлежат подшипники надлежащего качества, если отсутствует оригинальная упаковка или имеются следы монтажа.
В случае выявления брака или гарантийного случая мы гарантируем возврат или обмен товара.
Да, гарантийный срок хранения устанавливается заводом-изготовителем и в среднем составляет 2 года при соблюдении условий хранения: сухое помещение, оригинальная упаковка и смазка.
Точный срок для конкретного типа подшипника уточняйте у наших менеджеров.
Пн–Пт: с 8:00 до 17:00 (МСК).
Сб–Вс: выходные дни.
Заказы на сайте принимаются круглосуточно. Заявки, поступившие после окончания рабочего дня, обрабатываются на следующий рабочий день.
Минимальная сумма заказа для доставки составляет 3000 рублей. Самовывоз со склада возможен на любую сумму при наличии товара.
ООО «УралТехГрупп»
ИНН: 7415093830
КПП: 772401001
ОГРН: 1167456069021
Банк: ПАО Сбербанк
Р/с: 40702810838000475273
К/с: 30101810400000000225
БИК: 044525225
У подшипника 1309K C3 ACC пока нет отзывов. Вы можете стать первым покупателем, поделившимся своим мнением.