Поиск подшипника
Статьи
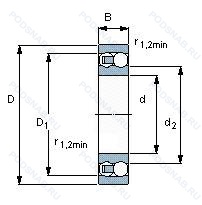
1213-TV-C3 — Подшипник шариковый двухрядный самоустанавливающийся, модификация основного исполнения 1213, производство NKE.
Размер подшипника: 65x120x23 мм.
Внутренний зазор больше нормального, прочный сепаратор из полиамида. армированного стекловолокном.
Аналоги: 1213TV.C3 FAG,1213-TVH-C3 FAG,1213ETN9/C3 SKF,1213TN9/C3 SKF.
Международная стандартизации ISO
1213TVC3
В наличии
Шариковый подшипник 1213-TV-C3 производства SKF относится к двухрядным самоустанавливающимся шариковым подшипникам, предназначенным для работы при радиальных нагрузках и возможных перекосах вала. Конструкция широко применяется в промышленном оборудовании с динамическими режимами эксплуатации.
Индекс TV указывает на наличие полимерного сепаратора, а обозначение C3 — на увеличенный внутренний радиальный зазор, компенсирующий тепловые расширения при работе под нагрузкой. Такое сочетание обеспечивает стабильные рабочие параметры и снижает риск перегрева.
При установке подшипника SKF 1213-TV-C3 необходимо учитывать особенности увеличенного зазора и соблюдать требования к посадкам. Корректный монтаж позволяет реализовать расчётный ресурс узла.
| Обозначение | Конструктивные изменения |
|---|---|
| 1213EK TG C3 | Внутренний зазор больше нормального. Коническое отверстие. конус 1/12. Повышенная грузоподъемность. сепаратор из полиамида 6.6. армированного стекловолокном. |
| 1213A12 | Осевой люфт в микронах. |
| 1213K TNG | Коническое отверстие. конус 1/12. Прочный сепаратор из полиамида. армированного стекловолокном. |
| 1213-K-TVH | Коническое отверстие. конус 1/12. Массивный сепаратор из армированного стекловолокном полиамида PA66. |
| 1213S C3 | Прессованный стальной сепаратор. Внутренний зазор больше нормального. |
| 1213S | Прессованный стальной сепаратор. |
| 1213TN9/C3 | Внутренний зазор больше нормального. Литой защелкивающийся сепаратор из полиамида. армированного стекловолокном 6.6. |
| 1213TS | Лабиринтные уплотнения. |
| 1213ACC | Подшипник со стальным сепаратором. |
| 1213-TV | Прочный сепаратор из полиамида. армированного стекловолокном. |
| 1213KTN | Коническое отверстие. конус 1/12. сепаратор из полиамида 6.6. армированного стекловолокном. |
| 1213SK C3 | Внутренний зазор больше нормального. Кулачковый толкатель штифтового типа. С шестигранной головкой. |
| 1213KTN9/C3 | Внутренний зазор больше нормального. Коническое отверстие. конус 1/12. Литой защелкивающийся сепаратор из полиамида. армированного стекловолокном 6.6. |
| 1213-TVH-C3 | Внутренний зазор больше нормального. Массивный сепаратор из армированного стекловолокном полиамида PA66. |
| 1213E | Повышенная грузоподъемность. |
| 1213K TNG C3 | Внутренний зазор больше нормального. Коническое отверстие. конус 1/12. Обработанный сепаратор изготовлен из полиамида или аналогичного пластика со стекловолокном. Роликовые элементы центрированы. |
| 1213J30 | Внутренний зазор больше нормального. |
| 1213K J30 | Коническое отверстие. конус 1/12. Внутренний зазор больше нормального. |
| 1213E TNG | Повышенная грузоподъемность. Прочный сепаратор из полиамида. армированного стекловолокном. |
| 1213TN9 | Литой сепаратор из полиамида 6.6. армированного стекловолокном. Элемент качения по центру. |
| 1213EKTN9 | Коническое отверстие. конус 1/12. Литой защелкивающийся сепаратор из полиамида. армированного стекловолокном 6.6. Оптимизированная внутренняя конструкция. |
| 1213-K-TVH-C3 + H213 | Внутренний зазор больше нормального. Коническое отверстие. Конусность 1/12. Твердая клетка из полиамида. |
| 1213SK | Кулачковый толкатель штифтового типа. С шестигранной головкой. |
| 1213 EKTN9 + H 213 | Pressed Snap-Type Steel Cage. Hardened. |
| 1213 ETN9 | Оптимизированный внутренний дизайн. Литая защелкивающаяся клетка из полиамида 6.6. армированного стекловолокном с шариковой центрировкой.. |
Модификации самоцентрирующегося шарикового подшипника 1213-TV-C3 — это измененное основное конструктивное исполнение 1213, основные размеры (65x120x23) не отличаются.
| Обозначение | Гост | Конструктивные особенности |
|---|---|---|
| 10AJ | ISO | Без суффикса. но с обозначением типа. |
| 10LJ | ISO | Подшипник шариковый двухрядный самоустанавливающийся. |
Аналог самоцентрирующегося шарикового подшипника 1213-TV-C3 — это подшипник такого же размера dx65,Dx120,Bx23, типа и конструкции.
| Обозначение | Конструктивные особенности | Внутренний (d) | Наружный (D) | Ширина (B) |
|---|---|---|---|---|
| 46213-Л | Шариковый радиально-упорный однорядный подшипник. Сепаратор из латуни.. | 65.00 | 120.00 | 23.00 |
| 46213-Е5 | Шариковый радиально-упорный однорядный подшипник. Сепаратор из текстолита.. | 65.00 | 120.00 | 23.00 |
| 46213К | Шариковый радиально-упорный однорядный подшипник. «Замок» (скос) на внутреннем кольце плюс массивный сепаратор из текстолита. | 65.00 | 120.00 | 23.00 |
| 5-116213 Т | Шариковый радиально-упорный однорядный подшипник. Температура отпуска. 160°. | 65.00 | 120.00 | 23.00 |
| 5-213 Ю1 | Шариковый радиальный однорядный подшипник. Все детали или часть деталей из нержавеющей стали.. | 65.00 | 120.00 | 23.00 |
| 5-36213 К | Шариковый радиально-упорный однорядный подшипник. «Замок» (скос) на внутреннем кольце плюс массивный сепаратор из текстолита. | 65.00 | 120.00 | 23.00 |
| 5-46213 Е | Шариковый радиально-упорный однорядный подшипник. Сепаратор из текстолита.. | 65.00 | 120.00 | 23.00 |
| 5-46213 Е2 | Шариковый радиально-упорный однорядный подшипник. Сепаратор из пластических материалов.. | 65.00 | 120.00 | 23.00 |
| 5-46213 Е5 | Шариковый радиально-упорный однорядный подшипник. Сепаратор из текстолита.. | 65.00 | 120.00 | 23.00 |
| 5-46213 Л | Шариковый радиально-упорный однорядный подшипник. Сепаратор из латуни.. | 65.00 | 120.00 | 23.00 |
| 50213-А | Шариковый радиальный однорядный подшипник. Повышенная грузоподъемность. | 65.00 | 120.00 | 23.00 |
| 50213-АК | Шариковый радиальный однорядный подшипник. Повышенная грузоподъемность. | 65.00 | 120.00 | 23.00 |
| 6-116213 Т | Шариковый радиально-упорный однорядный подшипник. Температура отпуска. 160°. | 65.00 | 120.00 | 23.00 |
| 6-12213 К1М | Роликовый радиальный однорядный подшипник. Модифицированный контакт.. | 65.00 | 120.00 | 23.00 |
| 6-12213 КМ | Роликовый радиальный однорядный подшипник. Модифицированный контакт.. | 65.00 | 120.00 | 23.00 |
Способы доставки
Отправка через ведущие транспортные и курьерские компании: ПЭК, Деловые Линии, СДЭК, Байкал-Сервис, Энергия, КИТ, ЖелДорЭкспедиция.
Самовывоз возможен напрямую со склада в Москве.
Сроки доставки
Срок зависит от региона и выбранной транспортной компании. Все заказы комплектуются и отправляются в кратчайшие сроки со склада в Москве.
Надёжность и сохранность
Вся продукция упаковывается с учётом требований транспортировки. Мы гарантируем, что подшипники и комплектующие прибудут к заказчику в полной сохранности.
Доставка в страны ЕАЭС
Мы работаем с проверенными логистическими партнёрами, что позволяет оперативно доставлять заказы в Беларусь, Казахстан, Армению и другие страны ЕАЭС.
Варианты оплаты:
Минимальная сумма заказа и скидки:
Документы и гарантии:
Да, конечно! Наши технические специалисты готовы помочь вам с подбором точного аналога или замены подшипника. Просто позвоните нам по телефону +7 (495) 104-99-04 или напишите на почту zakaz@podsnab.ru.
Для оперативной консультации подготовьте, пожалуйста, имеющиеся данные: маркировку, размеры, тип оборудования или артикул старого подшипника.
Да, конечно! Мы высоко ценим долгосрочное сотрудничество и доверие клиентов по всей России. Для постоянных клиентов действует персональная система скидок.
Условия формируются индивидуально и зависят от:
Чтобы узнать свои условия и получить максимально выгодное предложение, свяжитесь с персональным менеджером или напишите нам на почту zakaz@podsnab.ru.
Вы можете оформить заказ несколькими способами:
Для оформления заказа от юридического лица свяжитесь с нашим отделом по работе с корпоративными клиентами по телефону +7 (495) 104-99-04 или напишите на email zakaz@podsnab.ru, прикрепив реквизиты вашей организации.
Мы оперативно подготовим коммерческое предложение и выставим счет.
Возврат товара надлежащего качества возможен в течение 10 дней с момента получения, если товар не был в употреблении, сохранен товарный вид, упаковка не вскрывалась и присутствуют все сопроводительные документы.
Возврат денежных средств осуществляется в течение 10 рабочих дней после проверки товара складом.
В соответствии с законодательством возврату не подлежат подшипники надлежащего качества, если отсутствует оригинальная упаковка или имеются следы монтажа.
В случае выявления брака или гарантийного случая мы гарантируем возврат или обмен товара.
Да, гарантийный срок хранения устанавливается заводом-изготовителем и в среднем составляет 2 года при соблюдении условий хранения: сухое помещение, оригинальная упаковка и смазка.
Точный срок для конкретного типа подшипника уточняйте у наших менеджеров.
Пн–Пт: с 8:00 до 17:00 (МСК).
Сб–Вс: выходные дни.
Заказы на сайте принимаются круглосуточно. Заявки, поступившие после окончания рабочего дня, обрабатываются на следующий рабочий день.
Минимальная сумма заказа для доставки составляет 3000 рублей. Самовывоз со склада возможен на любую сумму при наличии товара.
ООО «УралТехГрупп»
ИНН: 7415093830
КПП: 772401001
ОГРН: 1167456069021
Банк: ПАО Сбербанк
Р/с: 40702810838000475273
К/с: 30101810400000000225
БИК: 044525225
Оренбург
Шариковый подшипник 1213-TV-C3 использовался на промышленном оборудовании, где важно обеспечить стабильную работу при средних и высоких нагрузках. Подшипник показал себя как надежный и долговечный элемент. Установил его в нескольких машинах, и они начали работать гораздо тише и стабильнее. Шум и вибрации уменьшились, что особенно важно в условиях точных механизмов. За время эксплуатации подшипник не показал признаков перегрева или износа, и по сей день работает стабильно. Особенно мне нравится его стойкость к внешним воздействиям, что делает его идеальным для работы в производственных условиях, где есть различные нагрузки и температурные колебания. Это хороший выбор для стандартных условий эксплуатации, и я уверен, что он прослужит долго.