Поиск подшипника
Статьи
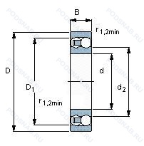
2209 2RS TNG — Подшипник шариковый двухрядный самоустанавливающийся, модификация основного исполнения 2209, производство NSK.
Размер подшипника: 45x85x23 мм.
Seal at each side of the bearing, клетка из армированного стекловолокном полиамида 66.
Аналоги: 2209.2RS.TV FAG,2209-2RS-TVH FAG,2209E-2RS1TN9 SKF,AJL45 RIV,2209EE G15 SNR,2209-2RSTNG NSK,2209-2RS1/TG 3D Steyr,2209E/2RS1/TG Steyr,2209EEG15 SNR.
Международная стандартизации ISO
22092RSTNG
В наличии
| Обозначение | Конструктивные изменения |
|---|---|
| 2209K TNH C3 SD4 | Внутренний зазор больше нормального. Коническое отверстие. конус 1/12. Подшипник с защелкиваемым сепаратором из пластмассы. |
| 2209-TVH-C3 | Внутренний зазор больше нормального. Массивный сепаратор из армированного стекловолокном полиамида PA66. |
| 2209J30 | Внутренний зазор больше нормального. |
| 2209SK C3 | Внутренний зазор больше нормального. Кулачковый толкатель штифтового типа. С шестигранной головкой. |
| 2209K C3 ETN9 | Внутренний зазор больше нормального. Коническое отверстие. конус 1/12. Оптимизированный внутренний дизайн. Литая защелкивающаяся клетка из полиамида 6.6. армированного стекловолокном с шариковой центрировкой.. |
| 2209K TN | Коническое отверстие. конус 1/12. Прочный сепаратор из полиамида. армированного стекловолокном. |
| 2209-2RS1K | Коническое отверстие. конус 1/12. Усиленные листовой сталью контактные уплотнения из акрилонитрил-бутадиенового каучука (NBR) с обеих сторон подшипника. |
| 2209S | Прессованный стальной сепаратор. |
| 2209E 2RS TN9 | Литой защелкивающийся сепаратор из полиамида. армированного стекловолокном 6.6. Оптимизированная внутренняя конструкция. Contact Seal Of Acrylonitrile-Butadiene Rubber (NBR) On Both Sides Of The Bearing. |
| 2209K-2RSTN | Коническое отверстие. Конусность 1/12. Контактное уплотнение с обеих сторон. Сепаратор из армированного стекловолокном полиамида. |
| C 2209 KTN9 + AH 309 | Тороидальный подшипник CARB. Противовращающийся штырь. Массивные ножки и свободный момент выравнивания. |
| RNU 2209 ECP | Подшипник шариковый двухрядный самоустанавливающийся. |
| BS2-2209-2CS/VT143 | Заполнение пластичной смазкой SKF LGEP 2 на 25–35 %. Sheet Steel Reinforced Contact Seal Of Acrylonitrile-Butadiene Rubber (NBR) On Both Sides Of The Bearing. Annular Groove And Three Lubrication Holes In The Outer Ring Covered With A Polymer Band. Lubricated With An Extreme Pressure Bearing Grease According To Temperature Range -20℃/+110℃. Grease Fill 25% To 35%. Высокая осевая жесткость и грузоподъемность.. |
| BS2-2209-2CSK/VT143 | Заполнение пластичной смазкой SKF LGEP 2 на 25–35 %. Высокая осевая жесткость и грузоподъемность.. |
| N 2209 ECJ | Однорядный цилиндрический роликовый подшипник. Два стальных сепаратора оконного типа. внутреннее кольцо без фланца. направляющее кольцо с усиленным роликом. |
| C 2209 KV + AH 309 | Тороидальный подшипник CARB. Противовращающийся штырь. Массивные ножки и свободный момент выравнивания. Ball Bearing. Conrad (Non-Filling Slot) Type. |
| 2209-K+H309 | Коническое внутреннее отверстие. |
| 2209-K-2RS+H309 | Коническое внутреннее отверстие. Контактные уплотнения типа RS с обеих сторон игольчатого роликоподшипника. |
| 2209-K-TVH-C3 + H309 | Внутренний зазор больше нормального. Коническое отверстие. Конусность 1/12. Твердая клетка из полиамида. |
| 2209-K-2RS-TVH-C3 + H309 | Внутренний зазор больше нормального. Коническое отверстие. Конусность 1/12. Резиновые уплотнения с каждой стороны подшипника. Твердая клетка из полиамида. |
| 2209-2RS KTN9+H309 | Резиновые уплотнения с каждой стороны подшипника. |
| 2209-2RS1TN9 | Подшипник шариковый двухрядный самоустанавливающийся. |
| 2209E-2RS1KTN9+H309E | Повышенная грузоподъемность. |
| NJ 2209 ECPH | Однорядный цилиндрический роликовый подшипник. |
| NU 2209 ECPH | Однорядный цилиндрический роликовый подшипник. |
Модификации самоцентрирующегося шарикового подшипника 2209 2RS TNG — это измененное основное конструктивное исполнение 2209, основные размеры (45x85x23) не отличаются.
| Обозначение | Гост | Конструктивные особенности |
|---|---|---|
| 1509 | ISO | Подшипник шариковый двухрядный самоустанавливающийся. |
| AJL45 | ISO | Подшипник шариковый двухрядный самоустанавливающийся. |
| AJLK45 | ISO | Подшипник шариковый двухрядный самоустанавливающийся. |
| AJLK45CH02 | ISO | Подшипник шариковый двухрядный самоустанавливающийся. |
| AJL50CH02 | ISO | Подшипник шариковый двухрядный самоустанавливающийся. |
| AJL50 | ISO | Подшипник шариковый двухрядный самоустанавливающийся. |
Аналог самоцентрирующегося шарикового подшипника 2209 2RS TNG — это подшипник такого же размера dx45,Dx85,Bx23, типа и конструкции.
| Обозначение | Конструктивные особенности | Внутренний (d) | Наружный (D) | Ширина (B) |
|---|---|---|---|---|
| 4T-25590/25526 | Роликовый радиальный-упорный конический однорядный подшипник. Цементованная сталь. | 45.62 | 85.00 | 23.81 |
| 97509A | Роликовый радиальный-упорный двухрядный подшипник. Двухрядный радиально-упорный шарикоподшипник без отверстия для смазки. | 45.00 | 85.00 | 23.00 |
| DAC45850023 | Шариковый радиально-упорный двухрядный подшипник. Однорядный радиально-упорный шарикоподшипник с углом контакта 25°. | 45.00 | 85.00 | 23.00 |
| LDJ45=8/6 | Шариковый радиальный двухрядный подшипник. Exxon Aviation Instrument Oil. Средний предварительный натяг. | 45.00 | 85.00 | 23.00 |
| S4209-2RS | Шариковый радиальный двухрядный подшипник. Резиновые уплотнения с каждой стороны подшипника. | 45.00 | 85.00 | 23.00 |
| 1509-Л | Шариковый радиальный двухрядный подшипник. Сепаратор из латуни.. | 45.00 | 85.00 | 23.00 |
| 7509A | Роликовый радиальный-упорный однорядный подшипник. Двухрядный радиально-упорный шарикоподшипник без отверстия для смазки. | 45.00 | 85.00 | 23.00 |
| CUC209-28 | Шариковый радиальный однорядный подшипник. 1.3/4. | 44.45 | 85.00 | 22.00 |
| CUC209 | Шариковый радиальный однорядный подшипник. Радиальный внутренний зазор С2. | 45.00 | 85.00 | 22.00 |
| 380708-ЕК10Т2С17 | Шариковый радиальный однорядный подшипник. Смазка Литол-24. Сепаратор из текстолита.. 200°. Температура отпуска. Улучшенная конструкция уплотнений плюс стопорный штифт. | 40.00 | 85.00 | 23.00 |
| S2209-2RS | Шариковый сферический двухрядный подшипник. Резиновые уплотнения с каждой стороны подшипника. | 45.00 | 85.00 | 23.00 |
| 40-3509 Н | Роликовый радиальный двухрядный подшипник. Детали из теплостойкой стали. | 45.00 | 85.00 | 23.00 |
| 5-42509 Д | Роликовый радиальный однорядный подшипник. Сепаратор из алюминиевого сплава.. | 45.00 | 85.00 | 23.00 |
| 53509-Н(22209CCW33C3) | Роликовый радиальный двухрядный подшипник. ВНИИНП-210. Детали из вакуумированной стали.. Детали из теплостойкой стали. | 45.00 | 85.00 | 23.00 |
| 6-1509 Л | Шариковый радиальный двухрядный подшипник. Сепаратор из латуни.. | 45.00 | 85.00 | 23.00 |
Способы доставки
Отправка через ведущие транспортные и курьерские компании: ПЭК, Деловые Линии, СДЭК, Байкал-Сервис, Энергия, КИТ, ЖелДорЭкспедиция.
Самовывоз возможен напрямую со склада в Москве.
Сроки доставки
Срок зависит от региона и выбранной транспортной компании. Все заказы комплектуются и отправляются в кратчайшие сроки со склада в Москве.
Надёжность и сохранность
Вся продукция упаковывается с учётом требований транспортировки. Мы гарантируем, что подшипники и комплектующие прибудут к заказчику в полной сохранности.
Доставка в страны ЕАЭС
Мы работаем с проверенными логистическими партнёрами, что позволяет оперативно доставлять заказы в Беларусь, Казахстан, Армению и другие страны ЕАЭС.
Варианты оплаты:
Минимальная сумма заказа и скидки:
Документы и гарантии:
Да, конечно! Наши технические специалисты готовы помочь вам с подбором точного аналога или замены подшипника. Просто позвоните нам по телефону +7 (495) 104-99-04 или напишите на почту zakaz@podsnab.ru.
Для оперативной консультации подготовьте, пожалуйста, имеющиеся данные: маркировку, размеры, тип оборудования или артикул старого подшипника.
Да, конечно! Мы высоко ценим долгосрочное сотрудничество и доверие клиентов по всей России. Для постоянных клиентов действует персональная система скидок.
Условия формируются индивидуально и зависят от:
Чтобы узнать свои условия и получить максимально выгодное предложение, свяжитесь с персональным менеджером или напишите нам на почту zakaz@podsnab.ru.
Вы можете оформить заказ несколькими способами:
Для оформления заказа от юридического лица свяжитесь с нашим отделом по работе с корпоративными клиентами по телефону +7 (495) 104-99-04 или напишите на email zakaz@podsnab.ru, прикрепив реквизиты вашей организации.
Мы оперативно подготовим коммерческое предложение и выставим счет.
Возврат товара надлежащего качества возможен в течение 10 дней с момента получения, если товар не был в употреблении, сохранен товарный вид, упаковка не вскрывалась и присутствуют все сопроводительные документы.
Возврат денежных средств осуществляется в течение 10 рабочих дней после проверки товара складом.
В соответствии с законодательством возврату не подлежат подшипники надлежащего качества, если отсутствует оригинальная упаковка или имеются следы монтажа.
В случае выявления брака или гарантийного случая мы гарантируем возврат или обмен товара.
Да, гарантийный срок хранения устанавливается заводом-изготовителем и в среднем составляет 2 года при соблюдении условий хранения: сухое помещение, оригинальная упаковка и смазка.
Точный срок для конкретного типа подшипника уточняйте у наших менеджеров.
Пн–Пт: с 8:00 до 17:00 (МСК).
Сб–Вс: выходные дни.
Заказы на сайте принимаются круглосуточно. Заявки, поступившие после окончания рабочего дня, обрабатываются на следующий рабочий день.
Минимальная сумма заказа для доставки составляет 3000 рублей. Самовывоз со склада возможен на любую сумму при наличии товара.
ООО «УралТехГрупп»
ИНН: 7415093830
КПП: 772401001
ОГРН: 1167456069021
Банк: ПАО Сбербанк
Р/с: 40702810838000475273
К/с: 30101810400000000225
БИК: 044525225
У подшипника 2209 2RS TNG пока нет отзывов. Вы можете стать первым покупателем, поделившимся своим мнением.