Поиск подшипника
Статьи
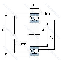
2210ETN9 2RS — Подшипник шариковый двухрядный самоустанавливающийся, модификация основного исполнения 2210, производство ISB.
Размер подшипника: 50x90x23 мм.
Оптимизированный внутренний дизайн. литая защелкивающаяся клетка из полиамида 6.6. армированного стекловолокном с шариковой центрировкой, резиновые уплотнения с каждой стороны подшипника.
Аналоги: 2210EEG15 SNR,2210 2RS T CBF,2210 2RS ETN9 ISB.
Международная стандартизации ISO
2210ETN92RS
В наличии
| Обозначение | Конструктивные изменения |
|---|---|
| 2210E | Повышенная грузоподъемность. |
| 2210MB | Механически обработанный латунный сепаратор. клёпаный. центрируемый по внутреннему кольцу. |
| 2210 2RS TNH | Резиновые уплотнения с каждой стороны подшипника. Полиамидный защелкивающийся сепаратор. расположенный на подвижных элементах. |
| 2210K TNG | Коническое отверстие. конус 1/12. Прочный сепаратор из полиамида. армированного стекловолокном. |
| 2210C4 | Внутренний зазор подшипника больше. чем C3. |
| 2210-K-2RS-TVH | Коническое отверстие. конус 1/12. Резиновые уплотнения с каждой стороны подшипника. Массивный сепаратор из армированного стекловолокном полиамида PA66. |
| 2210EKTNG | Коническое отверстие. конус 1/12. Шарикоподшипник. Однорядный электродвигатель. Уровень шума. Прочный сепаратор из полиамида. армированного стекловолокном. |
| BS2-2210-2CSK/VT143 | Заполнение пластичной смазкой SKF LGEP 2 на 25–35 %. Высокая осевая жесткость и грузоподъемность.. |
| NJ 2210 ECML | Однорядный цилиндрический роликовый подшипник. |
| NU 2210 ECML | Однорядный цилиндрический роликовый подшипник. |
| NUP 2210 ECNP | Однорядный цилиндрический роликовый подшипник. |
| NUP 2210 ECML | Однорядный цилиндрический роликовый подшипник. |
| NJ 2210 ECPH | Однорядный цилиндрический роликовый подшипник. |
| BHA 2210 Z | щит из листовой прессованной стали с одной стороны подшипника. |
| R-2210X3 | Специальная фаска. |
| MFJL-2210L | Одно механическое уплотнение. |
| 2210-K-2RS+H310 | Коническое внутреннее отверстие. Контактные уплотнения типа RS с обеих сторон игольчатого роликоподшипника. |
| 2210-K-TVH-C3 + H310 | Внутренний зазор больше нормального. Коническое отверстие. Конусность 1/12. Твердая клетка из полиамида. |
| 2210-K-2RS-TVH-C3 + H310 | Внутренний зазор больше нормального. Коническое отверстие. Конусность 1/12. Резиновые уплотнения с каждой стороны подшипника. Твердая клетка из полиамида. |
| 2210-2RS KTN9+H310 | Резиновые уплотнения с каждой стороны подшипника. |
| 2210 TN9 | Литой защелкивающийся сепаратор из полиамида. армированного стекловолокном 6.6. |
| 2210S | Запечатанная версия кулачкового ролика. Только для внутреннего и наружного колец. |
| 2210 EKTN9 + H 310 | Pressed Snap-Type Steel Cage. Hardened. |
| 2210E-2RS1KTN9+H310E | Повышенная грузоподъемность. |
| NU 2210 ECPH | Однорядный цилиндрический роликовый подшипник. |
Модификации самоцентрирующегося шарикового подшипника 2210ETN9 2RS — это измененное основное конструктивное исполнение 2210, основные размеры (50x90x23) не отличаются.
| Обозначение | Гост | Конструктивные особенности |
|---|---|---|
| 7AAJ | ISO | ETN9 (SKF). |
| 7AJ | ISO | Без суффикса. но с обозначением типа. |
Аналог самоцентрирующегося шарикового подшипника 2210ETN9 2RS — это подшипник такого же размера dx50,Dx90,Bx23, типа и конструкции.
| Обозначение | Конструктивные особенности | Внутренний (d) | Наружный (D) | Ширина (B) |
|---|---|---|---|---|
| 180510-АС17 | Шариковый радиальный однорядный подшипник. Смазка Литол-24. Повышенная грузоподъемность. | 50.00 | 90.00 | 23.00 |
| 6-7510 У2Ш | Роликовый радиальный-упорный однорядный подшипник. Дополнительные технические требования. Нормы шумности. | 50.00 | 90.00 | 24.00 |
| 697510AШ2 | Роликовый радиальный-упорный двухрядный подшипник. Двухрядный радиально-упорный шарикоподшипник без отверстия для смазки. Нормы шумности. | 50.00 | 90.00 | 23.00 |
| 7510-АЮ | Роликовый радиальный-упорный однорядный подшипник. Все детали или часть деталей из нержавеющей стали.. Повышенная грузоподъемность. | 50.00 | 90.00 | 24.00 |
| 7510-К1У | Роликовый радиальный-упорный однорядный подшипник. Дополнительные технические требования. | 50.00 | 90.00 | 24.00 |
| 7510-У2Ш | Роликовый радиальный-упорный однорядный подшипник. Дополнительные технические требования. Нормы шумности. | 50.00 | 90.00 | 24.00 |
| 7510A | Роликовый радиальный-упорный однорядный подшипник. Двухрядный радиально-упорный шарикоподшипник без отверстия для смазки. | 50.00 | 90.00 | 23.00 |
| 76-180510 С9Ш2У | Шариковый радиальный однорядный подшипник. Дополнительные технические требования. Нормы шумности. Смазка ЛЗ-31. | 50.00 | 90.00 | 23.00 |
| CUC210 | Шариковый радиальный однорядный подшипник. Радиальный внутренний зазор С2. | 50.00 | 90.00 | 23.00 |
| CUC210-31 | Шариковый радиальный однорядный подшипник. 1.15/16. | 49.21 | 90.00 | 23.00 |
| 160510-А | Шариковый радиальный однорядный подшипник. Повышенная грузоподъемность. | 50.00 | 90.00 | 23.00 |
| 160510-АК | Шариковый радиальный однорядный подшипник. Повышенная грузоподъемность. | 50.00 | 90.00 | 23.00 |
| S2210-2RS | Шариковый сферический двухрядный подшипник. Резиновые уплотнения с каждой стороны подшипника. | 50.00 | 90.00 | 23.00 |
| 480210-С-17 | Шариковый радиальный однорядный подшипник. Смазка Литол-24. | 50.00 | 90.00 | 24.00 |
| 53510-Н | Роликовый радиальный двухрядный подшипник. Детали из теплостойкой стали. | 50.00 | 90.00 | 23.00 |
Способы доставки
Отправка через ведущие транспортные и курьерские компании: ПЭК, Деловые Линии, СДЭК, Байкал-Сервис, Энергия, КИТ, ЖелДорЭкспедиция.
Самовывоз возможен напрямую со склада в Москве.
Сроки доставки
Срок зависит от региона и выбранной транспортной компании. Все заказы комплектуются и отправляются в кратчайшие сроки со склада в Москве.
Надёжность и сохранность
Вся продукция упаковывается с учётом требований транспортировки. Мы гарантируем, что подшипники и комплектующие прибудут к заказчику в полной сохранности.
Доставка в страны ЕАЭС
Мы работаем с проверенными логистическими партнёрами, что позволяет оперативно доставлять заказы в Беларусь, Казахстан, Армению и другие страны ЕАЭС.
Варианты оплаты:
Минимальная сумма заказа и скидки:
Документы и гарантии:
Да, конечно! Наши технические специалисты готовы помочь вам с подбором точного аналога или замены подшипника. Просто позвоните нам по телефону +7 (495) 104-99-04 или напишите на почту zakaz@podsnab.ru.
Для оперативной консультации подготовьте, пожалуйста, имеющиеся данные: маркировку, размеры, тип оборудования или артикул старого подшипника.
Да, конечно! Мы высоко ценим долгосрочное сотрудничество и доверие клиентов по всей России. Для постоянных клиентов действует персональная система скидок.
Условия формируются индивидуально и зависят от:
Чтобы узнать свои условия и получить максимально выгодное предложение, свяжитесь с персональным менеджером или напишите нам на почту zakaz@podsnab.ru.
Вы можете оформить заказ несколькими способами:
Для оформления заказа от юридического лица свяжитесь с нашим отделом по работе с корпоративными клиентами по телефону +7 (495) 104-99-04 или напишите на email zakaz@podsnab.ru, прикрепив реквизиты вашей организации.
Мы оперативно подготовим коммерческое предложение и выставим счет.
Возврат товара надлежащего качества возможен в течение 10 дней с момента получения, если товар не был в употреблении, сохранен товарный вид, упаковка не вскрывалась и присутствуют все сопроводительные документы.
Возврат денежных средств осуществляется в течение 10 рабочих дней после проверки товара складом.
В соответствии с законодательством возврату не подлежат подшипники надлежащего качества, если отсутствует оригинальная упаковка или имеются следы монтажа.
В случае выявления брака или гарантийного случая мы гарантируем возврат или обмен товара.
Да, гарантийный срок хранения устанавливается заводом-изготовителем и в среднем составляет 2 года при соблюдении условий хранения: сухое помещение, оригинальная упаковка и смазка.
Точный срок для конкретного типа подшипника уточняйте у наших менеджеров.
Пн–Пт: с 8:00 до 17:00 (МСК).
Сб–Вс: выходные дни.
Заказы на сайте принимаются круглосуточно. Заявки, поступившие после окончания рабочего дня, обрабатываются на следующий рабочий день.
Минимальная сумма заказа для доставки составляет 3000 рублей. Самовывоз со склада возможен на любую сумму при наличии товара.
ООО «УралТехГрупп»
ИНН: 7415093830
КПП: 772401001
ОГРН: 1167456069021
Банк: ПАО Сбербанк
Р/с: 40702810838000475273
К/с: 30101810400000000225
БИК: 044525225
У подшипника 2210ETN9 2RS пока нет отзывов. Вы можете стать первым покупателем, поделившимся своим мнением.