Поиск подшипника
Статьи
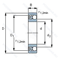
2315L1 — Подшипник шариковый двухрядный самоустанавливающийся, модификация основного исполнения 2315, производство NTN.
Размер подшипника: 75x160x55 мм.
Механически обработанный латунный сепаратор.
Альтернативное обозначение: 2315M.
Аналоги: 2315M FAG,2315-M FAG.
Международная стандартизации ISO
2315L1
В наличии
| Обозначение | Конструктивные изменения |
|---|---|
| 2315M | Твердый латунный сепаратор с шариковой направляющей. |
| 2315M.C3 | Внутренний зазор больше нормального. Подшипник с латунным сепаратором. центрированный по телам качения. |
| 2315C3 | Внутренний зазор больше нормального. |
| 2315G15 | Литой сепаратор из полиамида 6.6. армированного стекловолокном. Центрированный элемент качения.. |
| 2315K | Коническое внутреннее отверстие. |
| 2315K J30 | Коническое отверстие. конус 1/12. Внутренний зазор больше нормального. |
| 2315MB C4 | Внутренний зазор подшипника больше. чем C3. Механически обработанный латунный сепаратор. направляющий по внутреннему кольцу. |
| 2315K C3 | Внутренний зазор больше нормального. Коническое отверстие. Конусность 1/12. |
| 2315K+H2315 | Коническое отверстие. конус 1/12. Закрепительная втулка. |
| 2315SK | Кулачковый толкатель штифтового типа. С шестигранной головкой. Только для внутреннего и наружного колец. |
| 2315TV.C3 | Внутренний зазор больше нормального. Прочный сепаратор из полиамида. армированного стекловолокном. |
| 2315K C3 ACC | Внутренний зазор больше нормального. Коническое отверстие. конус 1/12. Подшипник со стальным сепаратором. |
| 2315NF | Полированный подшипник и детали подшипника. |
| 2315SK C3 | Внутренний зазор больше нормального. Кулачковый толкатель штифтового типа. С шестигранной головкой. |
| 2315J30 | Внутренний зазор больше нормального. |
| 2315SU L M | Подшипник с латунным сепаратором. центрированный по телам качения. Одно механическое уплотнение. Single. Universally Ground. |
| C 2315 K + AHX 2315 G | Тороидальный подшипник CARB. |
| BS2-2315-2CS/VT143 | Заполнение пластичной смазкой SKF LGEP 2 на 25–35 %. Sheet Steel Reinforced Contact Seal Of Acrylonitrile-Butadiene Rubber (NBR) On Both Sides Of The Bearing. Annular Groove And Three Lubrication Holes In The Outer Ring Covered With A Polymer Band. Lubricated With An Extreme Pressure Bearing Grease According To Temperature Range -20℃/+110℃. Grease Fill 25% To 35%. Высокая осевая жесткость и грузоподъемность.. |
| BS2-2315-2RSK/VT143 | Заполнение пластичной смазкой SKF LGEP 2 на 25–35 %. Высокая осевая жесткость и грузоподъемность.. |
| NJ 2315 ECN2ML | Однорядный цилиндрический роликовый подшипник. |
| NU 2315 ECML | Однорядный цилиндрический роликовый подшипник. |
| NUP 2315 ECML | Однорядный цилиндрический роликовый подшипник. |
| 2315-K-M-C3 + H2315 | Внутренний зазор больше нормального. Коническое отверстие. Конусность 1/12. Подшипник с латунным сепаратором. центрированный по телам качения. Закрепительная втулка. |
| 2315-2RS | Резиновые уплотнения с каждой стороны подшипника. |
| 2315S | Запечатанная версия кулачкового ролика. Только для внутреннего и наружного колец. |
Модификации самоцентрирующегося шарикового подшипника 2315L1 — это измененное основное конструктивное исполнение 2315, основные размеры (75x160x55) не отличаются.
| Обозначение | Гост | Конструктивные особенности |
|---|---|---|
| NMDJ75 | ISO | Подшипник шариковый двухрядный самоустанавливающийся. |
Аналог самоцентрирующегося шарикового подшипника 2315L1 — это подшипник такого же размера dx75,Dx160,Bx55, типа и конструкции.
| Обозначение | Конструктивные особенности | Внутренний (d) | Наружный (D) | Ширина (B) |
|---|---|---|---|---|
| NJ2315-E-TVP3 | Роликовый радиальный однорядный подшипник. Повышенная грузоподъемность. Цельный сепаратор из полиамида PA66-GF25. сепаратор оконного типа. направляемый телами качения. | 75.00 | 160.00 | 55.00 |
| NU2315-E-MPA | Роликовый радиальный однорядный подшипник. Повышенная грузоподъемность. Твердый латунный сепаратор. | 75.00 | 160.00 | 55.00 |
| NU2315-E-MA6 | Роликовый радиальный однорядный подшипник. Повышенная грузоподъемность. Изготовленный из двух частей латунный сепаратор. Центрирование по внешнему кольцу. Различные конструкции или сорта материалов обозначаются цифрой или буквой.. | 75.00 | 160.00 | 55.00 |
| NU2315-E-M6 | Роликовый радиальный однорядный подшипник. Повышенная грузоподъемность. 20-28 UM (C3 & C4). | 75.00 | 160.00 | 55.00 |
| 92615-КМ | Роликовый радиальный однорядный подшипник. Кольцевая проточка на середине цилиндрической наружной поверхности наружного кольца плюс три отверстия для смазки. Модифицированный контакт.. | 75.00 | 160.00 | 55.00 |
| 1615-Л | Шариковый радиальный двухрядный подшипник. Сепаратор из латуни.. | 75.00 | 160.00 | 55.00 |
| UK315L3 | Шариковый радиальный однорядный подшипник. Тройное манжетное уплотнение для вкладыша подшипника. | 75.00 | 160.00 | 55.00 |
| 7615A | Роликовый радиальный-упорный однорядный подшипник. Двухрядный радиально-упорный шарикоподшипник без отверстия для смазки. | 75.00 | 160.00 | 55.00 |
| 7615АЕ | Роликовый радиальный-упорный однорядный подшипник. Сепаратор из текстолита.. Повышенная грузоподъемность. | 75.00 | 160.00 | 55.00 |
| 42615-К1М | Роликовый радиальный однорядный подшипник. Кольцевая проточка на середине цилиндрической наружной поверхности наружного кольца плюс три отверстия для смазки. Модифицированный контакт.. | 75.00 | 160.00 | 55.00 |
| 53615-Е | Роликовый радиальный двухрядный подшипник. Сепаратор из текстолита.. | 75.00 | 160.00 | 55.00 |
| 53615-Н | Роликовый радиальный двухрядный подшипник. Детали из теплостойкой стали. | 75.00 | 160.00 | 55.00 |
| 53615-НЕ | Роликовый радиальный двухрядный подшипник. Сепаратор из текстолита.. Детали из теплостойкой стали. | 75.00 | 160.00 | 55.00 |
| 53615-Т | Роликовый радиальный двухрядный подшипник. Температура отпуска. 160°. | 75.00 | 160.00 | 55.00 |
| 53615АН | Роликовый радиальный двухрядный подшипник. Детали из теплостойкой стали. Повышенная грузоподъемность. | 75.00 | 160.00 | 55.00 |
Способы доставки
Отправка через ведущие транспортные и курьерские компании: ПЭК, Деловые Линии, СДЭК, Байкал-Сервис, Энергия, КИТ, ЖелДорЭкспедиция.
Самовывоз возможен напрямую со склада в Москве.
Сроки доставки
Срок зависит от региона и выбранной транспортной компании. Все заказы комплектуются и отправляются в кратчайшие сроки со склада в Москве.
Надёжность и сохранность
Вся продукция упаковывается с учётом требований транспортировки. Мы гарантируем, что подшипники и комплектующие прибудут к заказчику в полной сохранности.
Доставка в страны ЕАЭС
Мы работаем с проверенными логистическими партнёрами, что позволяет оперативно доставлять заказы в Беларусь, Казахстан, Армению и другие страны ЕАЭС.
Варианты оплаты:
Минимальная сумма заказа и скидки:
Документы и гарантии:
Да, конечно! Наши технические специалисты готовы помочь вам с подбором точного аналога или замены подшипника. Просто позвоните нам по телефону +7 (495) 104-99-04 или напишите на почту zakaz@podsnab.ru.
Для оперативной консультации подготовьте, пожалуйста, имеющиеся данные: маркировку, размеры, тип оборудования или артикул старого подшипника.
Да, конечно! Мы высоко ценим долгосрочное сотрудничество и доверие клиентов по всей России. Для постоянных клиентов действует персональная система скидок.
Условия формируются индивидуально и зависят от:
Чтобы узнать свои условия и получить максимально выгодное предложение, свяжитесь с персональным менеджером или напишите нам на почту zakaz@podsnab.ru.
Вы можете оформить заказ несколькими способами:
Для оформления заказа от юридического лица свяжитесь с нашим отделом по работе с корпоративными клиентами по телефону +7 (495) 104-99-04 или напишите на email zakaz@podsnab.ru, прикрепив реквизиты вашей организации.
Мы оперативно подготовим коммерческое предложение и выставим счет.
Возврат товара надлежащего качества возможен в течение 10 дней с момента получения, если товар не был в употреблении, сохранен товарный вид, упаковка не вскрывалась и присутствуют все сопроводительные документы.
Возврат денежных средств осуществляется в течение 10 рабочих дней после проверки товара складом.
В соответствии с законодательством возврату не подлежат подшипники надлежащего качества, если отсутствует оригинальная упаковка или имеются следы монтажа.
В случае выявления брака или гарантийного случая мы гарантируем возврат или обмен товара.
Да, гарантийный срок хранения устанавливается заводом-изготовителем и в среднем составляет 2 года при соблюдении условий хранения: сухое помещение, оригинальная упаковка и смазка.
Точный срок для конкретного типа подшипника уточняйте у наших менеджеров.
Пн–Пт: с 8:00 до 17:00 (МСК).
Сб–Вс: выходные дни.
Заказы на сайте принимаются круглосуточно. Заявки, поступившие после окончания рабочего дня, обрабатываются на следующий рабочий день.
Минимальная сумма заказа для доставки составляет 3000 рублей. Самовывоз со склада возможен на любую сумму при наличии товара.
ООО «УралТехГрупп»
ИНН: 7415093830
КПП: 772401001
ОГРН: 1167456069021
Банк: ПАО Сбербанк
Р/с: 40702810838000475273
К/с: 30101810400000000225
БИК: 044525225
У подшипника 2315L1 пока нет отзывов. Вы можете стать первым покупателем, поделившимся своим мнением.