Поиск подшипника
Статьи
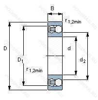
11209 TG — Подшипник шариковый двухрядный самоустанавливающийся, модификация основного исполнения 11209, производство STEYR.
Размер подшипника: 45x85x58 мм.
Сепаратор из полиамида 6.6. армированного стекловолокном.
Аналоги: 11209-TVH FAG,11209ETN9 SKF,11209TN9 SKF,11209G15 SNR,11209E TG Steyr,11209TNG Neuweg,11209TN9 Neutral.
Международная стандартизации ISO
11209TG
В наличии
| Обозначение | Конструктивные изменения |
|---|---|
| 11209-TV | Прочный сепаратор из полиамида. армированного стекловолокном. |
| 11209 | Подшипник шариковый двухрядный самоустанавливающийся. Основное конструктивное исполнение. |
| 11209TN9 | Литой защелкивающийся сепаратор из полиамида. армированного стекловолокном 6.6. |
| 11209TNG | Прочный сепаратор из полиамида. армированного стекловолокном. |
| 11209G15 | Литой сепаратор из полиамида 6.6. армированного стекловолокном. Центрированный элемент качения.. |
| 11209E TG | Повышенная грузоподъемность. Прочный сепаратор из полиамида. армированного стекловолокном. |
| 11209EE | Резиновые уплотнения с каждой стороны подшипника. |
| 11209-TVH | Массивный сепаратор из армированного стекловолокном полиамида PA66. |
| 11209ETN9 | Оптимизированный внутренний дизайн. Литая защелкивающаяся клетка из полиамида 6.6. армированного стекловолокном с шариковой центрировкой.. |
| 11209EE S | Запечатанная версия кулачкового ролика. Резиновые уплотнения с каждой стороны подшипника. |
Модификации самоцентрирующегося шарикового подшипника 11209 TG — это измененное основное конструктивное исполнение 11209, основные размеры (45x85x58) не отличаются.
| Обозначение | Конструктивные особенности | Внутренний (d) | Наружный (D) | Ширина (B) |
|---|---|---|---|---|
| 7209ACD/P4ATBTC | Подшипник шариковый однорядный радиально-упорный. Точность размеров в соответствии с классом допуска ISO 4. точность вращения лучше чем класс допуска ISO 4. 25° Угол контакта. Комплект из трех одинаковых однорядных радиальных или радиально-упорных шарикоподшипников >. Большой преднатяг. | 45.00 | 85.00 | 57.00 |
| 7209CD/P4ATBTB | Подшипник шариковый однорядный радиально-упорный. 15° Угол контакта. Точность размеров в соответствии с классом допуска ISO 4. точность вращения лучше чем класс допуска ISO 4. Комплект из трех одинаковых однорядных радиальных или радиально-упорных шарикоподшипников. Средний преднатяг. | 45.00 | 85.00 | 57.00 |
| 7209ACD/P4ATBTA | Подшипник шариковый однорядный радиально-упорный. Точность размеров в соответствии с классом допуска ISO 4. точность вращения лучше чем класс допуска ISO 4. 25° Угол контакта. Комплект из трех одинаковых однорядных радиальных или радиально-упорных шарикоподшипников. Легкий преднатяг. | 45.00 | 85.00 | 57.00 |
| 7209ACD/P4ATT | Подшипник шариковый однорядный радиально-упорный. Точность размеров в соответствии с классом допуска ISO 4. точность вращения лучше чем класс допуска ISO 4. 25° Угол контакта. Комплект из трех согласованных однорядных радиально-упорных шарикоподшипников или радиально-упорных шарикоподшипников, расположенных тандемно. | 45.00 | 85.00 | 57.00 |
| 7209ACD/P4ATBTB | Подшипник шариковый однорядный радиально-упорный. Точность размеров в соответствии с классом допуска ISO 4. точность вращения лучше чем класс допуска ISO 4. 25° Угол контакта. Комплект из трех одинаковых однорядных радиальных или радиально-упорных шарикоподшипников. Средний преднатяг. | 45.00 | 85.00 | 57.00 |
| 7209A5TRDUDMP3 | Подшипник шариковый однорядный радиально-упорный. Сепаратор из фенольных смол. центрируемый по внутреннему кольцу. 25° Угол контакта. Класс точности ниже. чем P2. но выше. чем P4. Универсальная тройная компоновка. | 45.00 | 85.00 | 57.00 |
| 7209AC/P4TBTB | Подшипник шариковый однорядный радиально-упорный. Комплект из трех одинаковых однорядных радиальных или радиально-упорных шарикоподшипников. Средний преднатяг. Класс точности Р4 по ISO (точнее. чем P5) - Abec.7. 25° Угол контакта. | 45.00 | 85.00 | 57.00 |
| B7209-C-T-P4S-TUL | Подшипник шариковый однорядный радиально-упорный. 15° Угол контакта. Textile Laminated Phenolic Resin. Outer Ring Guided. The Cage Is Suitable For Long-Term Operation At Temperatures Up To 100°C. Класс точности. стандарт FAG лучше чем P4. Набор из 3-х универсальных подшипников. Легкая преднатяг. | 45.00 | 85.00 | 57.00 |
| 7209.E.T.P4A.TUM | Подшипник шариковый однорядный радиально-упорный. 25° Угол контакта. Сепаратор из обработанной фенольной смолы. Расположен на элементах качения. Подшипник с чрезвычайно высокой точностью вращения (Abec9) и допуском формы (Abec7). Комплект из 3 универсальных подшипников. Средний преднатяг. | 45.00 | 85.00 | 57.00 |
| 7209.E.T.P2H.TUM | Подшипник шариковый однорядный радиально-упорный. 25° Угол контакта. Сепаратор из обработанной фенольной смолы. Расположен на элементах качения. Подшипник с чрезвычайно высокой точностью вращения (Abec9) и допуском формы (Abec7). Комплект из 3 универсальных подшипников. Средний преднатяг. | 45.00 | 85.00 | 57.00 |
| 119044X/119085P | Роликовый радиальный-упорный однорядный подшипник. Сеаратор из литого полиамида 6.6. армированного стекловолокном. | 44.45 | 85.00 | 58.83 |
| 119045/119085P | Роликовый радиальный-упорный однорядный подшипник. Сеаратор из литого полиамида 6.6. армированного стекловолокном. | 45.00 | 85.00 | 58.83 |
Способы доставки
Отправка через ведущие транспортные и курьерские компании: ПЭК, Деловые Линии, СДЭК, Байкал-Сервис, Энергия, КИТ, ЖелДорЭкспедиция.
Самовывоз возможен напрямую со склада в Москве.
Сроки доставки
Срок зависит от региона и выбранной транспортной компании. Все заказы комплектуются и отправляются в кратчайшие сроки со склада в Москве.
Надёжность и сохранность
Вся продукция упаковывается с учётом требований транспортировки. Мы гарантируем, что подшипники и комплектующие прибудут к заказчику в полной сохранности.
Доставка в страны ЕАЭС
Мы работаем с проверенными логистическими партнёрами, что позволяет оперативно доставлять заказы в Беларусь, Казахстан, Армению и другие страны ЕАЭС.
Варианты оплаты:
Минимальная сумма заказа и скидки:
Документы и гарантии:
Да, конечно! Наши технические специалисты готовы помочь вам с подбором точного аналога или замены подшипника. Просто позвоните нам по телефону +7 (495) 104-99-04 или напишите на почту zakaz@podsnab.ru.
Для оперативной консультации подготовьте, пожалуйста, имеющиеся данные: маркировку, размеры, тип оборудования или артикул старого подшипника.
Да, конечно! Мы высоко ценим долгосрочное сотрудничество и доверие клиентов по всей России. Для постоянных клиентов действует персональная система скидок.
Условия формируются индивидуально и зависят от:
Чтобы узнать свои условия и получить максимально выгодное предложение, свяжитесь с персональным менеджером или напишите нам на почту zakaz@podsnab.ru.
Вы можете оформить заказ несколькими способами:
Для оформления заказа от юридического лица свяжитесь с нашим отделом по работе с корпоративными клиентами по телефону +7 (495) 104-99-04 или напишите на email zakaz@podsnab.ru, прикрепив реквизиты вашей организации.
Мы оперативно подготовим коммерческое предложение и выставим счет.
Возврат товара надлежащего качества возможен в течение 10 дней с момента получения, если товар не был в употреблении, сохранен товарный вид, упаковка не вскрывалась и присутствуют все сопроводительные документы.
Возврат денежных средств осуществляется в течение 10 рабочих дней после проверки товара складом.
В соответствии с законодательством возврату не подлежат подшипники надлежащего качества, если отсутствует оригинальная упаковка или имеются следы монтажа.
В случае выявления брака или гарантийного случая мы гарантируем возврат или обмен товара.
Да, гарантийный срок хранения устанавливается заводом-изготовителем и в среднем составляет 2 года при соблюдении условий хранения: сухое помещение, оригинальная упаковка и смазка.
Точный срок для конкретного типа подшипника уточняйте у наших менеджеров.
Пн–Пт: с 8:00 до 17:00 (МСК).
Сб–Вс: выходные дни.
Заказы на сайте принимаются круглосуточно. Заявки, поступившие после окончания рабочего дня, обрабатываются на следующий рабочий день.
Минимальная сумма заказа для доставки составляет 3000 рублей. Самовывоз со склада возможен на любую сумму при наличии товара.
ООО «УралТехГрупп»
ИНН: 7415093830
КПП: 772401001
ОГРН: 1167456069021
Банк: ПАО Сбербанк
Р/с: 40702810838000475273
К/с: 30101810400000000225
БИК: 044525225
У подшипника 11209 TG пока нет отзывов. Вы можете стать первым покупателем, поделившимся своим мнением.