Поиск подшипника
Статьи
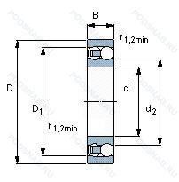
2314M/C4/R851 — Подшипник шариковый двухрядный самоустанавливающийся, модификация основного исполнения 2314, производство SKF.
Размер подшипника: 70x150x51 мм.
Bearing modified by skf, внутренний зазор подшипника больше. чем c3, подшипник с латунным сепаратором. центрированный по телам качения.
Альтернативное обозначение: 2314M/C4, 2314-M-C4.
Международная стандартизации ISO
2314MC4R851
В наличии
| Обозначение | Конструктивные изменения |
|---|---|
| 2314-C3 | Внутренний зазор больше нормального. |
| 2314K.C3 | Внутренний зазор больше нормального. Коническое отверстие. Конусность 1/12. |
| 2314/W64 | Антифрикционный заполнитель. твердая смазка. |
| 2314M C3 | Внутренний зазор больше нормального. Подшипник с латунным сепаратором. центрированный по телам качения. |
| 2314 | Подшипник шариковый двухрядный самоустанавливающийся. Основное конструктивное исполнение. |
| 2314K | Коническое внутреннее отверстие. |
| 2314M | Твердый латунный сепаратор с шариковой направляющей. |
| 2314SK | Кулачковый толкатель штифтового типа. С шестигранной головкой. |
| 2314-M-C4 | Внутренний зазор подшипника больше. чем C3. Твердый латунный сепаратор. Шариковые направляющие. |
| 2314J C3 | Внутренний зазор больше нормального. Сепаратор из стали. |
| 2314-M-C2 | Внутренний зазор подшипника меньше нормального. Твердый латунный сепаратор. |
| 2314-K-TVH-C3 | Внутренний зазор больше нормального. Коническое отверстие. конус 1/12. Массивный сепаратор из армированного стекловолокном полиамида PA66. |
| 2314ETN9 | Оптимизированный внутренний дизайн. Литая защелкивающаяся клетка из полиамида 6.6. армированного стекловолокном с шариковой центрировкой.. |
| 2314L1 | Механически обработанный латунный сепаратор. |
| 2314-K-M-C3 | Внутренний зазор больше нормального. Коническое отверстие. конус 1/12. Твердый латунный сепаратор. |
| C 2314 K + AHX 2314 G | Тороидальный подшипник CARB. |
| NUP 2314 ECML | Однорядный цилиндрический роликовый подшипник. |
| NJG 2314 VH | Полный набор роликов (без сепаратора). Самоудерживающиеся. |
| 2314K+H2314 | Коническое внутреннее отверстие. |
| 2314-2RS | Резиновые уплотнения с каждой стороны подшипника. |
| 2314S | Запечатанная версия кулачкового ролика. Только для внутреннего и наружного колец. |
| NJ 2314 ECML | Однорядный цилиндрический роликовый подшипник. |
| NJ 2314 ECPH | Однорядный цилиндрический роликовый подшипник. |
| NU 2314 ECPH | Однорядный цилиндрический роликовый подшипник. |
Модификации самоцентрирующегося шарикового подшипника 2314M/C4/R851 — это измененное основное конструктивное исполнение 2314, основные размеры (70x150x51) не отличаются.
| Обозначение | Конструктивные особенности | Внутренний (d) | Наружный (D) | Ширина (B) |
|---|---|---|---|---|
| 42614-Л | Роликовый радиальный однорядный подшипник. Сепаратор из латуни.. | 70.00 | 150.00 | 51.00 |
| 42614-ЛМ | Роликовый радиальный однорядный подшипник. Сепаратор из латуни.. Модифицированный контакт.. | 70.00 | 150.00 | 51.00 |
| 42614KM | Роликовый радиальный однорядный подшипник. Type Of Model. | 70.00 | 150.00 | 51.00 |
| 42614ЛM | Роликовый радиальный однорядный подшипник. Подшипник с латунным сепаратором. центрированный по телам качения. Сепаратор из латуни.. | 70.00 | 150.00 | 51.00 |
| 53614-Е | Роликовый радиальный двухрядный подшипник. Сепаратор из текстолита.. | 70.00 | 150.00 | 51.00 |
| 53614-К | Роликовый радиальный двухрядный подшипник. Кольцевая проточка на середине цилиндрической наружной поверхности наружного кольца плюс три отверстия для смазки. | 70.00 | 150.00 | 51.00 |
| 53614-КЕ | Роликовый радиальный двухрядный подшипник. Сепаратор из текстолита.. | 70.00 | 150.00 | 51.00 |
| 53614-КТ | Роликовый радиальный двухрядный подшипник. Температура отпуска. 160°. | 70.00 | 150.00 | 51.00 |
| 53614-Л | Роликовый радиальный двухрядный подшипник. Сепаратор из латуни.. | 70.00 | 150.00 | 51.00 |
| 53614-Н | Роликовый радиальный двухрядный подшипник. Детали из теплостойкой стали. | 70.00 | 150.00 | 51.00 |
| 53614-НЕ | Роликовый радиальный двухрядный подшипник. Сепаратор из текстолита.. Детали из теплостойкой стали. | 70.00 | 150.00 | 51.00 |
| 53614-НК | Роликовый радиальный двухрядный подшипник. Детали из теплостойкой стали. | 70.00 | 150.00 | 51.00 |
| 53614-НК1 | Роликовый радиальный двухрядный подшипник. Детали из теплостойкой стали. | 70.00 | 150.00 | 51.00 |
| 53614-Т | Роликовый радиальный двухрядный подшипник. Температура отпуска. 160°. | 70.00 | 150.00 | 51.00 |
| 53614АН | Роликовый радиальный двухрядный подшипник. Детали из теплостойкой стали. Повышенная грузоподъемность. | 70.00 | 150.00 | 51.00 |
Способы доставки
Отправка через ведущие транспортные и курьерские компании: ПЭК, Деловые Линии, СДЭК, Байкал-Сервис, Энергия, КИТ, ЖелДорЭкспедиция.
Самовывоз возможен напрямую со склада в Москве.
Сроки доставки
Срок зависит от региона и выбранной транспортной компании. Все заказы комплектуются и отправляются в кратчайшие сроки со склада в Москве.
Надёжность и сохранность
Вся продукция упаковывается с учётом требований транспортировки. Мы гарантируем, что подшипники и комплектующие прибудут к заказчику в полной сохранности.
Доставка в страны ЕАЭС
Мы работаем с проверенными логистическими партнёрами, что позволяет оперативно доставлять заказы в Беларусь, Казахстан, Армению и другие страны ЕАЭС.
Варианты оплаты:
Минимальная сумма заказа и скидки:
Документы и гарантии:
Да, конечно! Наши технические специалисты готовы помочь вам с подбором точного аналога или замены подшипника. Просто позвоните нам по телефону +7 (495) 104-99-04 или напишите на почту zakaz@podsnab.ru.
Для оперативной консультации подготовьте, пожалуйста, имеющиеся данные: маркировку, размеры, тип оборудования или артикул старого подшипника.
Да, конечно! Мы высоко ценим долгосрочное сотрудничество и доверие клиентов по всей России. Для постоянных клиентов действует персональная система скидок.
Условия формируются индивидуально и зависят от:
Чтобы узнать свои условия и получить максимально выгодное предложение, свяжитесь с персональным менеджером или напишите нам на почту zakaz@podsnab.ru.
Вы можете оформить заказ несколькими способами:
Для оформления заказа от юридического лица свяжитесь с нашим отделом по работе с корпоративными клиентами по телефону +7 (495) 104-99-04 или напишите на email zakaz@podsnab.ru, прикрепив реквизиты вашей организации.
Мы оперативно подготовим коммерческое предложение и выставим счет.
Возврат товара надлежащего качества возможен в течение 10 дней с момента получения, если товар не был в употреблении, сохранен товарный вид, упаковка не вскрывалась и присутствуют все сопроводительные документы.
Возврат денежных средств осуществляется в течение 10 рабочих дней после проверки товара складом.
В соответствии с законодательством возврату не подлежат подшипники надлежащего качества, если отсутствует оригинальная упаковка или имеются следы монтажа.
В случае выявления брака или гарантийного случая мы гарантируем возврат или обмен товара.
Да, гарантийный срок хранения устанавливается заводом-изготовителем и в среднем составляет 2 года при соблюдении условий хранения: сухое помещение, оригинальная упаковка и смазка.
Точный срок для конкретного типа подшипника уточняйте у наших менеджеров.
Пн–Пт: с 8:00 до 17:00 (МСК).
Сб–Вс: выходные дни.
Заказы на сайте принимаются круглосуточно. Заявки, поступившие после окончания рабочего дня, обрабатываются на следующий рабочий день.
Минимальная сумма заказа для доставки составляет 3000 рублей. Самовывоз со склада возможен на любую сумму при наличии товара.
ООО «УралТехГрупп»
ИНН: 7415093830
КПП: 772401001
ОГРН: 1167456069021
Банк: ПАО Сбербанк
Р/с: 40702810838000475273
К/с: 30101810400000000225
БИК: 044525225
У подшипника 2314M/C4/R851 пока нет отзывов. Вы можете стать первым покупателем, поделившимся своим мнением.