Поиск подшипника
Статьи
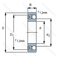
1306-TV-C3 — Подшипник шариковый двухрядный самоустанавливающийся, модификация основного исполнения 1306, выпускается производителями: FAG, NKE.
Размер подшипника: 30x72x19 мм.
Внутренний зазор больше нормального, прочный сепаратор из полиамида. армированного стекловолокном.
Альтернативное обозначение: 1306ETN9/C3.
Аналоги: 1306ETN9/C3 SKF.
Международная стандартизации ISO
1306TVC3
В наличии
| Обозначение | Конструктивные изменения |
|---|---|
| 1306ETN9 | Оптимизированный внутренний дизайн. Литая защелкивающаяся клетка из полиамида 6.6. армированного стекловолокном с шариковой центрировкой.. |
| 1306K/236725 | Коническое отверстие. конус 1/12. |
| 1306TNG | Прочный сепаратор из полиамида. армированного стекловолокном. |
| 1306SK C3 | Внутренний зазор больше нормального. Кулачковый толкатель штифтового типа. С шестигранной головкой. |
| 1306T | Два стопорных кольца на наружном кольце. |
| 1306P6 | Размерные и геометрические допуски соответствуют классу точности P6. |
| 1306TNG C3 | Внутренний зазор больше нормального. Прочный сепаратор из полиамида. армированного стекловолокном. |
| 1306K G15 | Коническое отверстие. конус 1/12. Литой сепаратор из полиамида 6.6. армированного стекловолокном. Центрированный элемент качения.. |
| 1306MB C3 | Внутренний зазор больше нормального. Цельное внутреннее кольцо. Центрированный обработанный латунный сепаратор. |
| 1306-K-TV | Коническое отверстие. конус 1/12. Прочный сепаратор из полиамида. армированного стекловолокном. |
| 1306K G15 J30 | Коническое отверстие. конус 1/12. Внутренний зазор больше нормального. Литой сепаратор из полиамида 6.6. армированного стекловолокном. Центрированный элемент качения.. |
| 1306J C3 | Внутренний зазор больше нормального. Сепаратор из стали. |
| 1306KP C3 | Внутренний зазор больше нормального. Non Removable Rubber Seal And Shield (Obsolete). |
| 1306P | сепаратор из полиамида 6.6. армированного стекловолокном. |
| 1306TN | сепаратор из полиамида 6.6. армированного стекловолокном. |
| 1306J | Сепаратор из стали. |
| 1306-TVH-C3 | Внутренний зазор больше нормального. Массивный сепаратор из армированного стекловолокном полиамида PA66. |
| 1306A | Self Aligning Ball Bearing Without Filling Slots. |
| 1306E TNG | Повышенная грузоподъемность. Прочный сепаратор из полиамида. армированного стекловолокном. |
| 1306EK TNG | Коническое отверстие. конус 1/12. Оптимизированная внутренняя конструкция. Литой защелкивающийся сепаратор из полиамида. армированного стекловолокном 6.6. |
| 1306K+H306 | Коническое внутреннее отверстие. |
| 1306-K-TVH-C3 + H306 | Внутренний зазор больше нормального. Коническое отверстие. Конусность 1/12. Твердая клетка из полиамида. |
| 1306 TN9 | Литой защелкивающийся сепаратор из полиамида. армированного стекловолокном 6.6. |
| 1306S | Запечатанная версия кулачкового ролика. |
| 1306 EKTN9 + H 306 | Pressed Snap-Type Steel Cage. Hardened. |
Модификации самоцентрирующегося шарикового подшипника 1306-TV-C3 — это измененное основное конструктивное исполнение 1306, основные размеры (30x72x19) не отличаются.
| Обозначение | Гост | Конструктивные особенности |
|---|---|---|
| 11306TNG | ISO | Прочный сепаратор из полиамида. армированного стекловолокном. |
| 11306 | ISO | Подшипник шариковый двухрядный самоустанавливающийся. |
| 11306TV | ISO | Прочный сепаратор из полиамида. армированного стекловолокном. |
| 11606J | ISO | Дорожки качения наружного кольца. угол контакта и ширина наружного кольца в соответствии с ISO. |
| 11306ETN9 | ISO | Оптимизированный внутренний дизайн. Литая защелкивающаяся клетка из полиамида 6.6. армированного стекловолокном с шариковой центрировкой.. |
| 7BJK | ISO | Коническое отверстие. конус 1/12. Без суффикса. но с обозначением типа. |
| 11306TN9 | ISO | Литой сепаратор из полиамида 6.6. армированного стекловолокном. Элемент качения по центру. |
| 11606 | ISO | Подшипник шариковый двухрядный самоустанавливающийся. |
| 11306-TVH | ISO | Массивный сепаратор из армированного стекловолокном полиамида PA66. |
Аналог самоцентрирующегося шарикового подшипника 1306-TV-C3 — это подшипник такого же размера dx30,Dx72,Bx19, типа и конструкции.
| Обозначение | Конструктивные особенности | Внутренний (d) | Наружный (D) | Ширина (B) |
|---|---|---|---|---|
| 6-180306-АКС9 | Шариковый радиальный однорядный подшипник. Повышенная грузоподъемность. Смазка ЛЗ-31. | 30.00 | 72.00 | 19.00 |
| 6-180306-АКУС17 | Шариковый радиальный однорядный подшипник. Смазка Литол-24. Дополнительные технические требования. Повышенная грузоподъемность. | 30.00 | 72.00 | 19.00 |
| 6-180306-АС17 | Шариковый радиальный однорядный подшипник. Смазка Литол-24. Повышенная грузоподъемность. | 30.00 | 72.00 | 19.00 |
| 6-180306-АУС17 | Шариковый радиальный однорядный подшипник. Смазка Литол-24. Дополнительные технические требования. Повышенная грузоподъемность. | 30.00 | 72.00 | 19.00 |
| 6-180306-К1С9 | Шариковый радиальный однорядный подшипник. «Замок» (скос) на внутреннем кольце плюс массивный сепаратор из текстолита. Смазка ЛЗ-31. | 30.00 | 72.00 | 19.00 |
| 6-180306 К1УС17 | Шариковый радиальный однорядный подшипник. Смазка Литол-24. Дополнительные технические требования. | 30.00 | 72.00 | 19.00 |
| 6-180306-К1УС17Ш | Шариковый радиальный однорядный подшипник. Смазка Литол-24. «Замок» (скос) на внутреннем кольце плюс массивный сепаратор из текстолита. Дополнительные технические требования. Нормы шумности. | 30.00 | 72.00 | 19.00 |
| 6-180306-К3УС17Ш | Шариковый радиальный однорядный подшипник. Смазка Литол-24. Дополнительные технические требования. Нормы шумности. | 30.00 | 72.00 | 19.00 |
| 6-180306 К3УСШ1 | Шариковый радиальный однорядный подшипник. Дополнительные технические требования. Нормы шумности. | 30.00 | 72.00 | 19.00 |
| 6-180306-КС9 | Шариковый радиальный однорядный подшипник. «Замок» (скос) на внутреннем кольце плюс массивный сепаратор из текстолита. Смазка ЛЗ-31. | 30.00 | 72.00 | 19.00 |
| 6-180306-С17 | Шариковый радиальный однорядный подшипник. Смазка Литол-24. | 30.00 | 72.00 | 19.00 |
| 6-180306-С9 | Шариковый радиальный однорядный подшипник. Смазка ЛЗ-31. | 30.00 | 72.00 | 19.00 |
| 6-180306-У1С17Ш | Шариковый радиальный однорядный подшипник. Смазка Литол-24. Нормы шумности. Дополнительные технические требования. | 30.00 | 72.00 | 19.00 |
| 6-180306-УС17 | Шариковый радиальный однорядный подшипник. Смазка Литол-24. Дополнительные технические требования. | 30.00 | 72.00 | 19.00 |
| 6-180306-Ш2У | Шариковый радиальный однорядный подшипник. Дополнительные технические требования. Нормы шумности. | 30.00 | 72.00 | 19.00 |
Способы доставки
Отправка через ведущие транспортные и курьерские компании: ПЭК, Деловые Линии, СДЭК, Байкал-Сервис, Энергия, КИТ, ЖелДорЭкспедиция.
Самовывоз возможен напрямую со склада в Москве.
Сроки доставки
Срок зависит от региона и выбранной транспортной компании. Все заказы комплектуются и отправляются в кратчайшие сроки со склада в Москве.
Надёжность и сохранность
Вся продукция упаковывается с учётом требований транспортировки. Мы гарантируем, что подшипники и комплектующие прибудут к заказчику в полной сохранности.
Доставка в страны ЕАЭС
Мы работаем с проверенными логистическими партнёрами, что позволяет оперативно доставлять заказы в Беларусь, Казахстан, Армению и другие страны ЕАЭС.
Варианты оплаты:
Минимальная сумма заказа и скидки:
Документы и гарантии:
Да, конечно! Наши технические специалисты готовы помочь вам с подбором точного аналога или замены подшипника. Просто позвоните нам по телефону +7 (495) 104-99-04 или напишите на почту zakaz@podsnab.ru.
Для оперативной консультации подготовьте, пожалуйста, имеющиеся данные: маркировку, размеры, тип оборудования или артикул старого подшипника.
Да, конечно! Мы высоко ценим долгосрочное сотрудничество и доверие клиентов по всей России. Для постоянных клиентов действует персональная система скидок.
Условия формируются индивидуально и зависят от:
Чтобы узнать свои условия и получить максимально выгодное предложение, свяжитесь с персональным менеджером или напишите нам на почту zakaz@podsnab.ru.
Вы можете оформить заказ несколькими способами:
Для оформления заказа от юридического лица свяжитесь с нашим отделом по работе с корпоративными клиентами по телефону +7 (495) 104-99-04 или напишите на email zakaz@podsnab.ru, прикрепив реквизиты вашей организации.
Мы оперативно подготовим коммерческое предложение и выставим счет.
Возврат товара надлежащего качества возможен в течение 10 дней с момента получения, если товар не был в употреблении, сохранен товарный вид, упаковка не вскрывалась и присутствуют все сопроводительные документы.
Возврат денежных средств осуществляется в течение 10 рабочих дней после проверки товара складом.
В соответствии с законодательством возврату не подлежат подшипники надлежащего качества, если отсутствует оригинальная упаковка или имеются следы монтажа.
В случае выявления брака или гарантийного случая мы гарантируем возврат или обмен товара.
Да, гарантийный срок хранения устанавливается заводом-изготовителем и в среднем составляет 2 года при соблюдении условий хранения: сухое помещение, оригинальная упаковка и смазка.
Точный срок для конкретного типа подшипника уточняйте у наших менеджеров.
Пн–Пт: с 8:00 до 17:00 (МСК).
Сб–Вс: выходные дни.
Заказы на сайте принимаются круглосуточно. Заявки, поступившие после окончания рабочего дня, обрабатываются на следующий рабочий день.
Минимальная сумма заказа для доставки составляет 3000 рублей. Самовывоз со склада возможен на любую сумму при наличии товара.
ООО «УралТехГрупп»
ИНН: 7415093830
КПП: 772401001
ОГРН: 1167456069021
Банк: ПАО Сбербанк
Р/с: 40702810838000475273
К/с: 30101810400000000225
БИК: 044525225
У подшипника 1306-TV-C3 пока нет отзывов. Вы можете стать первым покупателем, поделившимся своим мнением.