Поиск подшипника
Статьи
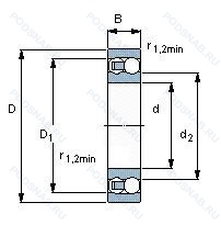
1313-TV-C3 — Подшипник шариковый двухрядный самоустанавливающийся, модификация основного исполнения 1313, выпускается производителями: FAG, NKE.
Размер подшипника: 65x140x33 мм.
Внутренний зазор больше нормального, прочный сепаратор из полиамида. армированного стекловолокном.
Аналоги: 1313TV.C3 FAG,1313ETN9/C3 SKF.
Международная стандартизации ISO
1313TVC3
В наличии
| Обозначение | Конструктивные изменения |
|---|---|
| 1313KJ | Коническое отверстие 1/12. Сепаратор из стали. |
| 1313.G15 | Литой сепаратор из полиамида 6.6. армированного стекловолокном. Центрированный элемент качения.. |
| 1313EKTN9+H313 | Литой защелкивающийся сепаратор из полиамида. армированного стекловолокном 6.6. Переходная втулка в комплекте. |
| 1313A12 | Осевой люфт в микронах. |
| 1313S | Прессованный стальной сепаратор. |
| 1313K+H313 | Коническое отверстие. конус 1/12. |
| 1313EK | Коническое отверстие. конус 1/12. Повышенная грузоподъемность. |
| 1313EKTN9 | Коническое отверстие. конус 1/12. Литой защелкивающийся сепаратор из полиамида. армированного стекловолокном 6.6. Оптимизированная внутренняя конструкция. |
| 1313EKTN9/C3 | Внутренний зазор больше нормального. Коническое отверстие. конус 1/12. Литой защелкивающийся сепаратор из полиамида. армированного стекловолокном 6.6. Оптимизированная внутренняя конструкция. |
| 1313ETN9 | Оптимизированный внутренний дизайн. Литая защелкивающаяся клетка из полиамида 6.6. армированного стекловолокном с шариковой центрировкой.. |
| 1313TV | Прочный сепаратор из полиамида. армированного стекловолокном. |
| 1313S C3 | Прессованный стальной сепаратор. Внутренний зазор больше нормального. |
| 1313TNG | Прочный сепаратор из полиамида. армированного стекловолокном. |
| 1313SK | Кулачковый толкатель штифтового типа. С шестигранной головкой. |
| 1313Z | щит из листовой прессованной стали с одной стороны подшипника. |
| 1313-K-TV | Коническое отверстие. конус 1/12. Прочный сепаратор из полиамида. армированного стекловолокном. |
| 1313TS | Лабиринтные уплотнения. |
| 1313KJC3 | Внутренний зазор больше нормального. Коническое отверстие 1/12. Сепаратор из стали. |
| 1313-TVH-C3 | Внутренний зазор больше нормального. Массивный сепаратор из армированного стекловолокном полиамида PA66. |
| 1313-K-TVH | Коническое отверстие. конус 1/12. Массивный сепаратор из армированного стекловолокном полиамида PA66. |
| 1313EK TNG | Коническое отверстие. конус 1/12. Оптимизированная внутренняя конструкция. Литой защелкивающийся сепаратор из полиамида. армированного стекловолокном 6.6. |
| 1313C4 | Внутренний зазор подшипника больше. чем C3. |
| 1313SK C3 | Внутренний зазор больше нормального. Кулачковый толкатель штифтового типа. С шестигранной головкой. |
| 1313-K-TVH-C3 + H313 | Внутренний зазор больше нормального. Коническое отверстие. Конусность 1/12. Твердая клетка из полиамида. |
| 1313 TN9 | Литой защелкивающийся сепаратор из полиамида. армированного стекловолокном 6.6. |
Модификации самоцентрирующегося шарикового подшипника 1313-TV-C3 — это измененное основное конструктивное исполнение 1313, основные размеры (65x140x33) не отличаются.
| Обозначение | Гост | Конструктивные особенности |
|---|---|---|
| 14BJ | ISO | Без суффикса. но с обозначением типа. |
| UT365E | ISO | Повышенная грузоподъемность. |
Аналог самоцентрирующегося шарикового подшипника 1313-TV-C3 — это подшипник такого же размера dx65,Dx140,Bx33, типа и конструкции.
| Обозначение | Конструктивные особенности | Внутренний (d) | Наружный (D) | Ширина (B) |
|---|---|---|---|---|
| 35-313 ЕШ3 | Шариковый радиальный однорядный подшипник. Сепаратор из текстолита.. Нормы шумности. | 65.00 | 140.00 | 33.00 |
| 36-313 Е | Шариковый радиальный однорядный подшипник. Сепаратор из текстолита.. | 65.00 | 140.00 | 33.00 |
| 36-313 Ю2Т | Шариковый радиальный однорядный подшипник. Температура отпуска. 160°. Все детали или часть деталей из нержавеющей стали.. | 65.00 | 140.00 | 33.00 |
| 4-313 А | Шариковый радиальный однорядный подшипник. Повышенная грузоподъемность. | 65.00 | 140.00 | 33.00 |
| NU 313 ECPH | Роликовый радиальный однорядный подшипник. Однорядный цилиндрический роликовый подшипник. | 65.00 | 140.00 | 33.00 |
| 42313-КМ | Роликовый радиальный однорядный подшипник. Модифицированный контакт.. | 65.00 | 140.00 | 33.00 |
| 42313-ЛМ | Роликовый радиальный однорядный подшипник. Сепаратор из латуни.. Модифицированный контакт.. | 65.00 | 140.00 | 33.00 |
| 42313-М | Роликовый радиальный однорядный подшипник. Модифицированный контакт.. | 65.00 | 140.00 | 33.00 |
| 46313-Л | Шариковый радиально-упорный однорядный подшипник. Сепаратор из латуни.. | 65.00 | 140.00 | 33.00 |
| 46313К | Шариковый радиально-упорный однорядный подшипник. «Замок» (скос) на внутреннем кольце плюс массивный сепаратор из текстолита. | 65.00 | 140.00 | 33.00 |
| 50313-А | Шариковый радиальный однорядный подшипник. Повышенная грузоподъемность. | 65.00 | 140.00 | 33.00 |
| 50313-АК | Шариковый радиальный однорядный подшипник. Повышенная грузоподъемность. | 65.00 | 140.00 | 33.00 |
| 50313A | Шариковый радиальный однорядный подшипник. Двухрядный радиально-упорный шарикоподшипник без отверстия для смазки. | 65.00 | 140.00 | 33.00 |
| 6-102313 М | Роликовый радиальный однорядный подшипник. Модифицированный контакт.. | 65.00 | 140.00 | 33.00 |
| 6-176313 ЕШ2У | Шариковый радиально-упорный однорядный подшипник. Сепаратор из текстолита.. Дополнительные технические требования. Нормы шумности. | 65.00 | 140.00 | 33.00 |
Способы доставки
Отправка через ведущие транспортные и курьерские компании: ПЭК, Деловые Линии, СДЭК, Байкал-Сервис, Энергия, КИТ, ЖелДорЭкспедиция.
Самовывоз возможен напрямую со склада в Москве.
Сроки доставки
Срок зависит от региона и выбранной транспортной компании. Все заказы комплектуются и отправляются в кратчайшие сроки со склада в Москве.
Надёжность и сохранность
Вся продукция упаковывается с учётом требований транспортировки. Мы гарантируем, что подшипники и комплектующие прибудут к заказчику в полной сохранности.
Доставка в страны ЕАЭС
Мы работаем с проверенными логистическими партнёрами, что позволяет оперативно доставлять заказы в Беларусь, Казахстан, Армению и другие страны ЕАЭС.
Варианты оплаты:
Минимальная сумма заказа и скидки:
Документы и гарантии:
Да, конечно! Наши технические специалисты готовы помочь вам с подбором точного аналога или замены подшипника. Просто позвоните нам по телефону +7 (495) 104-99-04 или напишите на почту zakaz@podsnab.ru.
Для оперативной консультации подготовьте, пожалуйста, имеющиеся данные: маркировку, размеры, тип оборудования или артикул старого подшипника.
Да, конечно! Мы высоко ценим долгосрочное сотрудничество и доверие клиентов по всей России. Для постоянных клиентов действует персональная система скидок.
Условия формируются индивидуально и зависят от:
Чтобы узнать свои условия и получить максимально выгодное предложение, свяжитесь с персональным менеджером или напишите нам на почту zakaz@podsnab.ru.
Вы можете оформить заказ несколькими способами:
Для оформления заказа от юридического лица свяжитесь с нашим отделом по работе с корпоративными клиентами по телефону +7 (495) 104-99-04 или напишите на email zakaz@podsnab.ru, прикрепив реквизиты вашей организации.
Мы оперативно подготовим коммерческое предложение и выставим счет.
Возврат товара надлежащего качества возможен в течение 10 дней с момента получения, если товар не был в употреблении, сохранен товарный вид, упаковка не вскрывалась и присутствуют все сопроводительные документы.
Возврат денежных средств осуществляется в течение 10 рабочих дней после проверки товара складом.
В соответствии с законодательством возврату не подлежат подшипники надлежащего качества, если отсутствует оригинальная упаковка или имеются следы монтажа.
В случае выявления брака или гарантийного случая мы гарантируем возврат или обмен товара.
Да, гарантийный срок хранения устанавливается заводом-изготовителем и в среднем составляет 2 года при соблюдении условий хранения: сухое помещение, оригинальная упаковка и смазка.
Точный срок для конкретного типа подшипника уточняйте у наших менеджеров.
Пн–Пт: с 8:00 до 17:00 (МСК).
Сб–Вс: выходные дни.
Заказы на сайте принимаются круглосуточно. Заявки, поступившие после окончания рабочего дня, обрабатываются на следующий рабочий день.
Минимальная сумма заказа для доставки составляет 3000 рублей. Самовывоз со склада возможен на любую сумму при наличии товара.
ООО «УралТехГрупп»
ИНН: 7415093830
КПП: 772401001
ОГРН: 1167456069021
Банк: ПАО Сбербанк
Р/с: 40702810838000475273
К/с: 30101810400000000225
БИК: 044525225
У подшипника 1313-TV-C3 пока нет отзывов. Вы можете стать первым покупателем, поделившимся своим мнением.