Поиск подшипника
Статьи
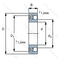
127/TNH — Подшипник шариковый двухрядный самоустанавливающийся, модификация основного исполнения 127, выпускается производителями: NSK, SKF, WIB.
Размер подшипника: 7x22x7 мм.
Подшипник с защелкиваемым сепаратором из пластмассы.
Аналоги: 127TV FAG,127-TVH FAG,127TN9 SKF,127/TNH WIB,127TN WIB.
Международная стандартизации ISO
127TNH
В наличии
| Обозначение | Конструктивные изменения |
|---|---|
| 127TN | литой под давлением сепаратор из полиамида 6.6. центрированный роликовый элемент. |
| 127 | Подшипник шариковый двухрядный самоустанавливающийся. Основное конструктивное исполнение. |
| 127-TVH | Массивный сепаратор из армированного стекловолокном полиамида PA66. |
| 127TN9 | Литой сепаратор из полиамида 6.6. армированного стекловолокном. Элемент качения по центру. |
| 127TV | Прочный сепаратор из полиамида. армированного стекловолокном. |
| 127SDTSH | Glass-Fibre Reinforced (15%) Thermoplastic Polyamide PA 4.6. 1-Piece. Standard Version For Self-Aligning Ball Bearings. High Operating Temperature. 120°C. |
| BT1-0127/Q | Оптимизированная геометрия и специальная обработка контактных поверхностей. |
| 127P | Сеаратор из литого полиамида 6.6. армированного стекловолокном. |
Модификации самоцентрирующегося шарикового подшипника 127/TNH — это измененное основное конструктивное исполнение 127, основные размеры (7x22x7) не отличаются.
| Обозначение | Гост | Конструктивные особенности |
|---|---|---|
| 108TN | ISO | литой под давлением сепаратор из полиамида 6.6. центрированный роликовый элемент. |
| 108TN9 | ISO | Литой защелкивающийся сепаратор из полиамида. армированного стекловолокном 6.6. |
| 108 | ISO | Подшипник шариковый двухрядный самоустанавливающийся. |
| 108-TVH | ISO | Массивный сепаратор из армированного стекловолокном полиамида PA66. |
| 108TN9/C3 | ISO | Внутренний зазор больше нормального. Литой защелкивающийся сепаратор из полиамида. армированного стекловолокном 6.6. |
| 108TV.C3 | ISO | Внутренний зазор больше нормального. Прочный сепаратор из полиамида. армированного стекловолокном. |
| 108M | ISO | Подшипник с латунным сепаратором. центрированный по телам качения. |
| 108-TVH-L085-C2 | ISO | Внутренний зазор подшипника меньше нормального. Литой полиамидный сепаратор (PA66). защелкивающийся. |
| 108TNG | ISO | Прочный сепаратор из полиамида. армированного стекловолокном. |
| LJ7CH02 | ISO | Подшипник шариковый двухрядный самоустанавливающийся. |
| 108SDTSH | ISO | Glass-Fibre Reinforced (15%) Thermoplastic Polyamide PA 4.6. 1-Piece. Standard Version For Self-Aligning Ball Bearings. High Operating Temperature. 120°C. |
| 108-TVH-C3 | ISO | Внутренний зазор больше нормального. Массивный сепаратор из армированного стекловолокном полиамида PA66. |
| 108TV | ISO | Прочный сепаратор из полиамида. армированного стекловолокном. |
| 108WA | ISO | Double Row. Maximum Capacity. With Special Inner And Outer Ring Corners. |
| 128P | ISO | Сеаратор из литого полиамида 6.6. армированного стекловолокном. |
Аналог самоцентрирующегося шарикового подшипника 127/TNH — это подшипник такого же размера dx7,Dx22,Bx7, типа и конструкции.
| Обозначение | Конструктивные особенности | Внутренний (d) | Наружный (D) | Ширина (B) |
|---|---|---|---|---|
| 5-80027 К1С9 | Шариковый радиальный однорядный подшипник. Смазка ЛЗ-31. | 7.00 | 22.00 | 7.00 |
| 5-80027 КС2 | Шариковый радиальный однорядный подшипник. «Замок» (скос) на внутреннем кольце плюс массивный сепаратор из текстолита. Смазка ЦИАТИМ-221. | 7.00 | 22.00 | 7.00 |
| 5-80027 С1 | Шариковый радиальный однорядный подшипник. Смазка ОКБ 122-7. | 7.00 | 22.00 | 7.00 |
| 6-1008 Ю | Шариковый радиальный двухрядный подшипник. Все детали или часть деталей из нержавеющей стали.. | 8.00 | 22.00 | 7.00 |
| 6-18 Л | Шариковый радиальный подшипник. Сепаратор из латуни.. | 8.00 | 22.00 | 7.00 |
| 6-18 Т2 | Шариковый радиальный однорядный подшипник. 200°. Температура отпуска. | 8.00 | 22.00 | 7.00 |
| 6-18 У | Шариковый радиальный однорядный подшипник. Дополнительные технические требования. | 8.00 | 22.00 | 7.00 |
| 6-18 УТ2 | Шариковый радиальный однорядный подшипник. Дополнительные технические требования. 200°. Температура отпуска. | 8.00 | 22.00 | 7.00 |
| 6-18 Ш | Шариковый радиальный однорядный подшипник. Нормы шумности. | 8.00 | 22.00 | 7.00 |
| 6-18 Ю3 | Шариковый радиальный однорядный подшипник. Все детали или часть деталей из нержавеющей стали.. | 8.00 | 22.00 | 7.00 |
| 6-18 Ю6Т | Шариковый радиальный подшипник. Температура отпуска. 160°. Все детали или часть деталей из нержавеющей стали.. | 8.00 | 22.00 | 7.00 |
| 6-18 Ю9 | Шариковый радиальный подшипник. Все детали или часть деталей из нержавеющей стали.. | 8.00 | 22.00 | 7.00 |
| 6-18 ЮТ | Шариковый радиальный подшипник. Температура отпуска. 160°. Все детали или часть деталей из нержавеющей стали.. | 8.00 | 22.00 | 7.00 |
| 6-18 ЮУТ | Шариковый радиальный однорядный подшипник. Дополнительные технические требования. Температура отпуска. 160°. Все детали или часть деталей из нержавеющей стали.. | 8.00 | 22.00 | 7.00 |
| 6-180018 КС17 | Шариковый радиальный однорядный подшипник. Смазка Литол-24. «Замок» (скос) на внутреннем кольце плюс массивный сепаратор из текстолита. | 8.00 | 22.00 | 7.00 |
Способы доставки
Отправка через ведущие транспортные и курьерские компании: ПЭК, Деловые Линии, СДЭК, Байкал-Сервис, Энергия, КИТ, ЖелДорЭкспедиция.
Самовывоз возможен напрямую со склада в Москве.
Сроки доставки
Срок зависит от региона и выбранной транспортной компании. Все заказы комплектуются и отправляются в кратчайшие сроки со склада в Москве.
Надёжность и сохранность
Вся продукция упаковывается с учётом требований транспортировки. Мы гарантируем, что подшипники и комплектующие прибудут к заказчику в полной сохранности.
Доставка в страны ЕАЭС
Мы работаем с проверенными логистическими партнёрами, что позволяет оперативно доставлять заказы в Беларусь, Казахстан, Армению и другие страны ЕАЭС.
Варианты оплаты:
Минимальная сумма заказа и скидки:
Документы и гарантии:
Да, конечно! Наши технические специалисты готовы помочь вам с подбором точного аналога или замены подшипника. Просто позвоните нам по телефону +7 (495) 104-99-04 или напишите на почту zakaz@podsnab.ru.
Для оперативной консультации подготовьте, пожалуйста, имеющиеся данные: маркировку, размеры, тип оборудования или артикул старого подшипника.
Да, конечно! Мы высоко ценим долгосрочное сотрудничество и доверие клиентов по всей России. Для постоянных клиентов действует персональная система скидок.
Условия формируются индивидуально и зависят от:
Чтобы узнать свои условия и получить максимально выгодное предложение, свяжитесь с персональным менеджером или напишите нам на почту zakaz@podsnab.ru.
Вы можете оформить заказ несколькими способами:
Для оформления заказа от юридического лица свяжитесь с нашим отделом по работе с корпоративными клиентами по телефону +7 (495) 104-99-04 или напишите на email zakaz@podsnab.ru, прикрепив реквизиты вашей организации.
Мы оперативно подготовим коммерческое предложение и выставим счет.
Возврат товара надлежащего качества возможен в течение 10 дней с момента получения, если товар не был в употреблении, сохранен товарный вид, упаковка не вскрывалась и присутствуют все сопроводительные документы.
Возврат денежных средств осуществляется в течение 10 рабочих дней после проверки товара складом.
В соответствии с законодательством возврату не подлежат подшипники надлежащего качества, если отсутствует оригинальная упаковка или имеются следы монтажа.
В случае выявления брака или гарантийного случая мы гарантируем возврат или обмен товара.
Да, гарантийный срок хранения устанавливается заводом-изготовителем и в среднем составляет 2 года при соблюдении условий хранения: сухое помещение, оригинальная упаковка и смазка.
Точный срок для конкретного типа подшипника уточняйте у наших менеджеров.
Пн–Пт: с 8:00 до 17:00 (МСК).
Сб–Вс: выходные дни.
Заказы на сайте принимаются круглосуточно. Заявки, поступившие после окончания рабочего дня, обрабатываются на следующий рабочий день.
Минимальная сумма заказа для доставки составляет 3000 рублей. Самовывоз со склада возможен на любую сумму при наличии товара.
ООО «УралТехГрупп»
ИНН: 7415093830
КПП: 772401001
ОГРН: 1167456069021
Банк: ПАО Сбербанк
Р/с: 40702810838000475273
К/с: 30101810400000000225
БИК: 044525225
У подшипника 127/TNH пока нет отзывов. Вы можете стать первым покупателем, поделившимся своим мнением.