Поиск подшипника
Статьи
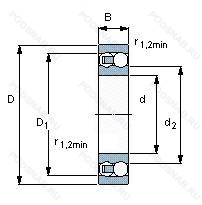
2222M/W64 — Подшипник шариковый двухрядный самоустанавливающийся, модификация основного исполнения 2222, производство SKF.
Размер подшипника: 110x200x53 мм.
Антифрикционный заполнитель. твердая смазка, подшипник с латунным сепаратором. центрированный по телам качения.
Международная стандартизации ISO
2222MW64
В наличии
| Обозначение | Конструктивные изменения |
|---|---|
| 2222-K-M | Коническое отверстие. Конусность 1/12. Подшипник с латунным сепаратором. центрированный по телам качения. |
| 2222-K-M-C3 | Внутренний зазор больше нормального. Коническое отверстие. Конусность 1/12. Подшипник с латунным сепаратором. центрированный по телам качения. |
| 2222M/C3 | Внутренний зазор больше нормального. Подшипник с латунным сепаратором. центрированный по телам качения. |
| 2222M | Твердый латунный сепаратор с шариковой направляющей. |
| 2222K | Коническое внутреннее отверстие. |
| 2222 | Подшипник шариковый двухрядный самоустанавливающийся. Основное конструктивное исполнение. |
| 2222/C3 | Внутренний зазор больше нормального. |
| 2222K C3 | Внутренний зазор больше нормального. Коническое отверстие. Конусность 1/12. |
| 2222KJ C3 | Внутренний зазор больше нормального. Коническое отверстие 1/12. Сепаратор из стали. |
| 2222KM+H322 | Переходная втулка в комплекте. |
| 2222M.C4 | Внутренний зазор подшипника больше. чем C3. Твердый латунный сепаратор. |
| 2222SK C3 | Внутренний зазор больше нормального. Кулачковый толкатель штифтового типа. С шестигранной головкой. |
| BS2-2222-2RS5K/VT143 | Заполнение пластичной смазкой SKF LGEP 2 на 25–35 %. Высокая осевая жесткость и грузоподъемность.. |
| NJ 2222 ECML | Однорядный цилиндрический роликовый подшипник. |
| NU 2222 ECNML | Однорядный цилиндрический роликовый подшипник. |
| NU 2222 ECN1ML | Однорядный цилиндрический роликовый подшипник. |
| 18R2222P | Сеаратор из литого полиамида 6.6. армированного стекловолокном. |
| 2222 K + H 322 | Коническое внутреннее отверстие. Pressed Snap-Type Steel Cage. Hardened. |
| 2222-K-M-C3 + H322 | Внутренний зазор больше нормального. Коническое отверстие. Конусность 1/12. Подшипник с латунным сепаратором. центрированный по телам качения. |
| 2222-2RS | Резиновые уплотнения с каждой стороны подшипника. |
| 2222S | Запечатанная версия кулачкового ролика. Только для внутреннего и наружного колец. |
| 2222SK | Кулачковый толкатель штифтового типа. С шестигранной головкой. Только для внутреннего и наружного колец. |
| PCZ 2222 M | Подшипник с латунным сепаратором. центрированный по телам качения. |
| PCZ 2222 E | Повышенная грузоподъемность. |
Модификации самоцентрирующегося шарикового подшипника 2222M/W64 — это измененное основное конструктивное исполнение 2222, основные размеры (110x200x53) не отличаются.
| Обозначение | Гост | Конструктивные особенности |
|---|---|---|
| U210W | ISO | Подшипник без смазочных отверстий в наружном кольце. |
Аналог самоцентрирующегося шарикового подшипника 2222M/W64 — это подшипник такого же размера dx110,Dx200,Bx53, типа и конструкции.
| Обозначение | Конструктивные особенности | Внутренний (d) | Наружный (D) | Ширина (B) |
|---|---|---|---|---|
| NUP2222R | Роликовый радиальный цилиндрический однорядный подшипник. С выпуклыми асимметричными роликами и обработанным сепаратором. | 110.00 | 200.00 | 53.00 |
| 22222AEX | Роликовый радиальный сферический двухрядный подшипник. Высокоскоростной и высокопроизводительный сферический роликоподшипник. | 110.00 | 200.00 | 53.00 |
| 22222EX | Роликовый радиальный сферический двухрядный подшипник. Optimized Inner Construction - Extreme Quality F. Extreme Requirements. | 110.00 | 200.00 | 53.00 |
| NJ2222-E-M6+HJ2222-E | Роликовый радиальный однорядный подшипник. Повышенная грузоподъемность. 20-28 UM (C3 & C4). | 110.00 | 200.00 | 53.00 |
| NJ2222-E-TVP3 | Роликовый радиальный однорядный подшипник. Повышенная грузоподъемность. Цельный сепаратор из полиамида PA66-GF25. сепаратор оконного типа. направляемый телами качения. | 110.00 | 200.00 | 53.00 |
| NJ2222-E-TVP3+HJ2222-E | Роликовый радиальный однорядный подшипник. Повышенная грузоподъемность. Цельный сепаратор из полиамида PA66-GF25. сепаратор оконного типа. направляемый телами качения. | 110.00 | 200.00 | 53.00 |
| NJ2222-E-MA6 | Роликовый радиальный однорядный подшипник. Повышенная грузоподъемность. Изготовленный из двух частей латунный сепаратор. Центрирование по внешнему кольцу. Различные конструкции или сорта материалов обозначаются цифрой или буквой.. | 110.00 | 200.00 | 53.00 |
| NJ2222-E-MPA+HJ2222-E | Роликовый радиальный однорядный подшипник. Повышенная грузоподъемность. Твердый латунный сепаратор. | 110.00 | 200.00 | 53.00 |
| NJ2222-E-MA6+HJ2222-E | Роликовый радиальный однорядный подшипник. Повышенная грузоподъемность. Изготовленный из двух частей латунный сепаратор. Центрирование по внешнему кольцу. Различные конструкции или сорта материалов обозначаются цифрой или буквой.. | 110.00 | 200.00 | 53.00 |
| NU2222-E-TVP3 | Роликовый радиальный однорядный подшипник. Повышенная грузоподъемность. Цельный сепаратор из полиамида PA66-GF25. сепаратор оконного типа. направляемый телами качения. | 110.00 | 200.00 | 53.00 |
| NU2222-E-MPA | Роликовый радиальный однорядный подшипник. Повышенная грузоподъемность. Твердый латунный сепаратор. | 110.00 | 200.00 | 53.00 |
| NU2222-E-MA6 | Роликовый радиальный однорядный подшипник. Повышенная грузоподъемность. Изготовленный из двух частей латунный сепаратор. Центрирование по внешнему кольцу. Различные конструкции или сорта материалов обозначаются цифрой или буквой.. | 110.00 | 200.00 | 53.00 |
| 7522A | Роликовый радиальный-упорный однорядный подшипник. Двухрядный радиально-упорный шарикоподшипник без отверстия для смазки. | 110.00 | 200.00 | 53.00 |
| 53522-Н | Роликовый радиальный двухрядный подшипник. Детали из теплостойкой стали. | 110.00 | 200.00 | 53.00 |
| 53522ЛН | Роликовый радиальный двухрядный подшипник. Детали из теплостойкой стали. Сепаратор из латуни.. | 110.00 | 200.00 | 53.00 |
Способы доставки
Отправка через ведущие транспортные и курьерские компании: ПЭК, Деловые Линии, СДЭК, Байкал-Сервис, Энергия, КИТ, ЖелДорЭкспедиция.
Самовывоз возможен напрямую со склада в Москве.
Сроки доставки
Срок зависит от региона и выбранной транспортной компании. Все заказы комплектуются и отправляются в кратчайшие сроки со склада в Москве.
Надёжность и сохранность
Вся продукция упаковывается с учётом требований транспортировки. Мы гарантируем, что подшипники и комплектующие прибудут к заказчику в полной сохранности.
Доставка в страны ЕАЭС
Мы работаем с проверенными логистическими партнёрами, что позволяет оперативно доставлять заказы в Беларусь, Казахстан, Армению и другие страны ЕАЭС.
Варианты оплаты:
Минимальная сумма заказа и скидки:
Документы и гарантии:
Да, конечно! Наши технические специалисты готовы помочь вам с подбором точного аналога или замены подшипника. Просто позвоните нам по телефону +7 (495) 104-99-04 или напишите на почту zakaz@podsnab.ru.
Для оперативной консультации подготовьте, пожалуйста, имеющиеся данные: маркировку, размеры, тип оборудования или артикул старого подшипника.
Да, конечно! Мы высоко ценим долгосрочное сотрудничество и доверие клиентов по всей России. Для постоянных клиентов действует персональная система скидок.
Условия формируются индивидуально и зависят от:
Чтобы узнать свои условия и получить максимально выгодное предложение, свяжитесь с персональным менеджером или напишите нам на почту zakaz@podsnab.ru.
Вы можете оформить заказ несколькими способами:
Для оформления заказа от юридического лица свяжитесь с нашим отделом по работе с корпоративными клиентами по телефону +7 (495) 104-99-04 или напишите на email zakaz@podsnab.ru, прикрепив реквизиты вашей организации.
Мы оперативно подготовим коммерческое предложение и выставим счет.
Возврат товара надлежащего качества возможен в течение 10 дней с момента получения, если товар не был в употреблении, сохранен товарный вид, упаковка не вскрывалась и присутствуют все сопроводительные документы.
Возврат денежных средств осуществляется в течение 10 рабочих дней после проверки товара складом.
В соответствии с законодательством возврату не подлежат подшипники надлежащего качества, если отсутствует оригинальная упаковка или имеются следы монтажа.
В случае выявления брака или гарантийного случая мы гарантируем возврат или обмен товара.
Да, гарантийный срок хранения устанавливается заводом-изготовителем и в среднем составляет 2 года при соблюдении условий хранения: сухое помещение, оригинальная упаковка и смазка.
Точный срок для конкретного типа подшипника уточняйте у наших менеджеров.
Пн–Пт: с 8:00 до 17:00 (МСК).
Сб–Вс: выходные дни.
Заказы на сайте принимаются круглосуточно. Заявки, поступившие после окончания рабочего дня, обрабатываются на следующий рабочий день.
Минимальная сумма заказа для доставки составляет 3000 рублей. Самовывоз со склада возможен на любую сумму при наличии товара.
ООО «УралТехГрупп»
ИНН: 7415093830
КПП: 772401001
ОГРН: 1167456069021
Банк: ПАО Сбербанк
Р/с: 40702810838000475273
К/с: 30101810400000000225
БИК: 044525225
У подшипника 2222M/W64 пока нет отзывов. Вы можете стать первым покупателем, поделившимся своим мнением.