Поиск подшипника
Статьи
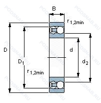
2311M — Подшипник шариковый двухрядный самоустанавливающийся, модификация основного исполнения 2311, выпускается производителями: FAG, GPZ, NKE, NSK, RHP, SKF, ZKL.
Размер подшипника: 55x120x43 мм.
Подшипник с латунным сепаратором. центрированный по телам качения.
Альтернативное обозначение: N311ECP.
Международная стандартизации ISO
2311M
В наличии
| Обозначение | Конструктивные изменения |
|---|---|
| 2311K+H2311 | Коническое отверстие. конус 1/12. Закрепительная втулка. |
| 2311S | Прессованный стальной сепаратор. Только для внутреннего и наружного колец. |
| 2311-K-2RS-TVH-C3 | Внутренний зазор больше нормального. Коническое отверстие. конус 1/12. Резиновые уплотнения с каждой стороны подшипника. Массивный сепаратор из армированного стекловолокном полиамида PA66. |
| 2311EK TN C3 | Внутренний зазор больше нормального. Коническое отверстие. конус 1/12. Шарикоподшипник. Однорядный электродвигатель. Уровень шума. сепаратор из полиамида 6.6. армированного стекловолокном. |
| 2311ETN9/C3 | Внутренний зазор больше нормального. Оптимизированный внутренний дизайн. Литая защелкивающаяся клетка из полиамида 6.6. армированного стекловолокном с шариковой центрировкой.. |
| 2311-2RS-TVH | Резиновые уплотнения с каждой стороны подшипника. Формованный полиамидный сепаратор защелкивающегося типа. |
| 2311TN | литой под давлением сепаратор из полиамида 6.6. центрированный роликовый элемент. |
| 2311SC3 | Прессованный стальной сепаратор. Внутренний зазор больше нормального. |
| 2311J | Сепаратор из стали. |
| 2311ACC | Подшипник со стальным сепаратором. |
| 2311.2RS.TV.C3 | Внутренний зазор больше нормального. Резиновые уплотнения с каждой стороны подшипника. Клетка из армированного стекловолокном полиамида 66. |
| 2311-TVH-C3 | Внутренний зазор больше нормального. Массивный сепаратор из армированного стекловолокном полиамида PA66. |
| 2311K TN | Коническое отверстие. конус 1/12. сепаратор из полиамида 6.6. армированного стекловолокном. |
| 2311TNC3 | Внутренний зазор больше нормального. сепаратор из полиамида 6.6. армированного стекловолокном. |
| 2311M/P3 | Подшипник с латунным сепаратором. центрированный по телам качения. Класс точности ниже. чем P2. но выше. чем P4. |
| 2311M/P63 | Подшипник с латунным сепаратором. центрированный по телам качения. Комбинация P6 (Точность размеров и пробега в соответствии с классом допуска ISO 6 (лучше нормы)) и C3 (Внутренний зазор больше нормы). |
| 2311K.2RS.TV.C3 | Внутренний зазор больше нормального. Коническое отверстие. конус 1/12. Резиновые уплотнения с каждой стороны подшипника. Прочный сепаратор из полиамида. армированного стекловолокном. |
| 2311SK | Кулачковый толкатель штифтового типа. С шестигранной головкой. Только для внутреннего и наружного колец. |
| 2311-2RS-TVH-C3 | Внутренний зазор больше нормального. Резиновые уплотнения с каждой стороны подшипника. Формованный полиамидный сепаратор защелкивающегося типа. |
| BS2-2311-2CSK/VT143 | Заполнение пластичной смазкой SKF LGEP 2 на 25–35 %. Высокая осевая жесткость и грузоподъемность.. |
| NU 2311 ECKML | Однорядный цилиндрический роликовый подшипник. |
| NUP 2311 ECML | Однорядный цилиндрический роликовый подшипник. |
| 2311-K-TVH-C3 + H2311 | Внутренний зазор больше нормального. Коническое отверстие. Конусность 1/12. Твердая клетка из полиамида. |
| NJ 2311 ECPH | Однорядный цилиндрический роликовый подшипник. |
| NU 2311 ECPH | Однорядный цилиндрический роликовый подшипник. |
Модификации самоцентрирующегося шарикового подшипника 2311M — это измененное основное конструктивное исполнение 2311, основные размеры (55x120x43) не отличаются.
| Обозначение | Гост | Конструктивные особенности |
|---|---|---|
| 1611 | ISO | Подшипник шариковый двухрядный самоустанавливающийся. |
| N311ECP | ISO | Оптимизированная внутренняя конструкция предусматривает увеличенное количество роликов и/или ролики большего размера с улучшенными условиями контакта торцов роликов с бортами внутреннего кольца. Сепаратор из стеклонаполненного полиамида PA66. центрируемый по роликам. Однорядный цилиндрический роликовый подшипник. |
Аналог самоцентрирующегося шарикового подшипника 2311M — это подшипник такого же размера dx55,Dx120,Bx43, типа и конструкции.
| Обозначение | Конструктивные особенности | Внутренний (d) | Наружный (D) | Ширина (B) |
|---|---|---|---|---|
| NU2311-E-MA6 | Роликовый радиальный однорядный подшипник. Повышенная грузоподъемность. Изготовленный из двух частей латунный сепаратор. Центрирование по внешнему кольцу. Различные конструкции или сорта материалов обозначаются цифрой или буквой.. | 55.00 | 120.00 | 43.00 |
| NU2311-E-M6 | Роликовый радиальный однорядный подшипник. Повышенная грузоподъемность. 20-28 UM (C3 & C4). | 55.00 | 120.00 | 43.00 |
| NU2311-E-TVP3 | Роликовый радиальный однорядный подшипник. Повышенная грузоподъемность. Цельный сепаратор из полиамида PA66-GF25. сепаратор оконного типа. направляемый телами качения. | 55.00 | 120.00 | 43.00 |
| NU2311-E-MPA | Роликовый радиальный однорядный подшипник. Повышенная грузоподъемность. Твердый латунный сепаратор. | 55.00 | 120.00 | 43.00 |
| UK311L3 | Шариковый радиальный однорядный подшипник. Тройное манжетное уплотнение для вкладыша подшипника. | 55.00 | 120.00 | 43.00 |
| 402611-КМУ | Роликовый радиальный цилиндрический подшипник. Кольцевая проточка на середине цилиндрической наружной поверхности наружного кольца плюс три отверстия для смазки. Дополнительные технические требования. Модифицированный контакт.. | 55.00 | 120.00 | 43.00 |
| 402611KMУ | Роликовый радиальный однорядный подшипник. Type Of Model. Дополнительные технические требования. | 55.00 | 120.00 | 43.00 |
| 53611-Е | Роликовый радиальный двухрядный подшипник. Сепаратор из текстолита.. | 55.00 | 120.00 | 43.00 |
| 53611-ЕШ | Роликовый радиальный двухрядный подшипник. Сепаратор из текстолита.. Нормы шумности. | 55.00 | 120.00 | 43.00 |
| 53611-Л | Роликовый радиальный двухрядный подшипник. Сепаратор из латуни.. | 55.00 | 120.00 | 43.00 |
| 53611-М | Роликовый радиальный двухрядный подшипник. Модифицированный контакт.. | 55.00 | 120.00 | 43.00 |
| 53611-Н | Роликовый радиальный двухрядный подшипник. Детали из теплостойкой стали. | 55.00 | 120.00 | 43.00 |
| 53611-НЕ | Роликовый радиальный двухрядный подшипник. Сепаратор из текстолита.. Детали из теплостойкой стали. | 55.00 | 120.00 | 43.00 |
| 53611-Т | Роликовый радиальный двухрядный подшипник. Температура отпуска. 160°. | 55.00 | 120.00 | 43.00 |
| 53611-Ш | Роликовый радиальный двухрядный подшипник. Нормы шумности. | 55.00 | 120.00 | 43.00 |
Способы доставки
Отправка через ведущие транспортные и курьерские компании: ПЭК, Деловые Линии, СДЭК, Байкал-Сервис, Энергия, КИТ, ЖелДорЭкспедиция.
Самовывоз возможен напрямую со склада в Москве.
Сроки доставки
Срок зависит от региона и выбранной транспортной компании. Все заказы комплектуются и отправляются в кратчайшие сроки со склада в Москве.
Надёжность и сохранность
Вся продукция упаковывается с учётом требований транспортировки. Мы гарантируем, что подшипники и комплектующие прибудут к заказчику в полной сохранности.
Доставка в страны ЕАЭС
Мы работаем с проверенными логистическими партнёрами, что позволяет оперативно доставлять заказы в Беларусь, Казахстан, Армению и другие страны ЕАЭС.
Варианты оплаты:
Минимальная сумма заказа и скидки:
Документы и гарантии:
Да, конечно! Наши технические специалисты готовы помочь вам с подбором точного аналога или замены подшипника. Просто позвоните нам по телефону +7 (495) 104-99-04 или напишите на почту zakaz@podsnab.ru.
Для оперативной консультации подготовьте, пожалуйста, имеющиеся данные: маркировку, размеры, тип оборудования или артикул старого подшипника.
Да, конечно! Мы высоко ценим долгосрочное сотрудничество и доверие клиентов по всей России. Для постоянных клиентов действует персональная система скидок.
Условия формируются индивидуально и зависят от:
Чтобы узнать свои условия и получить максимально выгодное предложение, свяжитесь с персональным менеджером или напишите нам на почту zakaz@podsnab.ru.
Вы можете оформить заказ несколькими способами:
Для оформления заказа от юридического лица свяжитесь с нашим отделом по работе с корпоративными клиентами по телефону +7 (495) 104-99-04 или напишите на email zakaz@podsnab.ru, прикрепив реквизиты вашей организации.
Мы оперативно подготовим коммерческое предложение и выставим счет.
Возврат товара надлежащего качества возможен в течение 10 дней с момента получения, если товар не был в употреблении, сохранен товарный вид, упаковка не вскрывалась и присутствуют все сопроводительные документы.
Возврат денежных средств осуществляется в течение 10 рабочих дней после проверки товара складом.
В соответствии с законодательством возврату не подлежат подшипники надлежащего качества, если отсутствует оригинальная упаковка или имеются следы монтажа.
В случае выявления брака или гарантийного случая мы гарантируем возврат или обмен товара.
Да, гарантийный срок хранения устанавливается заводом-изготовителем и в среднем составляет 2 года при соблюдении условий хранения: сухое помещение, оригинальная упаковка и смазка.
Точный срок для конкретного типа подшипника уточняйте у наших менеджеров.
Пн–Пт: с 8:00 до 17:00 (МСК).
Сб–Вс: выходные дни.
Заказы на сайте принимаются круглосуточно. Заявки, поступившие после окончания рабочего дня, обрабатываются на следующий рабочий день.
Минимальная сумма заказа для доставки составляет 3000 рублей. Самовывоз со склада возможен на любую сумму при наличии товара.
ООО «УралТехГрупп»
ИНН: 7415093830
КПП: 772401001
ОГРН: 1167456069021
Банк: ПАО Сбербанк
Р/с: 40702810838000475273
К/с: 30101810400000000225
БИК: 044525225
У подшипника 2311M пока нет отзывов. Вы можете стать первым покупателем, поделившимся своим мнением.