Поиск подшипника
Статьи
NKXR30 — Роликовый игольчатый подшипник, основное исполнение, выпускается производителями: INA, NEUTRAL, NIS, NKE, NTN, SKF.
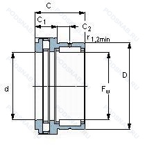
Размер подшипника: 30x42x30 мм.
Альтернативное обозначение: NAXR30.
Аналоги: NKXR30 INA,NAXR30TN FAG,NKXR30-H+26+20 INA,NKXR30 SKF,NKXR30T2 NTN.
Международная стандартизации ISO
NKXR30
В наличии
Роликовый подшипник NKXR30 производства SKF относится к комбинированным игольчато-радиально-упорным подшипникам, предназначенным для одновременного восприятия радиальных и осевых нагрузок. Такая конструкция применяется в компактных узлах, где требуется высокая грузоподъёмность при ограниченном монтажном пространстве.
Игольчатая часть обеспечивает эффективную работу при радиальных нагрузках, а упорный роликовый элемент — стабильное восприятие осевых усилий. Комбинированное исполнение позволяет сократить количество отдельных опорных элементов в узле и повысить его жёсткость.
При монтаже подшипника SKF NKXR30 необходимо обеспечить точность посадочных поверхностей и корректную ориентацию подшипника в узле. Соблюдение монтажных требований напрямую влияет на распределение нагрузок и расчётный ресурс.
| Обозначение | Конструктивные изменения |
|---|---|
| NKXR30Z | щит из листовой прессованной стали с одной стороны подшипника. |
| NKXR30ZA | Код предварительной нагрузки. |
| NKXR30T2 | Molded Cage Assembly Of Polyamide Plastic. Max. Permissible Temperature/ 120 ̊C. Max. Continuous Operating Temperature/ 100 ̊C. |
| NKXR30-H+26+20 | Закаленный сепаратор. Distance Between Beginning Of The Rail And First Hole In MM. 1.5/8. |
| NKXR30A | Особенность внутренней конструкции. |
| NKXR30T2Z | Металлическая защитная шайба с одной стороны. Molded Cage Assembly Of Polyamide Plastic. Max. Permissible Temperature/ 120 ̊C. Max. Continuous Operating Temperature/ 100 ̊C. |
| NKXR30-P5-XL | Серия X-Life премиум-класс. увеличиный срок службы. Размерная и рабочая точность соответствует классу допуска ISO 5. |
Модификации игольчатого роликового подшипника NKXR30 — это измененное основное конструктивное исполнение NKXR30, основные размеры (30x42x30) не отличаются.
| Обозначение | Гост | Конструктивные особенности |
|---|---|---|
| NAXR30TN | ISO | литой под давлением сепаратор из полиамида 6.6. центрированный роликовый элемент. |
| K30X42X30-H | ISO | Pressed Snap-Type Steel Cage. Hardened. |
| K30X42X30 | ISO | Игольчатый роликовый подшипник без колец. |
| RNA6905UU | ISO | Резиновые уплотнения с каждой стороны подшипника. |
| NKX30B | ISO | Особенность внутренней конструкции. |
| NKX30Z | ISO | щит из листовой прессованной стали с одной стороны подшипника. |
| NAXR30Z | ISO | щит из листовой прессованной стали с одной стороны подшипника. |
| RNA6905 | ISO | Измененная или модифицированная внутренняя конструкция при неизменных основных размерах. Канавка под стопорное кольцо на наружном кольце подшипника. Однорядный игольчатый роликоподшипник с сепаратором. |
| NAXR30 | ISO | Роликовый игольчатый подшипник. |
| NKX30T2Z | ISO | Металлическая защитная шайба с одной стороны. Molded Cage Assembly Of Polyamide Plastic. Max. Permissible Temperature/ 120 ̊C. Max. Continuous Operating Temperature/ 100 ̊C. |
| RNA6905A | ISO | Модификация внутренней конструкции. |
| NKX30T2 | ISO | Molded Cage Assembly Of Polyamide Plastic. Max. Permissible Temperature/ 120 ̊C. Max. Continuous Operating Temperature/ 100 ̊C. |
| NKX30ZB | ISO | Optimized Roller Profile. |
| NKX30ZA | ISO | Код предварительной нагрузки. |
| RNA6905-XL | ISO | Серия X-Life премиум-класс. увеличиный срок службы. Однорядный игольчатый роликоподшипник с сепаратором. |
| NBX3030P6 | ISO | Размерные и геометрические допуски соответствуют классу точности P6. |
| K30X42X30/0-7 | ISO | микрон. игольчатая сортировка. |
| NKX30A | ISO | Особенность внутренней конструкции. |
| NX30-XL | ISO | Серия X-Life премиум-класс. увеличиный срок службы. |
| NX30-Z-XL | ISO | Серия X-Life премиум-класс. увеличиный срок службы. щит из листовой прессованной стали с одной стороны подшипника. |
| NKX30-Z-TV-XL | ISO | Серия X-Life премиум-класс. увеличиный срок службы. щит из листовой прессованной стали с одной стороны подшипника. Сепаратор из полиамида. |
| NAXR30ZTN | ISO | щит из листовой прессованной стали с одной стороны подшипника. литой под давлением сепаратор из полиамида 6.6. центрированный роликовый элемент. |
Аналог игольчатого роликового подшипника NKXR30 — это подшипник такого же размера dx30,Dx42,Bx30, типа и конструкции.
| Обозначение | Конструктивные особенности | Внутренний (d) | Наружный (D) | Ширина (B) |
|---|---|---|---|---|
| 4-584805 Д | Комбинированный подшипник двухрядный. Сепаратор из алюминиевого сплава.. | 30.00 | 42.00 | 30.00 |
| 5-564805 | Роликовый радиальный игольчатый подшипник. | 30.00 | 42.00 | 30.00 |
| 4-584805 | Роликовый радиальный игольчатый подшипник. | 30.00 | 42.00 | 30.00 |
| 6254905 | Роликовый радиальный однорядный подшипник. | 30.00 | 42.00 | 30.00 |
| RNA 6905U | Роликовый игольчатый подшипник однорядный. Универсальный одиночный подшипник. | 30.00 | 42.00 | 30.00 |
| LM3530 | Роликовый игольчатый подшипник однорядный. | 30.00 | 42.00 | 30.20 |
| NQ304230 | Роликовый игольчатый подшипник однорядный. | 30.00 | 42.00 | 30.00 |
| RNA6905TT | Роликовый игольчатый подшипник однорядный. Комплект из трех согласованных однорядных радиально-упорных шарикоподшипников или радиально-упорных шарикоподшипников, расположенных тандемно. | 30.00 | 42.00 | 30.00 |
| NK30X42X30 | Роликовый игольчатый подшипник однорядный. Изменённая фаска. | 30.00 | 42.00 | 30.00 |
| RNA6905R | Роликовый игольчатый подшипник двухрядный. С выпуклыми асимметричными роликами и обработанным сепаратором. | 30.00 | 42.00 | 30.00 |
Способы доставки
Отправка через ведущие транспортные и курьерские компании: ПЭК, Деловые Линии, СДЭК, Байкал-Сервис, Энергия, КИТ, ЖелДорЭкспедиция.
Самовывоз возможен напрямую со склада в Москве.
Сроки доставки
Срок зависит от региона и выбранной транспортной компании. Все заказы комплектуются и отправляются в кратчайшие сроки со склада в Москве.
Надёжность и сохранность
Вся продукция упаковывается с учётом требований транспортировки. Мы гарантируем, что подшипники и комплектующие прибудут к заказчику в полной сохранности.
Доставка в страны ЕАЭС
Мы работаем с проверенными логистическими партнёрами, что позволяет оперативно доставлять заказы в Беларусь, Казахстан, Армению и другие страны ЕАЭС.
Варианты оплаты:
Минимальная сумма заказа и скидки:
Документы и гарантии:
Да, конечно! Наши технические специалисты готовы помочь вам с подбором точного аналога или замены подшипника. Просто позвоните нам по телефону +7 (495) 104-99-04 или напишите на почту zakaz@podsnab.ru.
Для оперативной консультации подготовьте, пожалуйста, имеющиеся данные: маркировку, размеры, тип оборудования или артикул старого подшипника.
Да, конечно! Мы высоко ценим долгосрочное сотрудничество и доверие клиентов по всей России. Для постоянных клиентов действует персональная система скидок.
Условия формируются индивидуально и зависят от:
Чтобы узнать свои условия и получить максимально выгодное предложение, свяжитесь с персональным менеджером или напишите нам на почту zakaz@podsnab.ru.
Вы можете оформить заказ несколькими способами:
Для оформления заказа от юридического лица свяжитесь с нашим отделом по работе с корпоративными клиентами по телефону +7 (495) 104-99-04 или напишите на email zakaz@podsnab.ru, прикрепив реквизиты вашей организации.
Мы оперативно подготовим коммерческое предложение и выставим счет.
Возврат товара надлежащего качества возможен в течение 10 дней с момента получения, если товар не был в употреблении, сохранен товарный вид, упаковка не вскрывалась и присутствуют все сопроводительные документы.
Возврат денежных средств осуществляется в течение 10 рабочих дней после проверки товара складом.
В соответствии с законодательством возврату не подлежат подшипники надлежащего качества, если отсутствует оригинальная упаковка или имеются следы монтажа.
В случае выявления брака или гарантийного случая мы гарантируем возврат или обмен товара.
Да, гарантийный срок хранения устанавливается заводом-изготовителем и в среднем составляет 2 года при соблюдении условий хранения: сухое помещение, оригинальная упаковка и смазка.
Точный срок для конкретного типа подшипника уточняйте у наших менеджеров.
Пн–Пт: с 8:00 до 17:00 (МСК).
Сб–Вс: выходные дни.
Заказы на сайте принимаются круглосуточно. Заявки, поступившие после окончания рабочего дня, обрабатываются на следующий рабочий день.
Минимальная сумма заказа для доставки составляет 3000 рублей. Самовывоз со склада возможен на любую сумму при наличии товара.
ООО «УралТехГрупп»
ИНН: 7415093830
КПП: 772401001
ОГРН: 1167456069021
Банк: ПАО Сбербанк
Р/с: 40702810838000475273
К/с: 30101810400000000225
БИК: 044525225
У подшипника NKXR30 пока нет отзывов. Вы можете стать первым покупателем, поделившимся своим мнением.