Поиск подшипника
Статьи
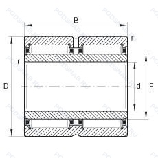
NA69/32ZW — Роликовый игольчатый подшипник, модификация основного исполнения NA6932, выпускается производителями: INA, Подшипники NBS.
Размер подшипника: 32x52x36 мм.
Игольчатый роликоподшипник с размерами по ISO 15, двухрядный игольчатый ролик и сепаратор в сборе.
Аналоги: NA69/32A FAG,NA69/32-ZW-XL INA,NA69/32 SKF,NA69/32A Torrington,NA69/32R NTN,NA69/32A Koyo.
Международная стандартизации ISO
NA6932ZW
В наличии
| Обозначение | Конструктивные изменения |
|---|---|
| NA69/32B | Роликовый игольчатый подшипник. |
| NA69/32A | Роликовый игольчатый подшипник. |
| NA69/32 | Игольчатый роликовый подшипник с размерами по ISO 15. Канавка под стопорное кольцо на наружном кольце подшипника. 02. |
| NA69/32IS1 | Одно смазочное отверстие во внутреннем кольце. |
| NA69/32R | Тип ребра. |
| NA69/32-ZW-XL-C3 | Внутренний зазор больше нормального. Двухрядный игольчатый ролик и сепаратор в сборе. Серия X-Life премиум-класс. увеличиный срок службы. |
| NA69/32UU | Резиновые уплотнения с каждой стороны подшипника. |
| NA69/32-ZW-XL | Двухрядный игольчатый ролик и сепаратор в сборе. Серия X-Life премиум-класс. увеличиный срок службы. |
| NA69/32-ZW-IS1-XL | Двухрядный игольчатый ролик и сепаратор в сборе. Серия X-Life премиум-класс. увеличиный срок службы. Одно смазочное отверстие во внутреннем кольце. |
Модификации игольчатого роликового подшипника NA69/32ZW — это измененное основное конструктивное исполнение NA6932, основные размеры (32x52x36) не отличаются.
| Обозначение | Гост | Конструктивные особенности |
|---|---|---|
| NA69/32 | ISO | Игольчатый роликовый подшипник с размерами по ISO 15. Канавка под стопорное кольцо на наружном кольце подшипника. 02. |
Аналог игольчатого роликового подшипника NA69/32ZW — это подшипник такого же размера dx32,Dx52,Bx36, типа и конструкции.
| Обозначение | Конструктивные особенности | Внутренний (d) | Наружный (D) | Ширина (B) |
|---|---|---|---|---|
| NA 69/32U | Роликовый игольчатый подшипник однорядный. Универсальный одиночный подшипник. | 32.00 | 52.00 | 37.00 |
| А-69/32 | Роликовый радиальный подшипник. Повышенная грузоподъемность. | 32.00 | 52.00 | 36.00 |
| NA69/32TT | Роликовый игольчатый подшипник однорядный. | 32.00 | 52.00 | 37.00 |
Способы доставки
Отправка через ведущие транспортные и курьерские компании: ПЭК, Деловые Линии, СДЭК, Байкал-Сервис, Энергия, КИТ, ЖелДорЭкспедиция.
Самовывоз возможен напрямую со склада в Москве.
Сроки доставки
Срок зависит от региона и выбранной транспортной компании. Все заказы комплектуются и отправляются в кратчайшие сроки со склада в Москве.
Надёжность и сохранность
Вся продукция упаковывается с учётом требований транспортировки. Мы гарантируем, что подшипники и комплектующие прибудут к заказчику в полной сохранности.
Доставка в страны ЕАЭС
Мы работаем с проверенными логистическими партнёрами, что позволяет оперативно доставлять заказы в Беларусь, Казахстан, Армению и другие страны ЕАЭС.
Варианты оплаты:
Минимальная сумма заказа и скидки:
Документы и гарантии:
Да, конечно! Наши технические специалисты готовы помочь вам с подбором точного аналога или замены подшипника. Просто позвоните нам по телефону +7 (495) 104-99-04 или напишите на почту zakaz@podsnab.ru.
Для оперативной консультации подготовьте, пожалуйста, имеющиеся данные: маркировку, размеры, тип оборудования или артикул старого подшипника.
Да, конечно! Мы высоко ценим долгосрочное сотрудничество и доверие клиентов по всей России. Для постоянных клиентов действует персональная система скидок.
Условия формируются индивидуально и зависят от:
Чтобы узнать свои условия и получить максимально выгодное предложение, свяжитесь с персональным менеджером или напишите нам на почту zakaz@podsnab.ru.
Вы можете оформить заказ несколькими способами:
Для оформления заказа от юридического лица свяжитесь с нашим отделом по работе с корпоративными клиентами по телефону +7 (495) 104-99-04 или напишите на email zakaz@podsnab.ru, прикрепив реквизиты вашей организации.
Мы оперативно подготовим коммерческое предложение и выставим счет.
Возврат товара надлежащего качества возможен в течение 10 дней с момента получения, если товар не был в употреблении, сохранен товарный вид, упаковка не вскрывалась и присутствуют все сопроводительные документы.
Возврат денежных средств осуществляется в течение 10 рабочих дней после проверки товара складом.
В соответствии с законодательством возврату не подлежат подшипники надлежащего качества, если отсутствует оригинальная упаковка или имеются следы монтажа.
В случае выявления брака или гарантийного случая мы гарантируем возврат или обмен товара.
Да, гарантийный срок хранения устанавливается заводом-изготовителем и в среднем составляет 2 года при соблюдении условий хранения: сухое помещение, оригинальная упаковка и смазка.
Точный срок для конкретного типа подшипника уточняйте у наших менеджеров.
Пн–Пт: с 8:00 до 17:00 (МСК).
Сб–Вс: выходные дни.
Заказы на сайте принимаются круглосуточно. Заявки, поступившие после окончания рабочего дня, обрабатываются на следующий рабочий день.
Минимальная сумма заказа для доставки составляет 3000 рублей. Самовывоз со склада возможен на любую сумму при наличии товара.
ООО «УралТехГрупп»
ИНН: 7415093830
КПП: 772401001
ОГРН: 1167456069021
Банк: ПАО Сбербанк
Р/с: 40702810838000475273
К/с: 30101810400000000225
БИК: 044525225
У подшипника NA69/32ZW пока нет отзывов. Вы можете стать первым покупателем, поделившимся своим мнением.