Поиск подшипника
Статьи
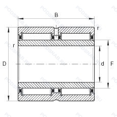
NA6915ZW — Роликовый игольчатый подшипник, модификация основного исполнения NA6915, выпускается производителями: INA, Подшипники NBS.
Размер подшипника: 75x105x54 мм.
Игольчатый роликоподшипник с размерами по ISO 15, двухрядный игольчатый ролик и сепаратор в сборе.
Аналоги: NA6915 FAG,NA6915-ZW-XL INA,NA6915 SKF,NA6915 IKO,NA6915R NTN.
Международная стандартизации ISO
NA6915ZW
В наличии
| Обозначение | Конструктивные изменения |
|---|---|
| NA6915A.R200.250.S3 | Двухрядный радиально-упорный шарикоподшипник без отверстия для смазки. Stabilized For Operating Temperatures Up To 570℉. (=300°C). Длина гусеницы в мм. Resistant Up To 250°C. |
| NA6915/S3VS001 | Кольца или шайбы подшипников, стабилизированные по размерам для использования при рабочих температурах до +300°C (572°F). |
| NA6915A | Двухрядный радиально-упорный шарикоподшипник без отверстия для смазки. |
| NA6915 | Измененная или модифицированная внутренняя конструкция при неизменных основных размерах. Игольчатый роликовый подшипник с размерами по ISO 15. Канавка под стопорное кольцо на наружном кольце подшипника. Основное конструктивное исполнение. |
| NA6915UU | Резиновые уплотнения с каждой стороны подшипника. |
| NA6915-C4 | Внутренний зазор подшипника больше. чем C3. |
| NA6915-ZW-H-S3-XL-R20 | Двухрядный игольчатый ролик и сепаратор в сборе. Серия X-Life премиум-класс. увеличиный срок службы. Pressed Snap-Type Steel Cage. Hardened. Stabilized For Operating Temperatures Up To 570℉. (=300°C). Длина гусеницы в мм. |
| NA6915-200-250.S3 | Кольца или шайбы подшипников, стабилизированные по размерам для использования при рабочих температурах до +300°C (572°F). Radial Clearance In μm. |
| NA6915R | Тип ребра. |
| NA6915-ZW-XL | Двухрядный игольчатый ролик и сепаратор в сборе. Серия X-Life премиум-класс. увеличиный срок службы. |
| NA6915S3 | Кольца или шайбы подшипников, стабилизированные по размерам для использования при рабочих температурах до +300°C (572°F). |
| NA6915ZWHS3XLR200-250 | Двухрядный игольчатый ролик и сепаратор в сборе. Серия X-Life премиум-класс. увеличиный срок службы. Stabilized For Operating Temperatures Up To 570℉. (=300°C). Resistant Up To 250°C. |
| NA6915-2RS | Резиновые уплотнения с каждой стороны подшипника. |
| NA6915TT | Комплект из трех согласованных однорядных радиально-упорных шарикоподшипников или радиально-упорных шарикоподшипников, расположенных тандемно. |
Модификации игольчатого роликового подшипника NA6915ZW — это измененное основное конструктивное исполнение NA6915, основные размеры (75x105x54) не отличаются.
| Обозначение | Конструктивные особенности | Внутренний (d) | Наружный (D) | Ширина (B) |
|---|---|---|---|---|
| C6915-2CS5V/C3 | Тороидальный роликовый подшипник CARB. Внутренний зазор больше нормального. Контактное уплотнение из листовой стали, усиленное гидрогенизированным акрилонитрил-бутадиеновым каучуком (HNBR) с обеих сторон. Свободное пространство в подшипнике на 70–100 % заполнено высокотемпературной смазкой.. | 75.00 | 105.00 | 54.00 |
| C6915-CS5V/C3 | Тороидальный роликовый подшипник CARB. Bearing Internal Clearance Greater Than Normal. Sheet Steel Reinforced Contact Seal Of Hydrogenated Acrylonitrile-Butadiene Rubber (Hnbr) On One Side Of The Bearing. | 75.00 | 105.00 | 54.00 |
| C6915-CS5V/C4 | Тороидальный роликовый подшипник CARB. Внутренний зазор подшипника больше. чем C3. Sheet Steel Reinforced Contact Seal Of Hydrogenated Acrylonitrile-Butadiene Rubber (Hnbr) On One Side Of The Bearing. | 75.00 | 105.00 | 54.00 |
| C6915V/C3VE240 | Тороидальный роликовый подшипник CARB. Внутренний зазор больше нормального. Подшипник без сепаратора. С полным комплектом тел качения. Подшипник модифицирован для большего осевого смещения. | 75.00 | 105.00 | 54.00 |
| NNF5015-2LS-V | Подшипник роликовый цилиндрический двухрядный. Контактное уплотнение с обеих сторон подшипника. Подшипник без сепаратора. С полным комплектом тел качения. | 75.00 | 115.00 | 54.00 |
| C6915-2CS5V/C4 | Тороидальный роликовый подшипник CARB. Внутренний зазор подшипника больше. чем C3. Контактное уплотнение из листовой стали, усиленное гидрогенизированным акрилонитрил-бутадиеновым каучуком (HNBR) с обеих сторон. Свободное пространство в подшипнике на 70–100 % заполнено высокотемпературной смазкой.. | 75.00 | 105.00 | 54.00 |
| C6915-2CS5V | Тороидальный роликовый подшипник CARB. Тороидальный подшипник CARB. Контактное уплотнение из листовой стали, усиленное гидрогенизированным акрилонитрил-бутадиеновым каучуком (HNBR) с обеих сторон. Свободное пространство в подшипнике на 70–100 % заполнено высокотемпературной смазкой.. | 75.00 | 105.00 | 54.00 |
| C 6915-2CS5V/GEM9 | Роликовый радиальный подшипник. Тороидальный подшипник CARB. Заполнен на 70 – 100 % смазкой LGHB 2. | 75.00 | 105.00 | 54.00 |
| 6452915 | Роликовый радиальный подшипник многорядный подшипник. | 75.00 | 105.00 | 54.00 |
| NA 6915U | Роликовый игольчатый подшипник однорядный. Универсальный одиночный подшипник. | 75.00 | 105.00 | 55.00 |
| C 6915 V/VE240 | Тороидальный однорядный подшипник. Тороидальный подшипник CARB. Подшипник без сепаратора. С полным комплектом тел качения. Подшипник модифицирован для большего осевого смещения. | 75.00 | 105.00 | 54.00 |
Способы доставки
Отправка через ведущие транспортные и курьерские компании: ПЭК, Деловые Линии, СДЭК, Байкал-Сервис, Энергия, КИТ, ЖелДорЭкспедиция.
Самовывоз возможен напрямую со склада в Москве.
Сроки доставки
Срок зависит от региона и выбранной транспортной компании. Все заказы комплектуются и отправляются в кратчайшие сроки со склада в Москве.
Надёжность и сохранность
Вся продукция упаковывается с учётом требований транспортировки. Мы гарантируем, что подшипники и комплектующие прибудут к заказчику в полной сохранности.
Доставка в страны ЕАЭС
Мы работаем с проверенными логистическими партнёрами, что позволяет оперативно доставлять заказы в Беларусь, Казахстан, Армению и другие страны ЕАЭС.
Варианты оплаты:
Минимальная сумма заказа и скидки:
Документы и гарантии:
Да, конечно! Наши технические специалисты готовы помочь вам с подбором точного аналога или замены подшипника. Просто позвоните нам по телефону +7 (495) 104-99-04 или напишите на почту zakaz@podsnab.ru.
Для оперативной консультации подготовьте, пожалуйста, имеющиеся данные: маркировку, размеры, тип оборудования или артикул старого подшипника.
Да, конечно! Мы высоко ценим долгосрочное сотрудничество и доверие клиентов по всей России. Для постоянных клиентов действует персональная система скидок.
Условия формируются индивидуально и зависят от:
Чтобы узнать свои условия и получить максимально выгодное предложение, свяжитесь с персональным менеджером или напишите нам на почту zakaz@podsnab.ru.
Вы можете оформить заказ несколькими способами:
Для оформления заказа от юридического лица свяжитесь с нашим отделом по работе с корпоративными клиентами по телефону +7 (495) 104-99-04 или напишите на email zakaz@podsnab.ru, прикрепив реквизиты вашей организации.
Мы оперативно подготовим коммерческое предложение и выставим счет.
Возврат товара надлежащего качества возможен в течение 10 дней с момента получения, если товар не был в употреблении, сохранен товарный вид, упаковка не вскрывалась и присутствуют все сопроводительные документы.
Возврат денежных средств осуществляется в течение 10 рабочих дней после проверки товара складом.
В соответствии с законодательством возврату не подлежат подшипники надлежащего качества, если отсутствует оригинальная упаковка или имеются следы монтажа.
В случае выявления брака или гарантийного случая мы гарантируем возврат или обмен товара.
Да, гарантийный срок хранения устанавливается заводом-изготовителем и в среднем составляет 2 года при соблюдении условий хранения: сухое помещение, оригинальная упаковка и смазка.
Точный срок для конкретного типа подшипника уточняйте у наших менеджеров.
Пн–Пт: с 8:00 до 17:00 (МСК).
Сб–Вс: выходные дни.
Заказы на сайте принимаются круглосуточно. Заявки, поступившие после окончания рабочего дня, обрабатываются на следующий рабочий день.
Минимальная сумма заказа для доставки составляет 3000 рублей. Самовывоз со склада возможен на любую сумму при наличии товара.
ООО «УралТехГрупп»
ИНН: 7415093830
КПП: 772401001
ОГРН: 1167456069021
Банк: ПАО Сбербанк
Р/с: 40702810838000475273
К/с: 30101810400000000225
БИК: 044525225
У подшипника NA6915ZW пока нет отзывов. Вы можете стать первым покупателем, поделившимся своим мнением.