Поиск подшипника
Статьи
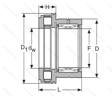
NAXR45Z — Роликовый игольчатый подшипник, модификация основного исполнения NAXR45, производство FAG.
Размер подшипника: 45x58x32 мм.
Упорные цилиндрические роликовые и радиальные игольчатые роликоподшипники без внутреннего кольца с механической обработкой наружного кольца, щит из листовой прессованной стали с одной стороны подшипника.
Альтернативное обозначение: NKXR45-Z.
Аналоги: NKXR45-Z-XL INA,NKXR45Z SKF,NAXR45ZTN Torrington,NKXR45T2Z NTN.
Международная стандартизации ISO
NAXR45Z
В наличии
| Обозначение | Конструктивные изменения |
|---|---|
| NAXR45TN | литой под давлением сепаратор из полиамида 6.6. центрированный роликовый элемент. |
| NAXR45ZTN | Роликовый игольчатый подшипник. |
| NAXR45X | Измененные размеры границ. введенные пересмотренными стандартами ISO. |
| NAXR45 | Роликовый игольчатый подшипник. Основное конструктивное исполнение. |
Модификации игольчатого роликового подшипника NAXR45Z — это измененное основное конструктивное исполнение NAXR45, основные размеры (45x58x32) не отличаются.
| Обозначение | Гост | Конструктивные особенности |
|---|---|---|
| NAXK45Z | ISO | щит из листовой прессованной стали с одной стороны подшипника. |
| NKXR45Z | ISO | щит из листовой прессованной стали с одной стороны подшипника. |
| NAX4532Z | ISO | щит из листовой прессованной стали с одной стороны подшипника. |
| NKX45Z | ISO | щит из листовой прессованной стали с одной стороны подшипника. |
| NKXR45T2 | ISO | Molded Cage Assembly Of Polyamide Plastic. Max. Permissible Temperature/ 120 ̊C. Max. Continuous Operating Temperature/ 100 ̊C. |
| BR283720UU | ISO | Резиновые уплотнения с каждой стороны подшипника. |
| K45X59X32/-3 | ISO | Размерные и геометрические допуски соответствуют классу точности P6. микрон. игольчатая сортировка. |
| K45X59X32-2 | ISO | ISO Tolerance Class ABEC.9. |
| GR28SS | ISO | Двойное уплотнение с вывернутой кромкой. |
| NKXR45ZTN | ISO | щит из листовой прессованной стали с одной стороны подшипника. Сепаратор из полиамида. |
| K45X59X32/-5 | ISO | Distance Between Beginning Of The Rail And First Hole In MM. микрон. игольчатая сортировка. |
| NKX45B | ISO | Особенность внутренней конструкции. |
| NKX45A | ISO | Особенность внутренней конструкции. |
| NKX45ZA | ISO | Код предварительной нагрузки. |
| NKXR45A | ISO | Особенность внутренней конструкции. |
| NBX4532Z | ISO | Защитная металлическая шайба с одной стороны подшипника. |
| SJ7315RR | ISO | С выпуклыми асимметричными роликами. Обработанный сепаратор штыревого типа из медного сплава. С центральным ребром. С ребрами с двух сторон (для предотвращения падения роликов). |
| K45X59X32/-1-6 | ISO | микрон. игольчатая сортировка. |
| NKXR45ZA | ISO | Код предварительной нагрузки. |
| NKXR45T2Z | ISO | Металлическая защитная шайба с одной стороны. Molded Cage Assembly Of Polyamide Plastic. Max. Permissible Temperature/ 120 ̊C. Max. Continuous Operating Temperature/ 100 ̊C. |
Аналог игольчатого роликового подшипника NAXR45Z — это подшипник такого же размера dx45,Dx58,Bx32, типа и конструкции.
| Обозначение | Конструктивные особенности | Внутренний (d) | Наружный (D) | Ширина (B) |
|---|---|---|---|---|
| BR 283720 U | Роликовый игольчатый подшипник однорядный. Универсальный одиночный подшипник. | 44.45 | 58.74 | 31.75 |
| GBR 283720 UU | Роликовый игольчатый подшипник двухрядный. Символ защиты от загрязнения. | 44.45 | 58.74 | 31.75 |
| GBR 283720 U | Роликовый игольчатый подшипник двухрядный. Универсальный одиночный подшипник. | 44.45 | 58.74 | 31.75 |
| GBR 283720 | Роликовый игольчатый подшипник двухрядный. | 44.45 | 58.74 | 31.75 |
| HJ-283720RS | Роликовый игольчатый подшипник однорядный. Резиновое уплотнение с одной стороны. | 44.45 | 58.74 | 31.75 |
| HJ-283720.2RS | Роликовый игольчатый подшипник однорядный. Резиновые уплотнения с каждой стороны подшипника. | 44.45 | 58.74 | 31.75 |
| MR283720 | Роликовый игольчатый подшипник однорядный. | 44.45 | 58.74 | 31.75 |
Способы доставки
Отправка через ведущие транспортные и курьерские компании: ПЭК, Деловые Линии, СДЭК, Байкал-Сервис, Энергия, КИТ, ЖелДорЭкспедиция.
Самовывоз возможен напрямую со склада в Москве.
Сроки доставки
Срок зависит от региона и выбранной транспортной компании. Все заказы комплектуются и отправляются в кратчайшие сроки со склада в Москве.
Надёжность и сохранность
Вся продукция упаковывается с учётом требований транспортировки. Мы гарантируем, что подшипники и комплектующие прибудут к заказчику в полной сохранности.
Доставка в страны ЕАЭС
Мы работаем с проверенными логистическими партнёрами, что позволяет оперативно доставлять заказы в Беларусь, Казахстан, Армению и другие страны ЕАЭС.
Варианты оплаты:
Минимальная сумма заказа и скидки:
Документы и гарантии:
Да, конечно! Наши технические специалисты готовы помочь вам с подбором точного аналога или замены подшипника. Просто позвоните нам по телефону +7 (495) 104-99-04 или напишите на почту zakaz@podsnab.ru.
Для оперативной консультации подготовьте, пожалуйста, имеющиеся данные: маркировку, размеры, тип оборудования или артикул старого подшипника.
Да, конечно! Мы высоко ценим долгосрочное сотрудничество и доверие клиентов по всей России. Для постоянных клиентов действует персональная система скидок.
Условия формируются индивидуально и зависят от:
Чтобы узнать свои условия и получить максимально выгодное предложение, свяжитесь с персональным менеджером или напишите нам на почту zakaz@podsnab.ru.
Вы можете оформить заказ несколькими способами:
Для оформления заказа от юридического лица свяжитесь с нашим отделом по работе с корпоративными клиентами по телефону +7 (495) 104-99-04 или напишите на email zakaz@podsnab.ru, прикрепив реквизиты вашей организации.
Мы оперативно подготовим коммерческое предложение и выставим счет.
Возврат товара надлежащего качества возможен в течение 10 дней с момента получения, если товар не был в употреблении, сохранен товарный вид, упаковка не вскрывалась и присутствуют все сопроводительные документы.
Возврат денежных средств осуществляется в течение 10 рабочих дней после проверки товара складом.
В соответствии с законодательством возврату не подлежат подшипники надлежащего качества, если отсутствует оригинальная упаковка или имеются следы монтажа.
В случае выявления брака или гарантийного случая мы гарантируем возврат или обмен товара.
Да, гарантийный срок хранения устанавливается заводом-изготовителем и в среднем составляет 2 года при соблюдении условий хранения: сухое помещение, оригинальная упаковка и смазка.
Точный срок для конкретного типа подшипника уточняйте у наших менеджеров.
Пн–Пт: с 8:00 до 17:00 (МСК).
Сб–Вс: выходные дни.
Заказы на сайте принимаются круглосуточно. Заявки, поступившие после окончания рабочего дня, обрабатываются на следующий рабочий день.
Минимальная сумма заказа для доставки составляет 3000 рублей. Самовывоз со склада возможен на любую сумму при наличии товара.
ООО «УралТехГрупп»
ИНН: 7415093830
КПП: 772401001
ОГРН: 1167456069021
Банк: ПАО Сбербанк
Р/с: 40702810838000475273
К/с: 30101810400000000225
БИК: 044525225
У подшипника NAXR45Z пока нет отзывов. Вы можете стать первым покупателем, поделившимся своим мнением.