Поиск подшипника
Статьи
45MM5220 — Роликовый игольчатый подшипник однорядный, основное исполнение, производство KOYO.
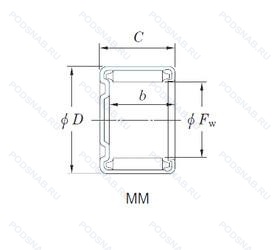
Размер подшипника: 45x52x20 мм.
Международная стандартизации ISO
45MM5220
В наличии
| Обозначение | Гост | Конструктивные особенности |
|---|---|---|
| HK455220 | ISO | Роликовый игольчатый подшипник однорядный. |
| FJ-4520 | ISO | Роликовый игольчатый подшипник однорядный. |
| 45BTM5220A | ISO | Роликовый игольчатый подшипник однорядный. |
| 46VP5220 | ISO | Роликовый игольчатый подшипник однорядный. |
| 45BM5220 | ISO | Роликовый игольчатый подшипник однорядный. |
| MKM4520 | ISO | Роликовый игольчатый подшипник однорядный. |
| MFJ-4520 | ISO | Роликовый игольчатый подшипник однорядный. |
| MF-4520 | ISO | Миниатюрный метрический подшипник со специальными размерами и фланцевым наружным кольцом. |
| HK4520D | ISO | Отверстие для пересмазывания. |
| HK4520LL | ISO | Два уплотнения. |
Аналог игольчатого роликового подшипника 45MM5220 — это подшипник такого же размера dx45,Dx52,Bx20, типа и конструкции.
| Обозначение | Конструктивные особенности | Внутренний (d) | Наружный (D) | Ширина (B) |
|---|---|---|---|---|
| K45X53X20-B/-6-8 | Роликовый игольчатый подшипник. Особенность внутренней конструкции. микрон. игольчатая сортировка. | 45.00 | 53.00 | 20.00 |
| K45X53X20-B/0-2 | Роликовый игольчатый подшипник. микрон. игольчатая сортировка. Особенность внутренней конструкции. ISO Tolerance Class ABEC.9. | 45.00 | 53.00 | 20.00 |
| K45X53X20-B/0-6 | Роликовый игольчатый подшипник. Особенность внутренней конструкции. микрон. игольчатая сортировка. | 45.00 | 53.00 | 20.00 |
| K45X53X20A/0-2 | Роликовый игольчатый подшипник. микрон. игольчатая сортировка. Особенность внутренней конструкции. ISO Tolerance Class ABEC.9. | 45.00 | 53.00 | 20.00 |
| K45X52X21 | Роликовый игольчатый подшипник. Игольчатый роликовый подшипник без колец. | 45.00 | 52.00 | 21.00 |
| K45X53X20B | Роликовый игольчатый подшипник. Особенность внутренней конструкции. | 45.00 | 53.00 | 20.00 |
| HK4520-2RS-A-L271 | Роликовый игольчатый подшипник. Особенность внутренней конструкции. Манжетное уплотнение с двух сторон. Антиизносная защитная смазка. | 45.00 | 52.00 | 20.00 |
| K45X53X20-B/0-7 | Роликовый игольчатый подшипник. Особенность внутренней конструкции. микрон. игольчатая сортировка. | 45.00 | 53.00 | 20.00 |
| RK455321J | Роликовый игольчатый подшипник. Дорожки качения наружного кольца. угол контакта и ширина наружного кольца в соответствии с ISO. | 45.00 | 53.00 | 21.00 |
| HK4520-AS1-B | Роликовый игольчатый подшипник. Игольчатый роликоподшипник со смазочным отверстием (отверстиями) во внешнем кольце. Цифра. следующая за AS. указывает на количество отверстий. Особенность внутренней конструкции. | 45.00 | 52.00 | 20.00 |
| K45X53X21-A/0-7 | Роликовый игольчатый подшипник. Особенность внутренней конструкции. микрон. игольчатая сортировка. | 45.00 | 53.00 | 21.00 |
| F4520 | Роликовый игольчатый подшипник. Подшипник с фланцевым наружным кольцом. | 45.00 | 52.00 | 20.00 |
| HK4520V1 | Роликовый игольчатый подшипник. Special Tolerance. from 1 onward (V1. V2...). | 45.00 | 52.00 | 20.00 |
| HK4520LL/3AS | Роликовый игольчатый подшипник. Контактное. синтетические. резиновое уплотнение с двух сторон. Смазка. Shell Oil Co. Смазка Alvania #3, стандартная заливка.. | 45.00 | 52.00 | 20.00 |
| СЛ455220 М | Роликовый радиальный подшипник. Модифицированный контакт.. Сепаратор из латуни.. С одним наружным штампованным кольцом со сквозным отверстием. | 45.00 | 52.00 | 20.00 |
Способы доставки
Отправка через ведущие транспортные и курьерские компании: ПЭК, Деловые Линии, СДЭК, Байкал-Сервис, Энергия, КИТ, ЖелДорЭкспедиция.
Самовывоз возможен напрямую со склада в Москве.
Сроки доставки
Срок зависит от региона и выбранной транспортной компании. Все заказы комплектуются и отправляются в кратчайшие сроки со склада в Москве.
Надёжность и сохранность
Вся продукция упаковывается с учётом требований транспортировки. Мы гарантируем, что подшипники и комплектующие прибудут к заказчику в полной сохранности.
Доставка в страны ЕАЭС
Мы работаем с проверенными логистическими партнёрами, что позволяет оперативно доставлять заказы в Беларусь, Казахстан, Армению и другие страны ЕАЭС.
Варианты оплаты:
Минимальная сумма заказа и скидки:
Документы и гарантии:
Да, конечно! Наши технические специалисты готовы помочь вам с подбором точного аналога или замены подшипника. Просто позвоните нам по телефону +7 (495) 104-99-04 или напишите на почту zakaz@podsnab.ru.
Для оперативной консультации подготовьте, пожалуйста, имеющиеся данные: маркировку, размеры, тип оборудования или артикул старого подшипника.
Да, конечно! Мы высоко ценим долгосрочное сотрудничество и доверие клиентов по всей России. Для постоянных клиентов действует персональная система скидок.
Условия формируются индивидуально и зависят от:
Чтобы узнать свои условия и получить максимально выгодное предложение, свяжитесь с персональным менеджером или напишите нам на почту zakaz@podsnab.ru.
Вы можете оформить заказ несколькими способами:
Для оформления заказа от юридического лица свяжитесь с нашим отделом по работе с корпоративными клиентами по телефону +7 (495) 104-99-04 или напишите на email zakaz@podsnab.ru, прикрепив реквизиты вашей организации.
Мы оперативно подготовим коммерческое предложение и выставим счет.
Возврат товара надлежащего качества возможен в течение 10 дней с момента получения, если товар не был в употреблении, сохранен товарный вид, упаковка не вскрывалась и присутствуют все сопроводительные документы.
Возврат денежных средств осуществляется в течение 10 рабочих дней после проверки товара складом.
В соответствии с законодательством возврату не подлежат подшипники надлежащего качества, если отсутствует оригинальная упаковка или имеются следы монтажа.
В случае выявления брака или гарантийного случая мы гарантируем возврат или обмен товара.
Да, гарантийный срок хранения устанавливается заводом-изготовителем и в среднем составляет 2 года при соблюдении условий хранения: сухое помещение, оригинальная упаковка и смазка.
Точный срок для конкретного типа подшипника уточняйте у наших менеджеров.
Пн–Пт: с 8:00 до 17:00 (МСК).
Сб–Вс: выходные дни.
Заказы на сайте принимаются круглосуточно. Заявки, поступившие после окончания рабочего дня, обрабатываются на следующий рабочий день.
Минимальная сумма заказа для доставки составляет 3000 рублей. Самовывоз со склада возможен на любую сумму при наличии товара.
ООО «УралТехГрупп»
ИНН: 7415093830
КПП: 772401001
ОГРН: 1167456069021
Банк: ПАО Сбербанк
Р/с: 40702810838000475273
К/с: 30101810400000000225
БИК: 044525225
У подшипника 45MM5220 пока нет отзывов. Вы можете стать первым покупателем, поделившимся своим мнением.