Поиск подшипника
Статьи
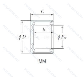
MM2013 — Роликовый игольчатый подшипник однорядный, основное исполнение, производство KOYO.
Размер подшипника: 20x27x13 мм.
Суперпрецизионный тип, изготовленный в соответствии со спецификациями ABEC-7.
Международная стандартизации ISO
MM2013
В наличии
| Обозначение | Гост | Конструктивные особенности |
|---|---|---|
| 20 HR 26 12 | ISO | Роликовый игольчатый подшипник однорядный. |
| RNA 4903U | ISO | Универсальный одиночный подшипник. |
| RNA 4903UU | ISO | Символ защиты от загрязнения. |
| RNAF202813 | ISO | Роликовый игольчатый подшипник однорядный. |
| F-225538 | ISO | Роликовый игольчатый подшипник однорядный. |
| F-214100 | ISO | Роликовый игольчатый подшипник однорядный. |
| F-2012 | ISO | Подшипник с фланцевым наружным кольцом. |
| FJT-2014 | ISO | Роликовый игольчатый подшипник однорядный. |
| MF-2012 | ISO | Миниатюрный метрический подшипник со специальными размерами и фланцевым наружным кольцом. |
| 20VS2614CP-1 | ISO | Number Of Carriages Per Rail Track. 10 Piece Packaging. |
| BM2013 | ISO | Роликовый игольчатый подшипник однорядный. |
| BT138A | ISO | Двухрядный радиально-упорный шарикоподшипник без отверстия для смазки. |
| MFJT-2014 | ISO | Роликовый игольчатый подшипник однорядный. |
| RNA4902TT | ISO | Комплект из трех согласованных однорядных радиально-упорных шарикоподшипников или радиально-упорных шарикоподшипников, расположенных тандемно. |
| DCL138 | ISO | Изменения внутренней конструкции. Отверстие для пересмазывания. Латунный сепаратор. |
| NA4902L | ISO | Одно уплотнение. |
| NA4902LL | ISO | Два уплотнения. |
| RNA0-20X28X13 | ISO | Изменённая фаска. |
| RNA4902L | ISO | Одно уплотнение. |
| RNA4902M | ISO | Подшипник с латунным сепаратором. центрированный по телам качения. |
Аналог игольчатого роликового подшипника MM2013 — это подшипник такого же размера dx20,Dx27,Bx13, типа и конструкции.
| Обозначение | Конструктивные особенности | Внутренний (d) | Наружный (D) | Ширина (B) |
|---|---|---|---|---|
| HK2012AS1 | Роликовый игольчатый подшипник. Игольчатый роликоподшипник со смазочным отверстием (отверстиями) во внешнем кольце. Цифра. следующая за AS. указывает на количество отверстий. | 20.00 | 26.00 | 12.00 |
| HK2012-B-L271 | Роликовый игольчатый подшипник. Особенность внутренней конструкции. Антиизносная защитная смазка. | 20.00 | 26.00 | 12.00 |
| HK2012-B-L294 | Роликовый игольчатый подшипник. Особенность внутренней конструкции. | 20.00 | 26.00 | 12.00 |
| RNA4902-RSR | Роликовый игольчатый подшипник. Контактное уплотнение с одной стороны. Радиальный тип. Однорядный игольчатый роликоподшипник с сепаратором. | 20.00 | 28.00 | 13.00 |
| 941/20-С17 | Роликовый радиальный игольчатый подшипник. Смазка Литол-24. | 20.00 | 26.00 | 14.00 |
| 134904-Е | Роликовый радиальный игольчатый однорядный подшипник. Сепаратор из текстолита.. | 20.00 | 26.00 | 14.00 |
| СК202614 Е | Роликовый радиальный однорядный подшипник. Кольцевая проточка на середине цилиндрической наружной поверхности наружного кольца плюс три отверстия для смазки. Сепаратор из текстолита.. С одним наружным штампованным кольцом со сквозным отверстием. | 20.00 | 26.00 | 14.00 |
| 254703-Е | Роликовый радиальный однорядный подшипник. Сепаратор из текстолита.. | 20.00 | 28.00 | 13.00 |
| BK202812 | Роликовый радиальный однорядный подшипник. Коническое внутреннее отверстие. Игольчатый роликовый подшипник со штампованным наружным кольцом с закрытым торцом. | 20.00 | 28.00 | 12.00 |
| BK202814 | Роликовый радиальный однорядный подшипник. Коническое внутреннее отверстие. Игольчатый роликовый подшипник со штампованным наружным кольцом с закрытым торцом. | 20.00 | 28.00 | 14.00 |
| BK2014 | Роликовый радиальный однорядный подшипник. Коническое внутреннее отверстие. Игольчатый роликовый подшипник со штампованным наружным кольцом с закрытым торцом. | 20.00 | 26.00 | 14.00 |
| HK202812 | Роликовый радиальный однорядный подшипник. Коническое внутреннее отверстие. Игольчатый роликовый подшипник со штампованным наружным кольцом и открытыми торцами. | 20.00 | 28.00 | 12.00 |
| HK202814 | Роликовый радиальный однорядный подшипник. Коническое внутреннее отверстие. Игольчатый роликовый подшипник со штампованным наружным кольцом и открытыми торцами. | 20.00 | 28.00 | 14.00 |
| CK202614E | Роликовый радиальный однорядный подшипник. Повышенная грузоподъемность. | 20.00 | 26.00 | 14.00 |
| 4254902-К | Роликовый радиальный однорядный подшипник. Кольцевая проточка на середине цилиндрической наружной поверхности наружного кольца плюс три отверстия для смазки. | 20.00 | 28.00 | 13.00 |
Способы доставки
Отправка через ведущие транспортные и курьерские компании: ПЭК, Деловые Линии, СДЭК, Байкал-Сервис, Энергия, КИТ, ЖелДорЭкспедиция.
Самовывоз возможен напрямую со склада в Москве.
Сроки доставки
Срок зависит от региона и выбранной транспортной компании. Все заказы комплектуются и отправляются в кратчайшие сроки со склада в Москве.
Надёжность и сохранность
Вся продукция упаковывается с учётом требований транспортировки. Мы гарантируем, что подшипники и комплектующие прибудут к заказчику в полной сохранности.
Доставка в страны ЕАЭС
Мы работаем с проверенными логистическими партнёрами, что позволяет оперативно доставлять заказы в Беларусь, Казахстан, Армению и другие страны ЕАЭС.
Варианты оплаты:
Минимальная сумма заказа и скидки:
Документы и гарантии:
Да, конечно! Наши технические специалисты готовы помочь вам с подбором точного аналога или замены подшипника. Просто позвоните нам по телефону +7 (495) 104-99-04 или напишите на почту zakaz@podsnab.ru.
Для оперативной консультации подготовьте, пожалуйста, имеющиеся данные: маркировку, размеры, тип оборудования или артикул старого подшипника.
Да, конечно! Мы высоко ценим долгосрочное сотрудничество и доверие клиентов по всей России. Для постоянных клиентов действует персональная система скидок.
Условия формируются индивидуально и зависят от:
Чтобы узнать свои условия и получить максимально выгодное предложение, свяжитесь с персональным менеджером или напишите нам на почту zakaz@podsnab.ru.
Вы можете оформить заказ несколькими способами:
Для оформления заказа от юридического лица свяжитесь с нашим отделом по работе с корпоративными клиентами по телефону +7 (495) 104-99-04 или напишите на email zakaz@podsnab.ru, прикрепив реквизиты вашей организации.
Мы оперативно подготовим коммерческое предложение и выставим счет.
Возврат товара надлежащего качества возможен в течение 10 дней с момента получения, если товар не был в употреблении, сохранен товарный вид, упаковка не вскрывалась и присутствуют все сопроводительные документы.
Возврат денежных средств осуществляется в течение 10 рабочих дней после проверки товара складом.
В соответствии с законодательством возврату не подлежат подшипники надлежащего качества, если отсутствует оригинальная упаковка или имеются следы монтажа.
В случае выявления брака или гарантийного случая мы гарантируем возврат или обмен товара.
Да, гарантийный срок хранения устанавливается заводом-изготовителем и в среднем составляет 2 года при соблюдении условий хранения: сухое помещение, оригинальная упаковка и смазка.
Точный срок для конкретного типа подшипника уточняйте у наших менеджеров.
Пн–Пт: с 8:00 до 17:00 (МСК).
Сб–Вс: выходные дни.
Заказы на сайте принимаются круглосуточно. Заявки, поступившие после окончания рабочего дня, обрабатываются на следующий рабочий день.
Минимальная сумма заказа для доставки составляет 3000 рублей. Самовывоз со склада возможен на любую сумму при наличии товара.
ООО «УралТехГрупп»
ИНН: 7415093830
КПП: 772401001
ОГРН: 1167456069021
Банк: ПАО Сбербанк
Р/с: 40702810838000475273
К/с: 30101810400000000225
БИК: 044525225
У подшипника MM2013 пока нет отзывов. Вы можете стать первым покупателем, поделившимся своим мнением.