Поиск подшипника
Статьи
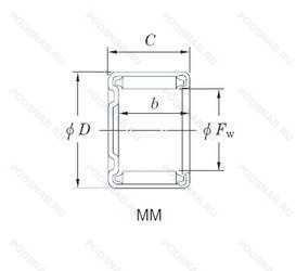
MM2520 — Роликовый игольчатый подшипник однорядный, основное исполнение, производство KOYO.
Размер подшипника: 25x32x20 мм.
Суперпрецизионный тип, изготовленный в соответствии со спецификациями ABEC-7.
Международная стандартизации ISO
MM2520
В наличии
| Обозначение | Гост | Конструктивные особенности |
|---|---|---|
| F-1341 | ISO | Роликовый игольчатый подшипник однорядный. |
| FJL-2520 | ISO | Роликовый игольчатый подшипник однорядный. |
| FJLTT-2521 | ISO | Роликовый игольчатый подшипник однорядный. |
| MF-2520 | ISO | Миниатюрный метрический подшипник со специальными размерами и фланцевым наружным кольцом. |
| BHTM2520-1 | ISO | Number Of Carriages Per Rail Track. |
| DLF 25 20 | ISO | Роликовый игольчатый подшипник однорядный. |
| M16121-1 | ISO | Шарикоподшипник максимальной грузоподъемности. Number Of Carriages Per Rail Track. |
| MHKM2520 | ISO | Роликовый игольчатый подшипник однорядный. |
| NQ25/20 | ISO | Distance Between Beginning Of The Rail And First Hole In MM. |
| MFJL-2520 | ISO | Роликовый игольчатый подшипник однорядный. |
| RLM253320 | ISO | Роликовый игольчатый подшипник однорядный. |
| RLM2520 | ISO | Роликовый игольчатый подшипник однорядный. |
| 7E-HVS25X33X20/LP03 | ISO | Сварной стальной сепаратор. Шестигранное отверстие (кулачковые ролики с осью). Изменённая фаска. Твердая смазка. |
| DCL1612 | ISO | Изменения внутренней конструкции. Отверстие для пересмазывания. Латунный сепаратор. |
| HK2520LL | ISO | Два уплотнения. |
| HK2520D | ISO | Отверстие для пересмазывания. |
| HKS25.4X31.7X21 | ISO | Изменённая фаска. |
| HMK2420C | ISO | Изменения внутренней конструкции. |
| HMK2521LL | ISO | Два уплотнения. |
| NK25/20R | ISO | Роликовый игольчатый подшипник однорядный. |
Аналог игольчатого роликового подшипника MM2520 — это подшипник такого же размера dx25,Dx32,Bx20, типа и конструкции.
| Обозначение | Конструктивные особенности | Внутренний (d) | Наружный (D) | Ширина (B) |
|---|---|---|---|---|
| HK2520-2RS-L271 | Роликовый игольчатый подшипник. Манжетное уплотнение с двух сторон. Антиизносная защитная смазка. | 25.00 | 32.00 | 20.00 |
| NK24/20-XL-H+29+25 | Роликовый игольчатый подшипник. Серия X-Life премиум-класс. увеличиный срок службы. | 24.00 | 32.00 | 20.00 |
| NK25/20-P5-XL | Роликовый игольчатый подшипник. Серия X-Life премиум-класс. увеличиный срок службы. Размерная и рабочая точность соответствует классу допуска ISO 5. | 25.00 | 33.00 | 20.00 |
| NK25/20-XL-2S | Роликовый игольчатый подшипник. Серия X-Life премиум-класс. увеличиный срок службы. If Two Or More Bearings Are Located Adjacent To Each Other In A Planet (2. 3 Or 4 Bearings). These Must Be Ordered Using The Suffix 2S. 3S Or 4S So That They Are Sorted Together. | 25.00 | 33.00 | 20.00 |
| SCE1612-L271/STD | Роликовый игольчатый подшипник. Противоизносная защитная смазка Shell Retinax LX2. Стандартное заполнение. | 25.40 | 31.75 | 19.05 |
| J1612OH | Роликовый игольчатый подшипник. Отверстие для смазки. | 25.40 | 31.75 | 19.05 |
| MI-25-4S | Роликовый игольчатый подшипник. Single Seal With Lips Turned In. | 25.00 | 32.00 | 20.00 |
| NK24/20-XL | Роликовый игольчатый подшипник. Серия X-Life премиум-класс. увеличиный срок службы. | 24.00 | 32.00 | 20.00 |
| NK25/20-XL | Роликовый игольчатый подшипник. Серия X-Life премиум-класс. увеличиный срок службы. | 25.00 | 33.00 | 20.00 |
| K25X33X20-B/0-7 | Роликовый игольчатый подшипник. Особенность внутренней конструкции. микрон. игольчатая сортировка. | 25.00 | 33.00 | 20.00 |
| 25BTM3119A | Роликовый игольчатый подшипник. Модифицированный внутренний дизайн. | 25.00 | 31.00 | 19.00 |
| K25X33X20A | Роликовый игольчатый подшипник. Особенность внутренней конструкции. | 25.00 | 33.00 | 20.00 |
| K25X33X20-A/0-7 | Роликовый игольчатый подшипник. Особенность внутренней конструкции. микрон. игольчатая сортировка. | 25.00 | 33.00 | 20.00 |
| K25X33X20-A-5-7 | Роликовый игольчатый подшипник. Особенность внутренней конструкции. Distance Between Beginning Of The Rail And First Hole In MM. микрон. игольчатая сортировка. | 25.00 | 33.00 | 20.00 |
| HF2520-RR | Роликовый игольчатый подшипник. Защищен от коррозии специальным покрытием Corrotect®.. | 25.00 | 32.00 | 20.00 |
Способы доставки
Отправка через ведущие транспортные и курьерские компании: ПЭК, Деловые Линии, СДЭК, Байкал-Сервис, Энергия, КИТ, ЖелДорЭкспедиция.
Самовывоз возможен напрямую со склада в Москве.
Сроки доставки
Срок зависит от региона и выбранной транспортной компании. Все заказы комплектуются и отправляются в кратчайшие сроки со склада в Москве.
Надёжность и сохранность
Вся продукция упаковывается с учётом требований транспортировки. Мы гарантируем, что подшипники и комплектующие прибудут к заказчику в полной сохранности.
Доставка в страны ЕАЭС
Мы работаем с проверенными логистическими партнёрами, что позволяет оперативно доставлять заказы в Беларусь, Казахстан, Армению и другие страны ЕАЭС.
Варианты оплаты:
Минимальная сумма заказа и скидки:
Документы и гарантии:
Да, конечно! Наши технические специалисты готовы помочь вам с подбором точного аналога или замены подшипника. Просто позвоните нам по телефону +7 (495) 104-99-04 или напишите на почту zakaz@podsnab.ru.
Для оперативной консультации подготовьте, пожалуйста, имеющиеся данные: маркировку, размеры, тип оборудования или артикул старого подшипника.
Да, конечно! Мы высоко ценим долгосрочное сотрудничество и доверие клиентов по всей России. Для постоянных клиентов действует персональная система скидок.
Условия формируются индивидуально и зависят от:
Чтобы узнать свои условия и получить максимально выгодное предложение, свяжитесь с персональным менеджером или напишите нам на почту zakaz@podsnab.ru.
Вы можете оформить заказ несколькими способами:
Для оформления заказа от юридического лица свяжитесь с нашим отделом по работе с корпоративными клиентами по телефону +7 (495) 104-99-04 или напишите на email zakaz@podsnab.ru, прикрепив реквизиты вашей организации.
Мы оперативно подготовим коммерческое предложение и выставим счет.
Возврат товара надлежащего качества возможен в течение 10 дней с момента получения, если товар не был в употреблении, сохранен товарный вид, упаковка не вскрывалась и присутствуют все сопроводительные документы.
Возврат денежных средств осуществляется в течение 10 рабочих дней после проверки товара складом.
В соответствии с законодательством возврату не подлежат подшипники надлежащего качества, если отсутствует оригинальная упаковка или имеются следы монтажа.
В случае выявления брака или гарантийного случая мы гарантируем возврат или обмен товара.
Да, гарантийный срок хранения устанавливается заводом-изготовителем и в среднем составляет 2 года при соблюдении условий хранения: сухое помещение, оригинальная упаковка и смазка.
Точный срок для конкретного типа подшипника уточняйте у наших менеджеров.
Пн–Пт: с 8:00 до 17:00 (МСК).
Сб–Вс: выходные дни.
Заказы на сайте принимаются круглосуточно. Заявки, поступившие после окончания рабочего дня, обрабатываются на следующий рабочий день.
Минимальная сумма заказа для доставки составляет 3000 рублей. Самовывоз со склада возможен на любую сумму при наличии товара.
ООО «УралТехГрупп»
ИНН: 7415093830
КПП: 772401001
ОГРН: 1167456069021
Банк: ПАО Сбербанк
Р/с: 40702810838000475273
К/с: 30101810400000000225
БИК: 044525225
У подшипника MM2520 пока нет отзывов. Вы можете стать первым покупателем, поделившимся своим мнением.