Поиск подшипника
Статьи
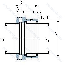
NKXR20 — Роликовый игольчатый подшипник, основное исполнение, выпускается производителями: AKN, INA, NIS, NKE, NTN, SKF.
Размер подшипника: 20x30x30 мм.
Альтернативное обозначение: NAXR20.
Аналоги: NKXR20-XL INA,NBX2030 IKO.
Международная стандартизации ISO
NKXR20
В наличии
| Обозначение | Конструктивные изменения |
|---|---|
| NKXR20Z | щит из листовой прессованной стали с одной стороны подшипника. |
| NKXR20-XL-H+26+20 | Серия X-Life премиум-класс. увеличиный срок службы. Pressed Snap-Type Steel Cage. Hardened. Distance Between Beginning Of The Rail And First Hole In MM. 1.5/8. |
| NKXR20T2Z | Металлическая защитная шайба с одной стороны. Molded Cage Assembly Of Polyamide Plastic. Max. Permissible Temperature/ 120 ̊C. Max. Continuous Operating Temperature/ 100 ̊C. |
| NKXR20A | Особенность внутренней конструкции. |
| NKXR20ZA | Код предварительной нагрузки. |
| NKXR20T2 | Molded Cage Assembly Of Polyamide Plastic. Max. Permissible Temperature/ 120 ̊C. Max. Continuous Operating Temperature/ 100 ̊C. |
Модификации игольчатого роликового подшипника NKXR20 — это измененное основное конструктивное исполнение NKXR20, основные размеры (20x30x30) не отличаются.
| Обозначение | Гост | Конструктивные особенности |
|---|---|---|
| NAXR20 | ISO | Роликовый игольчатый подшипник. |
| K20X30X30-A/0-2 | ISO | микрон. игольчатая сортировка. Особенность внутренней конструкции. ISO Tolerance Class ABEC.9. |
| K20X30X30-A/-5-7 | ISO | Особенность внутренней конструкции. микрон. игольчатая сортировка. |
| NBX2030Z | ISO | Защитная металлическая шайба с одной стороны подшипника. |
| NKX20-XL-H+26+20 | ISO | Серия X-Life премиум-класс. увеличиный срок службы. Pressed Snap-Type Steel Cage. Hardened. Distance Between Beginning Of The Rail And First Hole In MM. 1.5/8. |
| NKX20-XL-H+33+26 | ISO | Серия X-Life премиум-класс. увеличиный срок службы. Pressed Snap-Type Steel Cage. Hardened. 2.1/16. 1.5/8. |
| NKX20-Z-P5-XL | ISO | Серия X-Life премиум-класс. увеличиный срок службы. щит из листовой прессованной стали с одной стороны подшипника. Размерная и рабочая точность соответствует классу допуска ISO 5. |
| K20X30X30M | ISO | Механически обработанный латунный сепаратор .Расположенный на элементах качения. |
| K20X30X30A | ISO | Особенность внутренней конструкции. |
| K20X30X30-OEM | ISO | Производитель оригинального оборудования. |
| K20X30X30/-1-3 | ISO | Размерные и геометрические допуски соответствуют классу точности P6. микрон. игольчатая сортировка. |
| K20X30X30/-2-4 | ISO | ISO Tolerance Class ABEC.9. микрон. игольчатая сортировка. |
| NBX2030 | ISO | Роликовый игольчатый подшипник. |
| NAXR20ZTN | ISO | щит из листовой прессованной стали с одной стороны подшипника. литой под давлением сепаратор из полиамида 6.6. центрированный роликовый элемент. |
| K20X30X30-A/0-7 | ISO | Особенность внутренней конструкции. микрон. игольчатая сортировка. |
| NKX20ZA | ISO | Код предварительной нагрузки. |
| NKX20-Z-XL | ISO | Серия X-Life премиум-класс. увеличиный срок службы. щит из листовой прессованной стали с одной стороны подшипника. |
| NKX20-XL | ISO | Серия X-Life премиум-класс. увеличиный срок службы. |
| NKX20T2Z | ISO | Металлическая защитная шайба с одной стороны. Molded Cage Assembly Of Polyamide Plastic. Max. Permissible Temperature/ 120 ̊C. Max. Continuous Operating Temperature/ 100 ̊C. |
| NKX20ZB | ISO | Optimized Roller Profile. |
| NKX20A-H+26+20 | ISO | Особенность внутренней конструкции. Pressed Snap-Type Steel Cage. Hardened. Distance Between Beginning Of The Rail And First Hole In MM. 1.5/8. |
| K20X30X30-A-3-5 | ISO | Особенность внутренней конструкции. Размерные и геометрические допуски соответствуют классу точности P6. микрон. игольчатая сортировка. |
Аналог игольчатого роликового подшипника NKXR20 — это подшипник такого же размера dx20,Dx30,Bx30, типа и конструкции.
| Обозначение | Конструктивные особенности | Внутренний (d) | Наружный (D) | Ширина (B) |
|---|---|---|---|---|
| 5-564803 К | Подшипниковый узел. | 20.00 | 30.00 | 30.00 |
| 4-564803 ЛЕ | Роликовый радиальный игольчатый подшипник. Сепаратор из текстолита.. Сепаратор из латуни.. | 20.00 | 30.00 | 30.00 |
| 4-564803 Л | Роликовый радиальный игольчатый подшипник. Сепаратор из латуни.. | 20.00 | 30.00 | 30.00 |
| 4-584803 Л | Роликовый радиальный игольчатый подшипник. Сепаратор из латуни.. | 20.00 | 30.00 | 30.00 |
| 5-564803 | Роликовый радиальный игольчатый подшипник. | 20.00 | 30.00 | 30.00 |
| 564803-Л | Роликовый радиальный игольчатый подшипник. Сепаратор из латуни.. | 20.00 | 30.00 | 30.00 |
| 4-564803 | Роликовый радиальный игольчатый двухрядный подшипник. | 20.00 | 30.00 | 30.00 |
| 4-584803 | Роликовый радиальный игольчатый двухрядный подшипник. | 20.00 | 30.00 | 30.00 |
| AST650 F203030 | Шарнирный подшипник. | 20.00 | 30.00 | 30.00 |
Способы доставки
Отправка через ведущие транспортные и курьерские компании: ПЭК, Деловые Линии, СДЭК, Байкал-Сервис, Энергия, КИТ, ЖелДорЭкспедиция.
Самовывоз возможен напрямую со склада в Москве.
Сроки доставки
Срок зависит от региона и выбранной транспортной компании. Все заказы комплектуются и отправляются в кратчайшие сроки со склада в Москве.
Надёжность и сохранность
Вся продукция упаковывается с учётом требований транспортировки. Мы гарантируем, что подшипники и комплектующие прибудут к заказчику в полной сохранности.
Доставка в страны ЕАЭС
Мы работаем с проверенными логистическими партнёрами, что позволяет оперативно доставлять заказы в Беларусь, Казахстан, Армению и другие страны ЕАЭС.
Варианты оплаты:
Минимальная сумма заказа и скидки:
Документы и гарантии:
Да, конечно! Наши технические специалисты готовы помочь вам с подбором точного аналога или замены подшипника. Просто позвоните нам по телефону +7 (495) 104-99-04 или напишите на почту zakaz@podsnab.ru.
Для оперативной консультации подготовьте, пожалуйста, имеющиеся данные: маркировку, размеры, тип оборудования или артикул старого подшипника.
Да, конечно! Мы высоко ценим долгосрочное сотрудничество и доверие клиентов по всей России. Для постоянных клиентов действует персональная система скидок.
Условия формируются индивидуально и зависят от:
Чтобы узнать свои условия и получить максимально выгодное предложение, свяжитесь с персональным менеджером или напишите нам на почту zakaz@podsnab.ru.
Вы можете оформить заказ несколькими способами:
Для оформления заказа от юридического лица свяжитесь с нашим отделом по работе с корпоративными клиентами по телефону +7 (495) 104-99-04 или напишите на email zakaz@podsnab.ru, прикрепив реквизиты вашей организации.
Мы оперативно подготовим коммерческое предложение и выставим счет.
Возврат товара надлежащего качества возможен в течение 10 дней с момента получения, если товар не был в употреблении, сохранен товарный вид, упаковка не вскрывалась и присутствуют все сопроводительные документы.
Возврат денежных средств осуществляется в течение 10 рабочих дней после проверки товара складом.
В соответствии с законодательством возврату не подлежат подшипники надлежащего качества, если отсутствует оригинальная упаковка или имеются следы монтажа.
В случае выявления брака или гарантийного случая мы гарантируем возврат или обмен товара.
Да, гарантийный срок хранения устанавливается заводом-изготовителем и в среднем составляет 2 года при соблюдении условий хранения: сухое помещение, оригинальная упаковка и смазка.
Точный срок для конкретного типа подшипника уточняйте у наших менеджеров.
Пн–Пт: с 8:00 до 17:00 (МСК).
Сб–Вс: выходные дни.
Заказы на сайте принимаются круглосуточно. Заявки, поступившие после окончания рабочего дня, обрабатываются на следующий рабочий день.
Минимальная сумма заказа для доставки составляет 3000 рублей. Самовывоз со склада возможен на любую сумму при наличии товара.
ООО «УралТехГрупп»
ИНН: 7415093830
КПП: 772401001
ОГРН: 1167456069021
Банк: ПАО Сбербанк
Р/с: 40702810838000475273
К/с: 30101810400000000225
БИК: 044525225
У подшипника NKXR20 пока нет отзывов. Вы можете стать первым покупателем, поделившимся своим мнением.