Поиск подшипника
Статьи
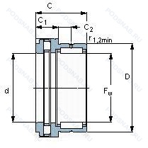
NKXR15 — Роликовый игольчатый подшипник, основное исполнение, выпускается производителями: INA, NEUTRAL, NIS, NKE, NTN, SKF.
Размер подшипника: 15x24x23 мм.
Аналоги: NKXR15 INA,NKXR15A INA,NKXR15-A INA.
Международная стандартизации ISO
NKXR15
В наличии
| Обозначение | Конструктивные изменения |
|---|---|
| NKXR15Z | щит из листовой прессованной стали с одной стороны подшипника. |
| NKXR15T2Z | Металлическая защитная шайба с одной стороны. Molded Cage Assembly Of Polyamide Plastic. Max. Permissible Temperature/ 120 ̊C. Max. Continuous Operating Temperature/ 100 ̊C. |
| NKXR15ZA | Код предварительной нагрузки. |
| NKXR15A | Особенность внутренней конструкции. |
Модификации игольчатого роликового подшипника NKXR15 — это измененное основное конструктивное исполнение NKXR15, основные размеры (15x24x23) не отличаются.
| Обозначение | Гост | Конструктивные особенности |
|---|---|---|
| NAXK15Z | ISO | щит из листовой прессованной стали с одной стороны подшипника. |
| RNA6901A | ISO | Двухрядный радиально-упорный шарикоподшипник без отверстия для смазки. |
| RNA6901 | ISO | Измененная или модифицированная внутренняя конструкция при неизменных основных размерах. Канавка под стопорное кольцо на наружном кольце подшипника. Однорядный игольчатый роликоподшипник с сепаратором. |
| NKX15Z | ISO | щит из листовой прессованной стали с одной стороны подшипника. |
| NAXK15 | ISO | Роликовый игольчатый подшипник. |
| NXK15P5 B | ISO | Особенность внутренней конструкции. Размерная и рабочая точность соответствует классу допуска ISO 5. |
| NAX1523B.P6 | ISO | Конический роликовый подшипник. Угол контакта 20 градусов. точность размеров и хода в соответствии с классом допуска ISO 6. |
| RAXNZ515 | ISO | Роликовый игольчатый подшипник. |
| NKX15P5 | ISO | Размерная и рабочая точность соответствует классу допуска ISO 5. |
| NAXR15Z | ISO | щит из листовой прессованной стали с одной стороны подшипника. |
| NAX1523Z | ISO | Защитная металлическая шайба с одной стороны подшипника. |
| NKX15T2 | ISO | Molded Cage Assembly Of Polyamide Plastic. Max. Permissible Temperature/ 120 ̊C. Max. Continuous Operating Temperature/ 100 ̊C. |
| RNA6901R | ISO | Тип ребра. |
| NKX15A | ISO | Особенность внутренней конструкции. |
| NKX15-XL-H+21+16 | ISO | Серия X-Life премиум-класс. увеличиный срок службы. Pressed Snap-Type Steel Cage. Hardened. 1.5/16. 01. |
| NKX15ZB | ISO | Optimized Roller Profile. |
| NKX15ZA | ISO | Код предварительной нагрузки. |
| RNA6901 2RS | ISO | Резиновые уплотнения с каждой стороны подшипника. |
| NBX1523Z | ISO | Защитная металлическая шайба с одной стороны подшипника. |
| RNA6901-XL | ISO | Серия X-Life премиум-класс. увеличиный срок службы. Однорядный игольчатый роликоподшипник с сепаратором. |
Аналог игольчатого роликового подшипника NKXR15 — это подшипник такого же размера dx15,Dx24,Bx23, типа и конструкции.
| Обозначение | Конструктивные особенности | Внутренний (d) | Наружный (D) | Ширина (B) |
|---|---|---|---|---|
| SCE16VUU | Линейный шариковый подшипник. Два типа уплотнений включают уплотнения с превосходной защитой от пыли на обоих концах внешнего цилиндра для предотвращения проникновения посторонних предметов. Максимально допустимая температура для уплотнений — 120°C.. | 16.00 | 25.00 | 22.30 |
| KWEM07-WC-G2-A-V0 | Линейный подшипник скольжения. Двухрядный радиально-упорный шарикоподшипник без отверстия для смазки. Класс точности 2. Преднатяг практически отсутствует. Wide. Short Carriage. | 14.00 | 25.00 | 22.50 |
| НД162424 | Роликовый радиальный двухрядный подшипник. | 16.00 | 24.00 | 24.00 |
| RNA 6901UU | Роликовый игольчатый подшипник однорядный. Символ защиты от загрязнения. | 16.00 | 24.00 | 22.00 |
| RNA 6901U | Роликовый игольчатый подшипник однорядный. Универсальный одиночный подшипник. | 16.00 | 24.00 | 22.00 |
| СК152324 | Роликовый радиальный однорядный подшипник. | 15.00 | 23.00 | 24.00 |
| СК162424 | Роликовый радиальный двухрядный подшипник. | 16.00 | 24.00 | 24.00 |
| 16NQ2322A | Роликовый игольчатый подшипник однорядный. | 16.00 | 23.00 | 22.00 |
| ВК152324 | Роликовый радиальный подшипник. | 15.00 | 23.00 | 24.00 |
| ВК162424 | Роликовый радиальный двухрядный подшипник. | 16.00 | 24.00 | 24.00 |
| RNA6901TT | Роликовый игольчатый подшипник однорядный. Комплект из трех согласованных однорядных радиально-упорных шарикоподшипников или радиально-упорных шарикоподшипников, расположенных тандемно. | 16.00 | 24.00 | 22.00 |
| HMK1623L | Роликовый игольчатый подшипник однорядный. Одно уплотнение. | 16.00 | 24.00 | 23.00 |
| NK16X24X22 | Роликовый игольчатый подшипник однорядный. Изменённая фаска. | 16.00 | 24.00 | 22.00 |
| NK16X23X22 | Роликовый игольчатый подшипник однорядный. Изменённая фаска. | 16.00 | 23.00 | 22.00 |
| RNA690IR | Роликовый игольчатый подшипник однорядный. INNENRING. | 16.00 | 24.00 | 22.00 |
Способы доставки
Отправка через ведущие транспортные и курьерские компании: ПЭК, Деловые Линии, СДЭК, Байкал-Сервис, Энергия, КИТ, ЖелДорЭкспедиция.
Самовывоз возможен напрямую со склада в Москве.
Сроки доставки
Срок зависит от региона и выбранной транспортной компании. Все заказы комплектуются и отправляются в кратчайшие сроки со склада в Москве.
Надёжность и сохранность
Вся продукция упаковывается с учётом требований транспортировки. Мы гарантируем, что подшипники и комплектующие прибудут к заказчику в полной сохранности.
Доставка в страны ЕАЭС
Мы работаем с проверенными логистическими партнёрами, что позволяет оперативно доставлять заказы в Беларусь, Казахстан, Армению и другие страны ЕАЭС.
Варианты оплаты:
Минимальная сумма заказа и скидки:
Документы и гарантии:
Да, конечно! Наши технические специалисты готовы помочь вам с подбором точного аналога или замены подшипника. Просто позвоните нам по телефону +7 (495) 104-99-04 или напишите на почту zakaz@podsnab.ru.
Для оперативной консультации подготовьте, пожалуйста, имеющиеся данные: маркировку, размеры, тип оборудования или артикул старого подшипника.
Да, конечно! Мы высоко ценим долгосрочное сотрудничество и доверие клиентов по всей России. Для постоянных клиентов действует персональная система скидок.
Условия формируются индивидуально и зависят от:
Чтобы узнать свои условия и получить максимально выгодное предложение, свяжитесь с персональным менеджером или напишите нам на почту zakaz@podsnab.ru.
Вы можете оформить заказ несколькими способами:
Для оформления заказа от юридического лица свяжитесь с нашим отделом по работе с корпоративными клиентами по телефону +7 (495) 104-99-04 или напишите на email zakaz@podsnab.ru, прикрепив реквизиты вашей организации.
Мы оперативно подготовим коммерческое предложение и выставим счет.
Возврат товара надлежащего качества возможен в течение 10 дней с момента получения, если товар не был в употреблении, сохранен товарный вид, упаковка не вскрывалась и присутствуют все сопроводительные документы.
Возврат денежных средств осуществляется в течение 10 рабочих дней после проверки товара складом.
В соответствии с законодательством возврату не подлежат подшипники надлежащего качества, если отсутствует оригинальная упаковка или имеются следы монтажа.
В случае выявления брака или гарантийного случая мы гарантируем возврат или обмен товара.
Да, гарантийный срок хранения устанавливается заводом-изготовителем и в среднем составляет 2 года при соблюдении условий хранения: сухое помещение, оригинальная упаковка и смазка.
Точный срок для конкретного типа подшипника уточняйте у наших менеджеров.
Пн–Пт: с 8:00 до 17:00 (МСК).
Сб–Вс: выходные дни.
Заказы на сайте принимаются круглосуточно. Заявки, поступившие после окончания рабочего дня, обрабатываются на следующий рабочий день.
Минимальная сумма заказа для доставки составляет 3000 рублей. Самовывоз со склада возможен на любую сумму при наличии товара.
ООО «УралТехГрупп»
ИНН: 7415093830
КПП: 772401001
ОГРН: 1167456069021
Банк: ПАО Сбербанк
Р/с: 40702810838000475273
К/с: 30101810400000000225
БИК: 044525225
У подшипника NKXR15 пока нет отзывов. Вы можете стать первым покупателем, поделившимся своим мнением.