Поиск подшипника
Статьи
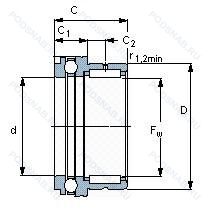
NKX12 — Роликовый игольчатый подшипник, основное исполнение, выпускается производителями: DüRKOPP, FAG, INA, NEUTRAL, NIS, NKE, SKF.
Размер подшипника: 12x21x23 мм.
Альтернативное обозначение: NAXK12.
Аналоги: NKX12 INA,NAXK12 FAG,NKX12-A INA,NKX12-XL INA,NKX12 FAG,NKX12 SKF,NAX1223 IKO,NAXK12 Torrington,NKX12T2 NTN.
Международная стандартизации ISO
NKX12
В наличии
| Обозначение | Конструктивные изменения |
|---|---|
| NKX12ZTN | Роликовый игольчатый подшипник. |
| NKX12Z | щит из листовой прессованной стали с одной стороны подшипника. |
| NKX12TN | литой под давлением сепаратор из полиамида 6.6. центрированный роликовый элемент. |
| NKX12T2 | Molded Cage Assembly Of Polyamide Plastic. Max. Permissible Temperature/ 120 ̊C. Max. Continuous Operating Temperature/ 100 ̊C. |
| NKX12ZA | Код предварительной нагрузки. |
| NKX12T2Z | Металлическая защитная шайба с одной стороны. Molded Cage Assembly Of Polyamide Plastic. Max. Permissible Temperature/ 120 ̊C. Max. Continuous Operating Temperature/ 100 ̊C. |
| NKX12A | Особенность внутренней конструкции. |
| NKX12-Z-A-XL | Особенность внутренней конструкции. Серия X-Life премиум-класс. увеличиный срок службы. щит из листовой прессованной стали с одной стороны подшипника. |
| NKX12TZZ | Защитные металлические шайбы с обеих сторон. литой под давлением сепаратор из полиамида 6.6. центрированный роликовый элемент. |
Модификации игольчатого роликового подшипника NKX12 — это измененное основное конструктивное исполнение NKX12, основные размеры (12x21x23) не отличаются.
| Обозначение | Гост | Конструктивные особенности |
|---|---|---|
| NAXK12Z | ISO | щит из листовой прессованной стали с одной стороны подшипника. |
| NAXK12 | ISO | Роликовый игольчатый подшипник. |
| NAX1223Z | ISO | щит из листовой прессованной стали с одной стороны подшипника. |
| NAX1223 | ISO | Роликовый игольчатый подшипник. |
| NAX12 | ISO | Роликовый игольчатый подшипник. |
Аналог игольчатого роликового подшипника NKX12 — это подшипник такого же размера dx12,Dx21,Bx23, типа и конструкции.
| Обозначение | Конструктивные особенности | Внутренний (d) | Наружный (D) | Ширина (B) |
|---|---|---|---|---|
| R0668-012-00 | Линейный шариковый подшипник. 3/4. Sequential Number Of Design. | 12.00 | 20.00 | 24.00 |
| KB12OP WW | Линейный шариковый подшипник. Открытый тип. Два встроенных кулочка. | 12.00 | 22.00 | 22.90 |
| 0668-01230 | Линейный шариковый подшипник. | 12.00 | 20.00 | 24.00 |
| 0668-012-00 | Линейный шариковый подшипник. 3/4. Sequential Number Of Design. | 12.00 | 20.00 | 24.00 |
| R0668-012-30 | Линейный шариковый подшипник. Distance Between End Face And First Hole Of The Rail. 3/4. | 12.00 | 20.00 | 24.00 |
Способы доставки
Отправка через ведущие транспортные и курьерские компании: ПЭК, Деловые Линии, СДЭК, Байкал-Сервис, Энергия, КИТ, ЖелДорЭкспедиция.
Самовывоз возможен напрямую со склада в Москве.
Сроки доставки
Срок зависит от региона и выбранной транспортной компании. Все заказы комплектуются и отправляются в кратчайшие сроки со склада в Москве.
Надёжность и сохранность
Вся продукция упаковывается с учётом требований транспортировки. Мы гарантируем, что подшипники и комплектующие прибудут к заказчику в полной сохранности.
Доставка в страны ЕАЭС
Мы работаем с проверенными логистическими партнёрами, что позволяет оперативно доставлять заказы в Беларусь, Казахстан, Армению и другие страны ЕАЭС.
Варианты оплаты:
Минимальная сумма заказа и скидки:
Документы и гарантии:
Да, конечно! Наши технические специалисты готовы помочь вам с подбором точного аналога или замены подшипника. Просто позвоните нам по телефону +7 (495) 104-99-04 или напишите на почту zakaz@podsnab.ru.
Для оперативной консультации подготовьте, пожалуйста, имеющиеся данные: маркировку, размеры, тип оборудования или артикул старого подшипника.
Да, конечно! Мы высоко ценим долгосрочное сотрудничество и доверие клиентов по всей России. Для постоянных клиентов действует персональная система скидок.
Условия формируются индивидуально и зависят от:
Чтобы узнать свои условия и получить максимально выгодное предложение, свяжитесь с персональным менеджером или напишите нам на почту zakaz@podsnab.ru.
Вы можете оформить заказ несколькими способами:
Для оформления заказа от юридического лица свяжитесь с нашим отделом по работе с корпоративными клиентами по телефону +7 (495) 104-99-04 или напишите на email zakaz@podsnab.ru, прикрепив реквизиты вашей организации.
Мы оперативно подготовим коммерческое предложение и выставим счет.
Возврат товара надлежащего качества возможен в течение 10 дней с момента получения, если товар не был в употреблении, сохранен товарный вид, упаковка не вскрывалась и присутствуют все сопроводительные документы.
Возврат денежных средств осуществляется в течение 10 рабочих дней после проверки товара складом.
В соответствии с законодательством возврату не подлежат подшипники надлежащего качества, если отсутствует оригинальная упаковка или имеются следы монтажа.
В случае выявления брака или гарантийного случая мы гарантируем возврат или обмен товара.
Да, гарантийный срок хранения устанавливается заводом-изготовителем и в среднем составляет 2 года при соблюдении условий хранения: сухое помещение, оригинальная упаковка и смазка.
Точный срок для конкретного типа подшипника уточняйте у наших менеджеров.
Пн–Пт: с 8:00 до 17:00 (МСК).
Сб–Вс: выходные дни.
Заказы на сайте принимаются круглосуточно. Заявки, поступившие после окончания рабочего дня, обрабатываются на следующий рабочий день.
Минимальная сумма заказа для доставки составляет 3000 рублей. Самовывоз со склада возможен на любую сумму при наличии товара.
ООО «УралТехГрупп»
ИНН: 7415093830
КПП: 772401001
ОГРН: 1167456069021
Банк: ПАО Сбербанк
Р/с: 40702810838000475273
К/с: 30101810400000000225
БИК: 044525225
У подшипника NKX12 пока нет отзывов. Вы можете стать первым покупателем, поделившимся своим мнением.