Поиск подшипника
Статьи
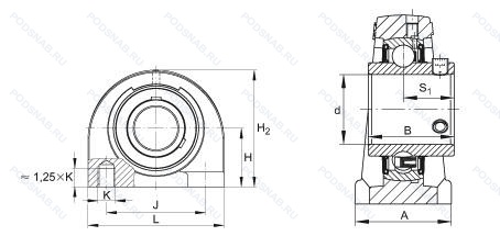
UCPA210 — Корпус подшипника, основное исполнение, выпускается производителями: ASAHI, ASKUBAL, CFC, CHINA, FAG, FBJ, FELSTROM, FK, JIB, MSB, NTN, PTI, SKF, SNR, TR, TSC.
Размер подшипника: 50x135x54 мм.
Альтернативное обозначение: SY50TF,UC210 + PA210.
Аналоги: RSHEY50-N INA,RSHEY50 INA,SNP50 RHP,UCPA210 Asahi,UCPW210D1 NTN,UCPA210 KDF,UCPA210 FK,UCPW210M16 FS.
Международная стандартизации ISO
UCPA210
В наличии
Подшипниковый узел UCPA210 производства SKF предназначен для установки подшипников в корпусе с соответствующей посадкой для вала. Этот узел используется в механизмах, где требуется высокая грузоподъёмность и защита от внешних воздействий. Корпус подшипникового узла UCPA210 обеспечивает удобство монтажа и гарантирует длительную работу подшипника в условиях переменных нагрузок.
Подшипниковый узел UCPA210 также имеет уплотнения для защиты от загрязнений и удержания смазки внутри подшипника, что способствует увеличению его срока службы и повышенной надёжности. Такие узлы применяются в транспортных системах, конвейерах и другом промышленном оборудовании.
При установке подшипникового узла UCPA210 необходимо обеспечить точность посадки и выравнивание всех элементов для корректной работы подшипникового узла в целом.
| Обозначение | Конструктивные изменения |
|---|---|
| UCPA210-30 | Distance Between End Face And First Hole Of The Rail. |
| UCPA210-J7 | Наилучшая посадка в корпусе. |
| UCPA210L | Одно механическое уплотнение. |
| UCPA210/H | Более высокая стабильность и лучший баланс нагрузки, чем в стандартной комплектации. Для шарикоподшипниковых узлов UC/Угол установочных винтов 120° вместо 62°. |
| UCPA210 2RS SS | Резиновые уплотнения с каждой стороны подшипника. Bearings Are Made Of Hardened Stainless Steel For All The Rotational Parts And AISI 304 For The Protection And The Cage. |
| UCPA210 BSS 2RS | Резиновые уплотнения с каждой стороны подшипника. Bearings Are Made Of Hardened Stainless Steel For All The Rotational Parts And AISI 304 For The Protection And The Cage. |
| UCPA210SS | Bearings Are Made Of Hardened Stainless Steel For All The Rotational Parts And AISI 304 For The Protection And The Cage. |
| UCPA210J | Корпус подшипникового узла. С допуском сферического отверстия J. Подходит для корпуса диаметром до 100 мм.. |
| Y/UCPA210 | Сепаратор из прессованной латуни. Центрирование шарика. |
| UCPA210D1 | Стандартная консистентная смазка Alvania Grease 3. |
| UCPA210-29-J7 | Наилучшая посадка в корпусе. 1.13/16. |
| UCPA210-31-J7 | Наилучшая посадка в корпусе. 1.15/16. |
| UCPA210-30-J7 | 1.7/8. Наилучшая посадка в корпусе. |
| UCPA210-32-J7 | Наилучшая посадка в корпусе. 2. |
Модификации корпуса подшипника UCPA210 — это измененное основное конструктивное исполнение UCPA210, основные размеры (50x135x54) не отличаются.
| Обозначение | Гост | Конструктивные особенности |
|---|---|---|
| PSHE50FA319,1 | ISO | Number Of Carriages Per Rail Track. |
| SYF50FM | ISO | Y-образный подшипник серии YET2 (внутреннее кольцо выдвинуто с одной стороны. Эксцентриковая стопорная втулка). Стандартное уплотнение без фланца с каждой стороны. |
| SYF50TF | ISO | Корпусный подшипник со стопорными винтами. серии YAR2. стандартное уплотнение и простой масло отражатель с каждой стороны. |
| RSHEY50 | ISO | Корпус подшипника. |
| PSHE50-XL-N | ISO | Серия X-Life премиум-класс. увеличиный срок службы. Чугунный корпус с подрезной прорезью для торцевых колпачков. |
| PSHEY50-XL-N | ISO | Серия X-Life премиум-класс. увеличиный срок службы. Чугунный корпус с подрезной прорезью для торцевых колпачков. |
| RSHE50-XL-N | ISO | Серия X-Life премиум-класс. увеличиный срок службы. Чугунный корпус с подрезной прорезью для торцевых колпачков. |
| RSHEY50-XL-N | ISO | Серия X-Life премиум-класс. увеличиный срок службы. Чугунный корпус с подрезной прорезью для торцевых колпачков. |
| TSHE50-XL-N | ISO | Серия X-Life премиум-класс. увеличиный срок службы. Чугунный корпус с подрезной прорезью для торцевых колпачков. |
| SYF50RM | ISO | Y-образный подшипник серии YAT2 (внутреннее кольцо. удлиненное с одной стороны. Стопорный винт). Стандартное уплотнение без маслоотражательного кольца с каждой стороны. |
| UCPW210M16 | ISO | Корпус подшипника. |
| SNP50EC/AR3P | ISO | Эксцентриковый кольцевой замок с внутренним кольцом заподлицо с одной стороны. Designation = Alvania Grease R3. Base Oil = Mineral. Thickener = Lithium. Min. Temp = -34°C. Max. Temp = +135°C. |
| SNP50 | ISO | Корпус подшипника. |
| SYF50TF/VA228 | ISO | Bearing With A “Coronet” Cage Of Graphite For Temperatures -150°C/+350°C. Корпусный подшипник со стопорными винтами. серии YAR2. стандартное уплотнение и простой масло отражатель с каждой стороны. |
| Y/UCPA210/H | ISO | Более высокая стабильность и лучший баланс нагрузки, чем в стандартной комплектации. Для шарикоподшипниковых узлов UC/Угол установочных винтов 120° вместо 62°. |
| PSHE50N | ISO | Чугунный корпус с подрезной прорезью для торцевых колпачков. |
| PSHEY50-N | ISO | Чугунный корпус с подрезной прорезью для торцевых колпачков. |
| RSHE50N | ISO | Чугунный корпус с подрезной прорезью для торцевых колпачков. |
| RSHEY50-N | ISO | Чугунный корпус с подрезной прорезью для торцевых колпачков. |
| UCPW210D1 | ISO | Канавка и смазочные отверстия на наружном кольце. |
| SNP50EC | ISO | Эксцентриковый кольцевой замок с внутренним кольцом заподлицо с одной стороны. |
| SNP50DEC | ISO | Эксцентриковая втулка удлиненным внутренним кольцом. |
| EXPAE.210 | ISO | Корпус подшипника. |
Аналог корпуса подшипника UCPA210 — это подшипник такого же размера dx50,Dx135,Bx54, типа и конструкции.
Способы доставки
Отправка через ведущие транспортные и курьерские компании: ПЭК, Деловые Линии, СДЭК, Байкал-Сервис, Энергия, КИТ, ЖелДорЭкспедиция.
Самовывоз возможен напрямую со склада в Москве.
Сроки доставки
Срок зависит от региона и выбранной транспортной компании. Все заказы комплектуются и отправляются в кратчайшие сроки со склада в Москве.
Надёжность и сохранность
Вся продукция упаковывается с учётом требований транспортировки. Мы гарантируем, что подшипники и комплектующие прибудут к заказчику в полной сохранности.
Доставка в страны ЕАЭС
Мы работаем с проверенными логистическими партнёрами, что позволяет оперативно доставлять заказы в Беларусь, Казахстан, Армению и другие страны ЕАЭС.
Варианты оплаты:
Минимальная сумма заказа и скидки:
Документы и гарантии:
Да, конечно! Наши технические специалисты готовы помочь вам с подбором точного аналога или замены подшипника. Просто позвоните нам по телефону +7 (495) 104-99-04 или напишите на почту zakaz@podsnab.ru.
Для оперативной консультации подготовьте, пожалуйста, имеющиеся данные: маркировку, размеры, тип оборудования или артикул старого подшипника.
Да, конечно! Мы высоко ценим долгосрочное сотрудничество и доверие клиентов по всей России. Для постоянных клиентов действует персональная система скидок.
Условия формируются индивидуально и зависят от:
Чтобы узнать свои условия и получить максимально выгодное предложение, свяжитесь с персональным менеджером или напишите нам на почту zakaz@podsnab.ru.
Вы можете оформить заказ несколькими способами:
Для оформления заказа от юридического лица свяжитесь с нашим отделом по работе с корпоративными клиентами по телефону +7 (495) 104-99-04 или напишите на email zakaz@podsnab.ru, прикрепив реквизиты вашей организации.
Мы оперативно подготовим коммерческое предложение и выставим счет.
Возврат товара надлежащего качества возможен в течение 10 дней с момента получения, если товар не был в употреблении, сохранен товарный вид, упаковка не вскрывалась и присутствуют все сопроводительные документы.
Возврат денежных средств осуществляется в течение 10 рабочих дней после проверки товара складом.
В соответствии с законодательством возврату не подлежат подшипники надлежащего качества, если отсутствует оригинальная упаковка или имеются следы монтажа.
В случае выявления брака или гарантийного случая мы гарантируем возврат или обмен товара.
Да, гарантийный срок хранения устанавливается заводом-изготовителем и в среднем составляет 2 года при соблюдении условий хранения: сухое помещение, оригинальная упаковка и смазка.
Точный срок для конкретного типа подшипника уточняйте у наших менеджеров.
Пн–Пт: с 8:00 до 17:00 (МСК).
Сб–Вс: выходные дни.
Заказы на сайте принимаются круглосуточно. Заявки, поступившие после окончания рабочего дня, обрабатываются на следующий рабочий день.
Минимальная сумма заказа для доставки составляет 3000 рублей. Самовывоз со склада возможен на любую сумму при наличии товара.
ООО «УралТехГрупп»
ИНН: 7415093830
КПП: 772401001
ОГРН: 1167456069021
Банк: ПАО Сбербанк
Р/с: 40702810838000475273
К/с: 30101810400000000225
БИК: 044525225
У подшипника UCPA210 пока нет отзывов. Вы можете стать первым покупателем, поделившимся своим мнением.