Поиск подшипника
Статьи
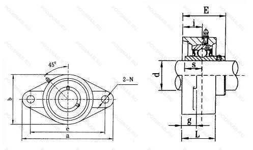
SUCFL208 — Корпус подшипника, основное исполнение, выпускается производителями: CHINA, FK, GBM, SNR.
Размер подшипника: 40x175x51 мм.
Альтернативное обозначение: SUC208 + SFL208.
Международная стандартизации ISO
SUCFL208
В наличии
| Обозначение | Конструктивные изменения |
|---|---|
| SUCFL208SE | Cage Of Sintered Iron. Ball Or Roller Riding. |
| S-UCFL208D1 | Канавка и смазочные отверстия на наружном кольце. |
| SUCFL208S | Запечатанная версия кулачкового ролика. |
| TP-SUCFL208 | Корпус подшипника. |
| SUCFL208-24 | 1.1/2. |
| SUCFL208N | Паз в корпусе для крепления защитных колпачков. |
Модификации корпуса подшипника SUCFL208 — это измененное основное конструктивное исполнение SUCFL208, основные размеры (40x175x51) не отличаются.
| Обозначение | Гост | Конструктивные особенности |
|---|---|---|
| SUC208 | ISO | Корпус подшипника. |
| M-SM-UCFL208D1 | ISO | Канавка и смазочные отверстия на наружном кольце. |
| UCFL208R | ISO | Units Are Made In RHP Factories. |
| UCFL208A | ISO | Двухрядный радиально-упорный шарикоподшипник без отверстия для смазки. |
| UCFL208ECYB | ISO | Open Ends On Both Sides Of The Housing. |
| UCFL208HT2D1/D4MS | ISO | Стандартное заполнение. Heat-Stabilized Up To 270°C. C4 Clearance. Toray Silicone SH44M. |
| UCFL208-J7 | ISO | Наилучшая посадка в корпусе. |
| UCFL208ECYA | ISO | One End Closed. |
| SG76208.2RS | ISO | Резиновые уплотнения с каждой стороны подшипника. |
| TP-SUCFL208BLACK | ISO | Colour Of The Housing. |
| UCFL208/H | ISO | Более высокая стабильность и лучший баланс нагрузки, чем в стандартной комплектации. Для шарикоподшипниковых узлов UC/Угол установочных винтов 120° вместо 62°. |
| Y/UCFL208/H | ISO | Более высокая стабильность и лучший баланс нагрузки, чем в стандартной комплектации. Для шарикоподшипниковых узлов UC/Угол установочных винтов 120° вместо 62°. |
| SUCFT208-40M-PBT | ISO | Корпус из термопластика. |
| FYTWK40YTH | ISO | Подходит для крышки ECW. SKF Food Line Y-Bearing With Grub Screws. YAR Series. Stainless Steel Made. Lubrication Groove On Outside Diameter Opposite Side Of Locking Device. |
| UCFL208NAV2 | ISO | Lubricant. Shell Oil Co.. Alvania #2 Grease. 1/4 Full. Temperature Range = -10°C / + 110°C (Normal Temperature Grease). Паз в корпусе для крепления защитных колпачков. |
| UCFLR208/LP03 | ISO | General-Purpose Solid Grease. -20°C +80°C. |
| UCFL208D1 | ISO | Стандартная консистентная смазка Alvania Grease 3. |
| MUCD208SB-FD | ISO | Корпус из термопластика. Совместимая с пищевыми продуктами смазка-наполнитель. |
| SSUCFLPL208B | ISO | Black Color Housing. |
| UCFA208-25-J7 | ISO | Distance Between Beginning Of The Rail And First Hole In MM. Наилучшая посадка в корпусе. |
| UCFL208-25-J7 | ISO | 1.9/16. Наилучшая посадка в корпусе. |
Аналог корпуса подшипника SUCFL208 — это подшипник такого же размера dx40,Dx175,Bx51, типа и конструкции.
Способы доставки
Отправка через ведущие транспортные и курьерские компании: ПЭК, Деловые Линии, СДЭК, Байкал-Сервис, Энергия, КИТ, ЖелДорЭкспедиция.
Самовывоз возможен напрямую со склада в Москве.
Сроки доставки
Срок зависит от региона и выбранной транспортной компании. Все заказы комплектуются и отправляются в кратчайшие сроки со склада в Москве.
Надёжность и сохранность
Вся продукция упаковывается с учётом требований транспортировки. Мы гарантируем, что подшипники и комплектующие прибудут к заказчику в полной сохранности.
Доставка в страны ЕАЭС
Мы работаем с проверенными логистическими партнёрами, что позволяет оперативно доставлять заказы в Беларусь, Казахстан, Армению и другие страны ЕАЭС.
Варианты оплаты:
Минимальная сумма заказа и скидки:
Документы и гарантии:
Да, конечно! Наши технические специалисты готовы помочь вам с подбором точного аналога или замены подшипника. Просто позвоните нам по телефону +7 (495) 104-99-04 или напишите на почту zakaz@podsnab.ru.
Для оперативной консультации подготовьте, пожалуйста, имеющиеся данные: маркировку, размеры, тип оборудования или артикул старого подшипника.
Да, конечно! Мы высоко ценим долгосрочное сотрудничество и доверие клиентов по всей России. Для постоянных клиентов действует персональная система скидок.
Условия формируются индивидуально и зависят от:
Чтобы узнать свои условия и получить максимально выгодное предложение, свяжитесь с персональным менеджером или напишите нам на почту zakaz@podsnab.ru.
Вы можете оформить заказ несколькими способами:
Для оформления заказа от юридического лица свяжитесь с нашим отделом по работе с корпоративными клиентами по телефону +7 (495) 104-99-04 или напишите на email zakaz@podsnab.ru, прикрепив реквизиты вашей организации.
Мы оперативно подготовим коммерческое предложение и выставим счет.
Возврат товара надлежащего качества возможен в течение 10 дней с момента получения, если товар не был в употреблении, сохранен товарный вид, упаковка не вскрывалась и присутствуют все сопроводительные документы.
Возврат денежных средств осуществляется в течение 10 рабочих дней после проверки товара складом.
В соответствии с законодательством возврату не подлежат подшипники надлежащего качества, если отсутствует оригинальная упаковка или имеются следы монтажа.
В случае выявления брака или гарантийного случая мы гарантируем возврат или обмен товара.
Да, гарантийный срок хранения устанавливается заводом-изготовителем и в среднем составляет 2 года при соблюдении условий хранения: сухое помещение, оригинальная упаковка и смазка.
Точный срок для конкретного типа подшипника уточняйте у наших менеджеров.
Пн–Пт: с 8:00 до 17:00 (МСК).
Сб–Вс: выходные дни.
Заказы на сайте принимаются круглосуточно. Заявки, поступившие после окончания рабочего дня, обрабатываются на следующий рабочий день.
Минимальная сумма заказа для доставки составляет 3000 рублей. Самовывоз со склада возможен на любую сумму при наличии товара.
ООО «УралТехГрупп»
ИНН: 7415093830
КПП: 772401001
ОГРН: 1167456069021
Банк: ПАО Сбербанк
Р/с: 40702810838000475273
К/с: 30101810400000000225
БИК: 044525225
У подшипника SUCFL208 пока нет отзывов. Вы можете стать первым покупателем, поделившимся своим мнением.