Поиск подшипника
Статьи
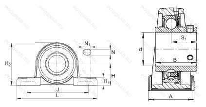
UCP207D1 — Корпус подшипника, модификация основного исполнения UCP207, производство NSK.
Размер подшипника: 35x160x45 мм.
Стандартная консистентная смазка alvania grease 3.
Альтернативное обозначение: 56207 + SG207S, GYE35KRRB + ASE07, RASEY35, SG56207, SY35TF, UC207 + P207, YAR207-2F + SY507M.
Аналоги: Y/UCP207 SKF,UCP207J Koyo,UCP207R45 Asahi,UCP207U15 Asahi,UCP207 FK,UCP207 SLB,UCP207 TR,UCP207 TWN,UCP207 FHB,UCP207 LK,UCP207 EBS,UCP207 KBF,UCP207 KG,UCP207 PTN,UCP207 MSB,UCP207-A Peer.
Международная стандартизации ISO
UCP207D1
В наличии
| Обозначение | Конструктивные изменения |
|---|---|
| UCP207-21 | 1.5/16. |
| UCP207-22 | 1.3/8. |
| UCP207-A | Двухрядный радиально-упорный шарикоподшипник без отверстия для смазки. |
| UCP207L | Одно механическое уплотнение. |
| UCP207 AV2S | Lubricant. Shell Oil Co.. Alvania #2 Grease. 1/4 Full. Temperature Range = -10°C / + 110°C (Normal Temperature Grease). |
| UCP207E3 | Cast Iron Cover Mounting Groove. |
| UCP207JE3 | Корпус подшипникового узла. С допуском сферического отверстия J. Подходит для корпуса диаметром до 100 мм.. Cast Iron Cover Mounting Groove. |
| UCP207PSS | Пластиковый корпус. Подшипник из нержавеющей стали. |
| UCP207-104D1 | Стандартная консистентная смазка Alvania Grease 3. 1.1/4. |
| UCP207-20-J7 | 1.1/4. Наилучшая посадка в корпусе. |
| UCP207/H | Более высокая стабильность и лучший баланс нагрузки, чем в стандартной комплектации. Для шарикоподшипниковых узлов UC/Угол установочных винтов 120° вместо 62°. |
| UCP207-23-J7 | Наилучшая посадка в корпусе. 1.7/16. |
| UCP207-23P | Пластиковый корпус. 1.7/16. |
| UCP207HT | Высокотемпературный. |
| Y/UCP207 | Сепаратор из прессованной латуни. Центрирование шарика. |
| UCP207-23J | 1.7/16. |
| UCP207-105 | Осевой зазор в мкм. |
| UCP207-20J | Шарикоподшипниковый узел. Допуск сферического внутреннего диаметра корпуса. |
| UCP207-21S | Стандартное заполнение. |
| UCP207C | 15° Угол контакта. |
| UCP207R45 | Grease Nipple Is Not On Top Of The Housing. But At An Angle Of 45 Degrees. |
| UCP207C-646561 | Подшипник SB из хромированной легированной стали, потайные винты, блокировка вала. Open Unit. |
| UCP207-22-J7 | Наилучшая посадка в корпусе. 1.3/8. |
| UCP207-21-J7 | 1.5/16. Наилучшая посадка в корпусе. |
| UCP207-23SL | Канавка под стопорное кольцо на стороне подшипника. противоположной защитному щитку. Стопорное кольцо входит в комплект поставки. 1.7/16. |
Модификации корпуса подшипника UCP207D1 — это измененное основное конструктивное исполнение UCP207, основные размеры (35x160x45) не отличаются.
| Обозначение | Гост | Конструктивные особенности |
|---|---|---|
| SG56207 | ISO | Корпус подшипника. |
| UC207 | ISO | Угол контакта 20 градусов. |
| GYE35KRRB | ISO | Корпус подшипника. |
| SY35TF | ISO | Корпусный подшипник со стопорными винтами. серии YAR2. стандартное уплотнение и простой масло отражатель с каждой стороны. |
| RASEY35 | ISO | Корпус подшипника. |
| 56207 | ISO | Корпус подшипника. |
| YP207HT2W6 | ISO | Heat-Stabilized Up To 270°C. For Axial Expansion Screw Shaft When Necessary. |
| NP35ECHLT | ISO | Эксцентриковый кольцевой замок с внутренним кольцом заподлицо с одной стороны. Высоко- и низкотемпературные подшипниковые вкладыши. |
| SW35A | ISO | Eccentric Mounting. |
| PASE35N | ISO | Чугунный корпус с подрезной прорезью для торцевых колпачков. |
| RASE35FA319.1 | ISO | Number Of Carriages Per Rail Track. |
| YAS35PT | ISO | Сборки из полимера Survivor. |
| SY35M | ISO | Подшипник с латунным сепаратором. центрированный по телам качения. |
| UCPE.207 | ISO | 2.7/16. |
| NP1.3/8DEC | ISO | Эксцентриковая втулка удлиненным внутренним кольцом. |
| UCFL207D1 | ISO | Стандартная консистентная смазка Alvania Grease 3. |
| PASEY35-N | ISO | Чугунный корпус с подрезной прорезью для торцевых колпачков. |
| RASEY1.3/8 | ISO | Размерные и геометрические допуски соответствуют классу точности P6. Средний предварительный натяг. |
| RASEY35-N | ISO | Чугунный корпус с подрезной прорезью для торцевых колпачков. |
| SY1.3/8TF/VA228 | ISO | Bearing With A “Coronet” Cage Of Graphite For Temperatures -150°C/+350°C. Корпусный подшипник со стопорными винтами. серии YAR2. стандартное уплотнение и простой масло отражатель с каждой стороны. |
| UCFL207E | ISO | Повышенная грузоподъемность. |
| RASEY35-JIS | ISO | Японский промышленный стандарт. |
| UCFL207R3 | ISO | Уплотнение состоит из металлического колпачка и синтетического каучука.. |
| UCFL207-22-J7 | ISO | Наилучшая посадка в корпусе. 1.3/8. |
| UCFL207D | ISO | Половина целого игольчатого валика. Применять суффикс 'D' в базовом номере. |
| UCFL207R | ISO | Units Are Made In RHP Factories. |
Аналог корпуса подшипника UCP207D1 — это подшипник такого же размера dx35,Dx160,Bx45, типа и конструкции.
Способы доставки
Отправка через ведущие транспортные и курьерские компании: ПЭК, Деловые Линии, СДЭК, Байкал-Сервис, Энергия, КИТ, ЖелДорЭкспедиция.
Самовывоз возможен напрямую со склада в Москве.
Сроки доставки
Срок зависит от региона и выбранной транспортной компании. Все заказы комплектуются и отправляются в кратчайшие сроки со склада в Москве.
Надёжность и сохранность
Вся продукция упаковывается с учётом требований транспортировки. Мы гарантируем, что подшипники и комплектующие прибудут к заказчику в полной сохранности.
Доставка в страны ЕАЭС
Мы работаем с проверенными логистическими партнёрами, что позволяет оперативно доставлять заказы в Беларусь, Казахстан, Армению и другие страны ЕАЭС.
Варианты оплаты:
Минимальная сумма заказа и скидки:
Документы и гарантии:
Да, конечно! Наши технические специалисты готовы помочь вам с подбором точного аналога или замены подшипника. Просто позвоните нам по телефону +7 (495) 104-99-04 или напишите на почту zakaz@podsnab.ru.
Для оперативной консультации подготовьте, пожалуйста, имеющиеся данные: маркировку, размеры, тип оборудования или артикул старого подшипника.
Да, конечно! Мы высоко ценим долгосрочное сотрудничество и доверие клиентов по всей России. Для постоянных клиентов действует персональная система скидок.
Условия формируются индивидуально и зависят от:
Чтобы узнать свои условия и получить максимально выгодное предложение, свяжитесь с персональным менеджером или напишите нам на почту zakaz@podsnab.ru.
Вы можете оформить заказ несколькими способами:
Для оформления заказа от юридического лица свяжитесь с нашим отделом по работе с корпоративными клиентами по телефону +7 (495) 104-99-04 или напишите на email zakaz@podsnab.ru, прикрепив реквизиты вашей организации.
Мы оперативно подготовим коммерческое предложение и выставим счет.
Возврат товара надлежащего качества возможен в течение 10 дней с момента получения, если товар не был в употреблении, сохранен товарный вид, упаковка не вскрывалась и присутствуют все сопроводительные документы.
Возврат денежных средств осуществляется в течение 10 рабочих дней после проверки товара складом.
В соответствии с законодательством возврату не подлежат подшипники надлежащего качества, если отсутствует оригинальная упаковка или имеются следы монтажа.
В случае выявления брака или гарантийного случая мы гарантируем возврат или обмен товара.
Да, гарантийный срок хранения устанавливается заводом-изготовителем и в среднем составляет 2 года при соблюдении условий хранения: сухое помещение, оригинальная упаковка и смазка.
Точный срок для конкретного типа подшипника уточняйте у наших менеджеров.
Пн–Пт: с 8:00 до 17:00 (МСК).
Сб–Вс: выходные дни.
Заказы на сайте принимаются круглосуточно. Заявки, поступившие после окончания рабочего дня, обрабатываются на следующий рабочий день.
Минимальная сумма заказа для доставки составляет 3000 рублей. Самовывоз со склада возможен на любую сумму при наличии товара.
ООО «УралТехГрупп»
ИНН: 7415093830
КПП: 772401001
ОГРН: 1167456069021
Банк: ПАО Сбербанк
Р/с: 40702810838000475273
К/с: 30101810400000000225
БИК: 044525225
У подшипника UCP207D1 пока нет отзывов. Вы можете стать первым покупателем, поделившимся своим мнением.